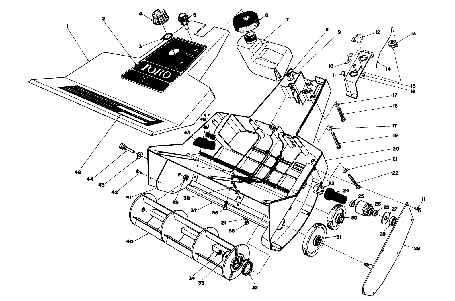
Gas Power Shovel Snowthrower
Product Information
- Model #: 38350
- Serial #: 4000001 - 4999999
- Product Type: Snowthrowers
Loading...
Assembly Drawings
Search for a part within assembly drawings:
-
Service Manual
-
Parts Catalog
-
Model #
38350 -
Serial #
4000001 - 4999999 -
Product Name
Gas Power Shovel Snowthrower -
Product Brand
Toro -
Product Type
Snowthrowers -
Product Series
Snowthrower, Single Stage, Powerlite / Gas Power Shovel -
Chassis Type
Single Stage -
Swath
14 inch -
Discharge
Single Stage -
Engine/Motor Manufacturer
Toro -
Engine/Motor Type
2 Cycle -
Engine Starter
Recoil -
Transmission Type
NA





