Powerlite Snowthrower
Product Information
- Model #: 38172
- Serial #: 290000001 - 290999999
- Product Type: Snowthrowers
Loading...
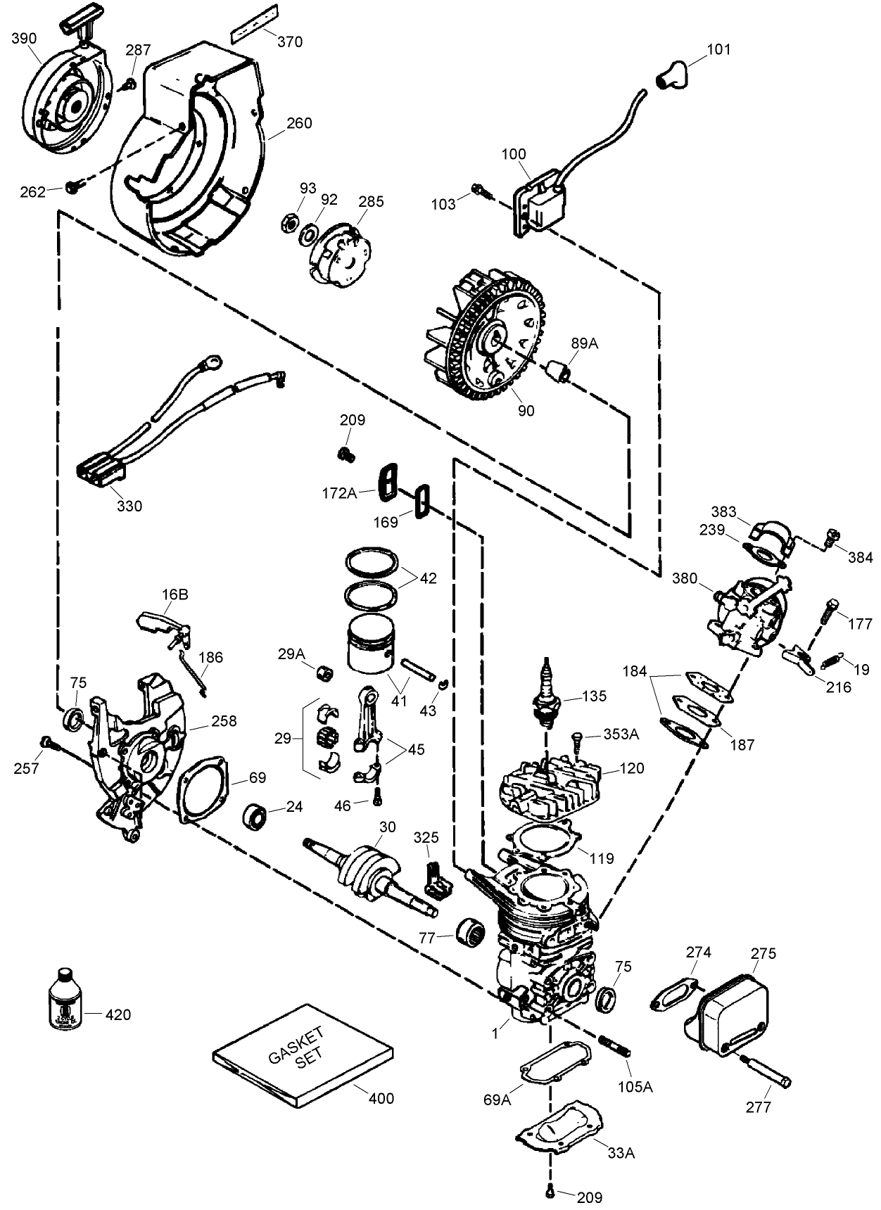
Assembly Drawings
Search for a part within assembly drawings:
-
Service Manual
-
Operator's Manual
-
Parts Catalog
-
Model #
38172 -
Serial #
290000001 - 290999999 -
Product Name
Powerlite Snowthrower -
Product Brand
Toro -
Product Type
Snowthrowers -
Product Series
Snowthrower, Single Stage, Powerlite / Gas Power Shovel -
Chassis Type
Single Stage -
Swath
16 inch -
Discharge
Single Stage -
Engine/Motor Manufacturer
Tecumseh -
Engine/Motor Size
98cc -
Engine/Motor Type
2 Cycle CARB2, EPA2 -
Engine Starter
Recoil -
Transmission Type
NA
-
Engine: Engine Oil Type
Toro 2 cycle / NMMA-TCW3 -
Engine: Engine Speed
4500±200 RPM -
Engine: Ignition Coil Air Gap
.012" / .3mm -
Engine: Mix Ratio
50:1 (2.6 oz./gal.) -
Engine: Spark Plug
Champion CJ8Y -
Engine: Spark Plug Gap
.030"/ .76mm







