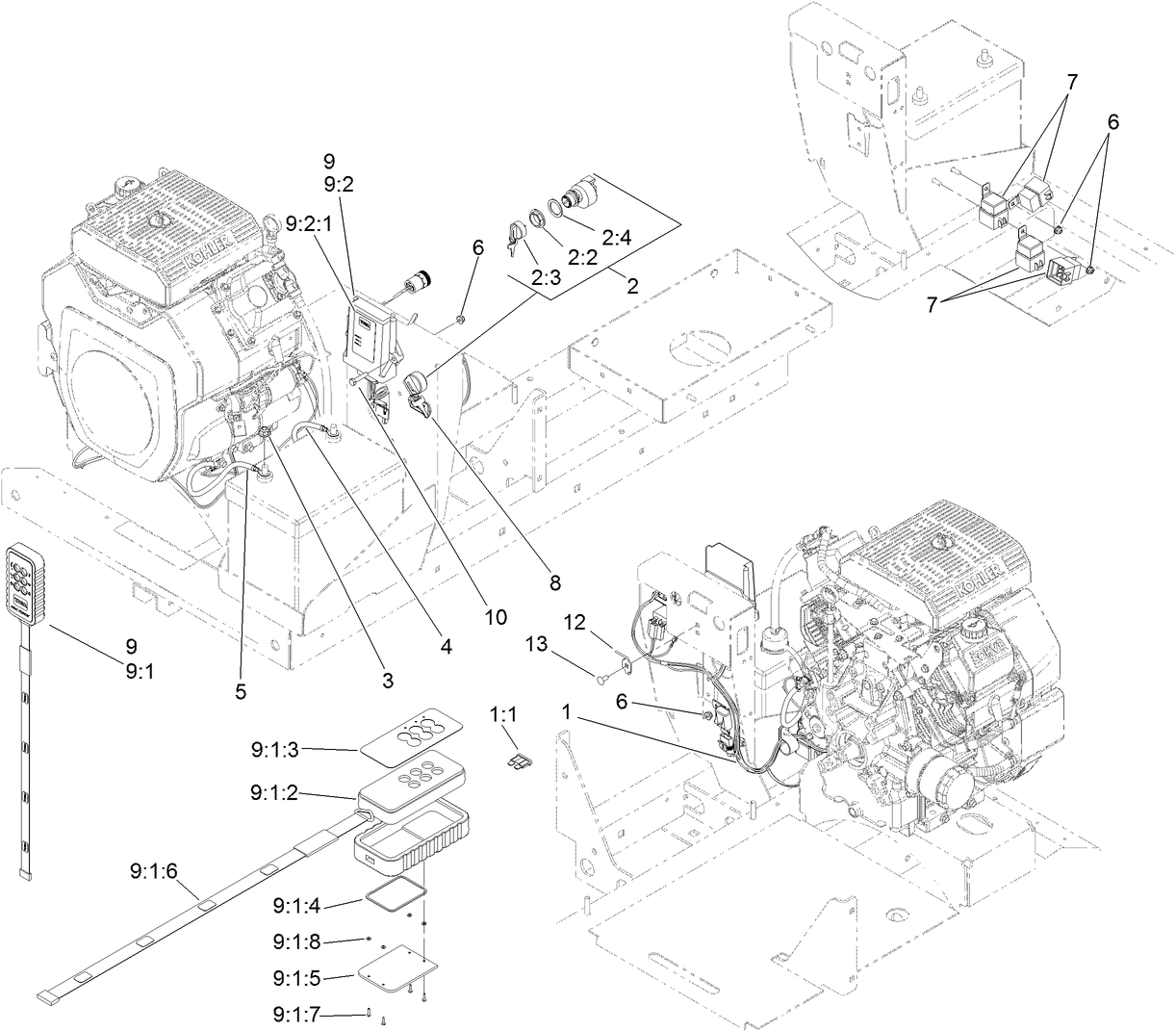
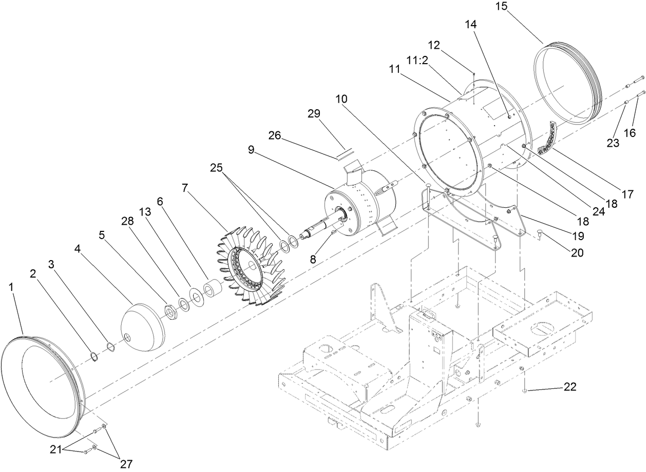
Pro Force Debris Blower
Product Information
- Model #: 44538
- Serial #: 312000001 - 312000279
- Product Type: Commercial Debris Blower
Loading...
Assembly Drawings
Search for a part within assembly drawings:
-
Service Manual
-
Operator's Manual
-
Parts Catalog
-
EU Declaration of Conformity
-
Engine Evaporative Emission Warranty
-
Service Bulletin
-
Model #
44538 -
Serial #
312000001 - 312000279 -
Product Name
Pro Force Debris Blower -
Product Brand
Toro -
Product Type
Commercial Debris Blower -
Product Series
Turf Maintenance Equipment









