732 Sportsman Rider
Product Information
- Model #: 56150
- Serial #: 3000001 - 3999999
- Product Type: Riding Products
Loading...
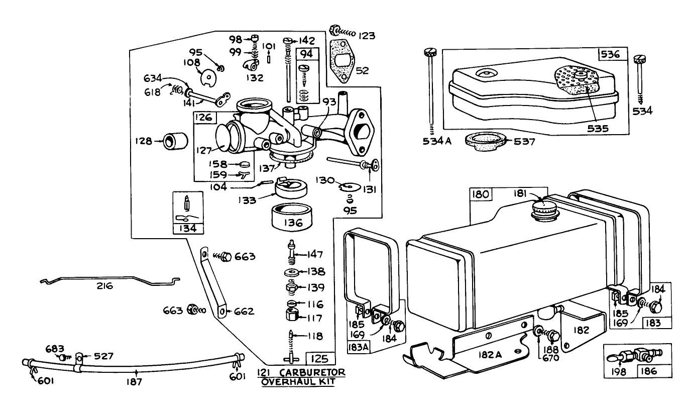
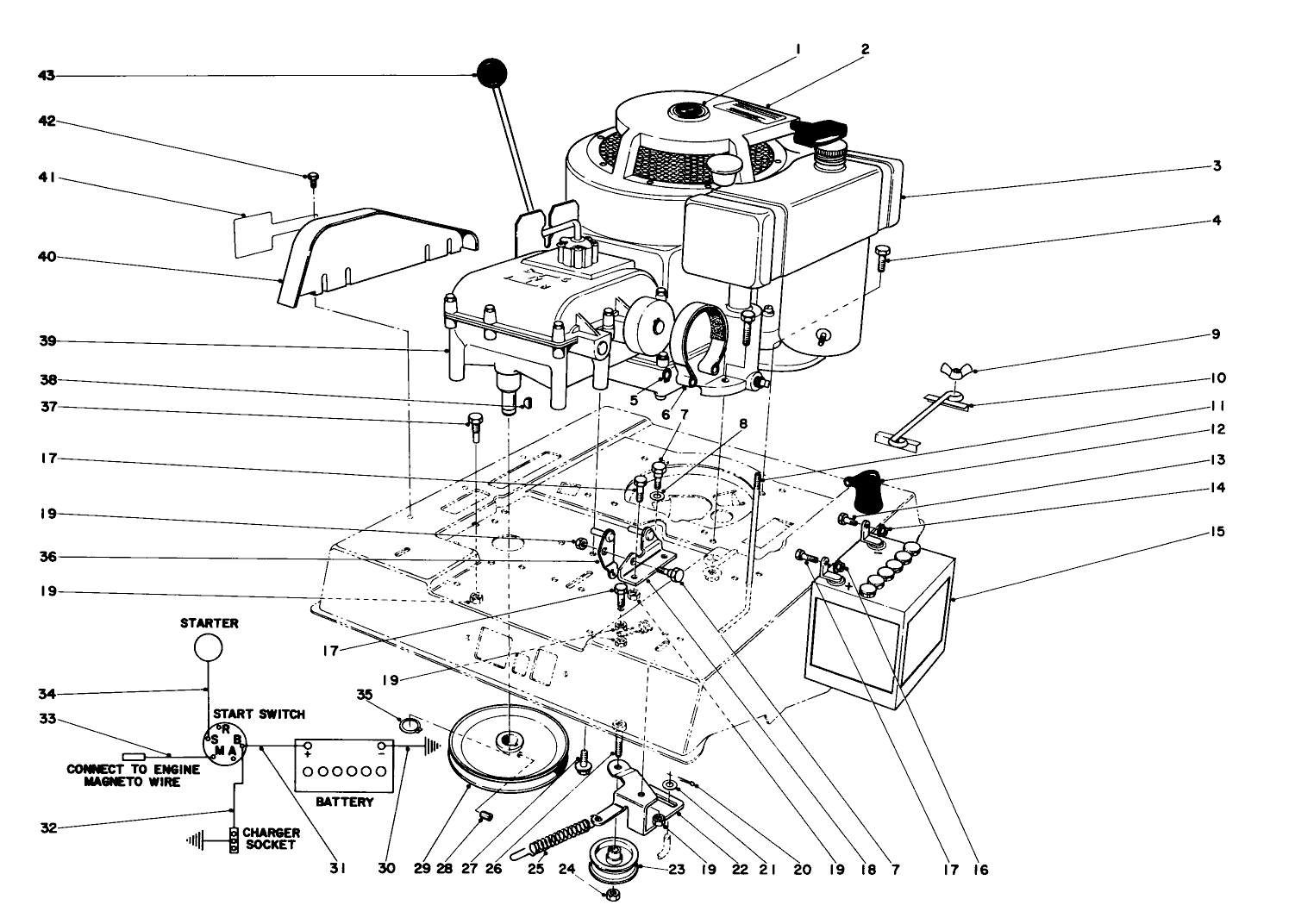
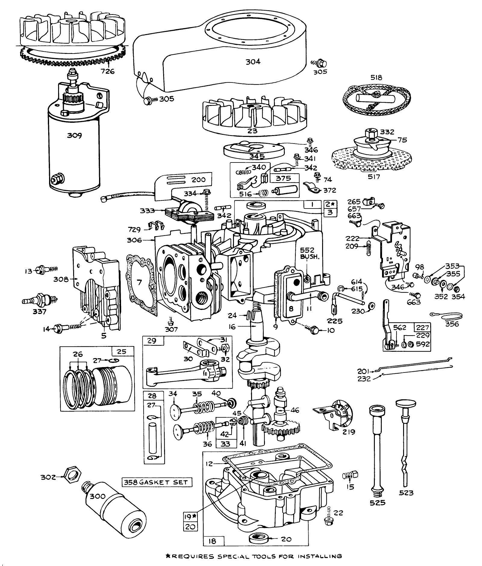
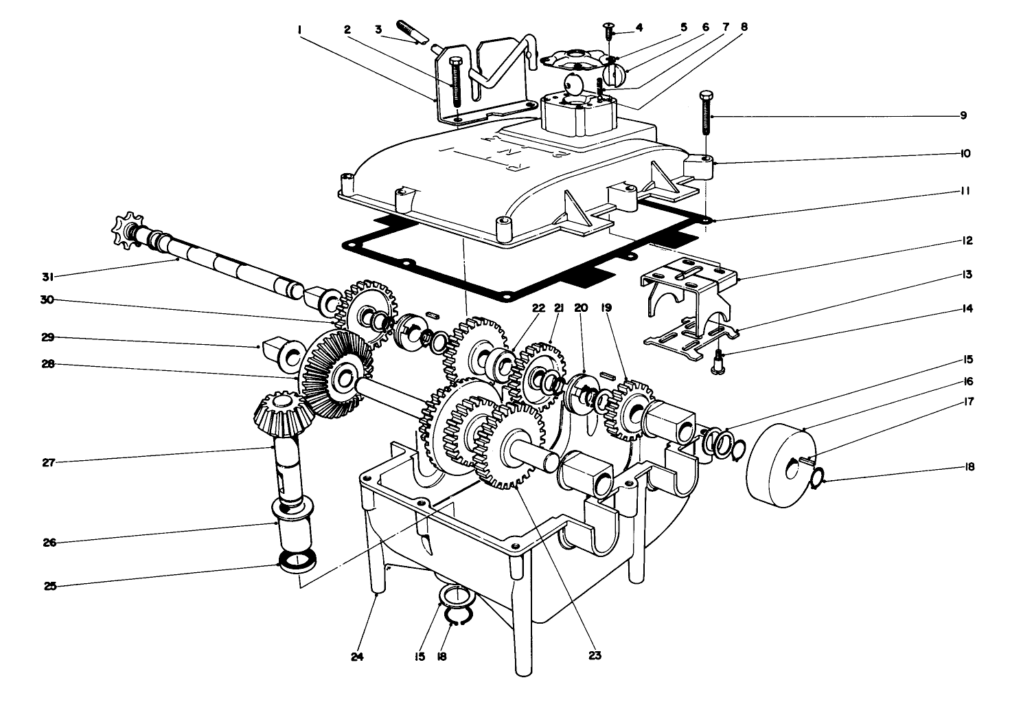
Assembly Drawings
Search for a part within assembly drawings:
-
Service Manual
-
Parts Catalog
Stand up Bar Kit (Part # 11-3810)
Trimmer Bracket Kit RER (Part # 11-6310)
Dump Cart, Heavy Duty (Part # 59003)
30" Snow Blade RER (Part # 59043)
Seeder-Spreader (Part # 59068)
Dump Cart, Light Duty (Part # 59070)
-
Model #
56150 -
Serial #
3000001 - 3999999 -
Product Name
732 Sportsman Rider -
Product Brand
Toro -
Product Type
Riding Products -
Product Series
Rear Engine Rider, 32" -
Swath
32 inch -
Discharge
Side -
Engine/Motor Manufacturer
Briggs & Stratton -
Engine/Motor Size
7 hp -
Engine/Motor Type
4 Cycle -
Engine Starter
Electric -
Transmission Type
Gear











