8-32 Professional Rider
Product Information
- Model #: 56150
- Serial #: 9000001 - 9999999
- Product Type: Riding Products
Loading...
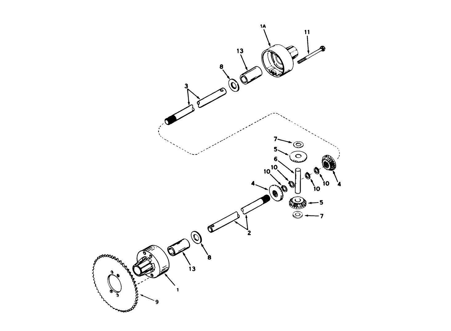
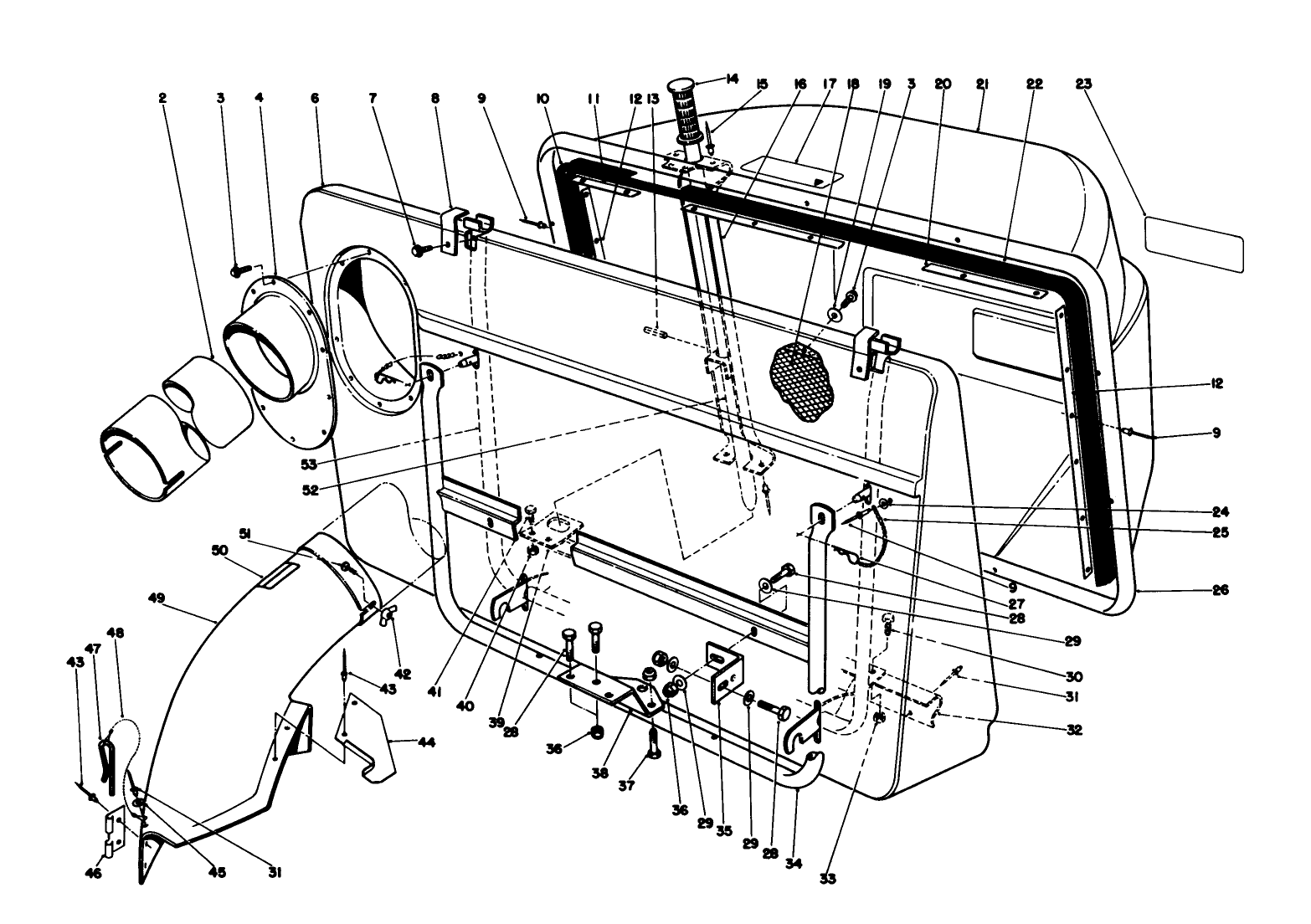
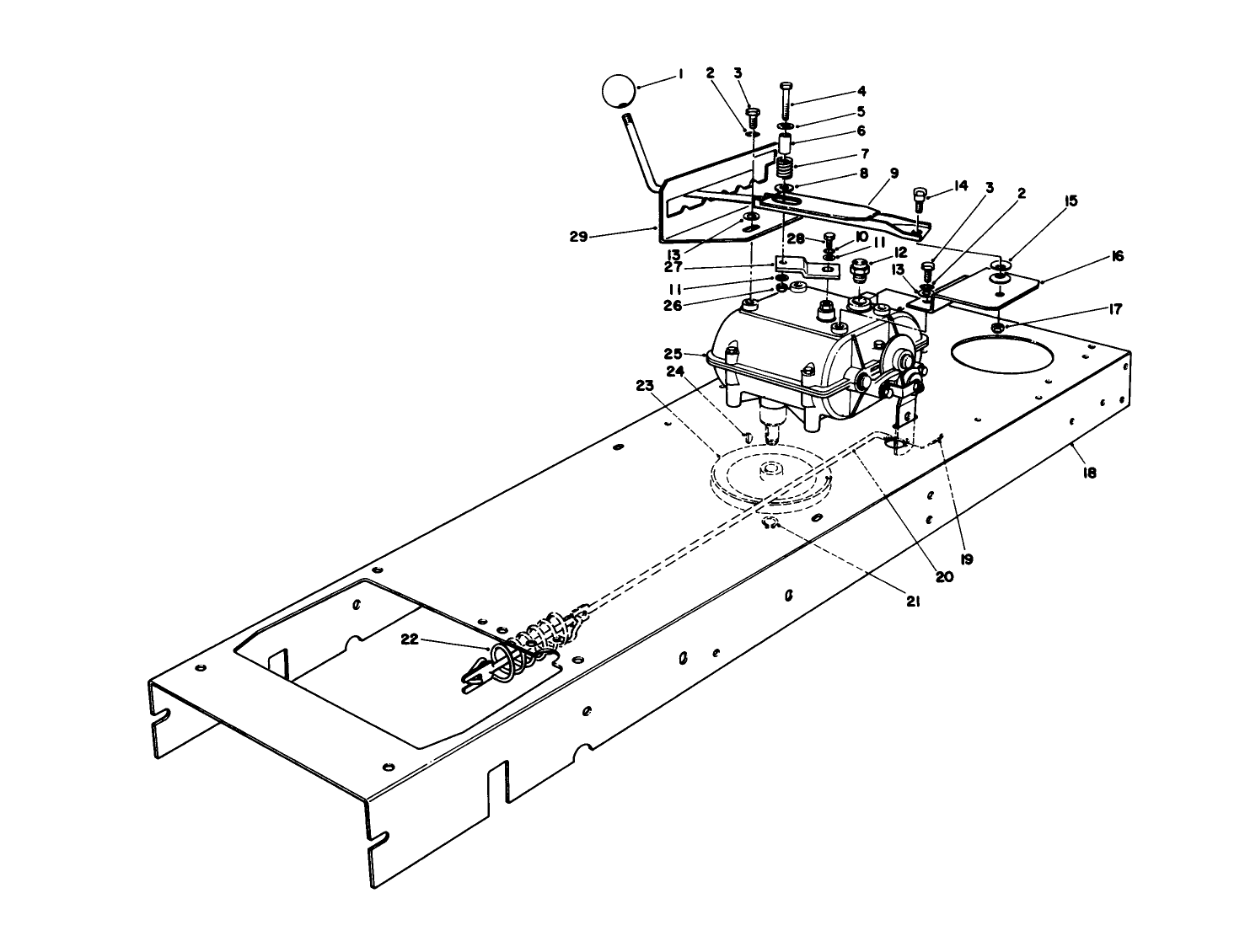
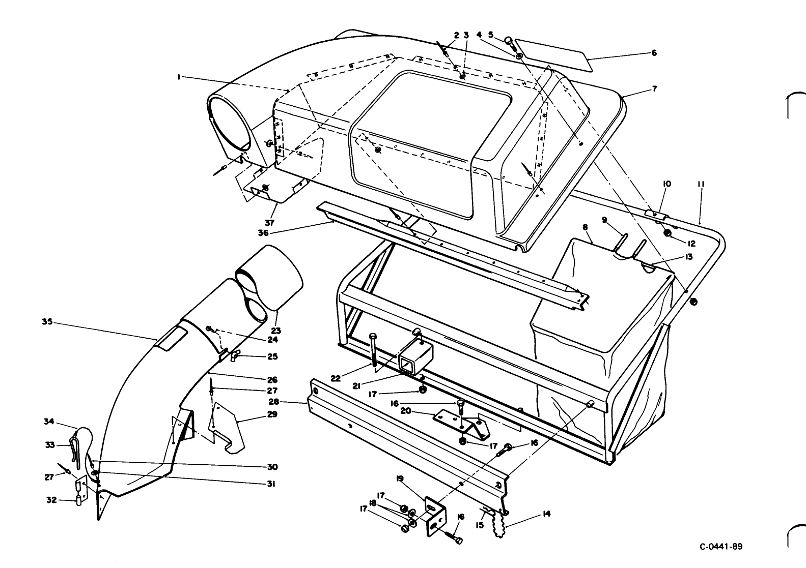
Assembly Drawings
Search for a part within assembly drawings:
-
Service Manual
-
Operator's Manual
-
Parts Catalog
(Part # All attachments are no longer available.)
-
Model #
56150 -
Serial #
9000001 - 9999999 -
Product Name
8-32 Professional Rider -
Product Brand
Toro -
Product Type
Riding Products -
Product Series
Rear Engine Rider, 32" -
Swath
32 inch -
Discharge
Side -
Engine/Motor Manufacturer
Briggs & Stratton -
Engine/Motor Size
8 hp -
Engine/Motor Type
4 Cycle -
Engine Starter
Electric -
Transmission Type
Gear
-
Chassis: Tire Pressure
12 PSI / .5kg sq. cm -
Drive System: Ground Speed
Fwd. 1.5 - 5.4 Rev. 1.8 mph -
Engine: Battery
12V 160CCA -
Engine: Engine Speed
High 3300, Low 1750 RPM -
Engine: Spark Plug
Champion RCJ8 -
Engine: Spark Plug Gap
.030"/ .76mm























