8-32 Front Engine Rider
Product Information
- Model #: 57300
- Serial #: 4000001 - 4999999
- Product Type: Riding Products
Loading...
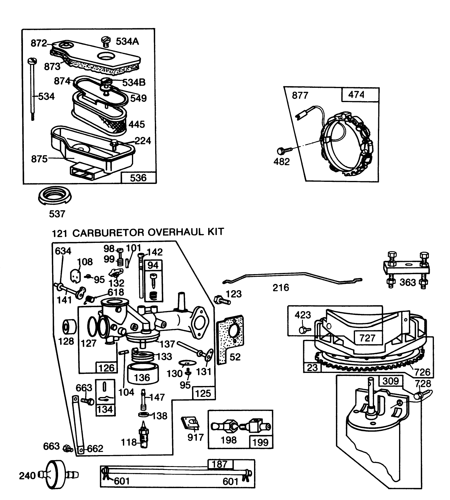
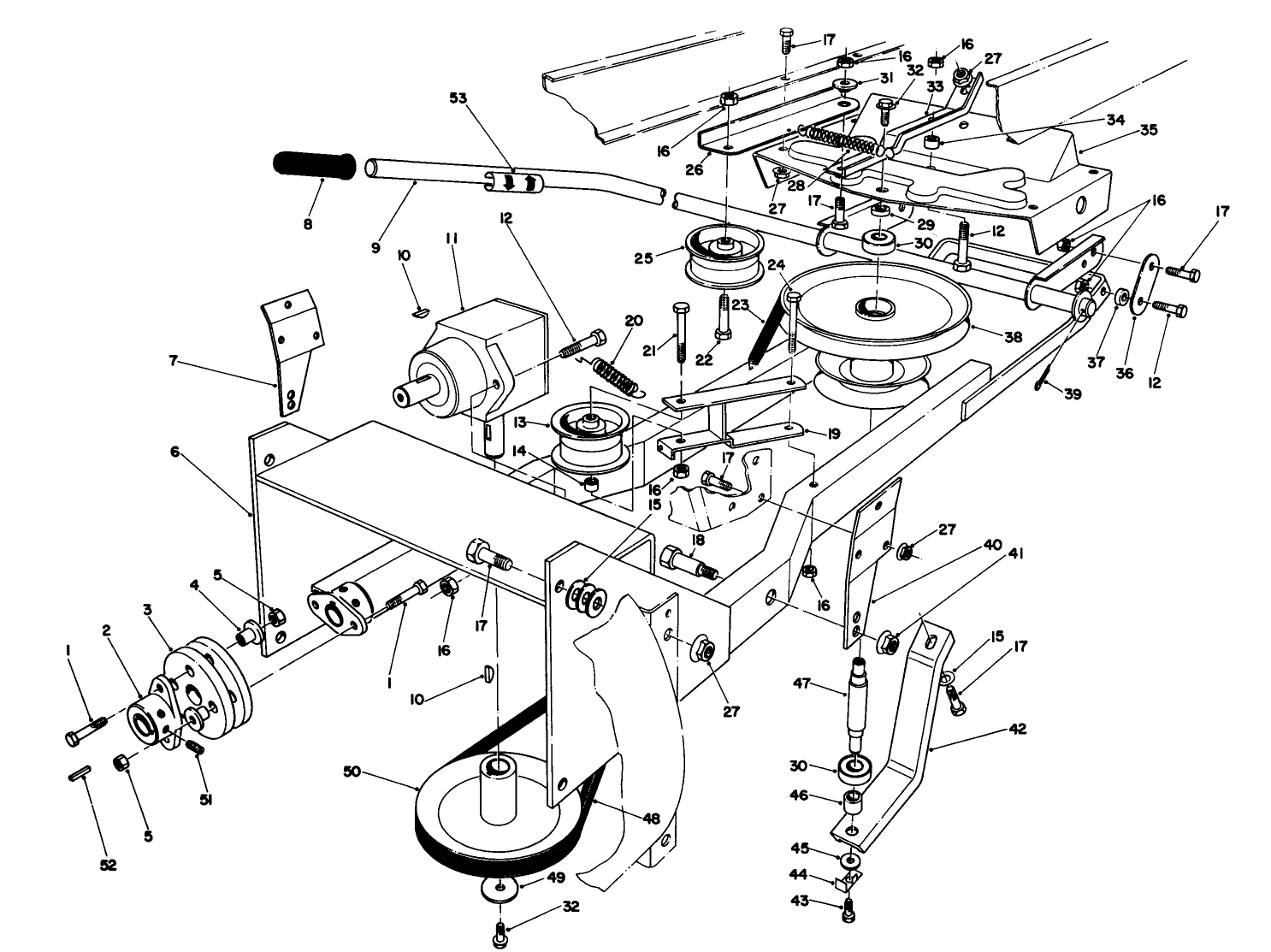
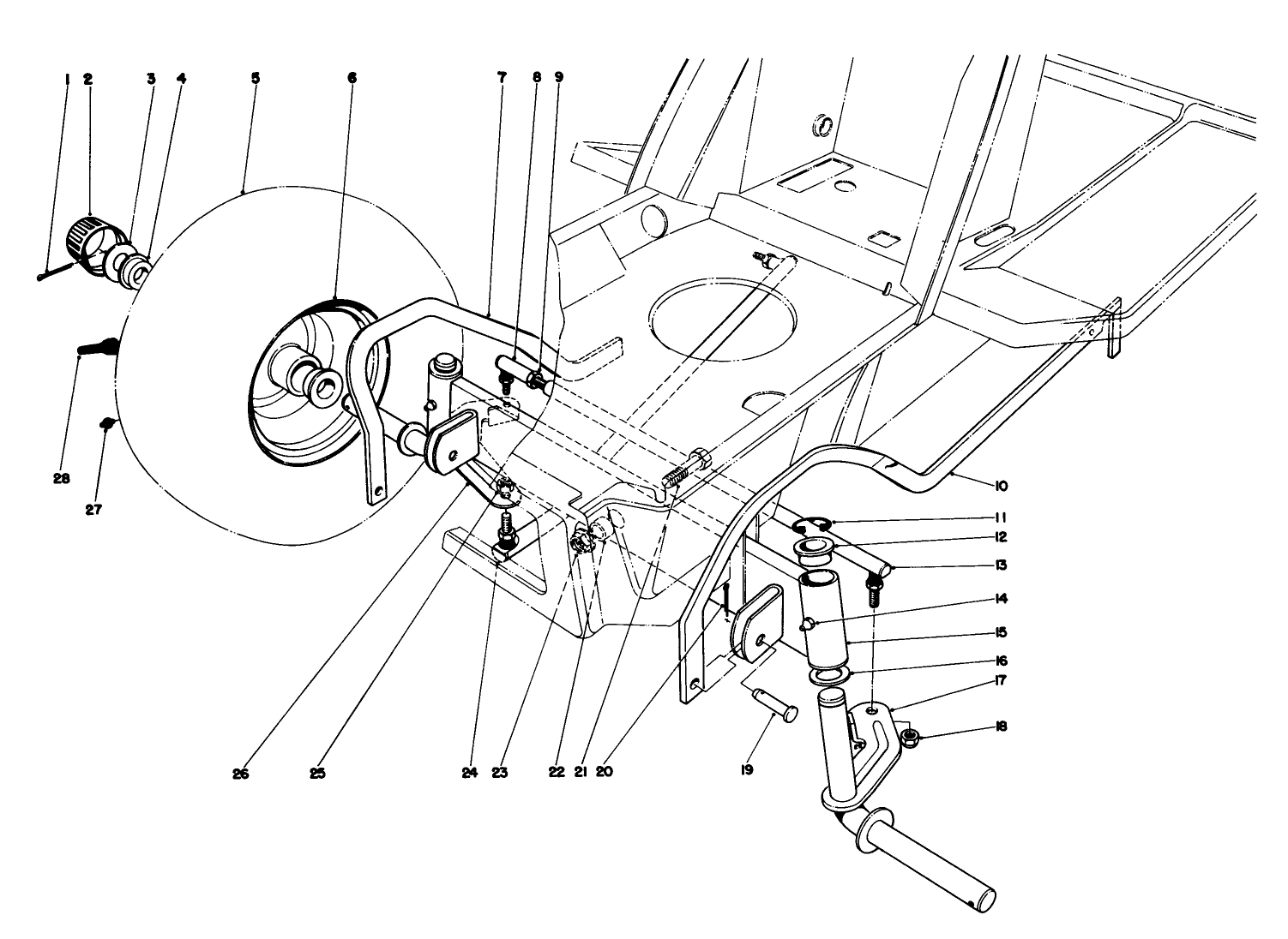
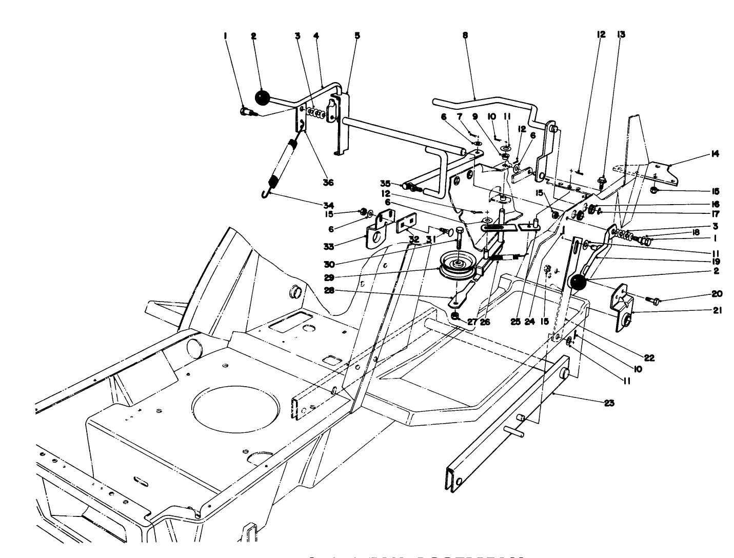
Assembly Drawings
Search for a part within assembly drawings:
-
Service Manual
-
Operator's Manual
-
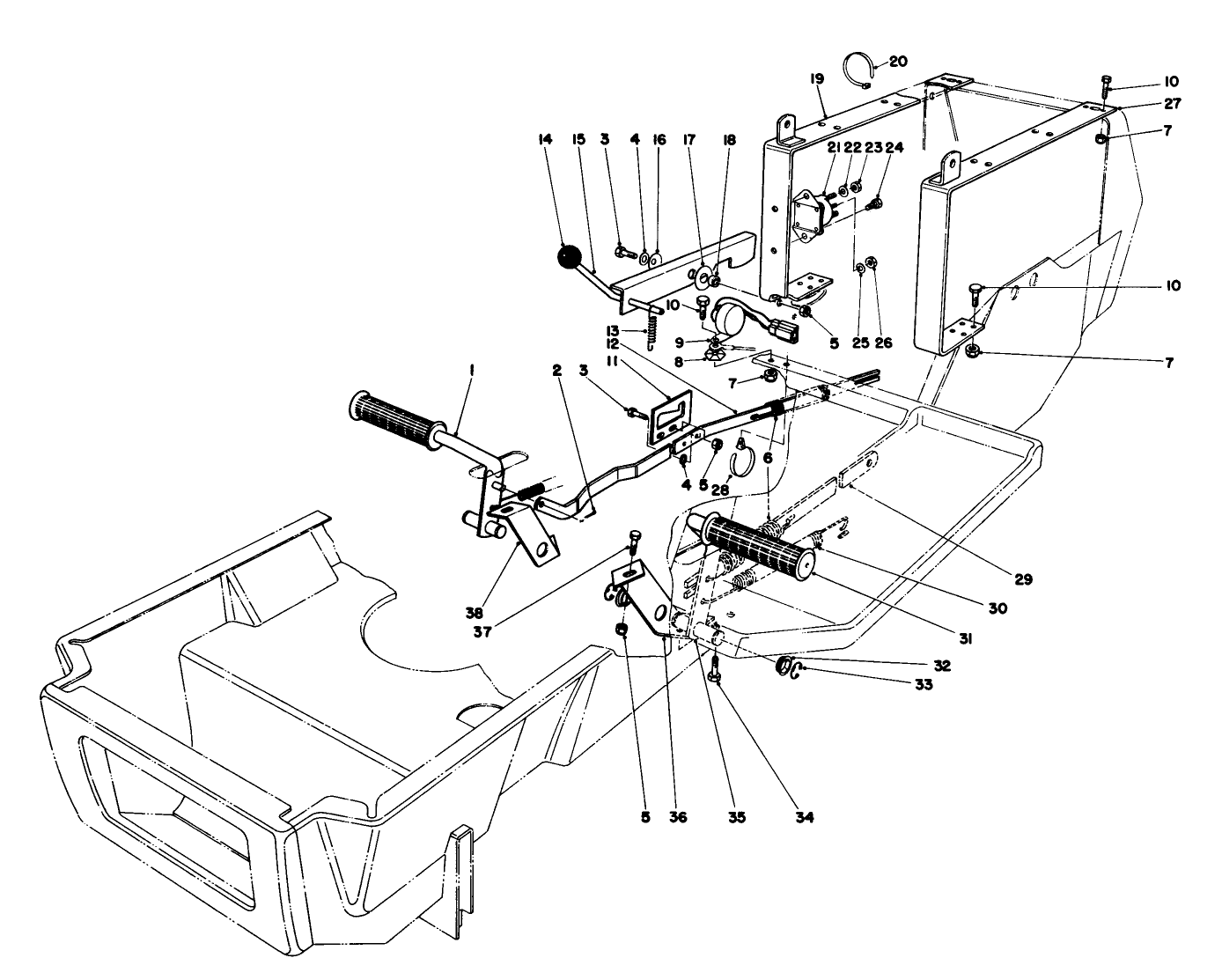
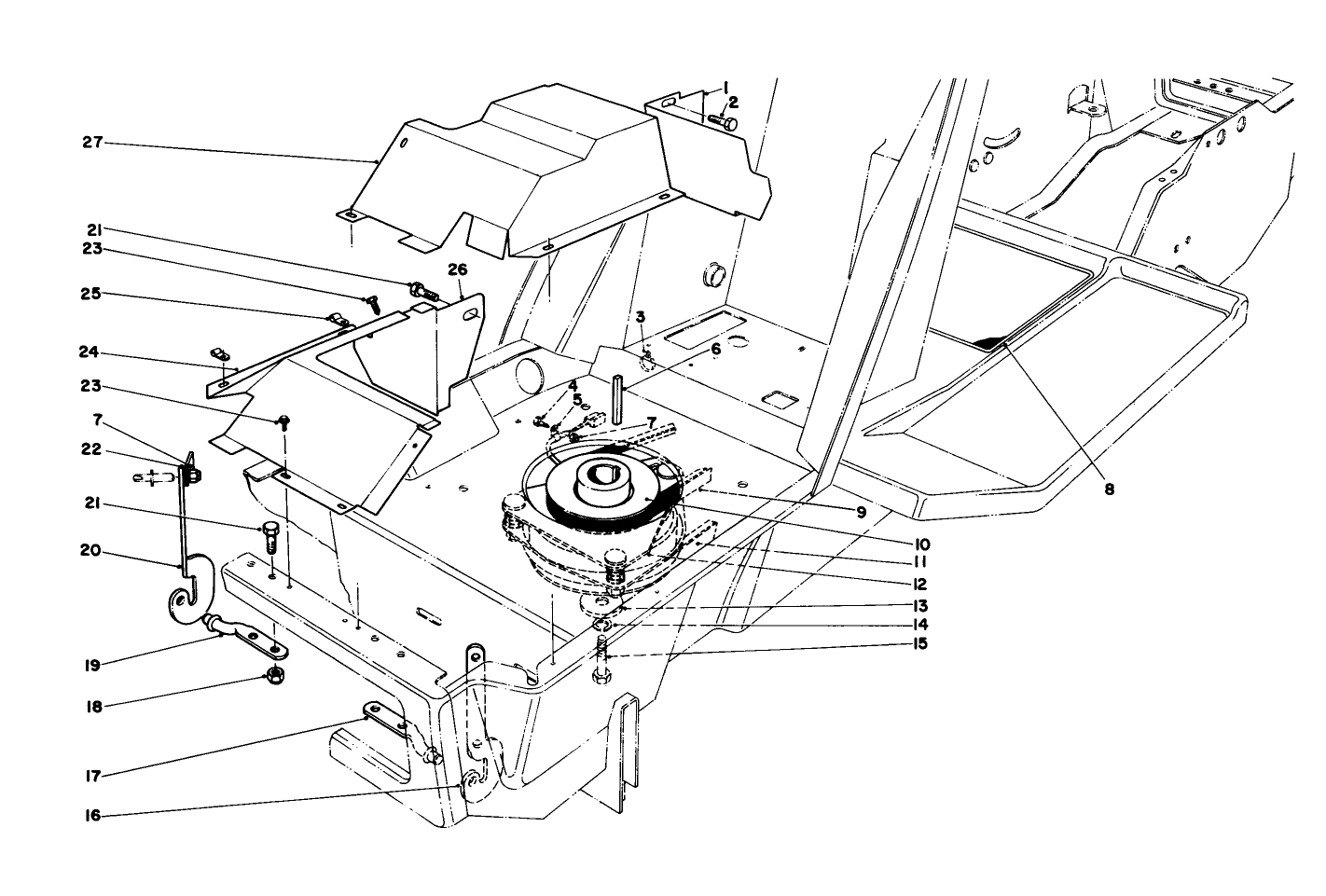
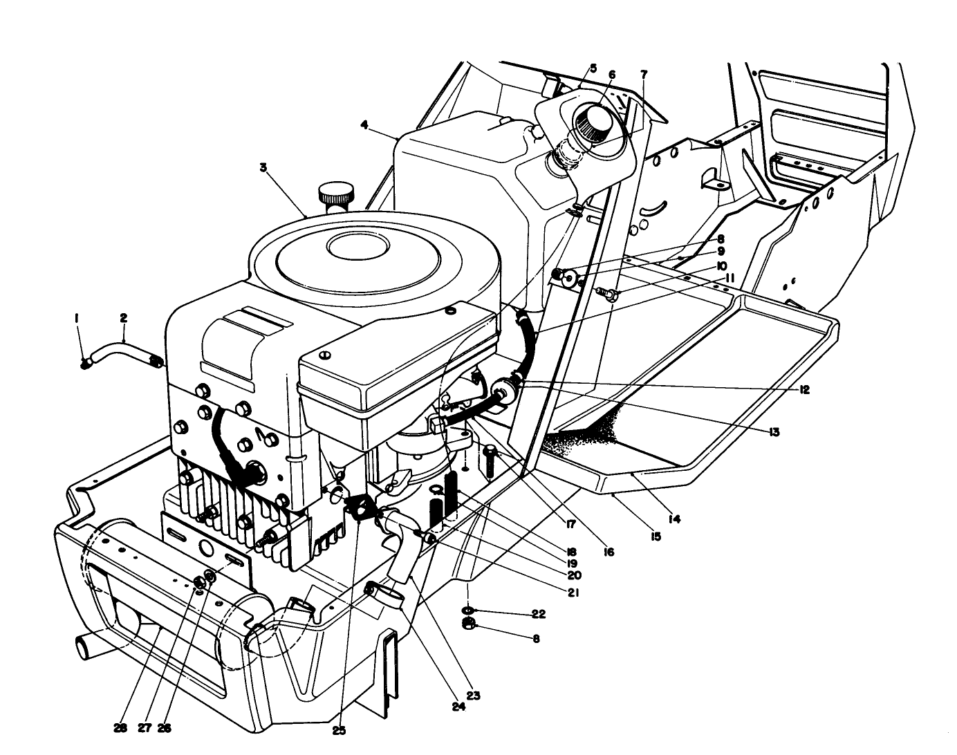
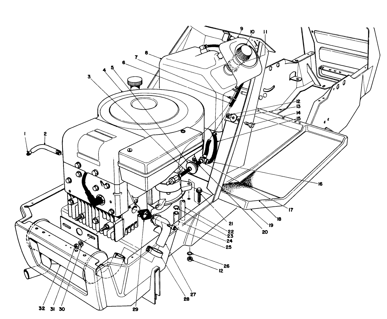
Parts Catalog
42" Snow Blade (Part # 59140)
(Part # All attachments are no longer available.)
-
Model #
57300 -
Serial #
4000001 - 4999999 -
Product Name
8-32 Front Engine Rider -
Product Brand
Toro -
Product Type
Riding Products -
Product Series
Lawn Tractor, 32" -
Swath
32 inch -
Discharge
Side -
Engine/Motor Manufacturer
Briggs & Stratton -
Engine/Motor Size
8 hp -
Engine/Motor Type
4 Cycle -
Engine Starter
Electric -
Transmission Type
Gear


































