20in Turf Seeder
Product Information
- Model #: 23510
- Serial #: 314000001 - 314999999
- Product Type: Seeders
Loading...
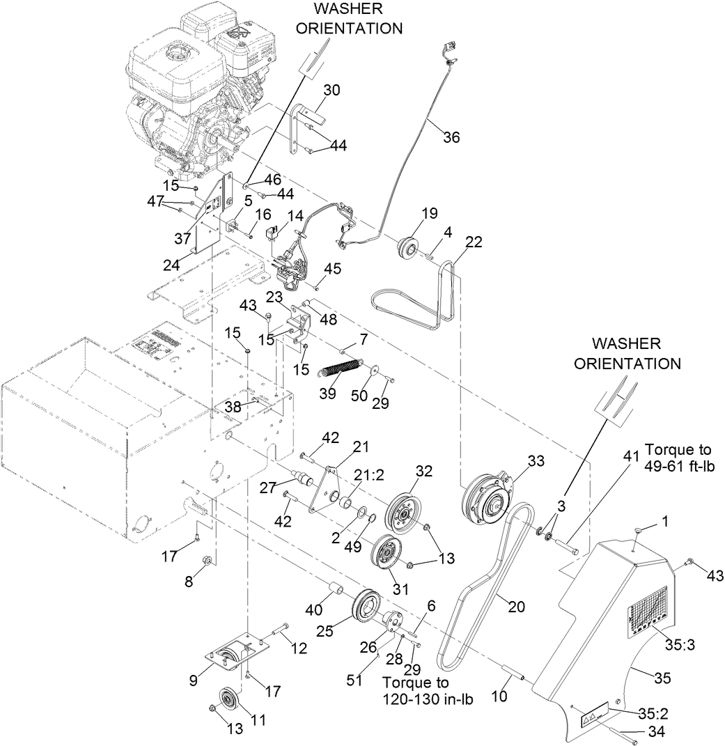
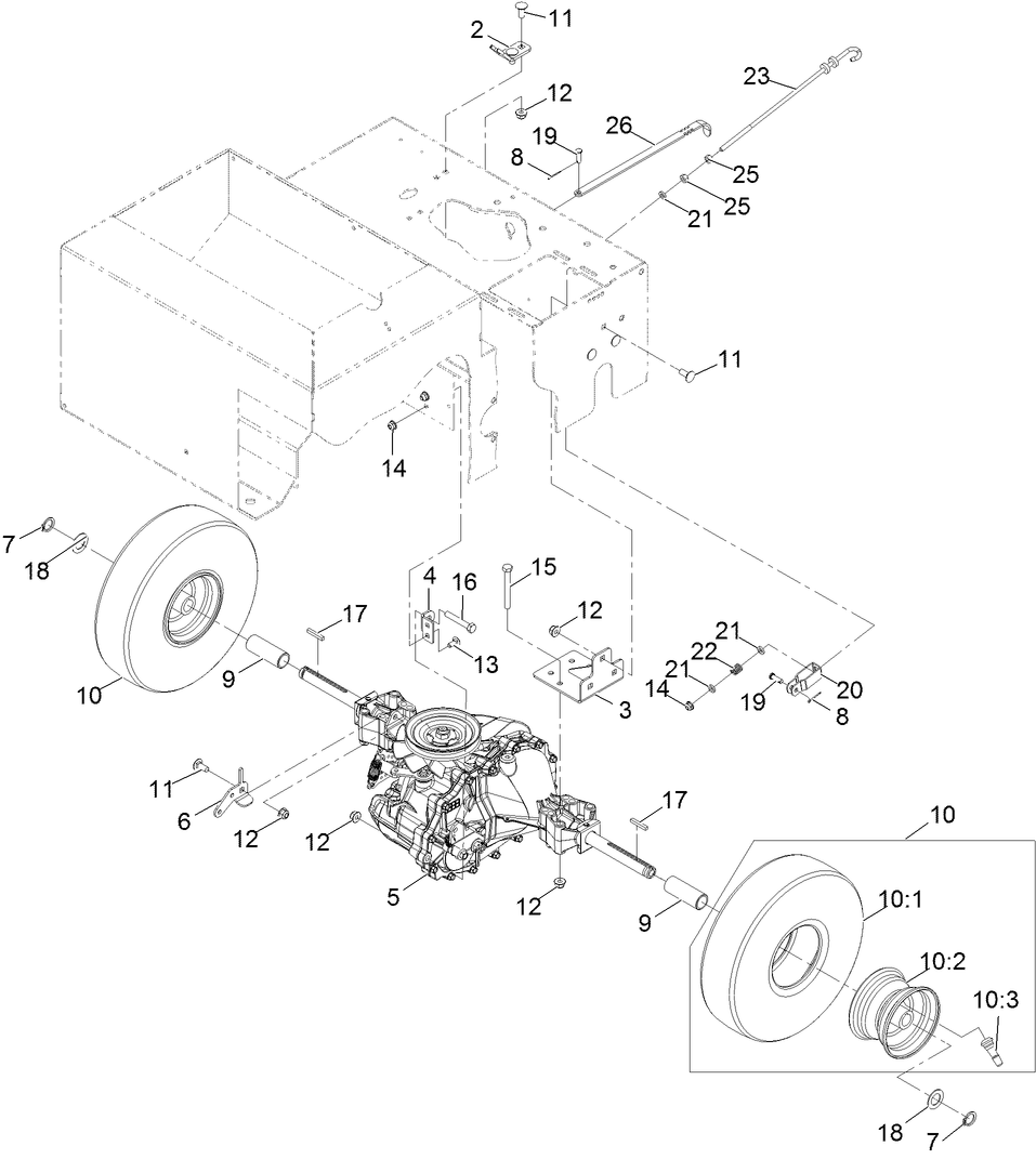
Assembly Drawings
Search for a part within assembly drawings:
-
Service Manual
-
Operator's Manual
-
Parts Catalog
-
Model #
23510 -
Serial #
314000001 - 314999999 -
Product Name
20in Turf Seeder -
Product Brand
Toro -
Product Type
Seeders -
Product Series
Turf Maintenance Equipment -
Swath
20 inch -
Engine/Motor Manufacturer
Subaru -
Engine/Motor Type
4 Cycle -
Engine Starter
Recoil -
Traction Type
2wd
-
Engine: Spark Plug
NGK BPR6ES -
Engine: Spark Plug Gap
.030"/ .76mm -
Engine: Engine Oil Type
1.0 qts 10w-30 -
Chassis: Tire Pressure
24 psi -
Engine: Engine Speed
3600 RPM -
Drive System: Gearbox Lubricant
65.9 oz. -
Drive System: Ground Speed
Fwd. 4.0 Rev. 2.2 mph







