Generator, T800
Product Information
- Model #: 62008
- Serial #: 8000001 - 8999999
- Product Type: Misc
Loading...
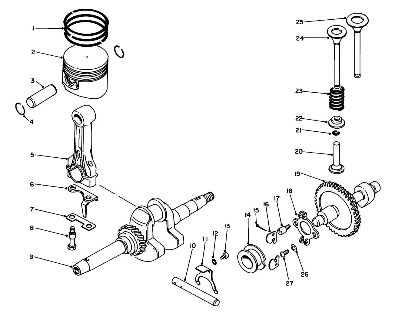
Assembly Drawings
Search for a part within assembly drawings:
-
Operator's Manual
-
Parts Catalog
-
Model #
62008 -
Serial #
8000001 - 8999999 -
Product Name
Generator, T800 -
Product Brand
Toro -
Product Type
Misc -
Product Series
Generators -
Engine/Motor Manufacturer
Suzuki -
Engine/Motor Size
2 hp -
Engine/Motor Type
4 Cycle -
Engine Starter
Recoil








