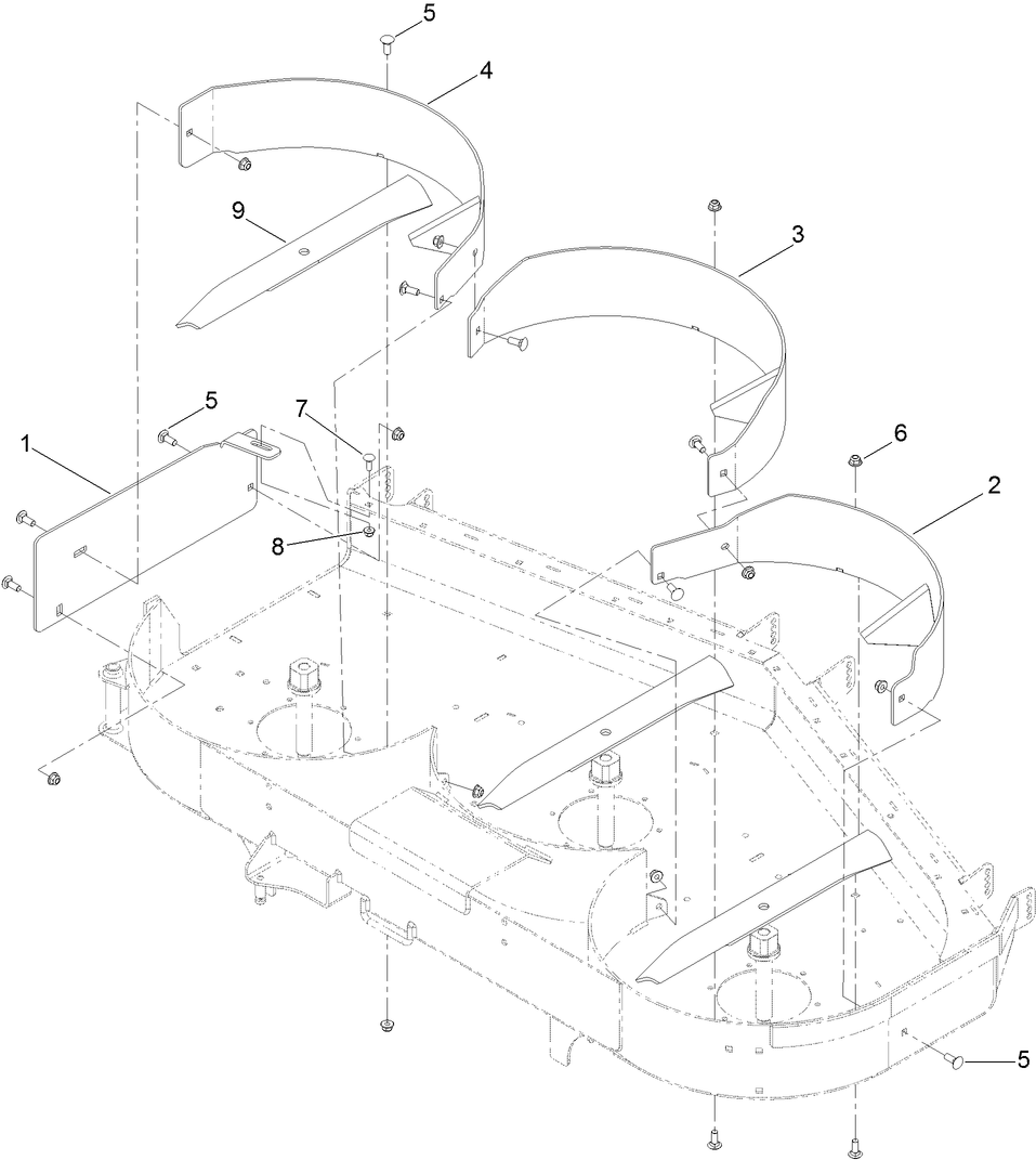
60 inch Recycler Kit (Titan)
Product Information
- Model #: 133-2166
- Serial #: None - None
- Product Type: Riding Products
Loading...
Assembly Drawings
Search for a part within assembly drawings:
-
Parts Catalog
-
Installation Instructions
-
Model #
133-2166 -
Serial #
None - None -
Product Name
60 inch Recycler Kit (Titan) -
Product Brand
Toro -
Product Type
Riding Products -
Product Series
Attachments & Kits, LCE Riding
