TimeCutter SS 4225 Riding Mower
Product Information
- Model #: 74721
- Serial #: 400000000 - 999999999
- Product Type: Riding Products
Loading...
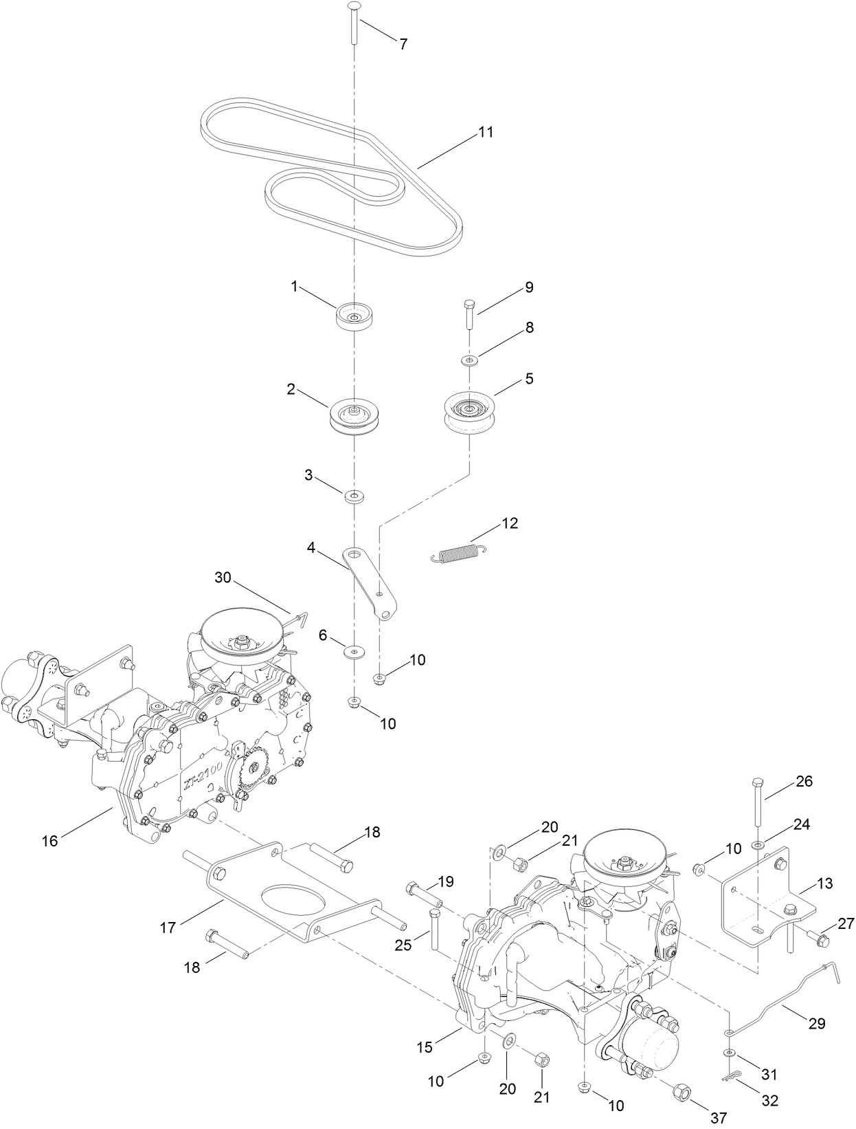
Assembly Drawings
Search for a part within assembly drawings:
-
Service Manual
-
Operator's Manual
-
Parts Catalog
-
Setup Instructions
TimeCutter Arm Rest Kit (Part # 105-6978)
The Toro Armrest kit provides extra comfort while using your Toro 32 and 42 in. TimeCutter SS, SW or MX manufactured in 2002 or later. The padded arm rests are contoured to provide comfortable support while still providing optimum motion for mower operation. The pivoting design provides easy seat access while getting on and off the mower.
Please contact your local dealer
TimeCutter 42" Bagging Enhancement Kit (Part # 114-1620)
Get that pristine lawn you’ve been dreaming of with the help of the Toro’s Leaf Bagging Enhancement and make short work of it. Decreases leaf blowout on the deck when bagging leaves and increases bagging performance. Fits select models of TimeCutter SS and SW zero turn mowers.
Hourmeter Kit for Timecutter Mowers (Part # 116-5461)
The Toro Hour meter kit provides fractional engine hour tracking to easily track usage and service intervals. Easy to install into pre-existing slot and connects with the wiring harness leading to the seat switch.
*OBS* Toro full synthetic 10W-30 engine oil (Part # 117-0066)
Toro full synthetic 10W-30 engine oil. The easy engine oil choice for any outdoor power equipment
to increase performance and reliability.
Seat Cover for Models With out Arm Rest (Part # 117-0096)
Protect your investment with a customized seat cover. Toro's seat cover for use on TimeCutter 18 in. seats without armrests will make old seats look new and protects new seats from future wear and tear. The fabric is coated for maximum water resistance and repellency and is cushioned for extra comfort. For serial numbers 412000001 & up only.
TimeCutter Mower Striping Kit (Part # 120-7905)
The Toro Striping Kit allows you to create stripes and patterns to your lawn while you mow. Striping kits lay the grass leaves down in the direction of travel. The differences in direction reflect light to provide light and dark stripes in your lawn.Adjustable to provide more or less downward pressure. This Striping Kit is for 42" and 50" TimeCutter Zero Turn Mowers - Fits select models.
Riding Mower Jack Kit (Part # 127-6666)
Genuine Toro jack mount kit. Mounts to the front of the mower and allows the owner to raise the mower to gain access to the underside of the deck to check blades or wash the deck. To best protect your investment and maintain optimal performance of your turf equipment, count on Toro genuine parts. When it comes to reliability, Toro delivers replacement parts designed to the exact engineering specifications of our equipment. For peace of mind, insist on Toro genuine parts.
Please contact your local dealer
Premium Fuel Treatment (0.5 oz.) (Part # 130-2393)
Toro Premium Fuel Treatment helps ensure clean, reliable engine performance and protection. Good for your lawnmowers, snow blowers, weed wickers, leaf blowers and other small engine power equipment. Using Toro Fuel Treatment with every fill up provides protection for two and four cycle small engines.
TimeCutter SS & MX with Kohler V-Twin Engine Tune up Kit (Part # 130-8138)
Genuine Toro Tune UP Kit for Kohler v-Twin engines.
Protect your Toro equipment with our OEM tune up kit. Genuine Kohler approved parts maintain consistent performance and assure easier installation.
All Toro tune up kits include the recommended parts to perform a simple tune up.
All Season 4-Cycle Fuel for Lawn Mowers and Snow Blowers 32 oz. (Part # 131-3823)
4-cycle ethanol free fuel, engineered for maximum performance. Highly recommended for gas engines to maintain smooth performance. Advantages include cleaner fuel system, better fuel economy, longer shelf life and less wear and tear on internal engine parts. 92 plus octane for fast starts and optimal equipment performance.
21.6 Inch Replacement Blade Kit for 42 Inch TimeCutter (2007 - 2017) - 2 pack (Part # 131-3939-03P)
Replacement Blade Kit contains two 21.6 in. Hi-Flow blades for your Toro 42 in. TimeCutter. The blade stiffener that is included on 2007-2014 models must be removed prior to installing these blades. See instruction sheet for details. Using genuine Toro mower blades produces a crisp cut and promotes a healthy lawn.
Attachment Mount Kit for Residential Z-Mowers (Part # 131-3966)
Genuine OEM Part
Premium Fuel Treatment (12 oz.) (Part # 131-6572)
Toro Premium Fuel Treatment helps ensure clean, reliable engine performance and protection. Good for your lawnmowers, snow blowers, weed whackers, leaf blowers and other small engine power equipment. Using Toro Fuel Treatment with every fill up provides protection for two and four cycle small engines.
Please contact your local dealer
Front Weight Kit for TimeCutter Mowers (Part # 131-7658)
This weight kit is required to get the best performance of Toro attachments such as the Cargo Carrier (79030) or the Brinly-Hardy rear mounted spreader or sprayer. The weight balances the machine installed with an attachment. The kit contains one 35 lb. weight and the hardware needed to install it. Can be easily removed when the attachment is not in use. The weight kit is included with the TimeCutter baggers (see baggers for details)
Deluxe Seat Kit for TimeCutter Mowers (Part # 131-7699)
Genuine OEM Part
10W30 4-Cycle Engine Oil - 32 oz. Bottle (Part # 38280)
The Toro 38280 Premium 4-Cycle Lawn Mower Engine Oil 10W-30 is specially formulated to meet specific 4-cycle engine manufacturer requirements calling for 10W-30. This lawn mower engine oil provides the ultimate protection for all 4-cycle OPE engines. The lawn mower engine oil is developed with Toro engineering to meet the standards for all air-cooled, liquid-cooled and diesel engines. To maximize the performance of your Toro lawn mower, we highly recommend using this Toro lawn mower engine oil, which has been specifically formulated for best results. The lawn mower engine oil provides extreme performance in all temperatures, enhancing the life of your lawn mower's engine.
SAE 30 4-Cycle Lawn Mower Engine Oil 32 oz (Part # 38903)
Toro SAE 30 4-cycle engine oil passed the strictest requirements in thousands of hours of testing in hundreds of engines before you filled your lawn mower. This oil meets or exceeds performance requirements of all OEM engines (Toro, Briggs & Stratton, KOLHER, Honda, and Tecumseh). The use of Toro SAE 30 4-cycle lawn mower oil minimizes molecular shearing for extended life in hot-air-cooled applications vs multi-grades (i.e., 10W-30).
Cover for TimeCutter Models (Part # 490-7516)
The Toro Z mower cover protects your investment by offering all-season protection. Toro covers are constructed of tough, waterproof, tear and abrasion-resistant 600-Denier polyester and will provide years of carefree protection for your mower. Toro covers protect against snow, sun damage, rain, dust, birds, tree sap and more. Toro covers also feature vents to minimize condensation and heat build-up and an elastic opening to ensure a snug, secure fit.
TimeCutter SS Foot Assist HOC System (Part # 79010)
The Toro Foot-Assist Height-of-Cut System allows operators to easily raise and lower the mower deck using their foot. This option is ideal for situations where the deck height or height-of-cut needs to be adjusted frequently. Specifically designed for Toro TimeCutter SS mowers, this product provides mechanical leverage to add convenience to your mower.
TimeCutter SS Sunshade (Part # 79011)
Keep cool and dry while you mow. The Toro TimeCutter sunshade increases operator comfort by shielding you from the elements. Assembles easily and offers a clean line of sight across your entire mowing area. Genuine Toro Parts and accessories are designed specifically for your machine and built to exacting standards with tight tolerances. Other parts simply don't stack up to the quality, performance, and value of Genuine Toro Parts.
Cargo Carrier, Zero-Turn-Radius Riding Mower (Part # 79040)
Assist Bar and Step Kit for TimeCutter SS and MX (Part # 79339)
Toro's Step and Assist Bar Kit will help you to step in and out of your TimeCutter with ease. The telescoping bar adjusts to your height and will assist you when entering and exiting the machine. The non-slip step gives offers additional support.
TimeCutter SS & SW 42 in. Twin Bagger (Part # 79391)
The Toro TimeCutter Twin Bagger with its 6.43 bushel (8 cu. ft.) capacity makes quick work of taking care of grass clippings or fallen leaves. When paired with one of Toro's top discharge decks, its performance can't be beat. It assembles easily and once initially installed, can be removed and put back on without tools. Includes bagger, mount kit and front weights.
-
Model #
74721 -
Serial #
400000000 - 999999999 -
Product Name
TimeCutter SS 4225 Riding Mower -
Product Brand
Toro -
Product Type
Riding Products -
Product Series
Zero Radius Turn, Consumer -
Chassis Type
ZRT - Consumer -
Swath
42 inch -
Discharge
Side Discharge -
Engine/Motor Manufacturer
Kohler -
Engine/Motor Size
22 hp -
Engine/Motor Type
4 Cycle -
Engine Starter
Electric -
Transmission Type
Hydrostatic -
Traction Type
Rear WD
-
Engine: Battery
12V 195CCA -
Engine: Ignition Coil Air Gap
.008-.012" / .2-.3mm -
Engine: Spark Plug
Champion RC12YC -
Engine: Spark Plug Gap
.030"/ .76mm -
Chassis: Tire Pressure
13 psi / 90 kPa -
Engine: Engine Oil Type
64 oz. (1.9 Liter) SAE 10W-30 -
Chassis: Height of Cut Range
1.5-4.5"; 1/2" increments -
Engine: Engine Speed
3300±100 RPM -
Drive System: Ground Speed
Fwd. 0 - 7.0 Rev. 0 - 3.5 mph -
Drive System: Gearbox Lubricant
20W50 Engine oil 54oz (1.687qt)


















