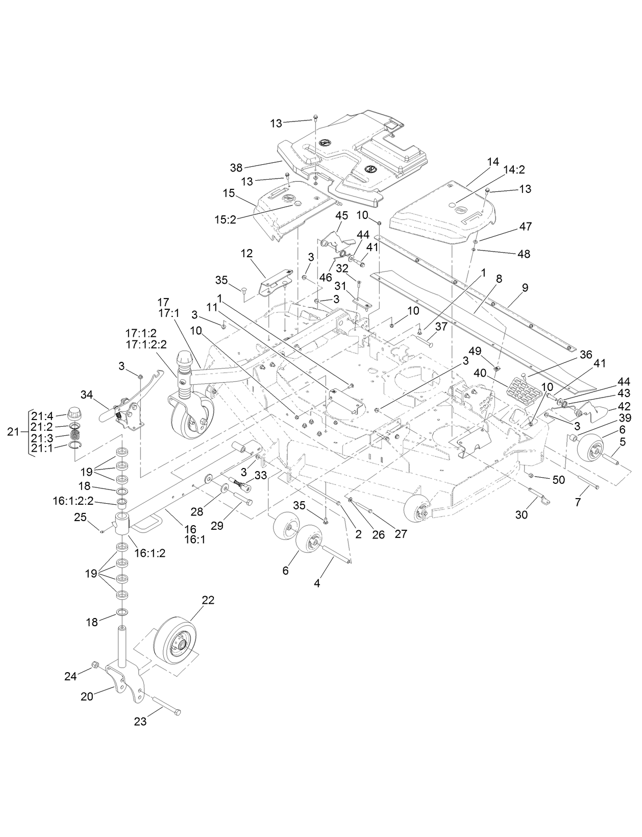
60in. Rear Discharge Deck
Product Information
- Model #: 31974
- Serial #: 407900000 - 412399999
- Product Type: Riding Products
Loading...
Assembly Drawings
Search for a part within assembly drawings:
-
Operator's Manual
-
Parts Catalog
-
Service Bulletin
-
Model #
31974 -
Serial #
407900000 - 412399999 -
Product Name
60in. Rear Discharge Deck -
Product Brand
Toro -
Product Type
Riding Products








