244-5 Yard Tractor
Product Information
- Model #: 72040
- Serial #: 3900001 - 3999999
- Product Type: Riding Products
Loading...
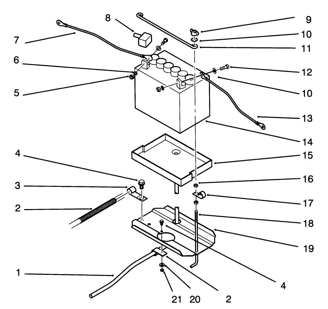
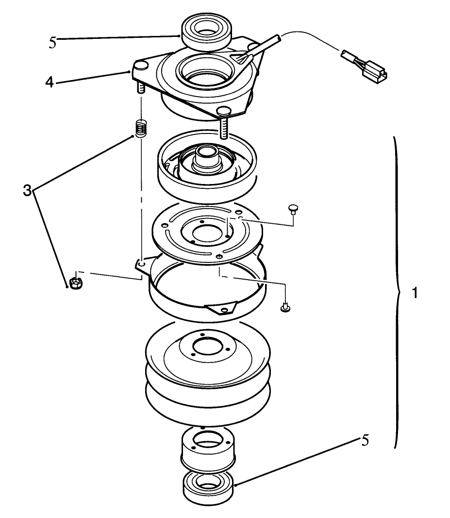
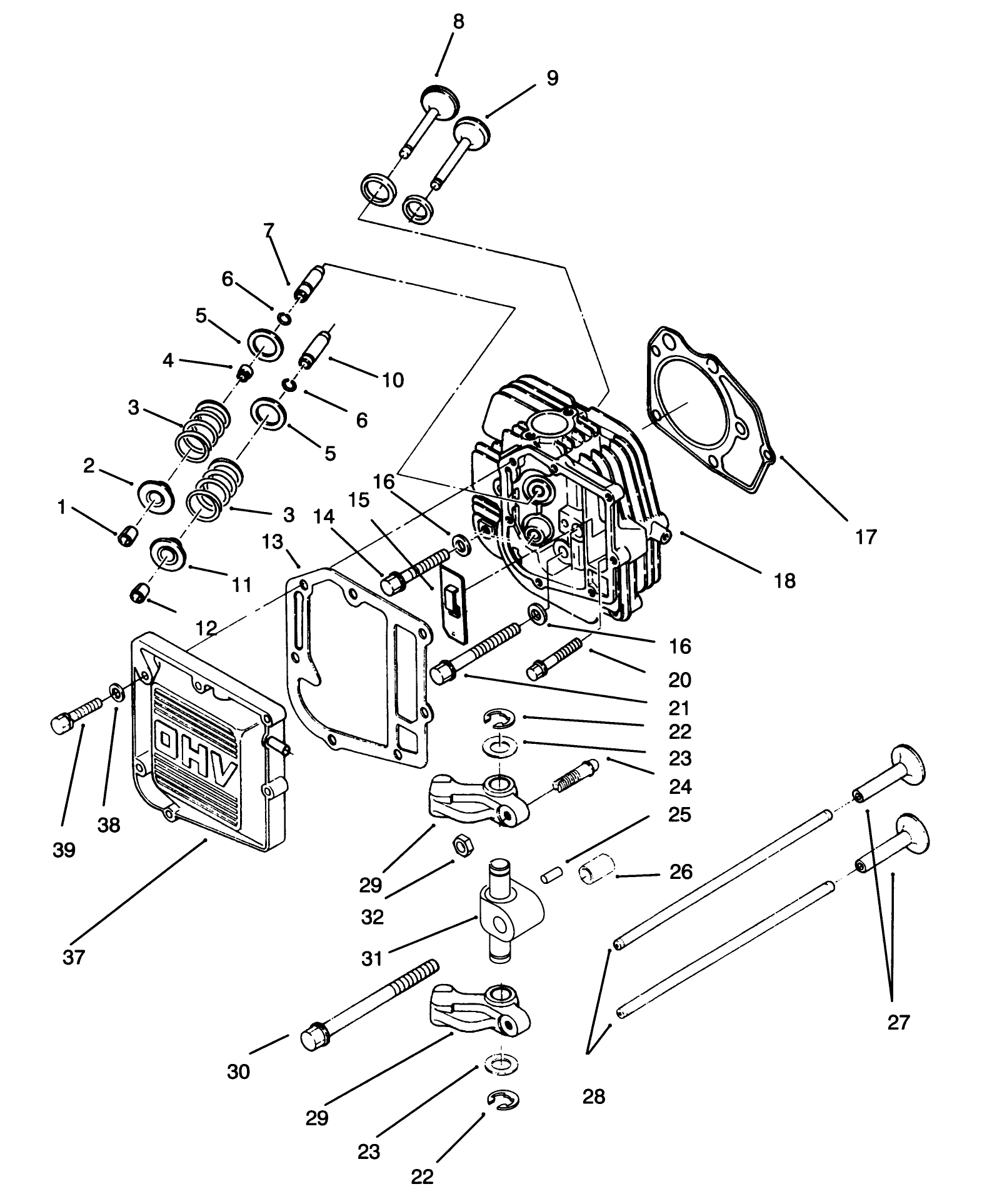
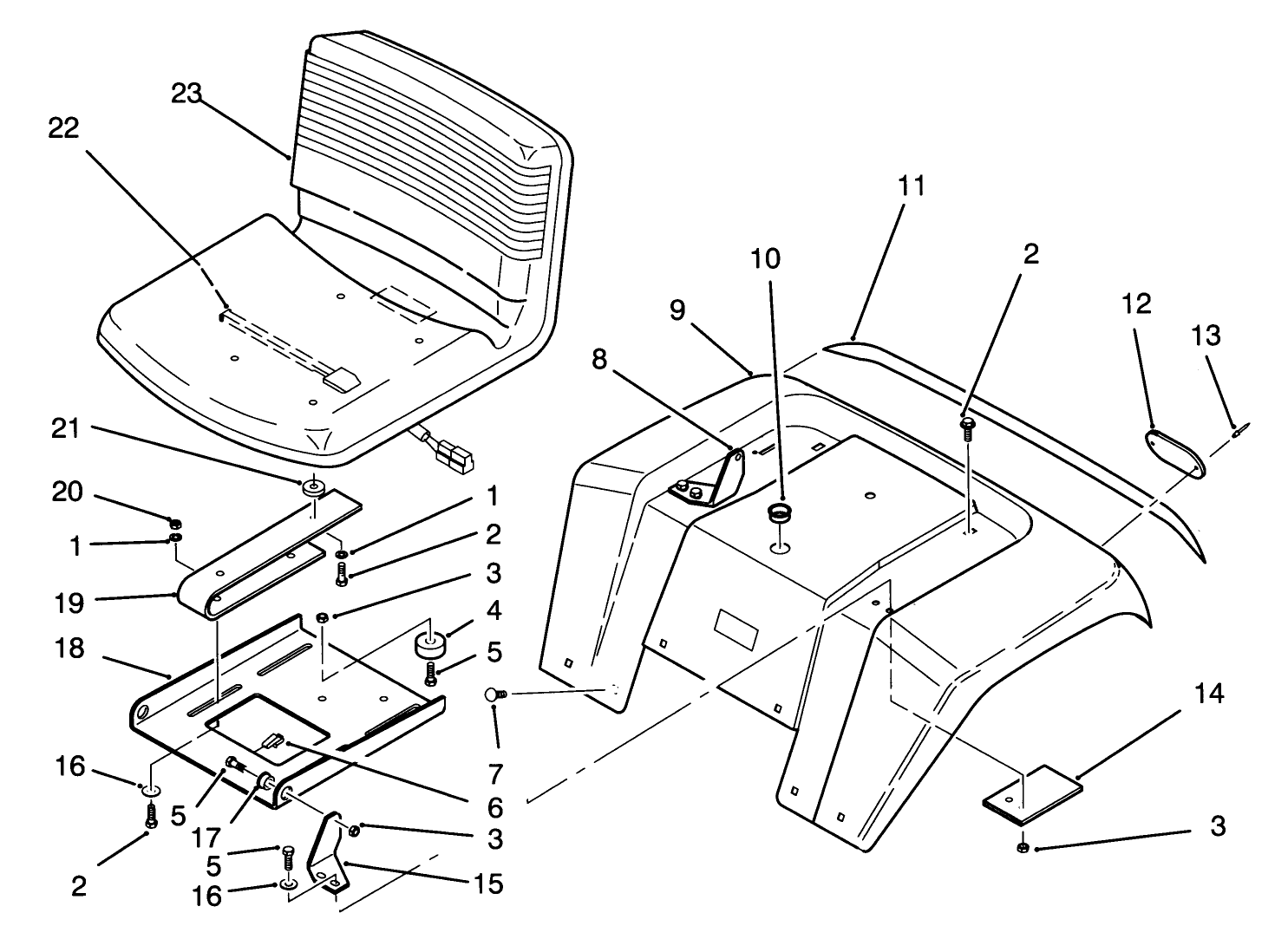
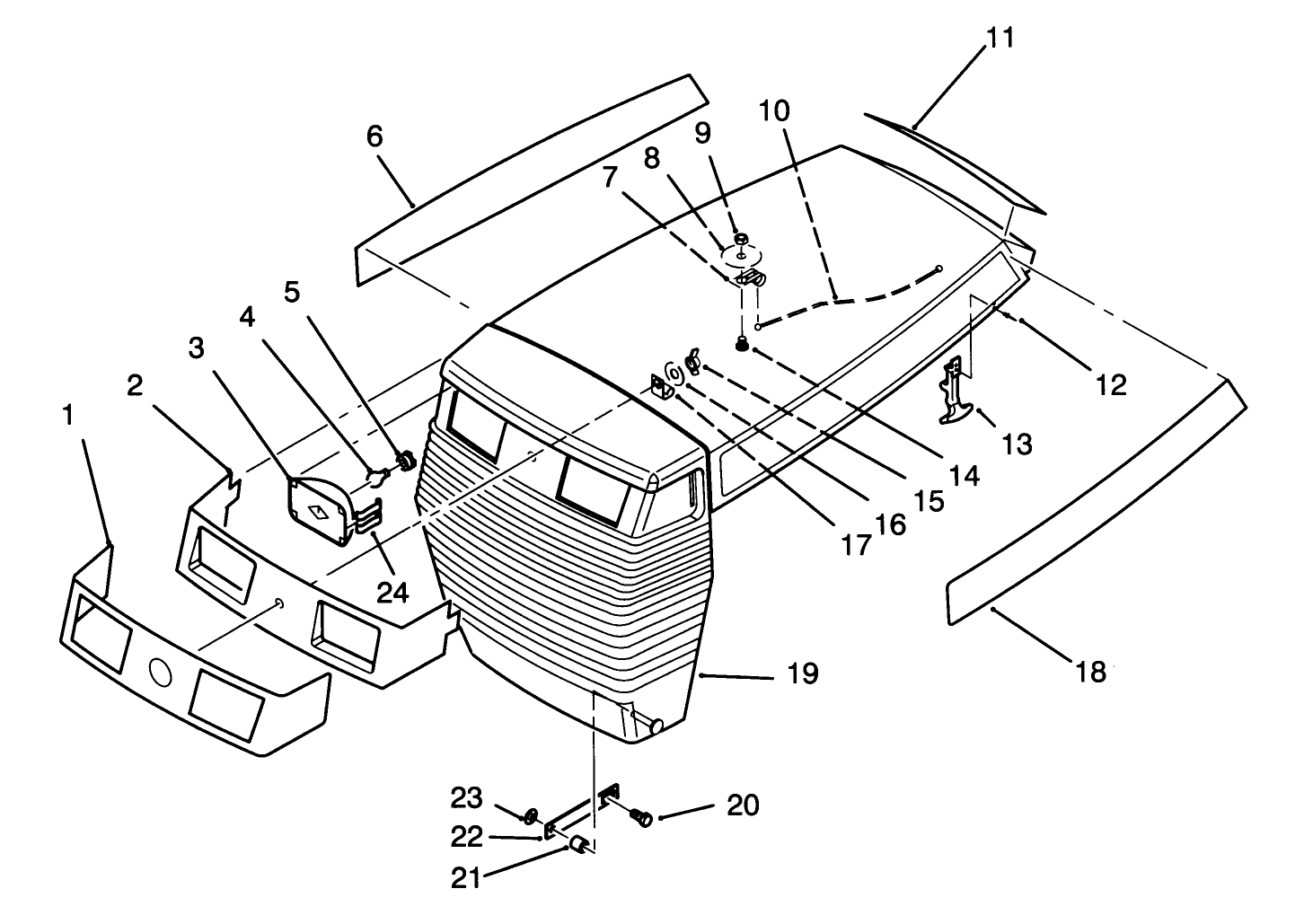
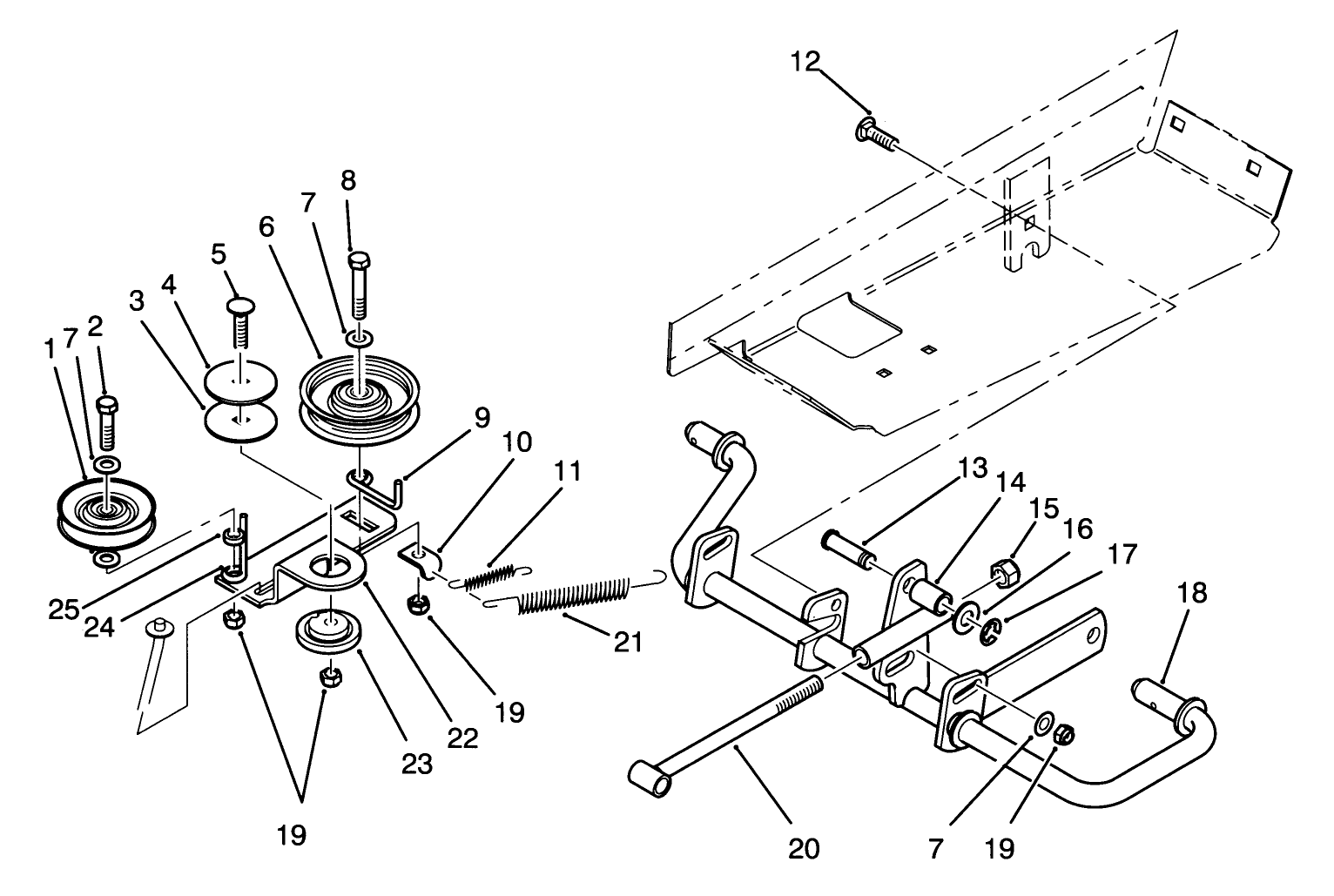
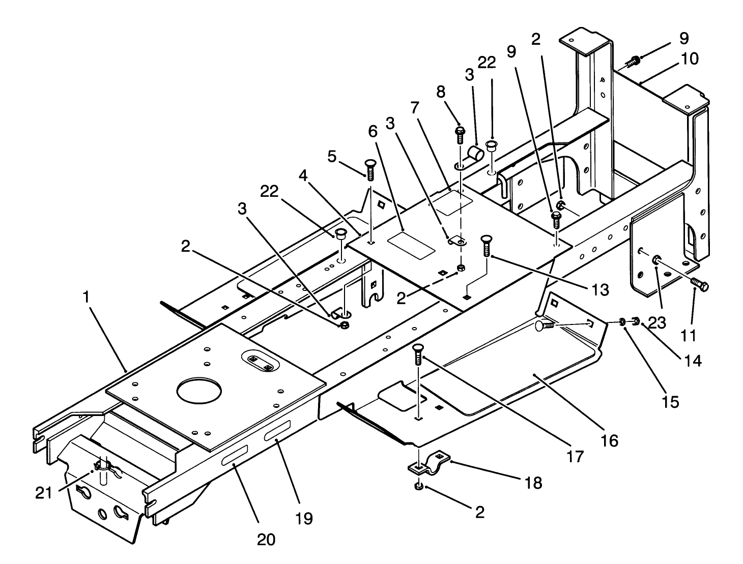
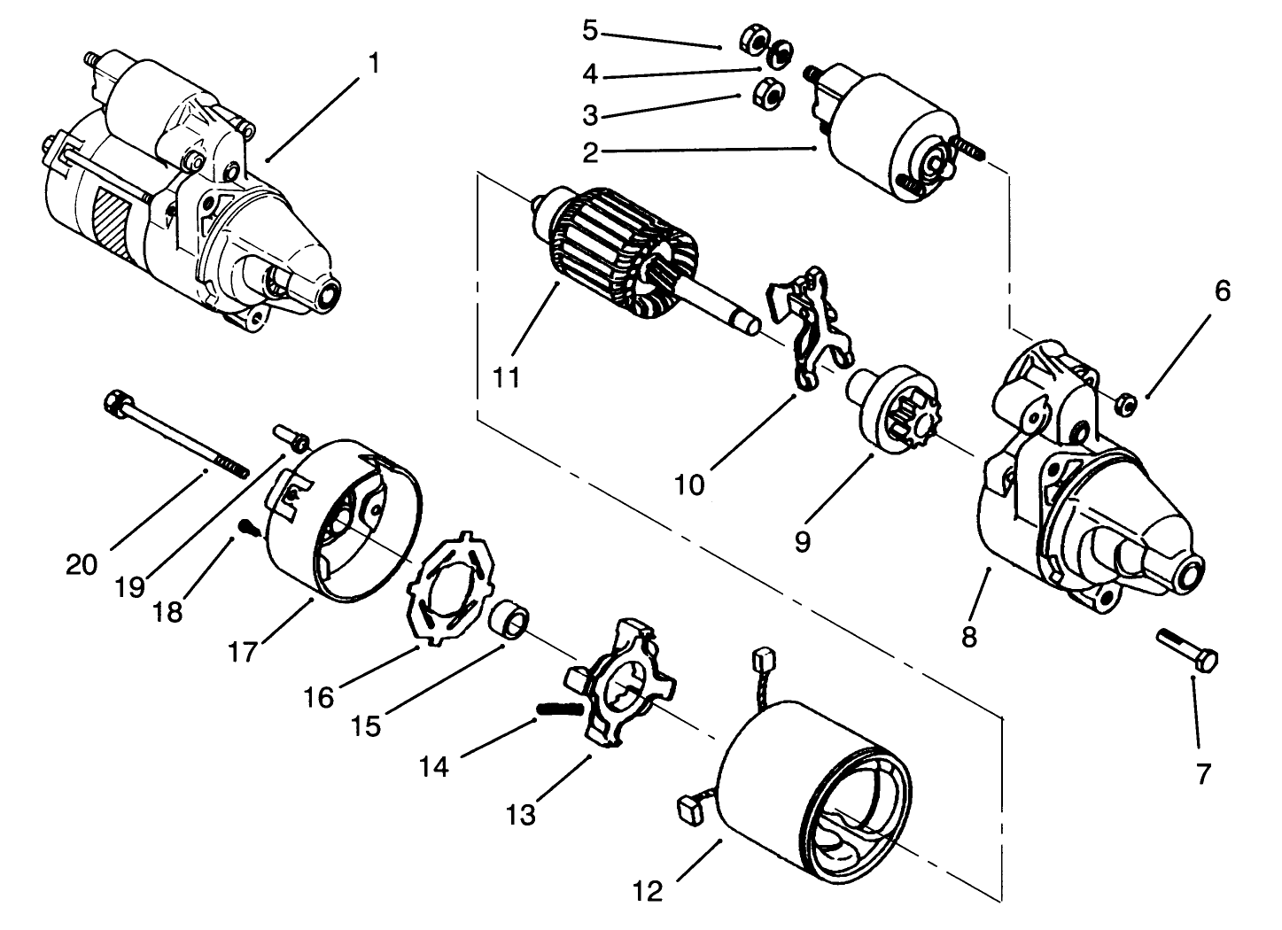
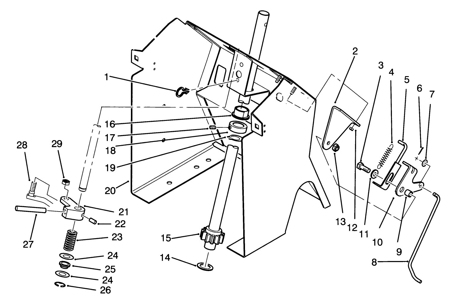
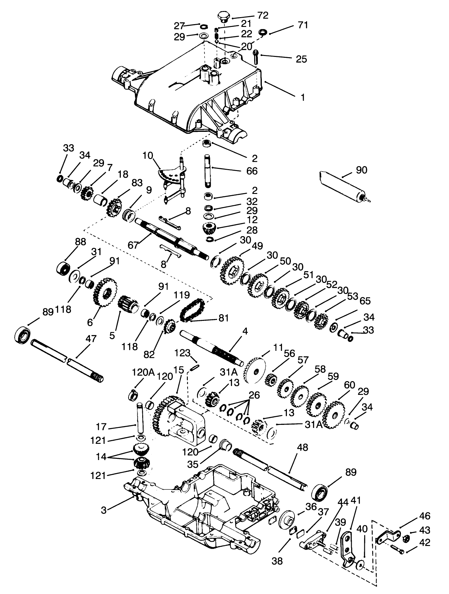
Assembly Drawings
Search for a part within assembly drawings:
-
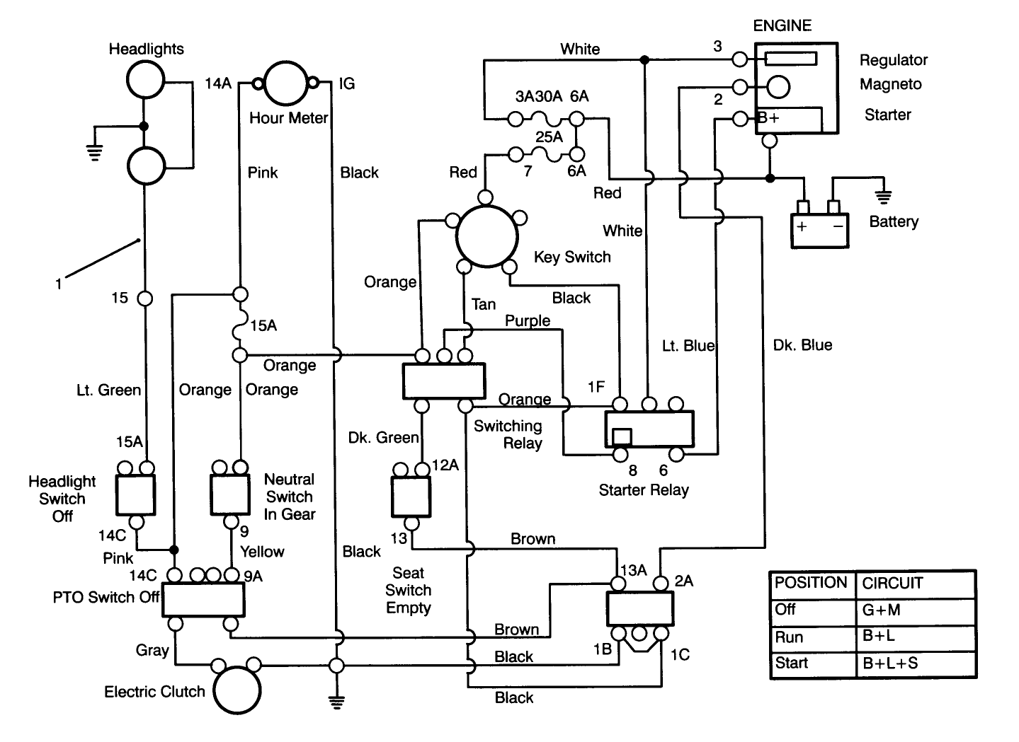
Service Manual
-
Operator's Manual
-
Parts Catalog
-
Setup Instructions
11.0 cu.ft. Vac Bagger - 42"/48" (Part # 07-4XVS01)
Toro Red 12or aerosol can. (Part # 361-10)
Genuine OEM Part
Red Paint (Gallon) (Part # 361-11)
Genuine OEM Part
Red Paint (Part # 5340)
Genuine OEM Part
38" Side Discharge Mower (Part # 78215)
38" Recycler Mower (Part # 78225)
42" Side Discharge Mower (Part # 78230)
48" Side Discharge Mower (Part # 78260)
11.0 cu. ft. Easy Twin Bagger - 38" (Part # 79200)
48" Snow/Dozer Blade (Part # 79251)
42" Snowthrower (Part # 79261)
Wheel Weight Kit (Part # 81115)
Genuine OEM Part
8 Inch Wheel Weight (Part # 81214)
Genuine OEM Part
23x9.5 Tire Chains (Part # 82531)
Genuine OEM Part
Tire Chain Accessory (Part # 82722)
Genuine OEM Part
-
Model #
72040 -
Serial #
3900001 - 3999999 -
Product Name
244-5 Yard Tractor -
Product Brand
Toro -
Product Type
Riding Products -
Product Series
Yard Tractor, 240 Series -
Chassis Type
Yard Tractor -
Swath
Deck Optional -
Discharge
Deck Optional -
Engine/Motor Manufacturer
Toro Power Plus/Onan -
Engine/Motor Size
14 hp -
Engine/Motor Type
4 Cycle -
Engine Starter
Electric -
Transmission Type
Gear
-
Chassis: Tire Pressure
12 PSI / .5kg sq. cm -
Drive System: Ground Speed
Fwd. 1.1 - 5.3 Rev. 2.5 mph -
Engine: Battery
12V 160CCA -
Engine: Engine Speed
High 3350, Low 1200 RPM -
Engine: Spark Plug
Champion RC12YC -
Engine: Spark Plug Gap
.040"/ 1mm


























