72in. Side Discharge Deck
Product Information
- Model #: 31972
- Serial #: 412400000 - 415399999
- Product Type: Riding Products
Loading...
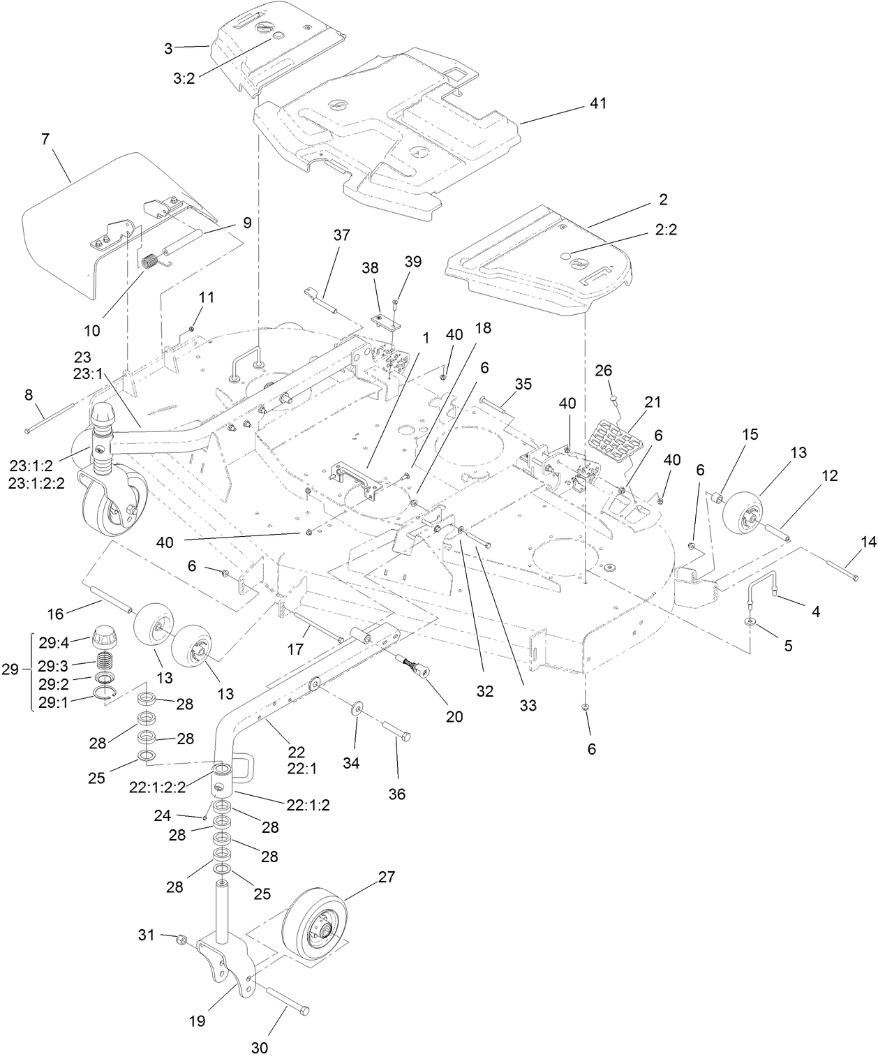
Assembly Drawings
Search for a part within assembly drawings:
-
Operator's Manual
-
Parts Catalog
-
Service Bulletin
-
Model #
31972 -
Serial #
412400000 - 415399999 -
Product Name
72in. Side Discharge Deck -
Product Brand
Toro -
Product Type
Riding Products









