60V MAX* 30 in. (76 cm) eTimeMaster® w/Personal Pace® Lawn Mower - Battery Not Included
Product Information
- Model #: 21491T
- Serial #: 400000000 - 999999999
- Product Type: Walk Behind Mowers
Loading...
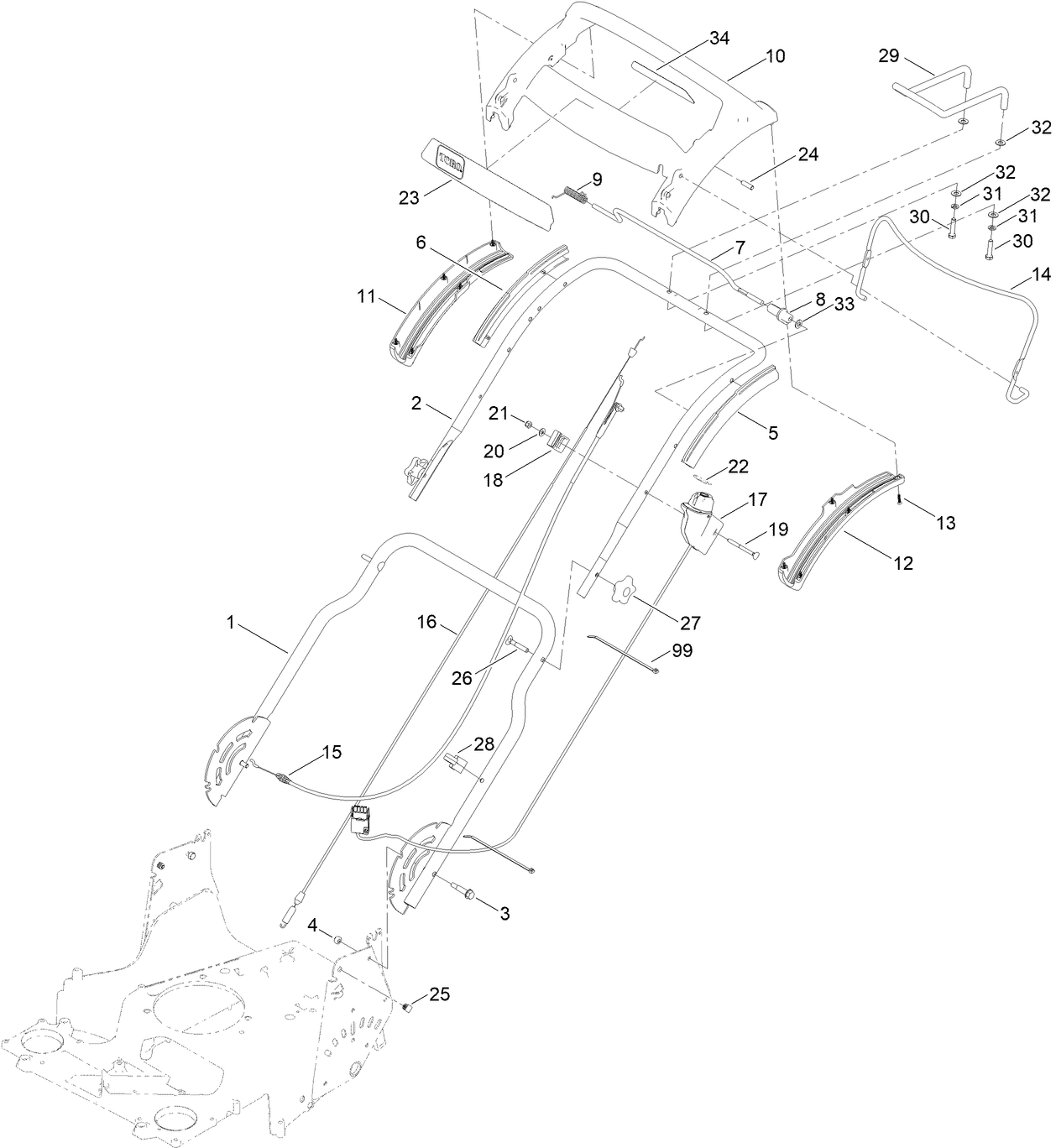
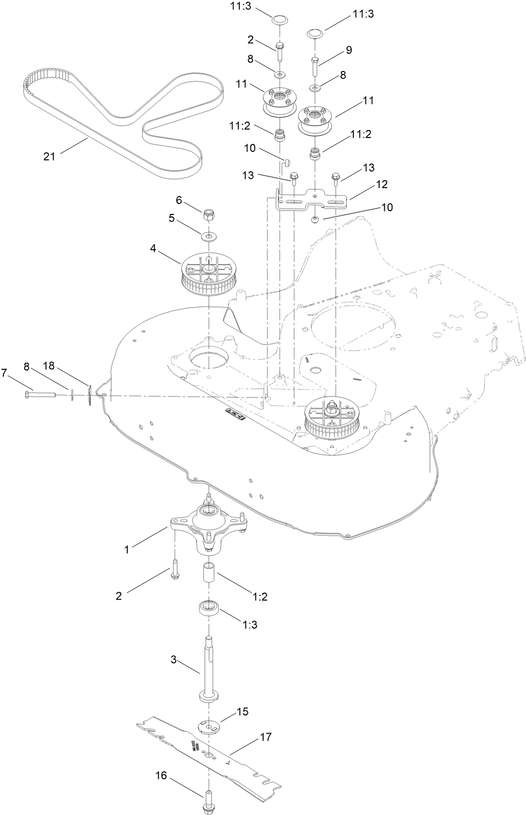
Assembly Drawings
Search for a part within assembly drawings:
-
Operator's Manual
-
Parts Catalog
-
Product Warranty
15.4 Inch Hi-Lift Replacement Blade Kit (TimeMaster) (Part # 20122P)
This Replacement Blade keeps your lawn mower in peak performance. The blade is designed for a High quality cut and long-lasting durability. The steel blade cuts your lawn finer for easier mulching and bagging. When it comes to reliability, Toro delivers replacement parts designed to the exact engineering specifications of our equipment. For peace of mind, insist on Toro genuine parts.
30 Inch Lawn Striper for Walk Power Mower (WPM) (Part # 20602)
Genuine OEM Part
Small Walk-Behind Mesh Bag (Part # 490-7318)
Use Toro mesh utility bags for personal storage or picking up trash while you mow. Equipped with on/off straps, the bag hangs conveniently behind your lawn mower.
Mower Cover for 30 Inch Walk Power Mower (TurfMaster) (Part # 490-7461)
Genuine OEM Parts
60V BRUSHLESS BLOWER BARE TOOL (Part # 51825T)
60V BRUSHLESS TRIMMER BARE TOOL (Part # 51835T)
60V Max* Flex-Force 10.0 Ah Lithium-Ion Battery (Part # 66810)
Revolution professional handheld products run on our 60V Max Flex-Force Power System and work with our entire line of Revolution commercial grade handheld tools. The backpack, available as a power source for our leaf blower, and string and hedge trimmers, is built for comfort and ready to keep jobs moving all day long. It has the capacity for you to swap batteries, so when one battery is done, you're not done. Our 60V power comes to you fast: just 50 minutes to charge our largest battery to 100% and easily outpacing the charging speed of larger, lower voltage batteries.
*Battery manufacturer rating = 60V maximum & 54V typical usage. Actual voltage varies with load.
*Battery manufacturer rating = 60V maximum & 54V typical usage. Actual voltage varies with load.
60V MAX* Flex-Force 4.0Ah Lithium-Ion Battery (Part # 88640)
Take charge of the yard with the Toro Flex-Force Power System 60V L216 Lithium-Ion battery. Get maximum power, performance and runtime from the intelligent battery software. The Flex-Force Power System automatically optimizes the interchangeable battery's performance for each product/application, so you always get the most out of your experience. When it comes to reliability, Toro delivers replacement parts designed to the exact engineering specifications of our equipment. For peace of mind, insist on Toro genuine parts.
60V MAX* Flex-Force 6.0Ah Lithium-Ion Battery (Part # 88660)
The Toro 60V* Flex-Force Power System® is the most powerful battery in its class. Period. It's the one battery you need to finish everything without sacrificing anything. It offers the ultimate innovation with our "3P" configured stack for 3 times the power, higher max performance, and the ability to push your tools harder, for longer. It’s flexible enough to work across a full line of unbeatable Toro tools from handheld trimmers and edgers all the way up to the biggest and baddest in our lineup, including America’s #1 mower and snow blower brand. From tool to tool to tool, done and done and done. It’s 60 volts of all the things you want from a battery: Easier. Faster. Cleaner. Greener. Quieter. No cords. No mess. No hassles. Virtually no maintenance. That's power without compromise.
L324 battery is compatible with all Toro 60V Flex-Force Power System tools. Battery charger is compatible with all Toro Flex-Force tools (88602)
*Battery manufacturer rating = 60V maximum & 54V typical usage. Actual voltage varies with load.
L324 battery is compatible with all Toro 60V Flex-Force Power System tools. Battery charger is compatible with all Toro Flex-Force tools (88602)
*Battery manufacturer rating = 60V maximum & 54V typical usage. Actual voltage varies with load.
60V MAX* Flex-Force 7.5Ah Lithium-Ion Battery (Part # 88675)
Take charge of the yard with the Toro Flex-Force Power System 60-Volts L405 Lithium-Ion battery. Get maximum power, performance and runtime from the intelligent battery software. The Flex-Force Power System automatically optimizes the interchangeable battery's performance for each product/application, so you always get the most out of your experience.
-
Model #
21491T -
Serial #
400000000 - 999999999 -
Product Name
60V MAX* 30 in. (76 cm) eTimeMaster® w/Personal Pace® Lawn Mower - Battery Not Included -
Product Brand
Toro -
Product Type
Walk Behind Mowers -
Product Series
30" Steel Deck -
Chassis Type
Walk Behind -
Discharge
Side & Mulcher With Rear Bag -
Traction Type
Rear WD
-
Chassis: Height of Cut Range
1.25-4.25", 1/2" increments -
Engine: Battery
60V LI-ION BATTERY 10.0AH









