Greensmaster® 1018
Product Information
- Model #: 04820
- Serial #: 415054336 - 415199999
- Product Type: Walk Behind Mowers
Loading...
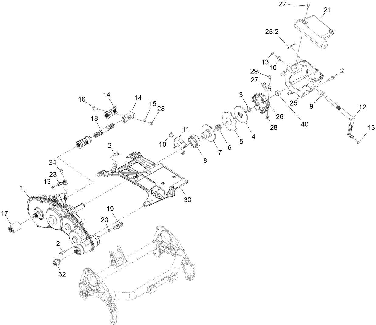
Assembly Drawings
Search for a part within assembly drawings:
-
Service Manual
-
Operator's Manual
-
Parts Catalog
-
ACMA Declaration of Conformity
-
EU/UK Declaration of Conformity
Wheel Kit (Part # 04123)
To transport mower from green to green or in the shop.
Light Kit (Part # 04135)
Allows operator to mow in low light conditions.
Push Broom Brush (Part # 04136)
Conditions grass prior to cut.
Light Mount Kit (Part # 04138)
Allows user to move light mounting from the traction unit to the cutting unit.
Extended Interlace Wiehle Roller (Part # 04148)
Use on puffy turf to control bobbing marks. Adds weight to stabilize cutting unit over rough surfaces.
Transport Frame, Trans Pro 80 Tow-Behind Trailer (Part # 04238)
Flat Ramp (Part # 04245)
Rail Ramp Kit (Part # 04247)
Soft QC Grooming Brush (Part # 04268)
Spiral rotating brush used to condition grass before cutting
Stiff QC Grooming Brush (Part # 04269)
Spiral rotating brush used to condition grass before cutting
Turf Evaluator (Part # 04399)
Mirror device used to assess turf conditions
Universal Groomer Drive (Part # 04707)
Groomer drive with forward, neutral and counter-rotating dial
Twin Tip Groomer Blade (Part # 04801)
Reduces thatch and stands grass blades for a crisp, clean cut
Interlace Wiehle Roller (Part # 04804)
Use on puffy turf to control bobbing marks. Adds weight to stabilize cutting unit over rough surfaces.
Full Front Roller (Part # 04814)
Recommended for use in soft conditions and high stress periods to prevent thinning of turf and edge marking of cutting unit
14-Blade Cutting Unit (Part # 04824)
Designed for mowing extremely low heights of cut applications.
18.25 Inch Micro Cut Standard Bedknife (Part # 110-2300)
Toro 18.25 Inch OEM Micro Cut Standard Bedknife. You can count on the quality and reliability of this replacement Micro Cut bedknife. Be sure to verify the make and serial number to ensure correct part.
18.25 Inch Low Cut Standard Bedknife (Part # 110-2301)
Toro 18.25 Inch OEM Low Cut Standard Bedknife. You can count on the quality and reliability of this replacement Low Cut bedknife. Be sure to verify the make and serial number to ensure correct part.
Rail Conversion Kit (Part # 110-7345)
1.00 Inch Auxiliary Roller Extension Kit (Part # 115-7361)
Contains 115-7362 @ 2, 108-4339 @ 2, 115-7369 @ 2, 115-7370 @ 2, 115-7371 @ 2
18.25 Inch Micro Cut EdgeMax™ Bedknife (Part # 117-1530)
Toro 18.25 Inch OEM Micro Cut EdgeMax™ Bedknife. The EdgeMax™ is a tougher medal crafted with precision to give you an amazing cut every time. You can count on the quality and reliability of this replacement Micro Cut bedknife. Be sure to verify the make and serial number to ensure correct part.
18.25 Inch Tournament Cut EdgeMax™ Bedknife (Part # 117-1532)
Toro 18.25 Inch OEM Tournament Cut EdgeMax™ Bedknife. The EdgeMax™ is a tougher medal crafted with precision to give you an amazing cut every time. You can count on the quality and reliability of this replacement Tournament Cut bedknife. Be sure to verify the make and serial number to ensure correct part.
Wide Wiehle Roller Scraper Comb (Part # 120-9616)
Scraper combs condition the surface of turf before cutting, while clearing rollers of dirt, grass and debris buildup
Full Roller Scraper (Part # 120-9617)
Full roller scrapers clear rollers of dirt, grass and debris buildup that may impact height of cut
18.00 Inch Wide Wiehle Roller Scraper Brush Kit (Part # 120-9622)
Contains 110-2368 @ 1, 115-7364 @ 2, 115-7372 @ 2, 115-7373 @ 2
Full Roller Scraper Brush Kit (Part # 120-9623)
Contains 110-2371 @ 1, 115-7364 @ 2, 115-7372 @ 2, 115-7373 @ 2
Dpa Rebuild Kit (Part # 121-2637)
Contains 106-5363 @ 2, 106-5344 @ 4, 119-4164 @ 2, 32120-93 @ 2, 137-6130 @ 2, 119-4155 @ 2, 119-4156 @ 2, 119-4039 @ 2, 99-2097 @ 2, 119-4067 @ 2
Toro 55 Gallon Premium Engine Oil 10W-30 (Part # 121-6392)
Toro 55 Gallon Premium Engine Oil 10W-30. Designed for use in Toro equipment created by Toro engineers. If you are unsure of your equipment needs, do a model extreme serial number search to verify that this is the correct oil type for your equipment.
Toro 5 Gallon Premium Engine Oil 10W-30 (Part # 121-6393)
Toro 5 Gallon Premium Engine Oil 10W-30. Designed for use in Toro equipment created by Toro engineers. If you are unsure of your equipment needs, do a model extreme serial number search to verify that this is the correct oil type for your equipment.
Paper Reel (Part # 125-5610)
Toro OEM Paper-Reel, Toro (10 Pack).
Soft Grooming Brush (Part # 127-1545)
Spiral rotating brush used to condition grass before cutting
Stiff Grooming Brush (Part # 127-1546)
Spiral rotating brush used to condition grass before cutting
Angle Indicator (Part # 131-6828)
Toro OEM Angle Indicator
Angle Indicator Mount (Part # 131-6829)
Toro OEM Angle Indicator Mount
Synthetic Grease (Part # 136-8595)
Bedbar (Part # 138-1520-01)
Rail Ramp Kit (Part # 138-5011)
18.25 Inch Micro Short Cut EdgeMax™ Bedknife (Part # 139-4318)
Toro 18.25 Inch OEM Micro Short Cut EdgeMax™ Bedknife. The EdgeMax™ is a tougher medal crafted with precision to give you an amazing cut every time. You can count on the quality and reliability of this replacement micro short cut bedknife. Be sure to verify the make and serial number to ensure correct part.
18.25 Inch Short Tournament Cut EdgeMax™ Bedknife (Part # 139-4319)
Toro 18.25 Inch OEM Short Tournament Cut EdgeMax™ Bedknife. The EdgeMax™ is a tougher medal crafted with precision to give you an amazing cut every time. You can count on the quality and reliability of this replacement Short Tournament Cut bedknife. Be sure to verify the make and serial number to ensure correct part.
Backlap Access Kit (Part # 139-4342)
Required for auxiliary electric motor backlapping and to assist with adapting to most reel grinders
Wireless Hour Meter Kit (Part # 139-4369)
Records hours of engine use
Retention Kit (Part # 139-6470)
Retention Straps Kit (Part # 139-6477)
Interlaced Roller Scraper (Part # 139-7411)
Interlaced Roller Scraper Brush (Part # 139-7412)
Wiehle Roller (Part # 140-3362)
Use on puffy turf to control bobbing marks. Adds weight to stabilize cutting unit over rough surfaces.
Wide Wiehle Roller (Part # 140-3441)
Toro 18.00 Inch OEM Wide Wiehle Roller Assembly. This roller has a 2.50 inch diameter. This Assembly comes with a roller tube, roller shaft, ball bearings, washers & lock nuts. A Wiehle roller has groves built into the roller. A wide Wiehle roller has a larger gap between each of the groves when a standard Wiehle roller, where a standard roller is smooth. Toro OEMs are created to keep your equipment up and running with the highest quality parts. To verify that this fits your Toro equipment, please do a model & serial number search.
Toro Reel Shim (Part # 140-5531)
Check reel to bedknife contact
Twin Tip Groomer Blade (Part # 140-5580)
Helix Groomer Blade (Part # 140-5581)
High-strength, twin-tipped groomer blade.
Helix Groomer Blade (Part # 140-5582)
High-strength, twin-tipped groomer blade.
Height of Cut Kit (Part # 94-9010)
Height of cut range 0.285”– 1.00” (7.2 – 25.4 mm), set of one
18.25 Inch Tournament Cut Standard Bedknife (Part # 98-7260)
Toro 18.25 Inch OEM Tournament Cut Standard Bedknife. You can count on the quality and reliability of this replacement Tournament Cut bedknife. Be sure to verify the make and serial number to ensure correct part.
18.25 Inch Micro Cut Standard Bedknife (Part # 98-7261)
Toro 18.25 Inch OEM Micro Cut Standard Bedknife. You can count on the quality and reliability of this replacement Micro Cut bedknife. Be sure to verify the make and serial number to ensure correct part.
Extended Height of Cut Bracket (Part # 99-4286)
Enables heights of cut up to .94” (23.8mm)
-
Model #
04820 -
Serial #
415054336 - 415199999 -
Product Name
Greensmaster® 1018 -
Product Brand
Toro -
Product Type
Walk Behind Mowers
















