Greensmaster® e1026
Product Information
- Model #: 04845
- Serial #: 400000000 - 418099999
- Product Type: Walk Behind Mowers
Loading...
Assembly Drawings
Search for a part within assembly drawings:
-
Operator's Manual
-
Parts Catalog
-
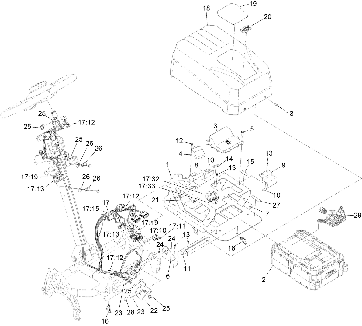
Schematic Drawing - Electrical
-
ACMA Declaration of Conformity
-
EU/UK Declaration of Conformity
Wheel Kit (Part # 04123)
To transport mower from green to green or in the shop.
Split Full Roller (Part # 04127)
Light Kit (Part # 04135)
Allows operator to mow in low light conditions.
Push Broom Brush (Part # 04136)
Conditions grass prior to cut.
Split Wiehle Roller (Part # 04137)
More gentle on turf, especially beneficial on clean-up cut
Light Mount Kit (Part # 04138)
Allows user to move light mounting from the traction unit to the cutting unit.
Extended Wiehle Roller (Part # 04146)
Use on puffy turf to control bobbing marks. Adds weight to stabilize cutting unit over rough surfaces.
Transport Frame, Trans Pro 80 Tow-Behind Trailer (Part # 04238)
Flat Ramp (Part # 04245)
Rail Ramp Kit (Part # 04247)
Stiff QC Grooming Brush (Part # 04276)
Spiral rotating brush used to condition grass before cutting
Turf Evaluator (Part # 04399)
Mirror device used to assess turf conditions
Universal Groomer Drive (Part # 04707)
Groomer drive with forward, neutral and counter-rotating dial
Twin Tip Groomer Blade (Part # 04803)
Interlace Narrow Wiehle Roller (Part # 04806)
Use on puffy turf to control bobbing marks. Adds weight to stabilize cutting unit over rough surfaces.
Full Front Roller (Part # 04816)
Wide Wiehle Roller (Part # 04826)
Recommended for use in off-greens applications on dense turf and high growth conditions to control growth
8-Blade Cutting Unit (Part # 04842)
Designed for mowing on higher heights of cut, such as approaches, fairways or tee boxes.
11-Blade Cutting Unit (Part # 04843)
Designed for mowing on lower heights of cut, such as greens.
26.12 Inch High Cut Standard Bedknife (Part # 104-2646)
Toro 26.12 Inch OEM High Cut Standard Bedknife. You can count on the quality and reliability of this replacement High Cut bedknife. Be sure to verify the make and serial number to ensure correct part.
26.12 Inch Fairway Cut Standard Bedknife (Part # 107-8181)
Toro 26.12 Inch OEM Fairawy Cut Standard Bedknife. You can count on the quality and reliability of this replacement Fairway Cut bedknife. Be sure to verify the make and serial number to ensure correct part.
26.12 Inch Micro Cut Standard Bedknife (Part # 112-9275)
Toro 26.12 Inch OEM Micro Cut Standard Bedknife. You can count on the quality and reliability of this replacement Micro Cut bedknife. Be sure to verify the make and serial number to ensure correct part.
Wireless Hourmeter System (Part # 115-4754)
1.00 Inch Auxiliary Roller Extension Kit (Part # 115-7361)
Contains 115-7362 @ 2, 108-4339 @ 2, 115-7369 @ 2, 115-7370 @ 2, 115-7371 @ 2
26.12 Inch Tournament Cut EdgeMax™ Bedknife (Part # 117-1548)
Toro 26.12 Inch OEM Tournament Cut EdgeMax™ Bedknife. The EdgeMax™ is a tougher medal crafted with precision to give you an amazing cut every time. You can count on the quality and reliability of this replacement Tournament Cut bedknife. Be sure to verify the make and serial number to ensure correct part.
Dpa Rebuild Kit (Part # 121-2637)
Contains 106-5363 @ 2, 106-5344 @ 4, 119-4164 @ 2, 32120-93 @ 2, 137-6130 @ 2, 119-4155 @ 2, 119-4156 @ 2, 119-4039 @ 2, 99-2097 @ 2, 119-4067 @ 2
Paper Reel (Part # 125-5610)
Toro OEM Paper-Reel, Toro (10 Pack).
Stiff Grooming Brush (Part # 127-1549)
Spiral rotating brush used to condition grass before cutting
Angle Indicator (Part # 131-6828)
Toro OEM Angle Indicator
Angle Indicator Mount (Part # 131-6829)
Toro OEM Angle Indicator Mount
Synthetic Grease (Part # 136-8595)
Bedbar (Part # 138-1522-01)
26.12 Inch Micro Short Cut EdgeMax™ Bedknife (Part # 139-4322)
Toro 26.12 Inch OEM Micro Short Cut EdgeMax™ Bedknife. The EdgeMax™ is a tougher medal crafted with precision to give you an amazing cut every time. You can count on the quality and reliability of this replacement micro short cut bedknife. Be sure to verify the make and serial number to ensure correct part.
26.12 Inch Short Tournament Cut EdgeMax™ Bedknife (Part # 139-4323)
Toro 26.12 Inch OEM Short Tournament Cut EdgeMax™ Bedknife. The EdgeMax™ is a tougher medal crafted with precision to give you an amazing cut every time. You can count on the quality and reliability of this replacement Short Tournament Cut bedknife. Be sure to verify the make and serial number to ensure correct part.
26.12 Inch Micro Cut EdgeMax™ Bedknife (Part # 139-4324)
Toro 26.12 Inch OEM Micro Cut EdgeMax™ Bedknife. The EdgeMax™ is a tougher medal crafted with precision to give you an amazing cut every time. You can count on the quality and reliability of this replacement Micro Cut bedknife. Be sure to verify the make and serial number to ensure correct part.
Backlap Access Kit (Part # 139-4342)
Required for auxiliary electric motor backlapping and to assist with adapting to most reel grinders
Interlaced Roller Scraper (Part # 139-4394)
Full Roller Scraper (Part # 139-4398)
Smooth Roller Scraper Brush (Part # 139-5117)
Interlaced Roller Scraper Brush (Part # 139-5125)
Wide Wiehle Roller Scaper (Part # 139-7406)
Use on puffy turf to control bobbing marks. Adds weight to stabilize cutting unit over rough surfaces.
Wide Wiehle Roller Scaper Brush (Part # 139-7410)
Use on puffy turf to control bobbing marks. Adds weight to stabilize cutting unit over rough surfaces.
Toro Reel Shim (Part # 140-5531)
Check reel to bedknife contact
Twin Tip Groomer Blade (Part # 140-5580)
Helix Groomer Blade (Part # 140-5581)
High-strength, twin-tipped groomer blade.
Helix Groomer Blade (Part # 140-5582)
High-strength, twin-tipped groomer blade.
26.12 Inch Low Cut Standard Bedknife (Part # 93-9015)
Toro 26.12 Inch OEM Low Cut Standard Bedknife. You can count on the quality and reliability of this replacement Low Cut bedknife. Be sure to verify the make and serial number to ensure correct part.
26.12 Inch Tournament Cut Standard Bedknife (Part # 94-5885)
Toro 26.12 Inch OEM Tournament Cut Standard Bedknife. You can count on the quality and reliability of this replacement Tournament Cut bedknife. Be sure to verify the make and serial number to ensure correct part.
Height of Cut Kit (Part # 94-9010)
Height of cut range 0.285”– 1.00” (7.2 – 25.4 mm), set of one
Extended Height of Cut Bracket (Part # 99-4286)
Enables heights of cut up to .94” (23.8mm)
-
Model #
04845 -
Serial #
400000000 - 418099999 -
Product Name
Greensmaster® e1026 -
Product Brand
Toro -
Product Type
Walk Behind Mowers

















