60 in. (152 cm) PROLINE™ AMI 26.5 hp
Product Information
- Model #: 44460BOT
- Serial #: 400000000 - 999999999
- Product Type: Autonomous Mowers
Loading...
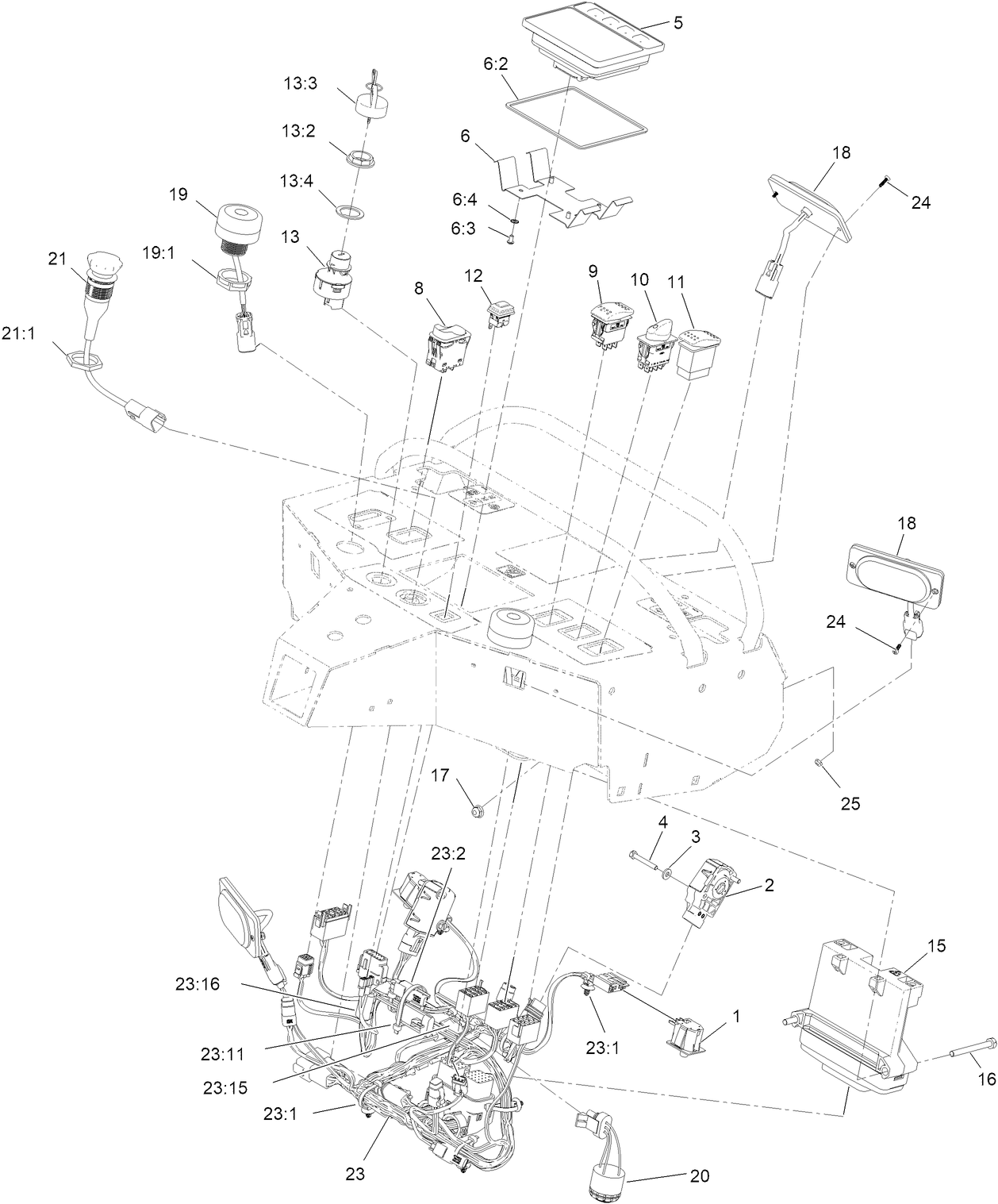
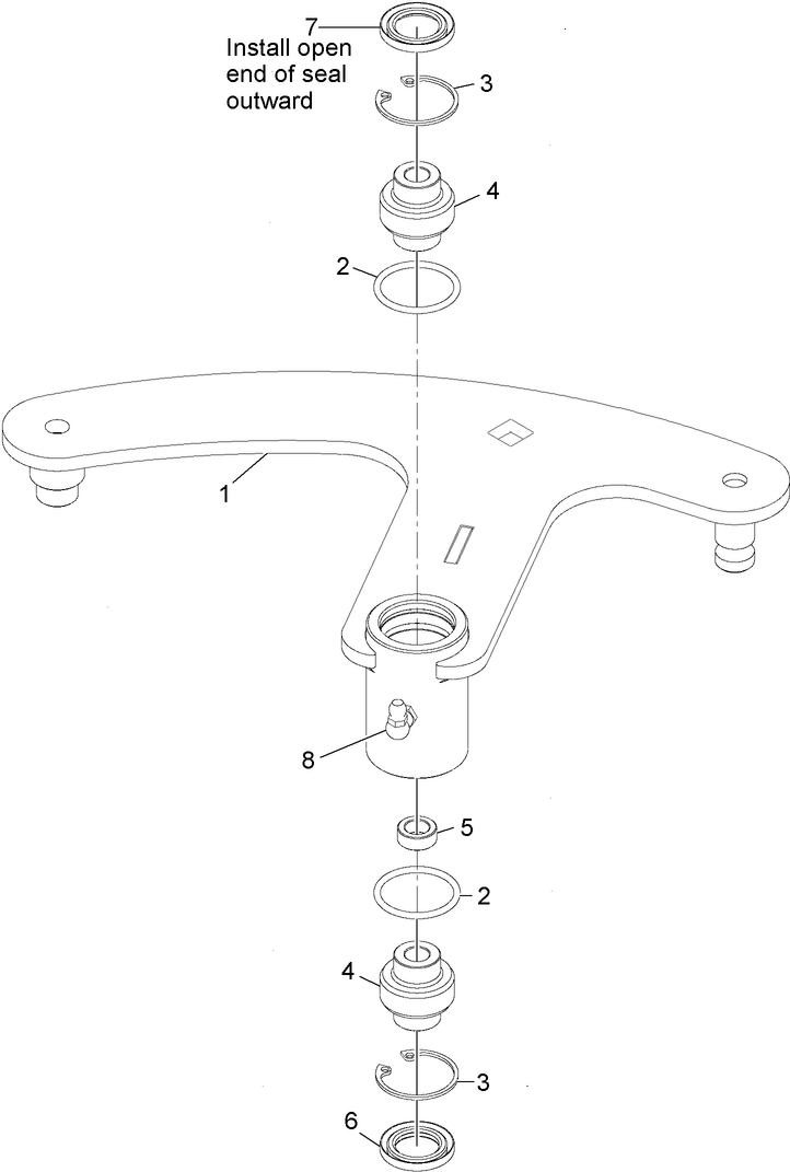
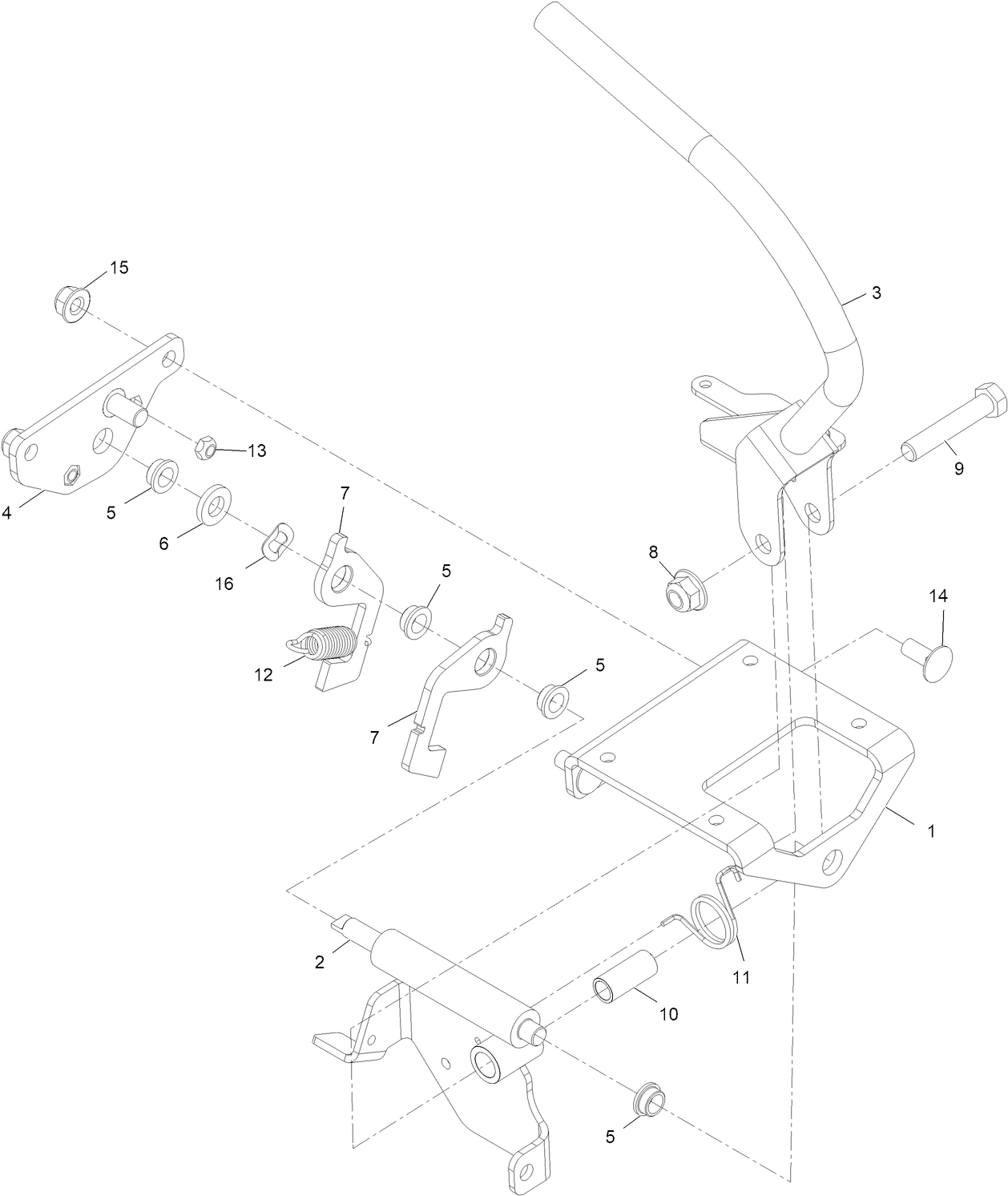
Assembly Drawings
Search for a part within assembly drawings:
-
Operator's Manual
-
Parts Catalog
-
Product Warranty
-
Setup Instructions
-
Schematic Drawing - Electrical
Turf Striping Kit - 52 60 FMD (Part # 126-5812)
-
Model #
44460BOT -
Serial #
400000000 - 999999999 -
Product Name
60 in. (152 cm) PROLINE™ AMI 26.5 hp -
Product Brand
Toro -
Product Type
Autonomous Mowers





























