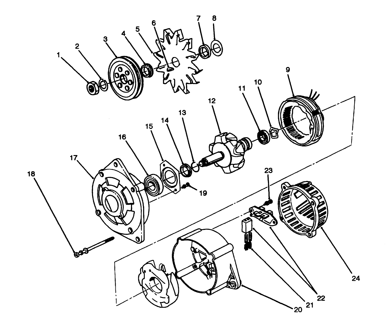
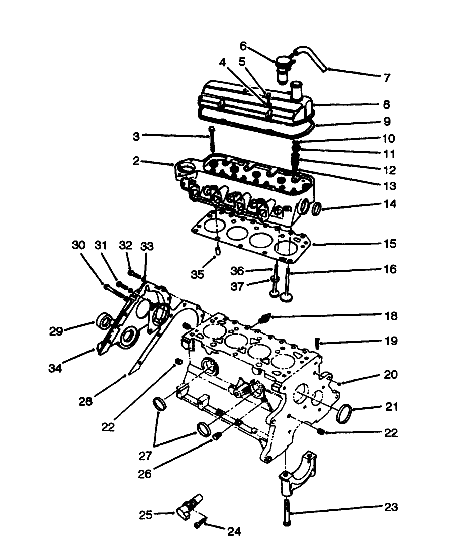
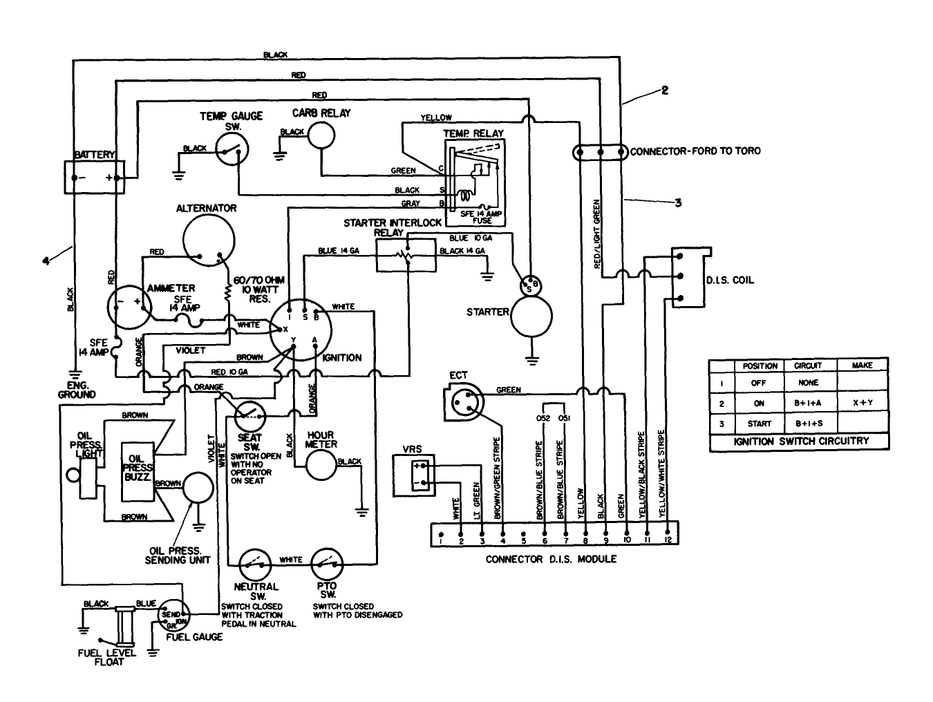
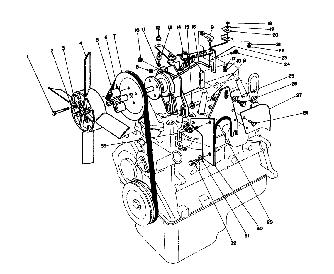
Groundsmaster 345
Product Information
- Model #: 30789
- Serial #: 40501 - 49999
- Product Type: Riding Products
Loading...
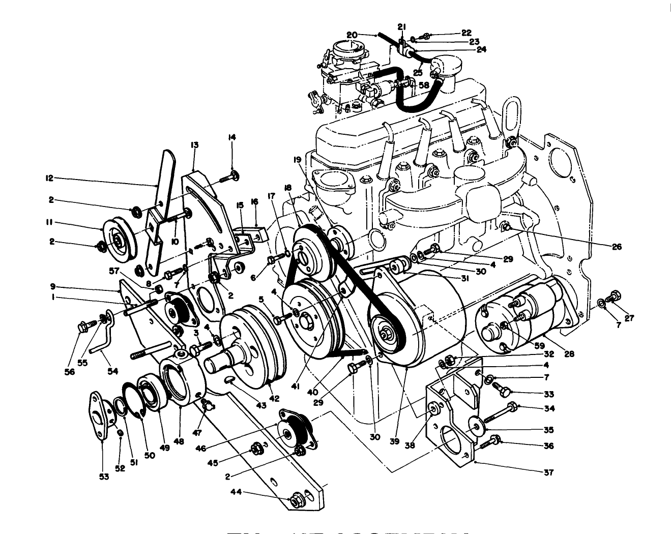
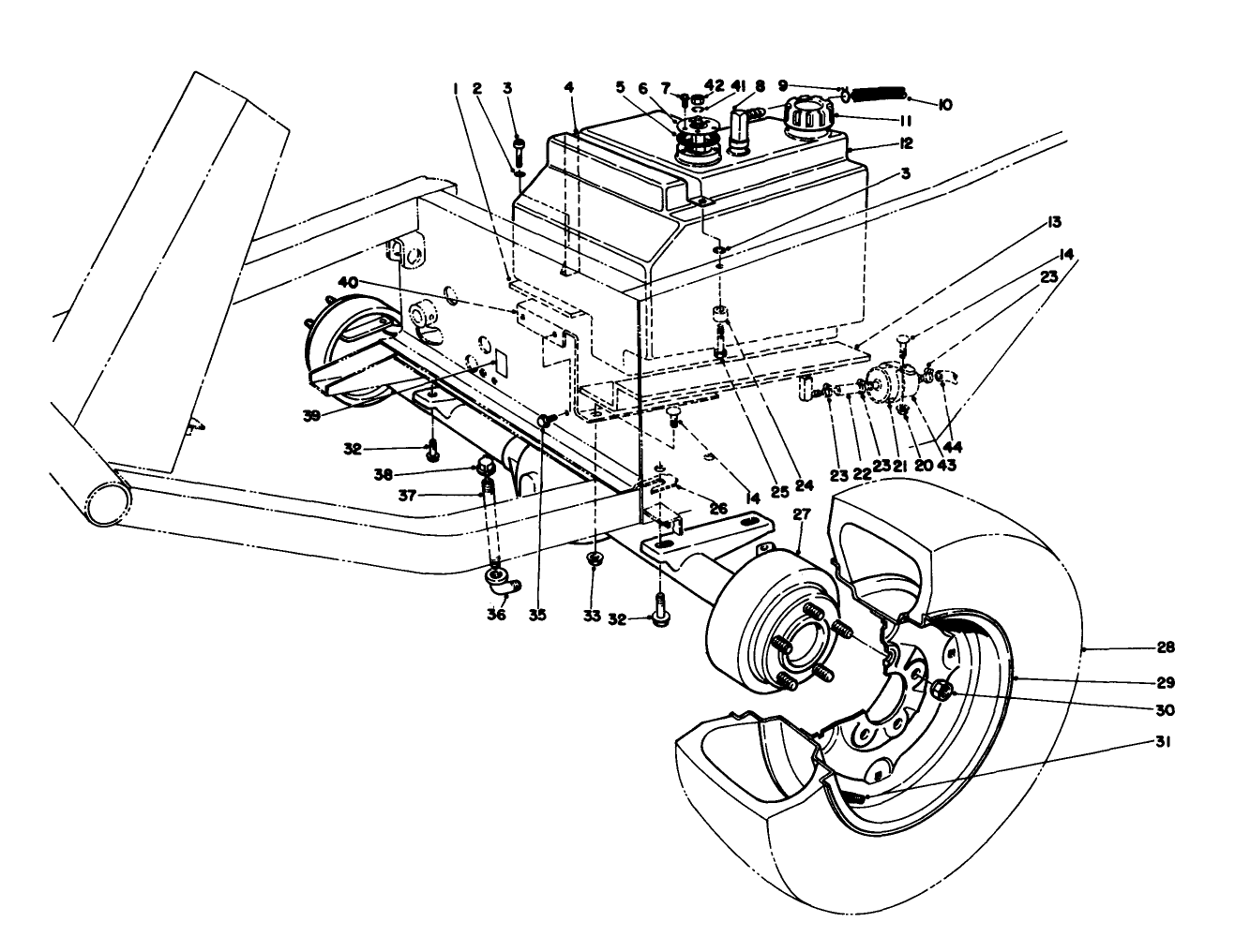
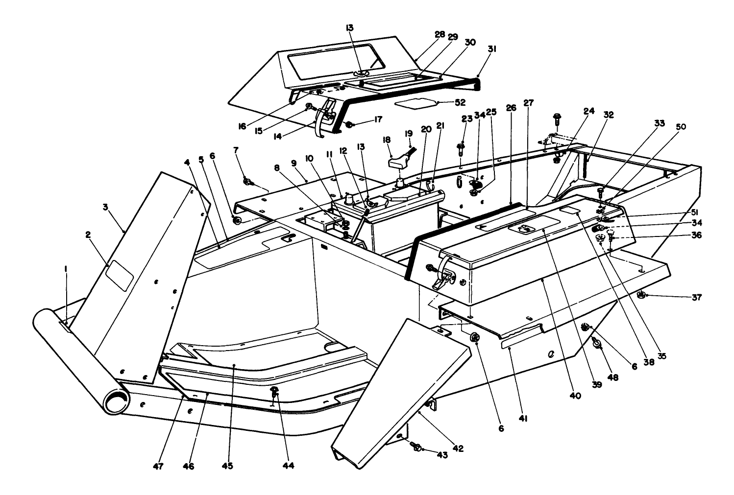
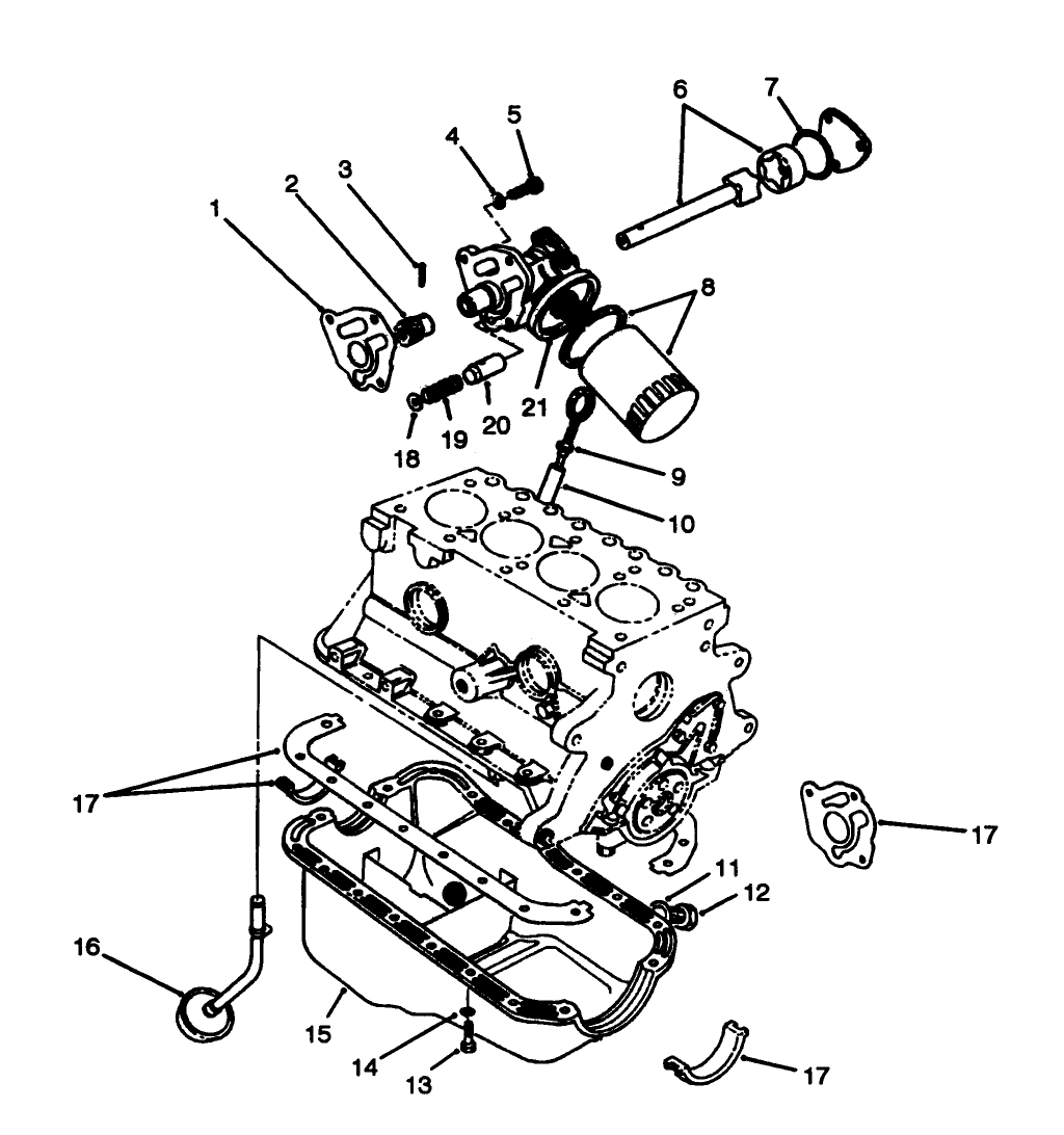
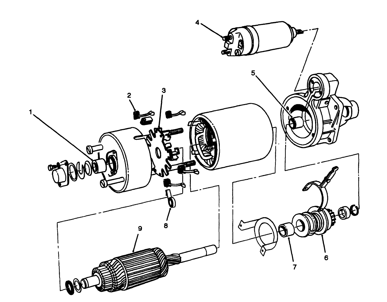
Assembly Drawings
Search for a part within assembly drawings:
-
Service Manual
-
Operator's Manual
-
Parts Catalog
-
Service Bulletin
-
Model #
30789 -
Serial #
40501 - 49999 -
Product Name
Groundsmaster 345 -
Product Brand
Toro -
Product Type
Riding Products -
Product Series
Groundsmaster 300 Series

































