Workman 4200 4 Wheel Drive Liquid Cooled
Product Information
- Model #: 07216
- Serial #: 80001 - 89999
- Product Type: Vehicles
Loading...
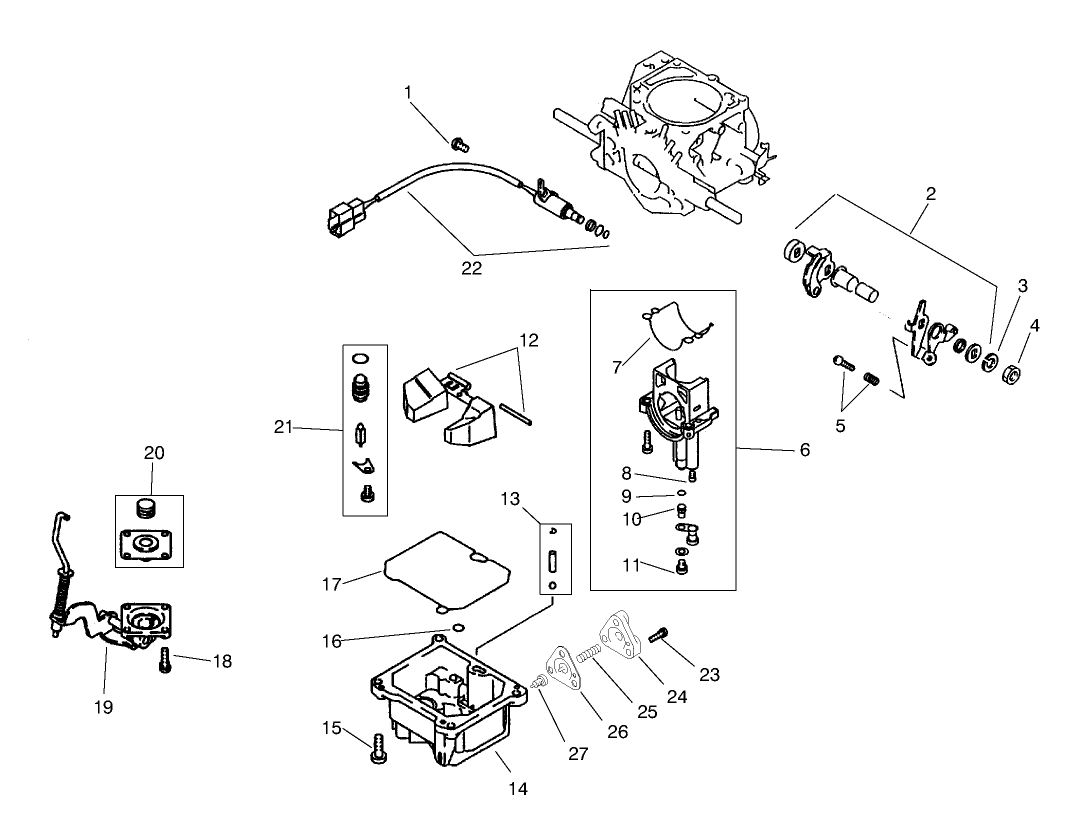
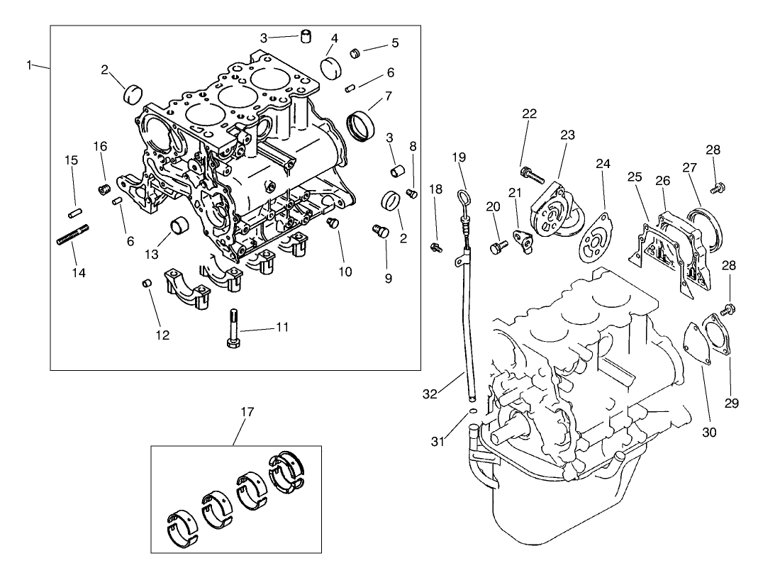
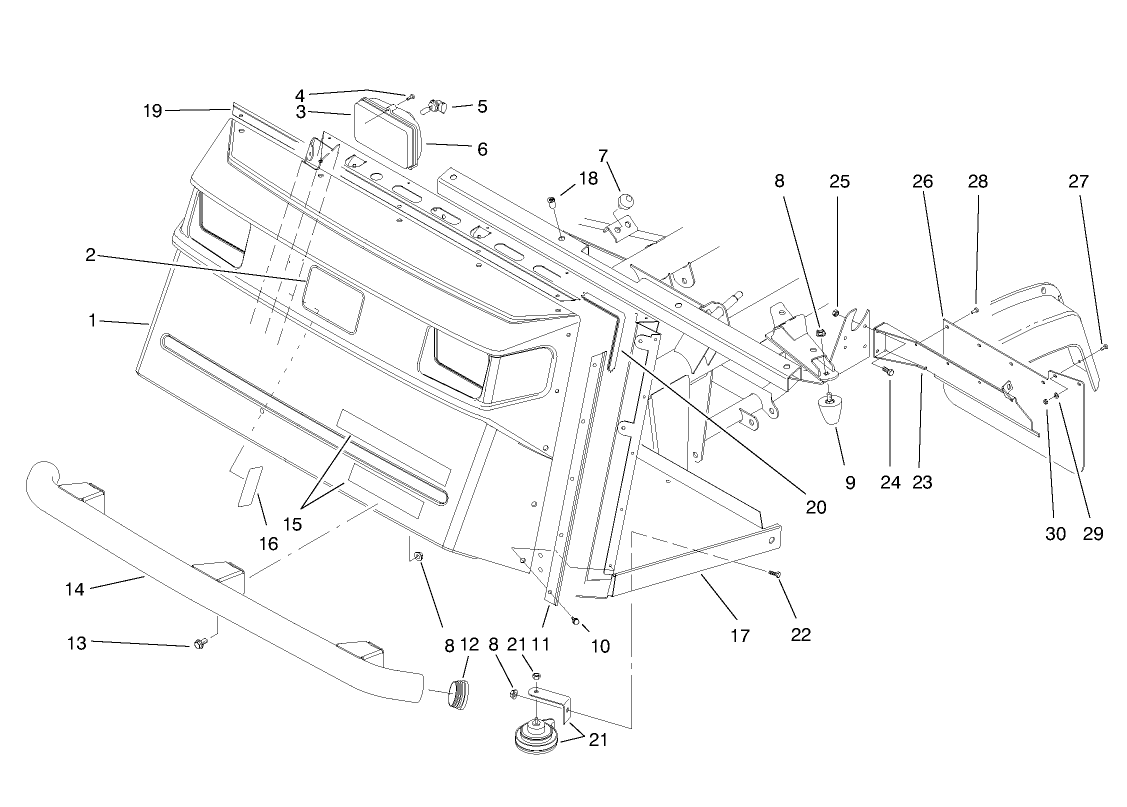
Assembly Drawings
Search for a part within assembly drawings:
-
Service Manual
-
Operator's Manual
-
Parts Catalog
-
Service Bulletin
-
Model #
07216 -
Serial #
80001 - 89999 -
Product Name
Workman 4200 4 Wheel Drive Liquid Cooled -
Product Brand
Toro -
Product Type
Vehicles -
Product Series
Workman Series





























































