Groundsmaster 325-D 4 Wheel Drive
Product Information
- Model #: 30795
- Serial #: 80001 - 89999
- Product Type: Riding Products
Loading...
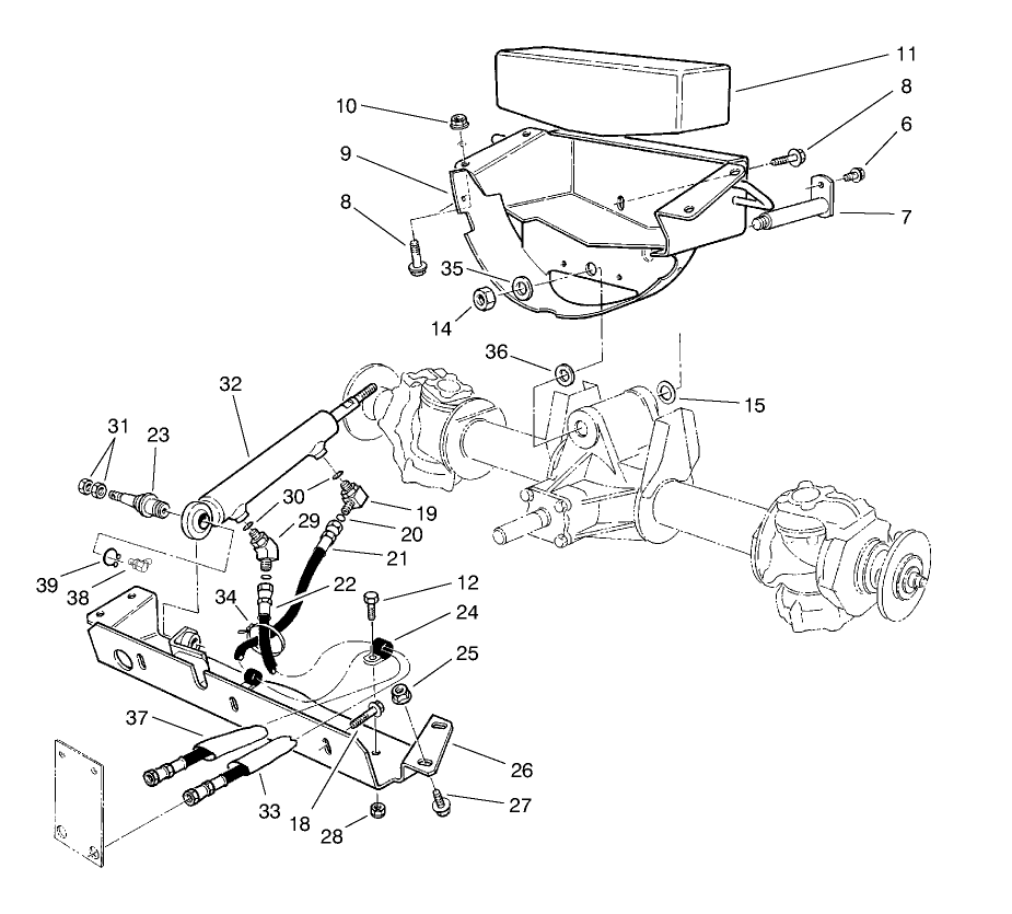
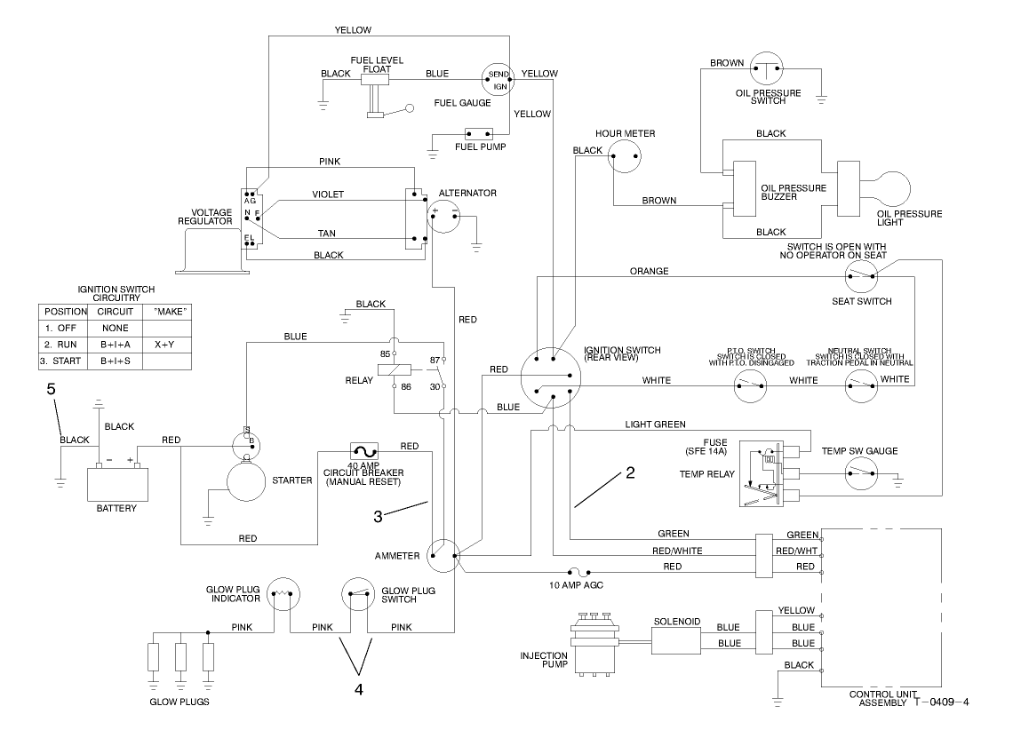
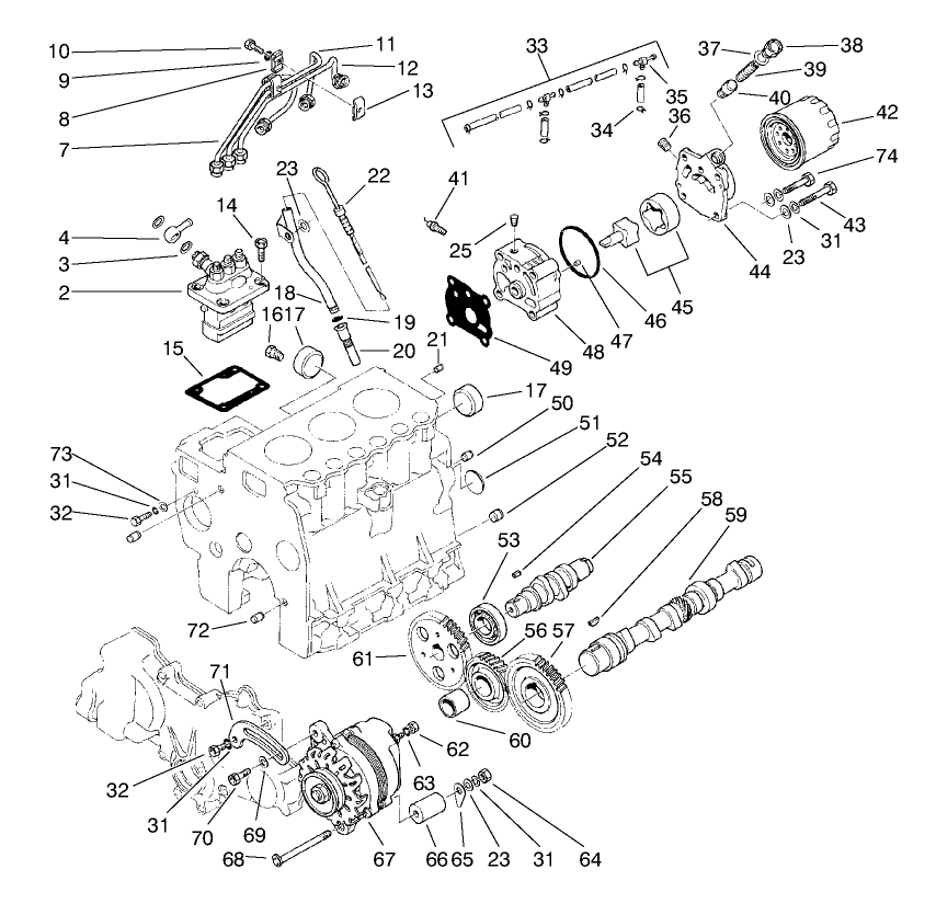
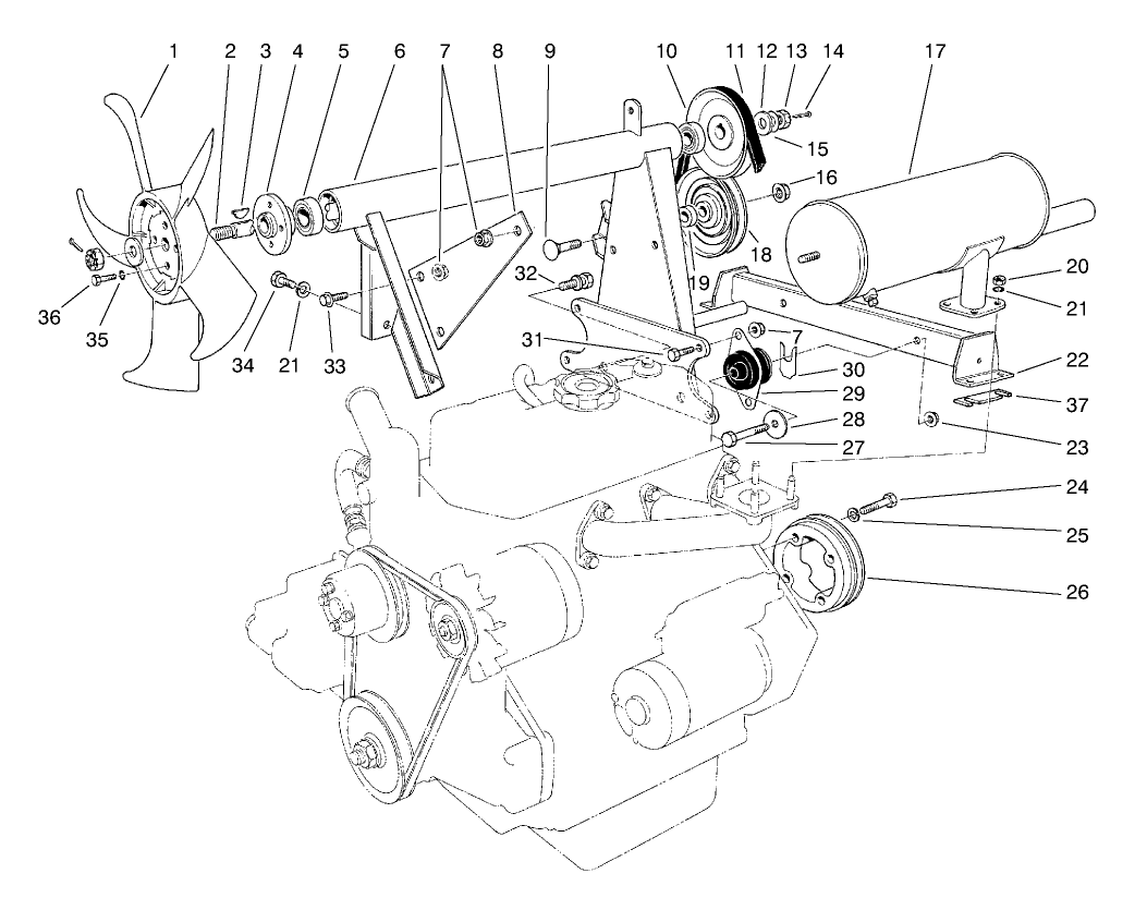
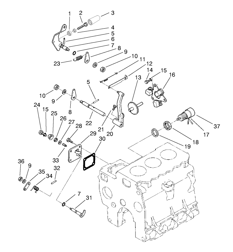
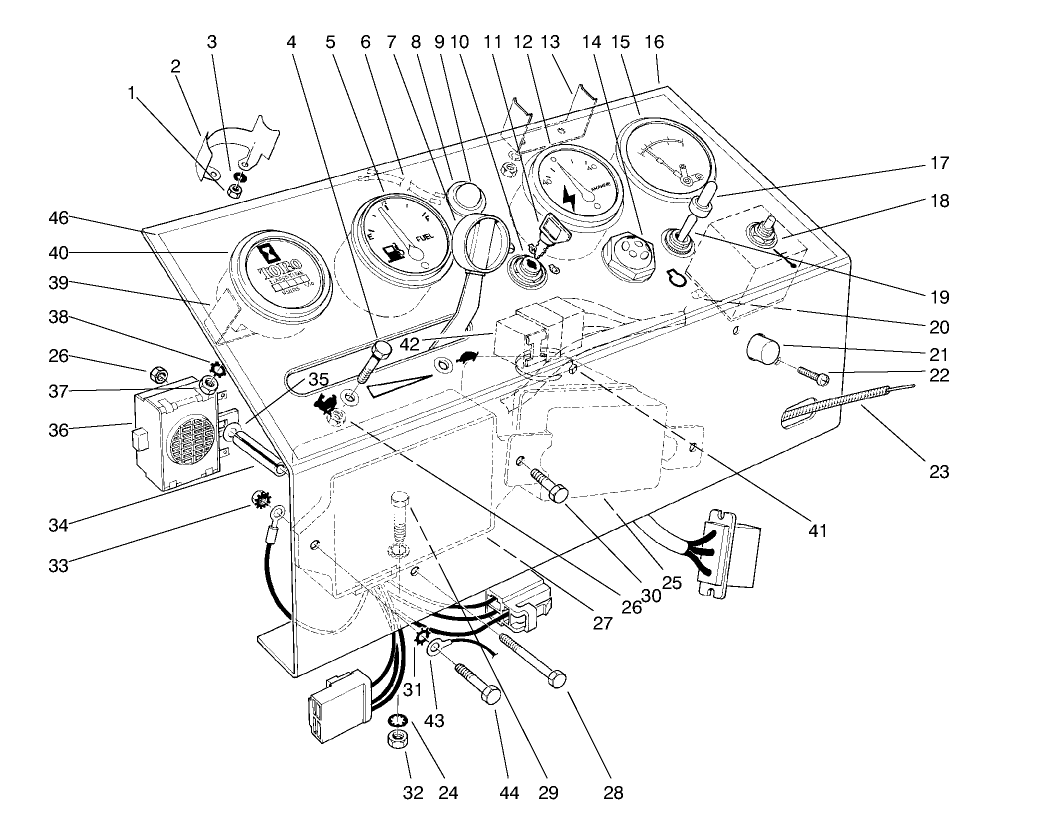
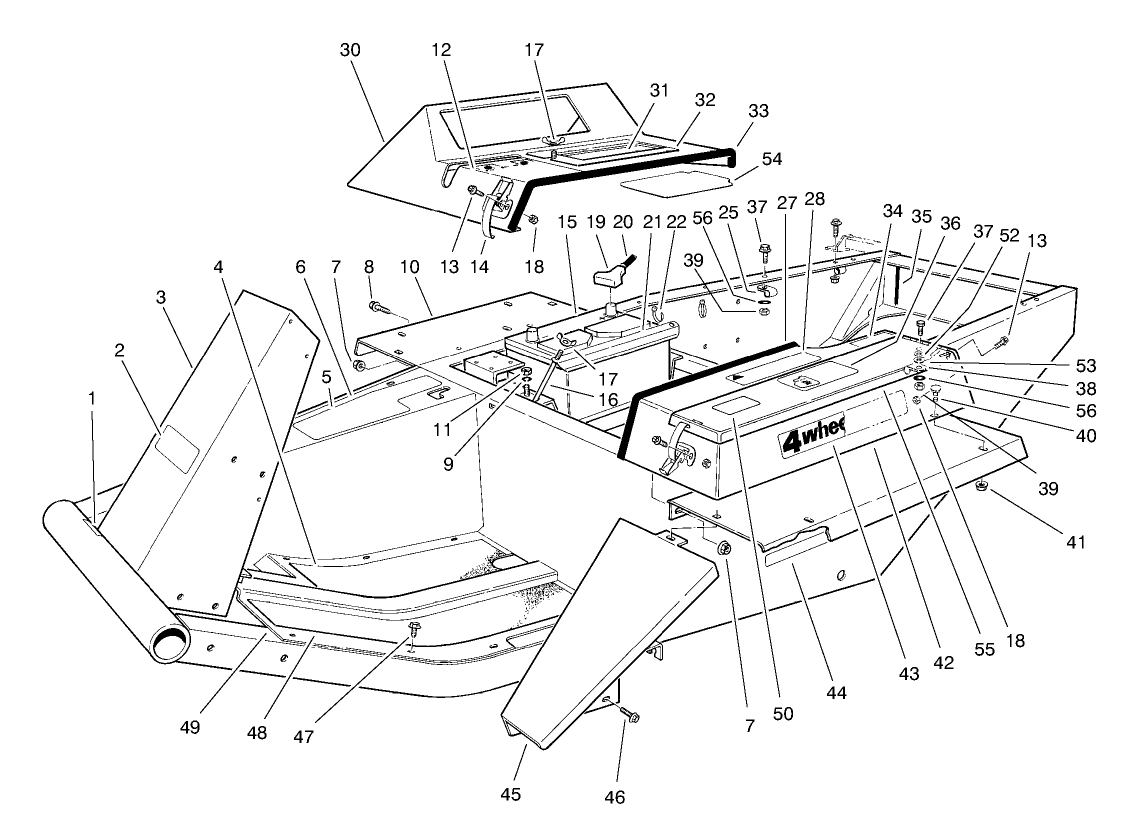
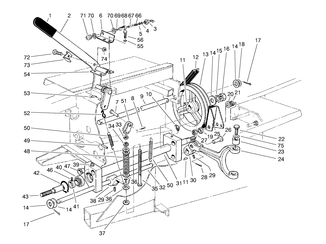
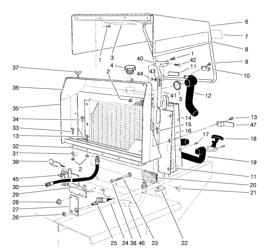
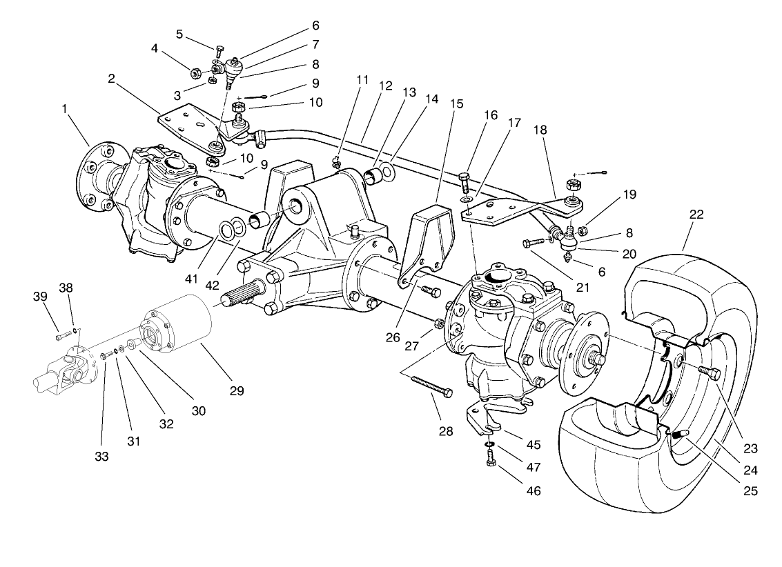
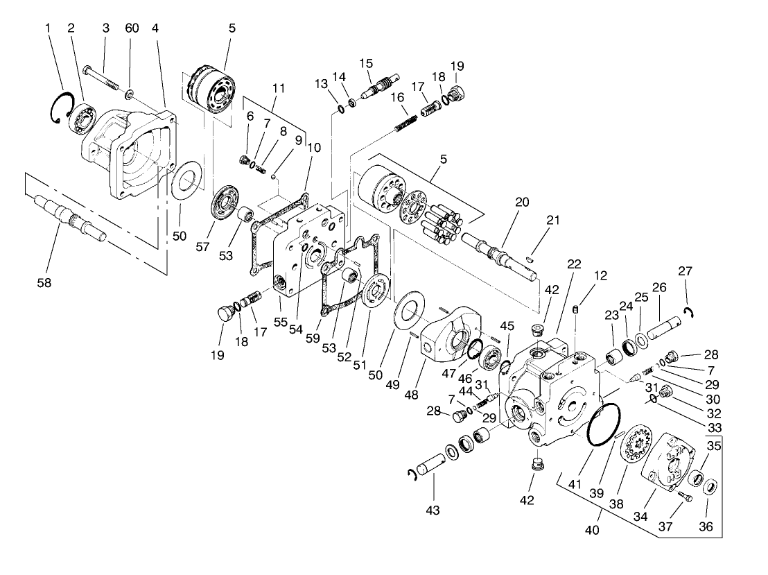
Assembly Drawings
Search for a part within assembly drawings:
-
Service Manual
-
Operator's Manual
-
Parts Catalog
-
Service Bulletin
-
Model #
30795 -
Serial #
80001 - 89999 -
Product Name
Groundsmaster 325-D 4 Wheel Drive -
Product Brand
Toro -
Product Type
Riding Products -
Product Series
Groundsmaster 300 Series




































