Groundsmaster 322-D 4 Wheel Drive
Product Information
- Model #: 30795
- Serial #: 10001 - 10168
- Product Type: Riding Products
Loading...
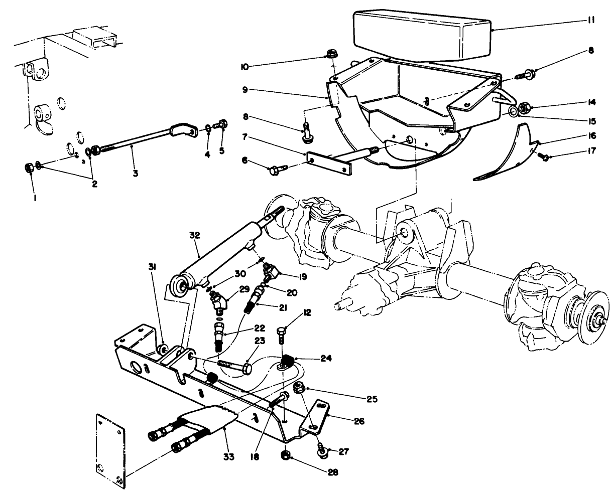
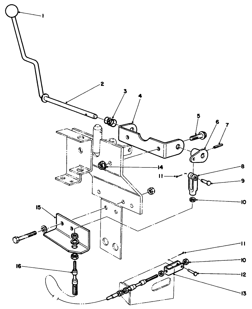
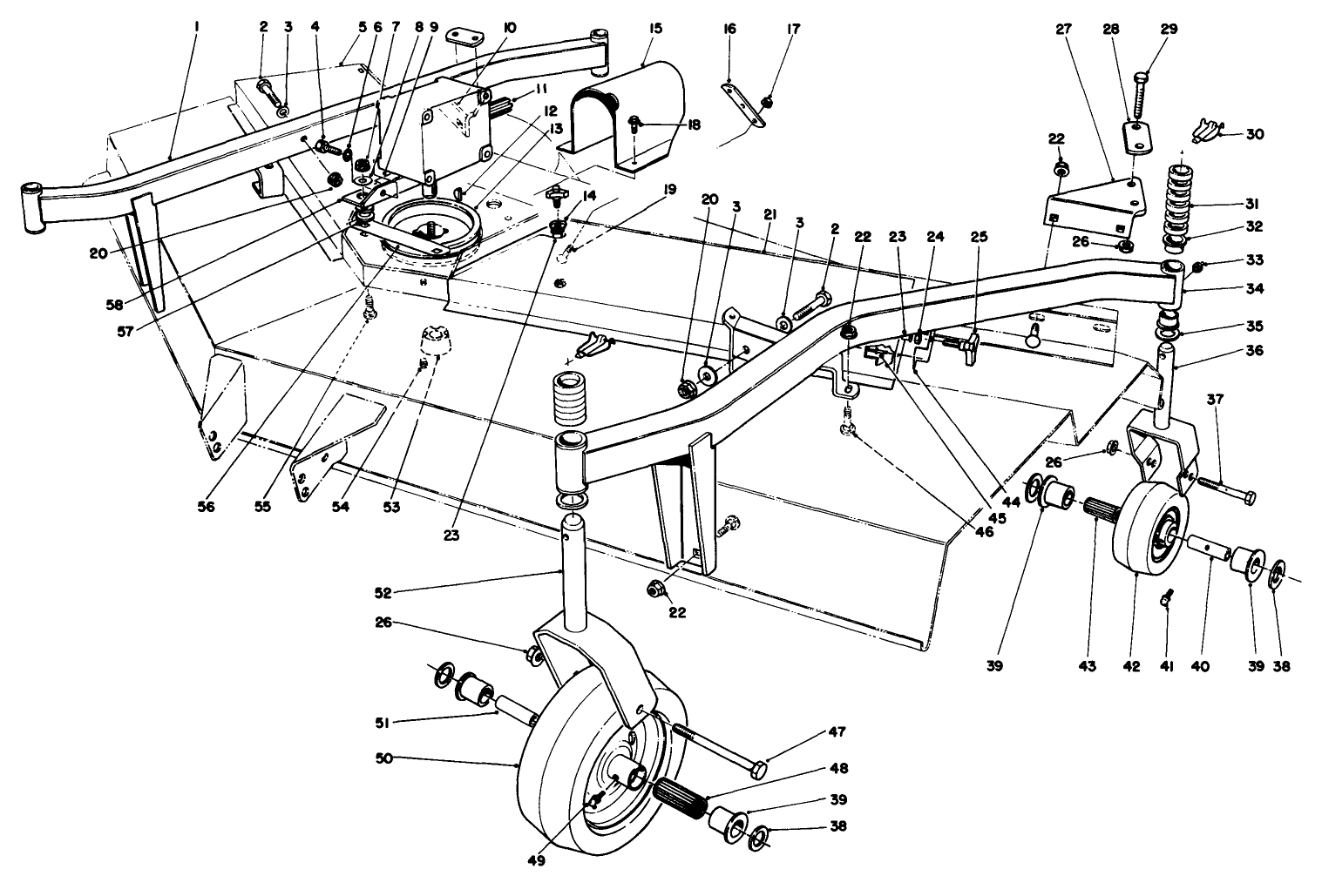
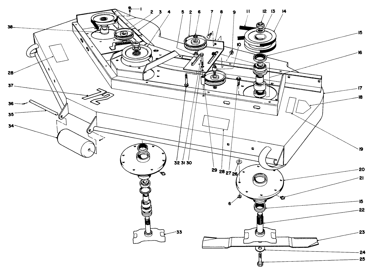
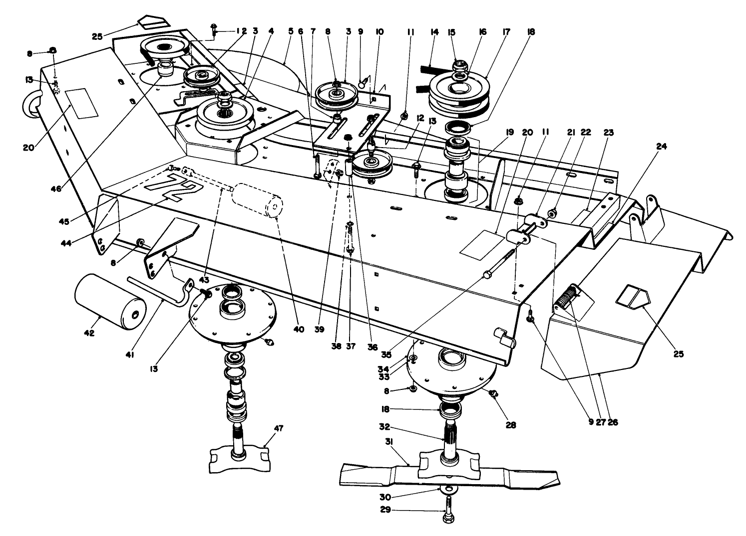
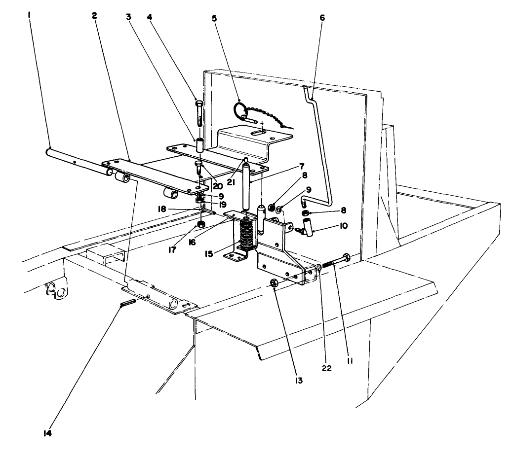
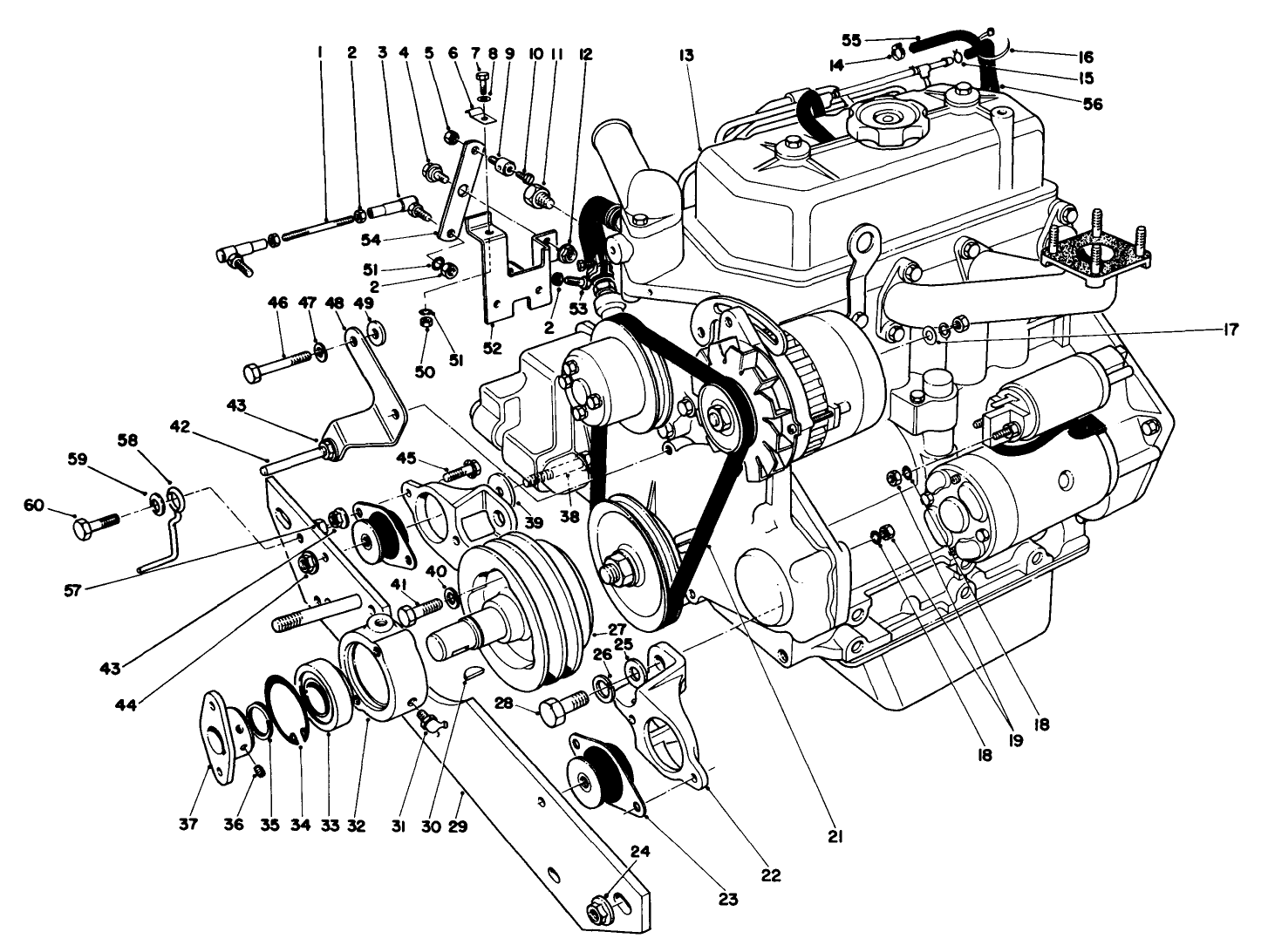
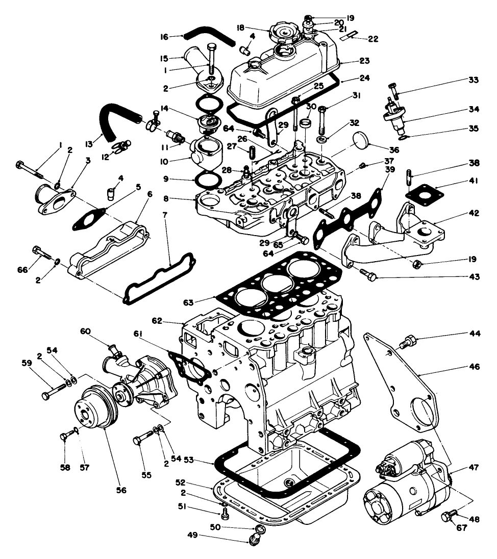
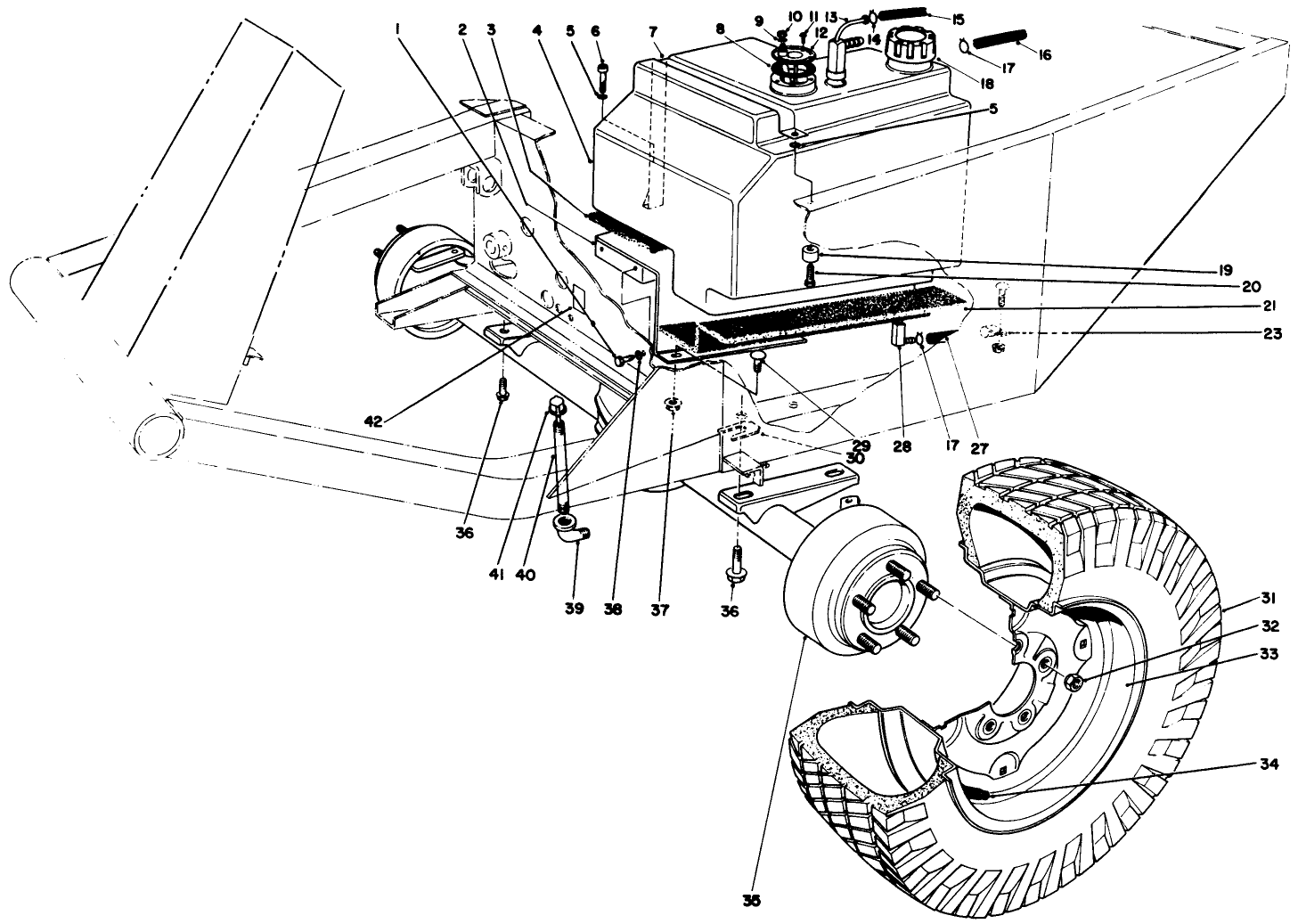
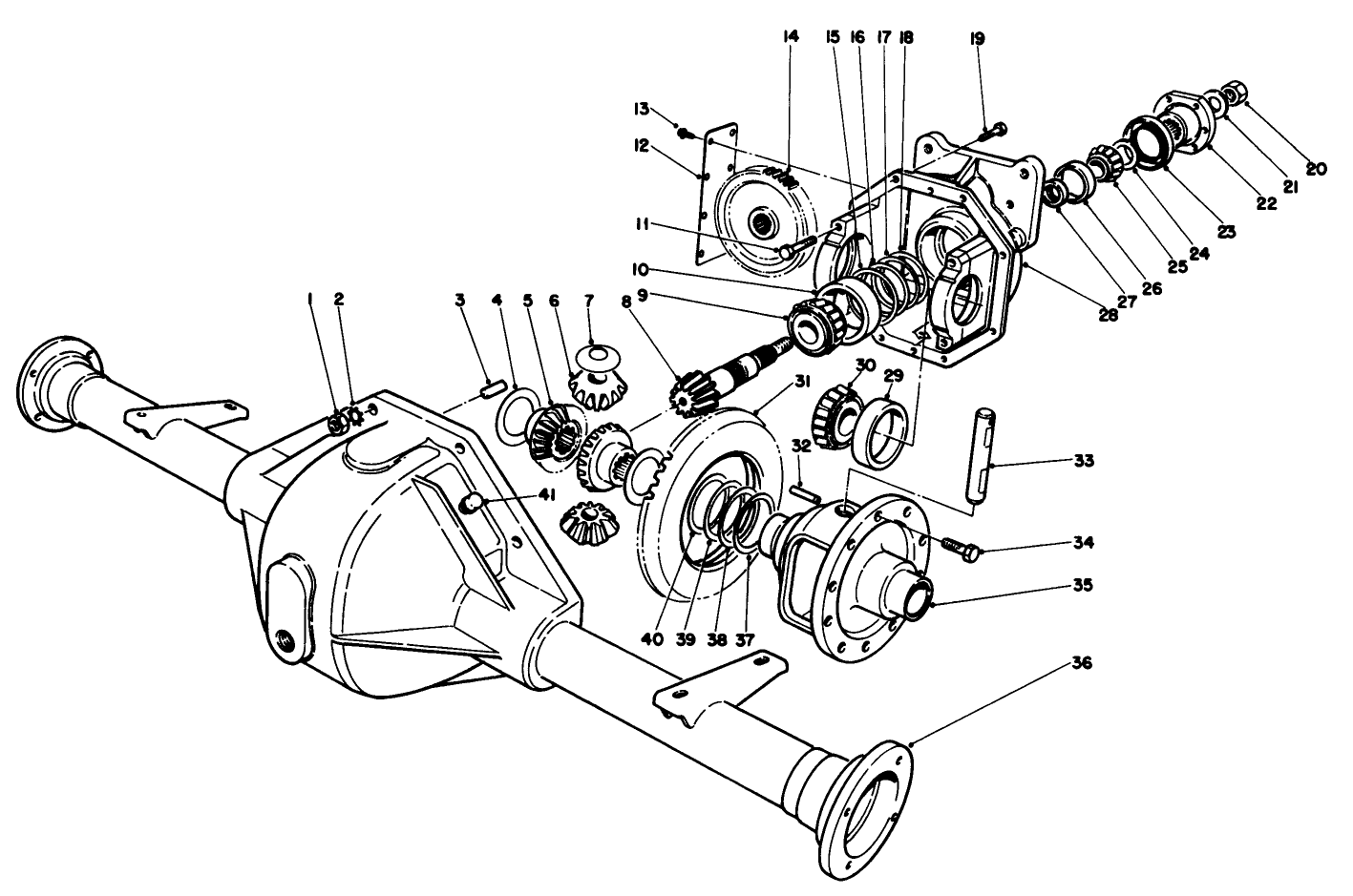
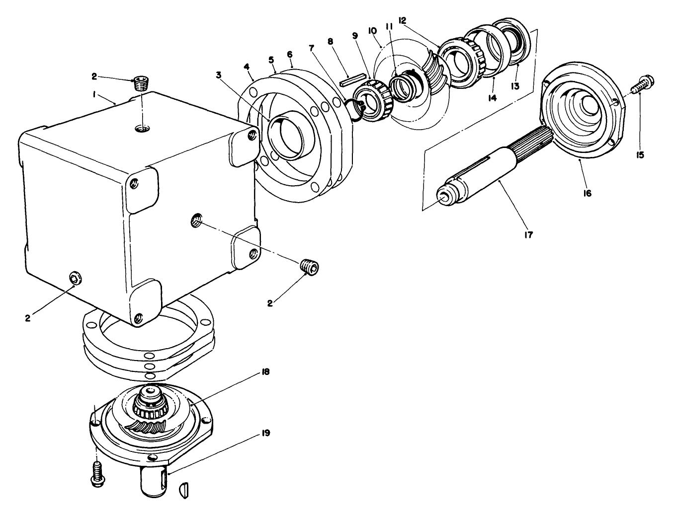
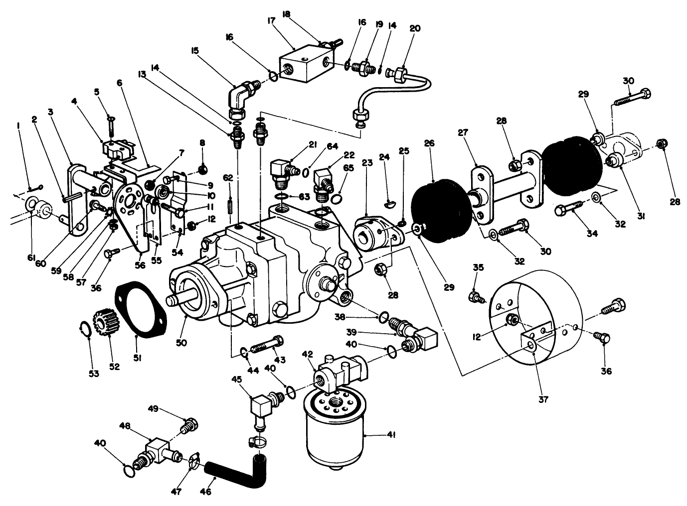
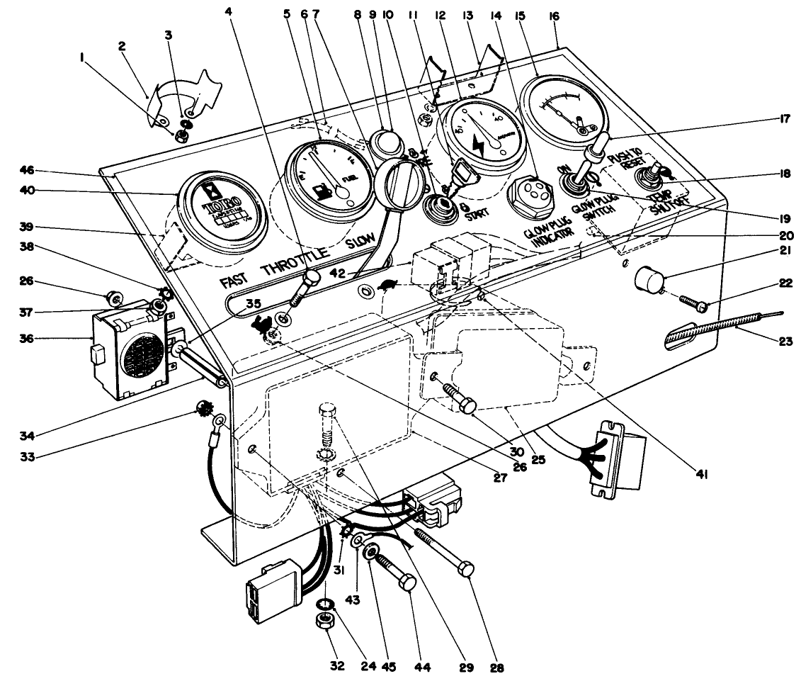
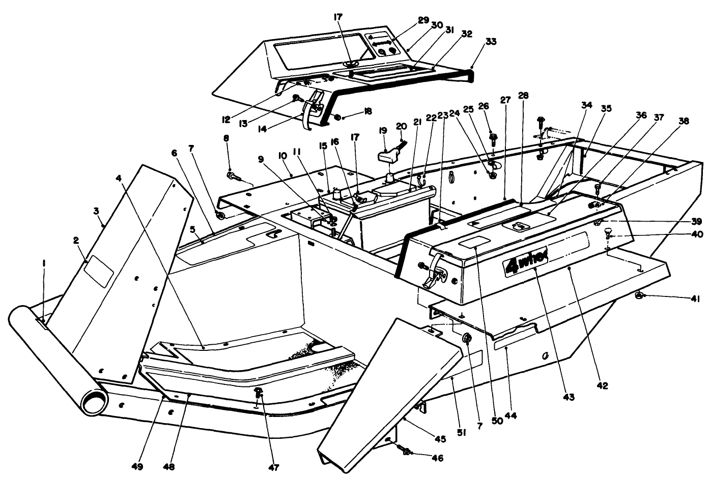
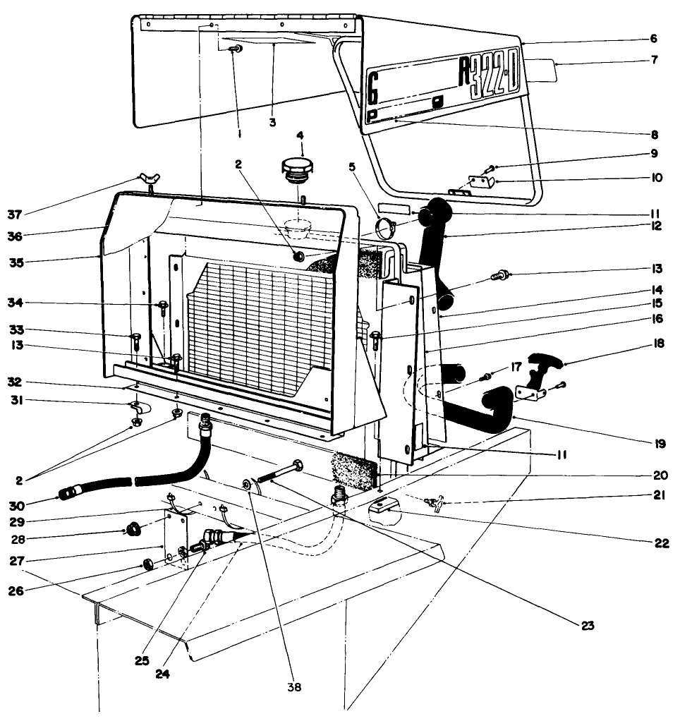
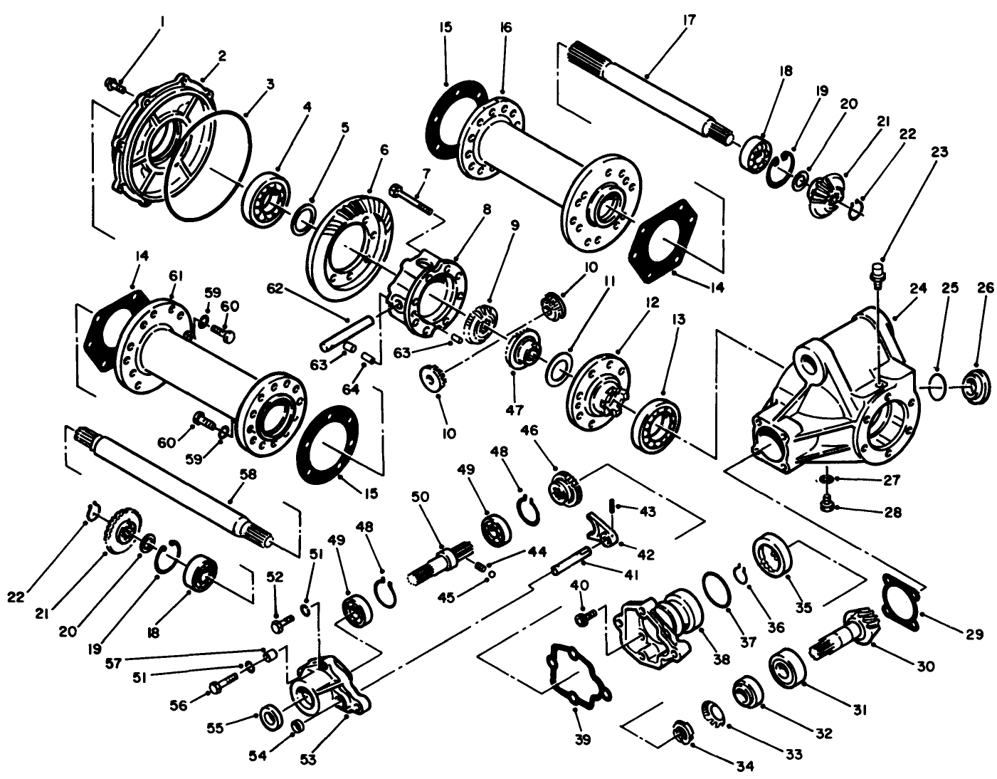
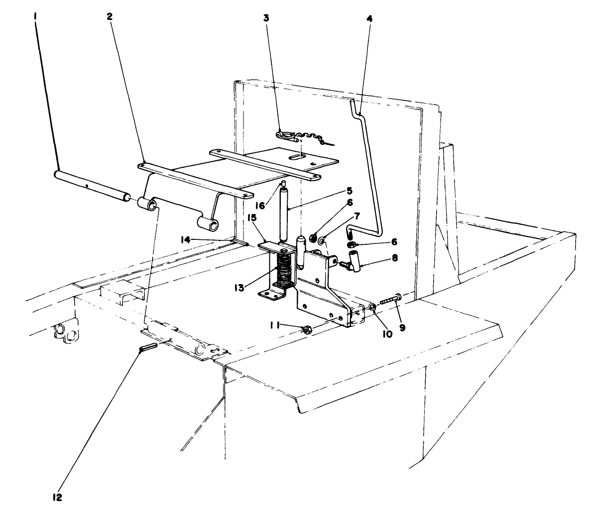
Assembly Drawings
Search for a part within assembly drawings:
-
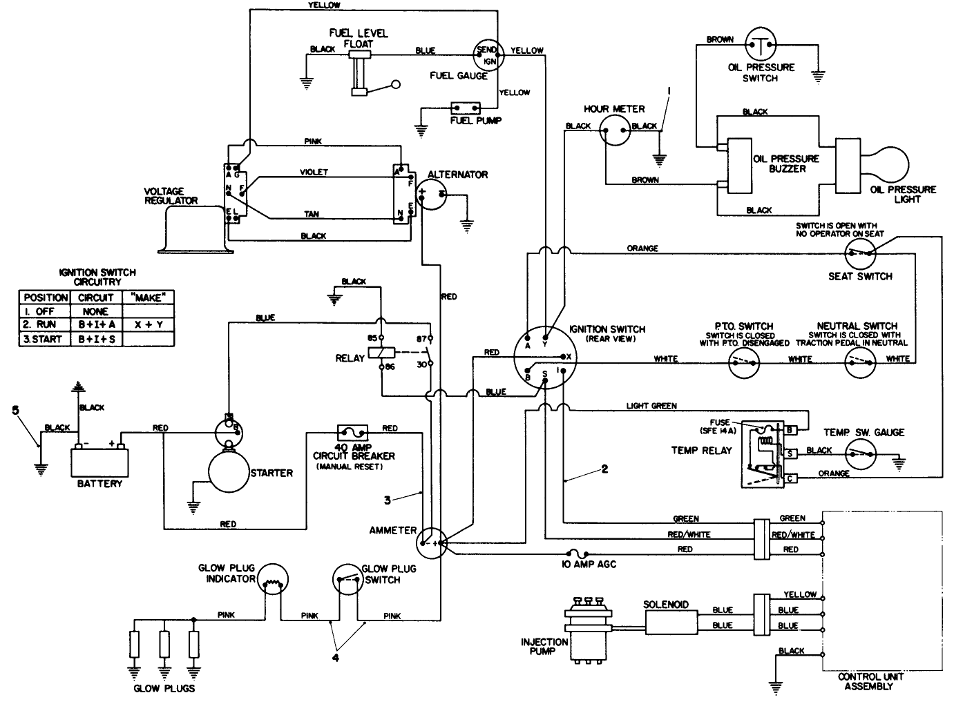
Service Manual
-
Operator's Manual
-
Parts Catalog
-
Service Bulletin
-
Model #
30795 -
Serial #
10001 - 10168 -
Product Name
Groundsmaster 322-D 4 Wheel Drive -
Product Brand
Toro -
Product Type
Riding Products -
Product Series
Groundsmaster 300 Series


























































