Workman 3100 2 Wheel Drive Air Cooled
Product Information
- Model #: 07210
- Serial #: 40190 - 40498
- Product Type: Vehicles
Loading...
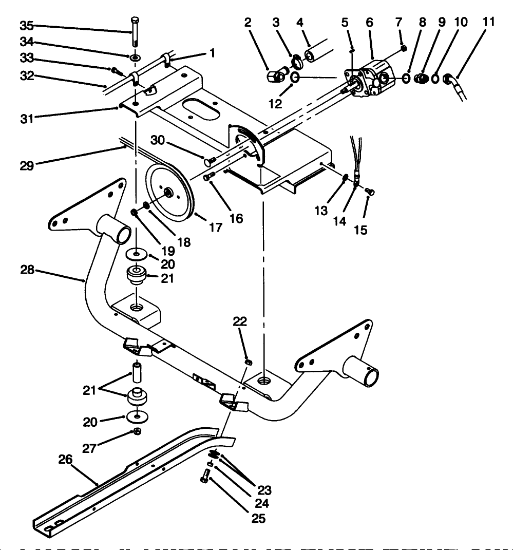
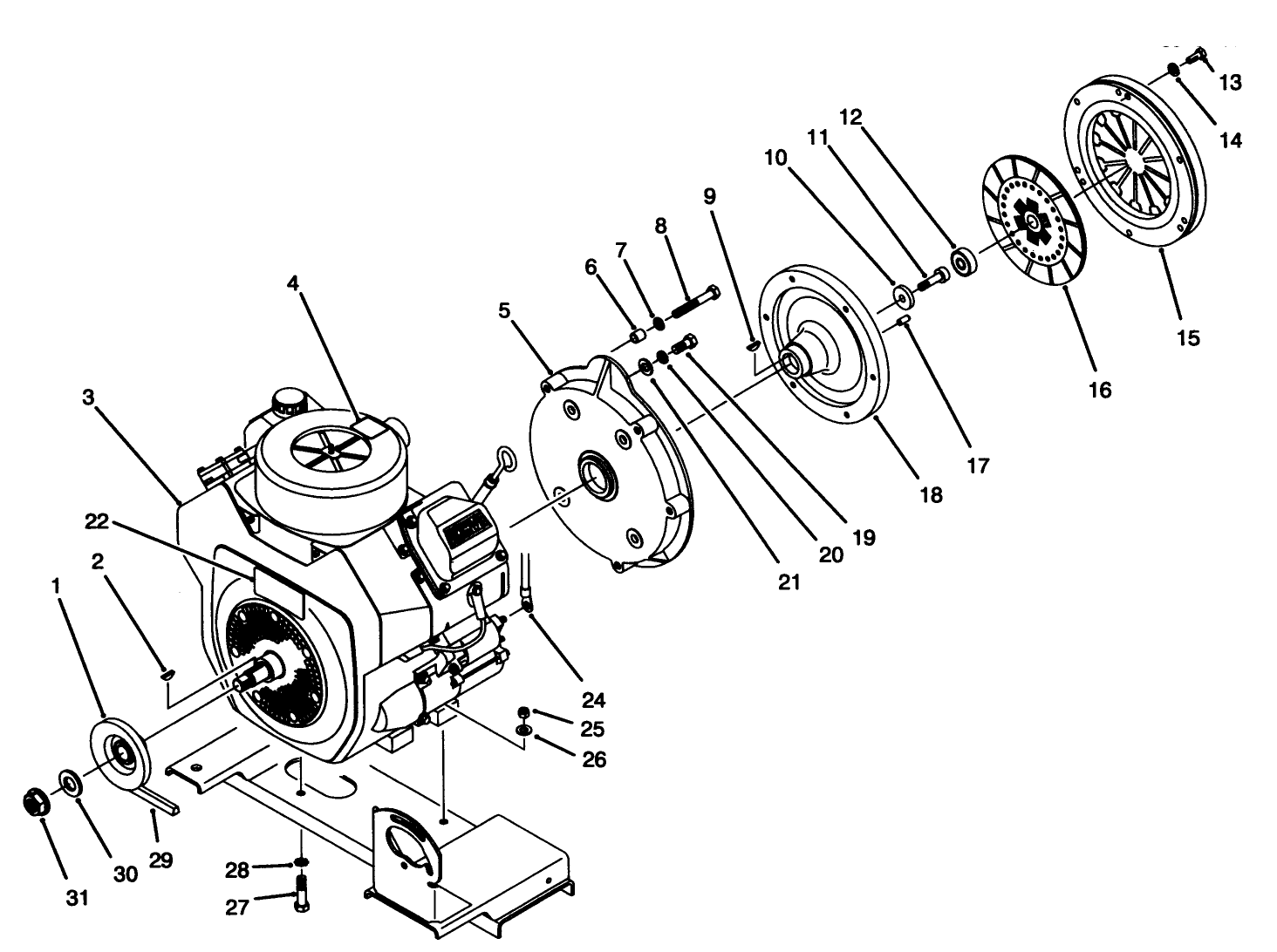
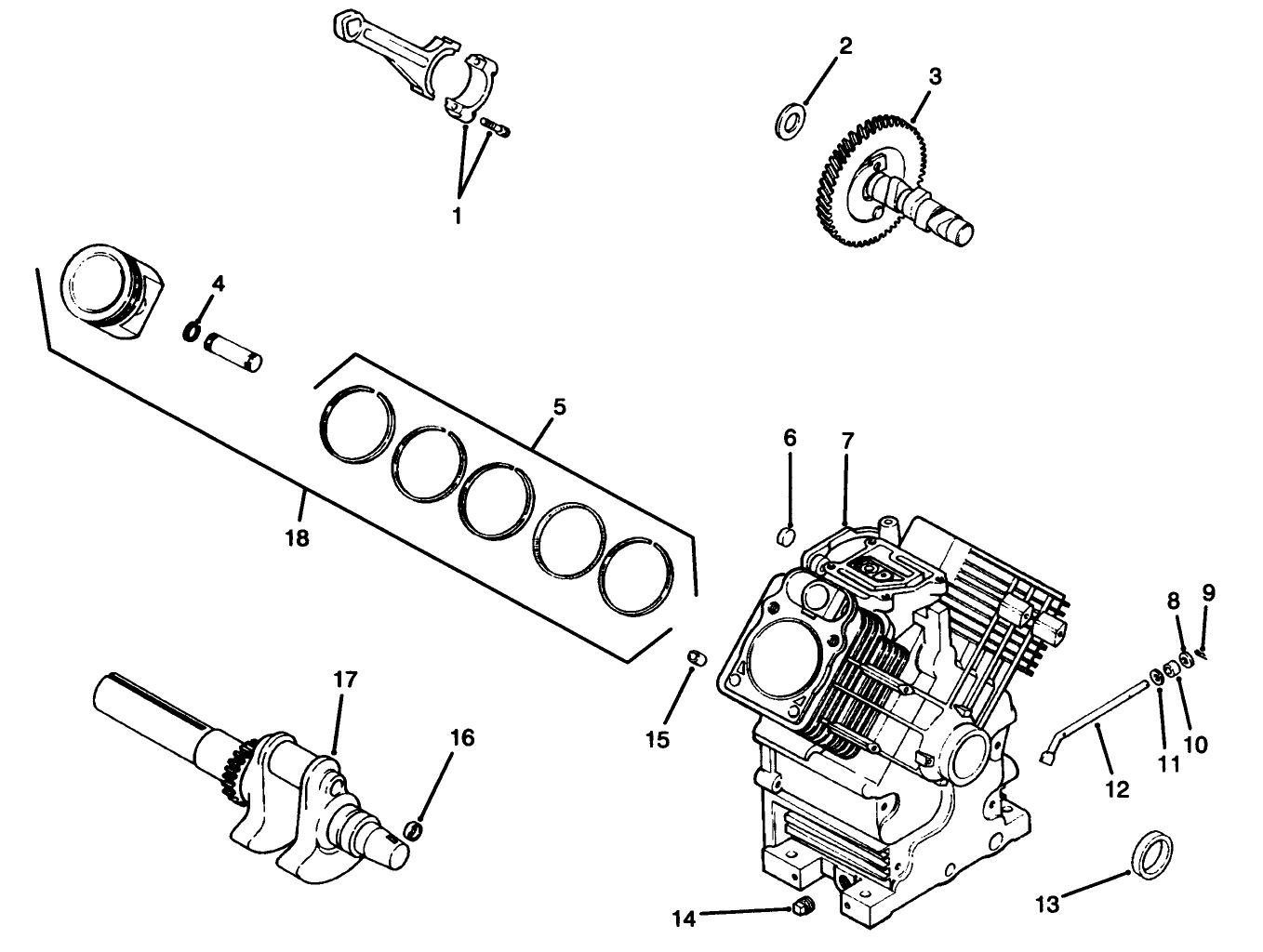
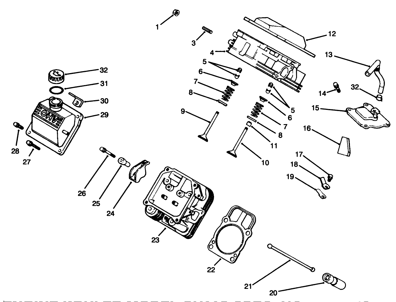
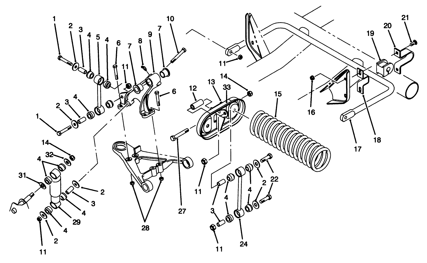
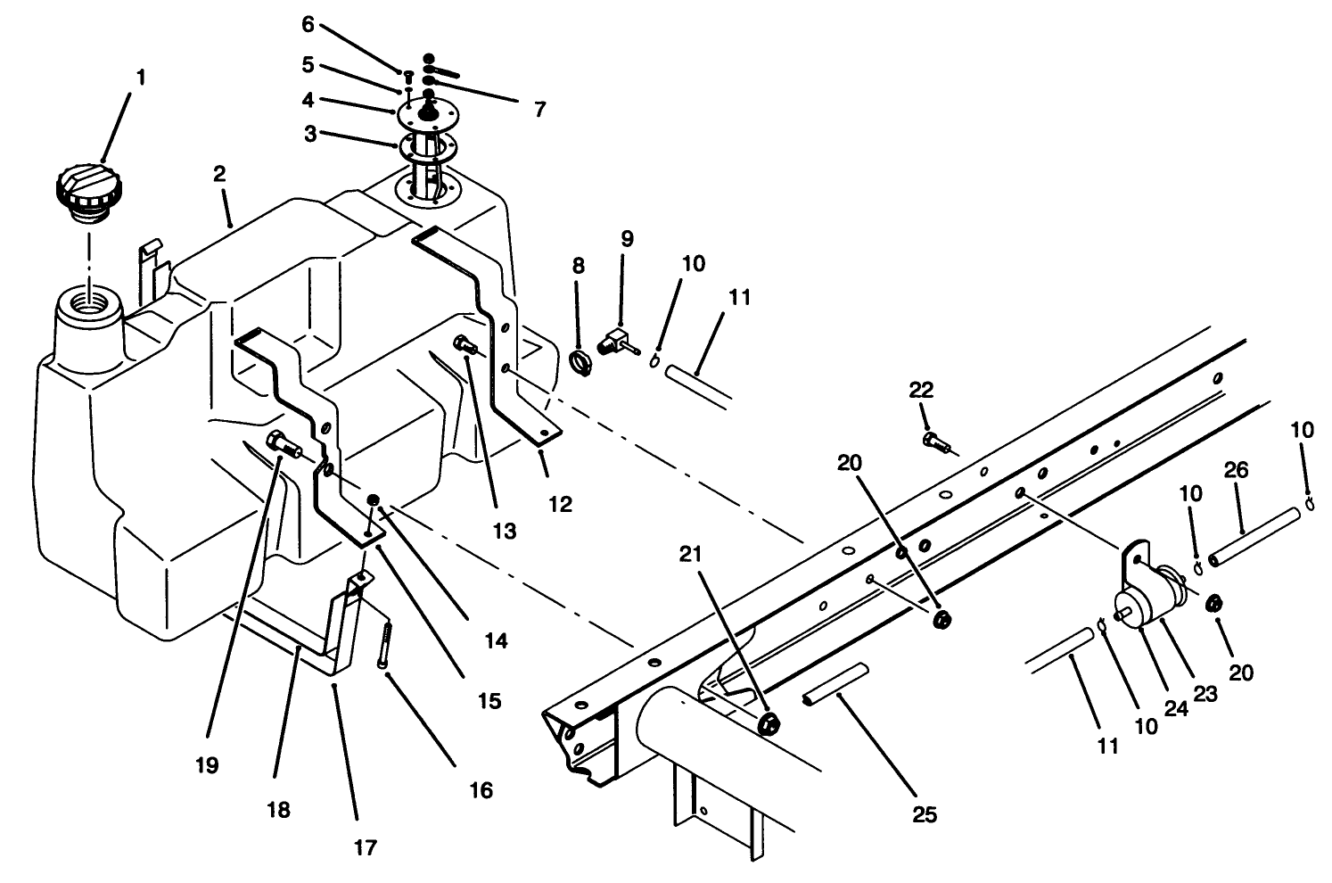
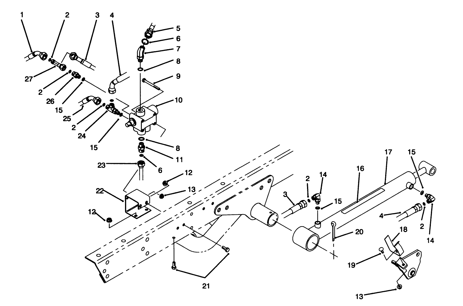
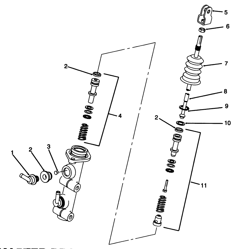
Assembly Drawings
Search for a part within assembly drawings:
-
Service Manual
-
Operator's Manual
-
Parts Catalog
-
Service Bulletin
-
Model #
07210 -
Serial #
40190 - 40498 -
Product Name
Workman 3100 2 Wheel Drive Air Cooled -
Product Brand
Toro -
Product Type
Vehicles -
Product Series
Workman Series













































