16-38XL Lawn Tractor
Product Information
- Model #: 71223
- Serial #: 200000001 - 200999999
- Product Type: Riding Products
Loading...
Assembly Drawings
Search for a part within assembly drawings:
-
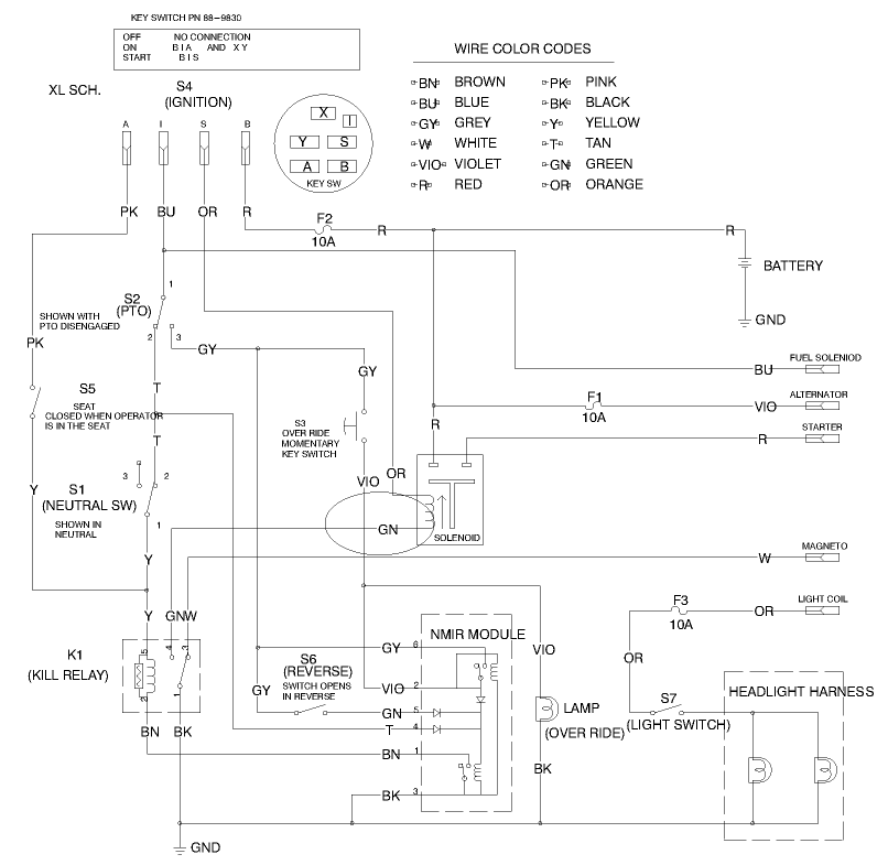
Service Manual
-
Operator's Manual
-
Parts Catalog
-
Setup Instructions
Toro Red 12or aerosol can. (Part # 361-10)
Genuine OEM Part
Red Paint (Gallon) (Part # 361-11)
Genuine OEM Part
Red Paint (Part # 5340)
Genuine OEM Part
Wheel Weight Kit (Part # 59159)
Genuine OEM Part
9.0 cu. ft. Twin Bagger (Part # 79103)
6.0 cu. ft. Easy-Empty Grass Catcher (Part # 79117)
42" Snow Blade (Part # 79150)
18x9.5-8 Chains - Pair (Part # 82311)
Genuine OEM Part
Please contact your local dealer
Anti-Scalp Kit (Part # 93-3898)
Genuine OEM Part
-
Model #
71223 -
Serial #
200000001 - 200999999 -
Product Name
16-38XL Lawn Tractor -
Product Brand
Toro -
Product Type
Riding Products -
Product Series
Lawn Tractor, XL Series -
Chassis Type
Lawn Tractor -
Swath
38 inch -
Discharge
Recycler -
Engine/Motor Manufacturer
Briggs & Stratton -
Engine/Motor Size
16 hp -
Engine/Motor Type
4 Cycle CARB1, EPA1 -
Engine Starter
Electric -
Transmission Type
Gear
-
Chassis: Tire Pressure
20 PSI / 1.4kg sq. cm -
Drive System: Ground Speed
Fwd. 1.2 - 5.4 Rev. 1.6 mph -
Engine: Battery
12V 160CCA -
Engine: Engine Speed
High 3300, Low 1750 RPM -
Engine: Spark Plug
Champion RC12YC -
Engine: Spark Plug Gap
.030"/ .76mm

























