Mid-Size ProLine Gear, 15 hp w/ 52" SD Mower
Product Information
- Model #: 30258
- Serial #: 210000001 - 210005000
- Product Type: Walk Behind Mowers
Loading...
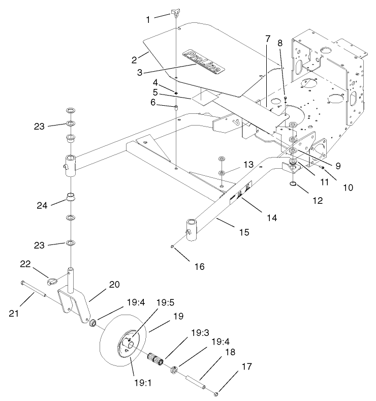
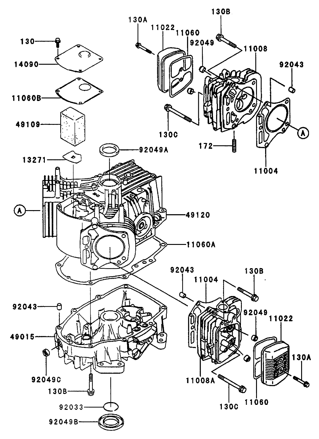
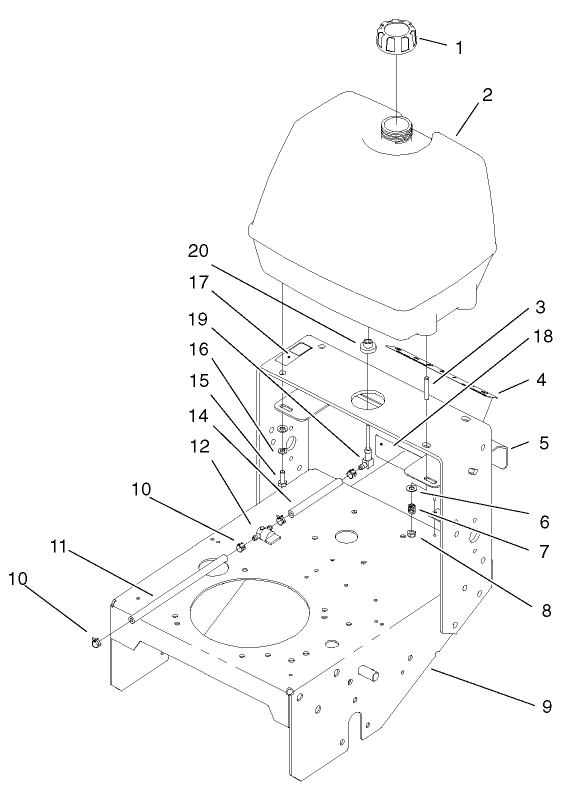
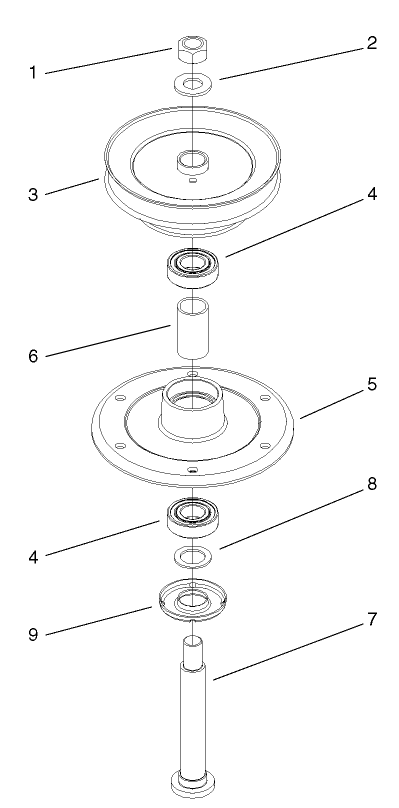
Assembly Drawings
Search for a part within assembly drawings:
-
Service Manual
-
Operator's Manual
-
Parts Catalog
-
Installation Instructions
18 Inch Atomic Blade (Part # 104-1301)
Toro OEM Atomic blade. The Toro Atomic blade is commonly referenced as a “Gator Style” or “Gator Blade”. Provides the best quality of cut while mulching. This Toro blade has multiple applications. Be sure to verify model and serial number to ensure the correct part.
Please contact your local dealer
Brake Assembly (Service) (Part # 105-4654)
Genuine OEM Part
Please contact your local dealer
3 Bushell Soft Collection Bag for GrandStand Mowers (Part # 30104)
3 Bushell Soft Collection Bag for GrandStand Mowers. To best protect your investment and maintain optimal performance of your equipment, count on Toro genuine parts and accessories.
Please contact your local dealer
44/52 inch Striping Kit (Part # 30121)
Genuine OEM Part
Deluxe Sulky (Part # 30123)
18.00 Inch High Sail/Flow Blade (Part # 44-5480)
Toro 18.00 Inch OEM High Sail/Flow blade. This Sharp replacement blade provides a crisp, clean cut time after time. You can count on the reliability of this Toro replacement High Sail/Flow rotary mower blade. This Toro blade has multiple applications. Be sure to verify model and serial number to ensure the correct part.
18 Inch Mower Blade (Part # 56-2390-03)
Toro 18 Inch OEM Hi Flow blade. Hi-Flow are also known as basic blades, regular blades, or 2-in-1 blades, Hi-Flow mower blades are the go-to blades for mowers with a bagger. The blades are designed to cut the grass and Flow the clippings, propelling them up and out of the discharge chute. This Toro blade has multiple applications. Be sure to verify model and serial number to ensure the correct part.
18 Inch Recycler Blade (Part # 92-7961-03)
Toro18 Inch OEM Recycler blade. Recycler straight edge, standard discharge blade. The blade is designed for a High quality cut and long-lasting durability. These blades are designed with “wings,” called “accelerators” that kind of act like a fan — forcing the tiny bits of grass back into the earth. This Toro blade has multiple applications. Be sure to verify model and serial number to ensure the correct part.
-
Model #
30258 -
Serial #
210000001 - 210005000 -
Product Name
Mid-Size ProLine Gear, 15 hp w/ 52" SD Mower -
Product Brand
Toro -
Product Type
Walk Behind Mowers -
Product Series
Mid-Size ProLine Mower -
Swath
52 inch -
Discharge
Side -
Engine/Motor Manufacturer
Kawasaki -
Engine/Motor Size
15 hp -
Engine/Motor Type
4 Cycle CARB1, EPA1 -
Engine Starter
Recoil -
Transmission Type
Gear
-
Engine: Engine Speed
3600±100 RPM -
Engine: Spark Plug
Champion RCJ8 -
Drive System: Gearbox Lubricant
Peerless Bentonite Grease -
Drive System: Ground Speed
2.0 / 2.5 / 3.7 / 4.1 / 6.2 mph -
Engine: Ignition Coil Air Gap
015-.020"/ .38-.5mm -
Engine: Spark Plug
Champion RC -J 8 -
Engine: Spark Plug Gap
.025"/ .65mm -
Chassis: Height of Cut Range
1" - 4.5" (25-114mm) -
Chassis: Tire Pressure
12-14 psi rear / 25 psi front -
Engine: Ignition Coil Air Gap
.008-.016" / .2-.4mm -
Drive System: Ground Speed
Fwd. 2.0 / 2.5 / 3.7 / 4.1 / 6.2 Rev. 3.2 mph -
Engine: Engine Oil Type
57 oz. (1.7 Liter) SAE 10W-30 or 10W-40

























