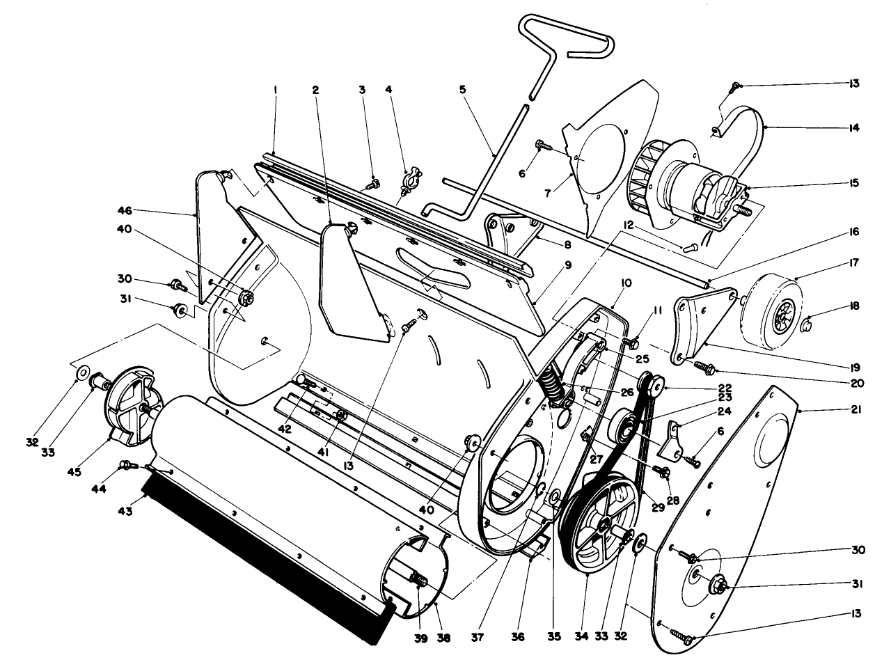
S-120 Snowthrower
Product Information
- Model #: 38000
- Serial #: 9000001 - 9999999
- Product Type: Snowthrowers
Loading...
Assembly Drawings
Search for a part within assembly drawings:
-
Operator's Manual
-
Parts Catalog
-
Model #
38000 -
Serial #
9000001 - 9999999 -
Product Name
S-120 Snowthrower -
Product Brand
Toro -
Product Type
Snowthrowers -
Product Series
Snowthrower, Electric -
Chassis Type
Single Stage -
Swath
12 inch -
Discharge
Single Stage -
Engine/Motor Size
9.5 amp -
Engine/Motor Type
120 VAC -
Engine Starter
NA -
Transmission Type
NA

