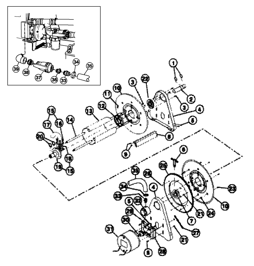
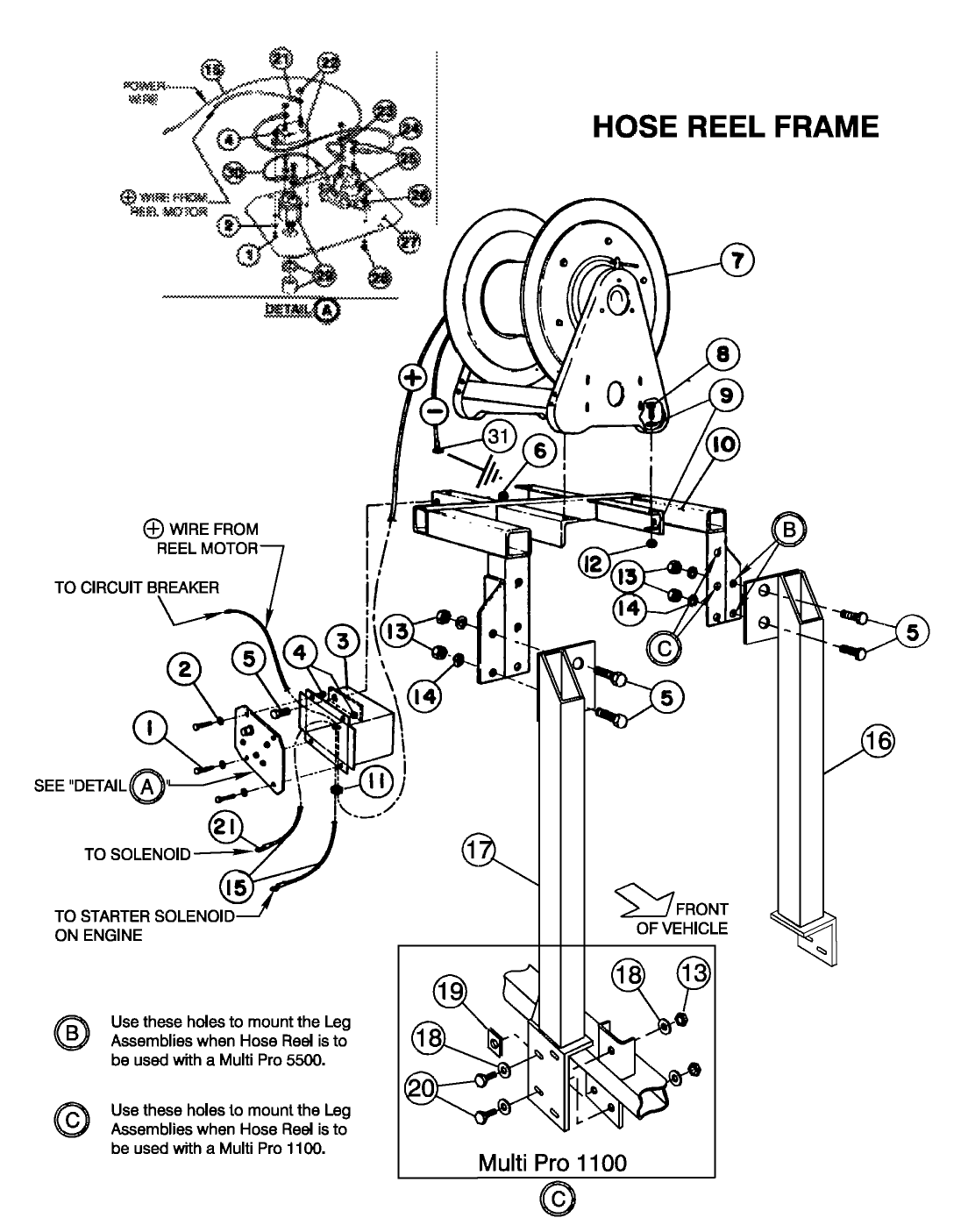
Hose Reel Kit, Multi-Pro 1100
Product Information
- Model #: 41026
- Serial #: 60001 - 69999
- Product Type: Attachments
Loading...
-
Operator's Manual
-
Installation Instructions
-
Service Bulletin
-
Model #
41026 -
Serial #
60001 - 69999 -
Product Name
Hose Reel Kit, Multi-Pro 1100 -
Product Brand
Toro -
Product Type
Attachments -
Product Series
Sprayers and Accessories

