CR-20 Snowthrower
Product Information
- Model #: 38115C
- Serial #: 7000001 - 7999999
- Product Type: Snowthrowers
Loading...
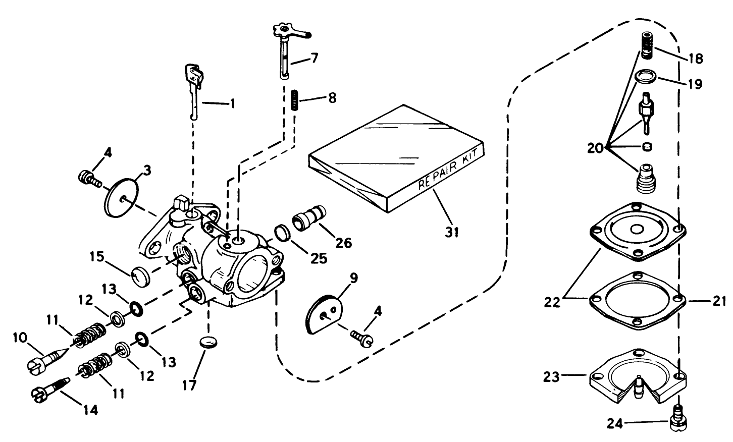
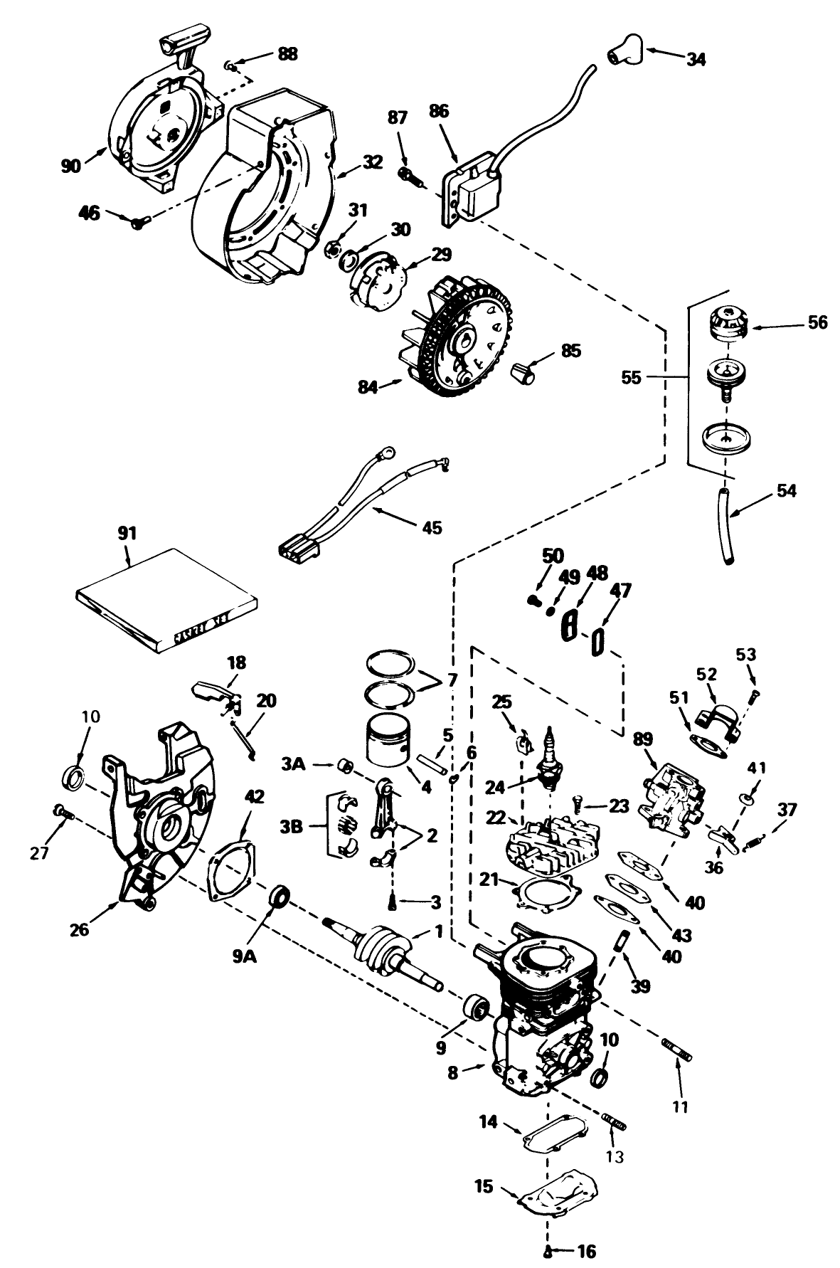
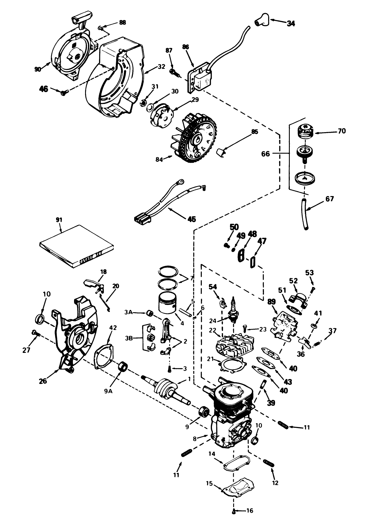
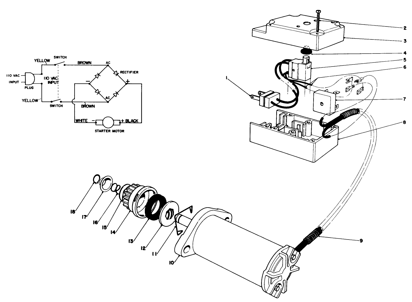
Assembly Drawings
Search for a part within assembly drawings:
-
Service Manual
-
Operator's Manual
-
Parts Catalog
-
Model #
38115C -
Serial #
7000001 - 7999999 -
Product Name
CR-20 Snowthrower -
Product Brand
Toro -
Product Type
Snowthrowers -
Product Series
Snowthrower, Single Stage, CR/S140/S200/S620 -
Chassis Type
Single Stage -
Swath
20 inch -
Discharge
Single Stage -
Engine/Motor Manufacturer
Tecumseh -
Engine/Motor Size
2.5 hp -
Engine/Motor Type
2 Cycle -
Engine Starter
Electric -
Transmission Type
NA
-
Engine: Engine Oil Type
Toro 2 cycle / NMMA-TCW3 -
Engine: Engine Speed
4500±200 RPM -
Engine: Ignition Coil Air Gap
.013" / .33mm -
Engine: Mix Ratio
50:1 (2.6 oz./gal.) Orig. 32:1 -
Engine: Spark Plug
Champion RCJ8Y -
Engine: Spark Plug Gap
.030"/ .76mm









