TimeCutter Z380 Riding Mower
Product Information
- Model #: 74419
- Serial #: 270000001 - 270999999
- Product Type: Riding Products
Loading...
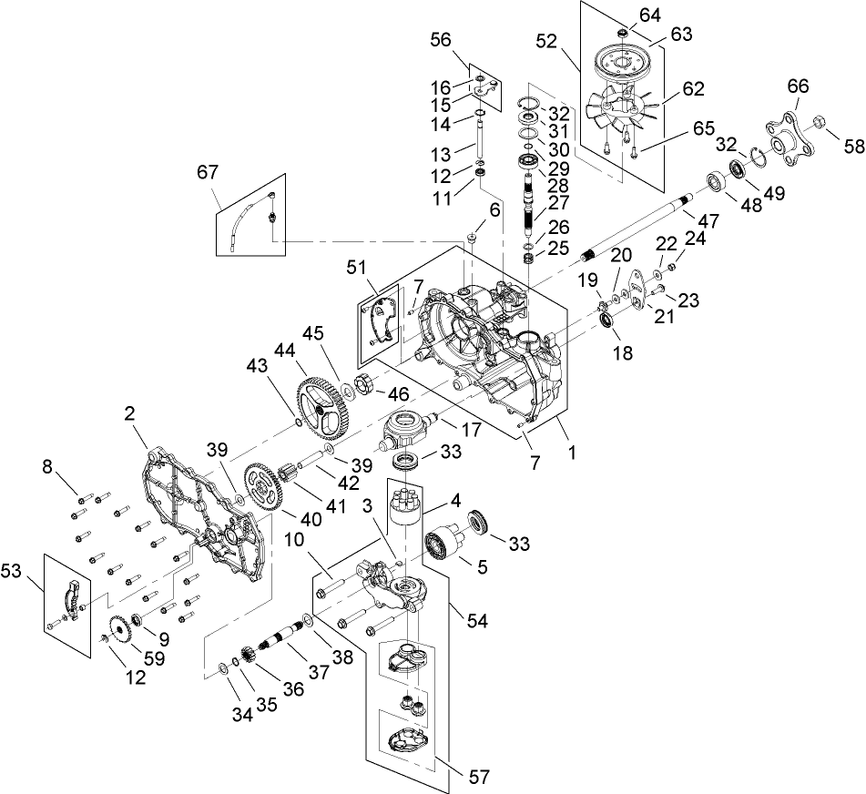
Assembly Drawings
Search for a part within assembly drawings:
-
Service Manual
-
Operator's Manual
-
Parts Catalog
-
Setup Instructions
Smooth Caster Wheel Kit (Part # 105-1856)
Genuine OEM Part
Please contact your local dealer
Armrest Kit (Part # 108-6163)
Genuine OEM Part
Hour Meter Kit (Part # 108-7158)
Genuine OEM Part
38 Inch Twin Bagger (Part # 79215)
48" Snow Blade (Part # 79216)
-
Model #
74419 -
Serial #
270000001 - 270999999 -
Product Name
TimeCutter Z380 Riding Mower -
Product Brand
Toro -
Product Type
Riding Products -
Product Series
Zero Radius Turn, Consumer -
Chassis Type
ZRT - Consumer -
Swath
97cm -
Discharge
Recycler -
Engine/Motor Manufacturer
Briggs & Stratton -
Engine/Motor Size
502cc -
Engine/Motor Type
4 Cycle CARB2, EPA2 -
Engine Starter
Electric -
Transmission Type
Hydrostatic
-
Chassis: Tire Pressure
Front 35 PSI / 2.5kg sq. cm, Rear 13 PSI / .9kg sq. cm -
Drive System: Ground Speed
Fwd. 0 - 4.6 Rev. 0 - 2.2 mph -
Engine: Spark Plug
Champion RC12YC -
Engine: Spark Plug Gap
.030"/ .76mm -
Engine: Battery
12V -
Engine: Engine Oil Type
48 oz. (1.42 Liter) SAE 30 or 10W-30 or 10W-40 -
Chassis: Height of Cut Range
1.5-4.5"; 1/2" increments -
Engine: Engine Speed
3300±100 RPM



























