1132 Power Shift Snowthrower
Product Information
- Model #: 38580
- Serial #: 5900001 - 5999999
- Product Type: Snowthrowers
Loading...
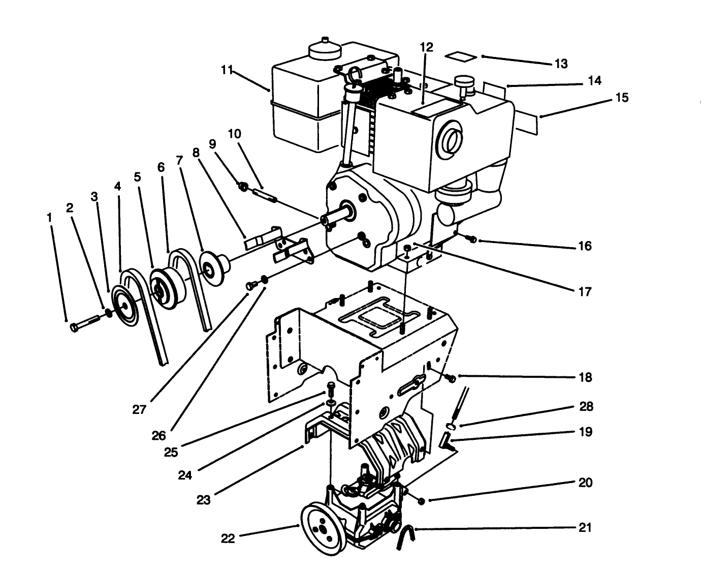
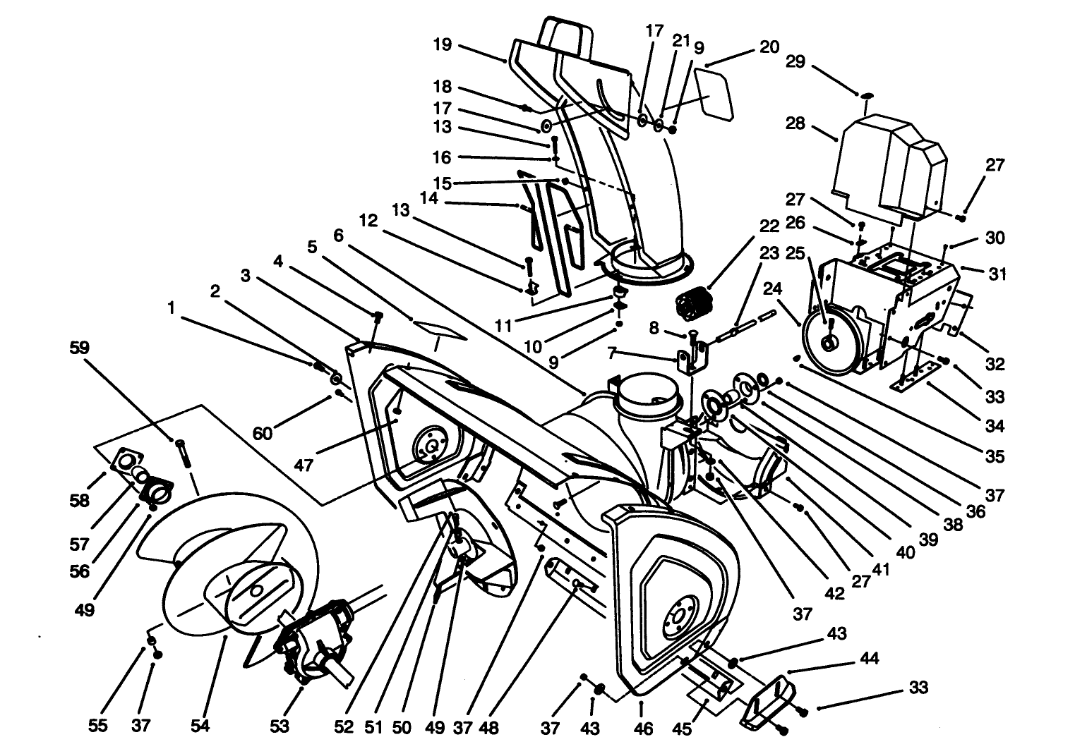
Assembly Drawings
Search for a part within assembly drawings:
-
Service Manual
-
Parts Catalog
-
Addendum
Please contact your local dealer
32 inch Drift Breaker (Part # 66-7980)
Genuine OEM Part
Please contact your local dealer
-
Model #
38580 -
Serial #
5900001 - 5999999 -
Product Name
1132 Power Shift Snowthrower -
Product Brand
Toro -
Product Type
Snowthrowers -
Product Series
Snowthrower, Two Stage Power Shift -
Chassis Type
Two Stage -
Swath
32 inch -
Discharge
Two Stage -
Engine/Motor Manufacturer
Briggs & Stratton -
Engine/Motor Size
11 hp -
Engine/Motor Type
4 Cycle -
Engine Starter
Recoil -
Transmission Type
Gear
-
Engine: Engine Oil Type
48 oz. (1.4l) 5w-30 or 10w / API SF or Higher -
Chassis: Tire Pressure
7-15 PSI / .5-1kg sq. cm -
Drive System: Gearbox Lubricant
4.5 oz. (133ml) SAE 90 GL5 or higher -
Engine: Engine Speed
High 3300, Low 2000±150 RPM -
Engine: Ignition Coil Air Gap
.013" / .33mm -
Engine: Spark Plug
Champion RCJ8 -
Engine: Spark Plug Gap
.030"/ .76mm -
Drive System: Ground Speed
Fwd. .55 / 1.3 / 2.0 / 2.9 Rev. 1.3 / 2.0 mph -
Drive System: Gearbox Lubricant
Auger 4.5 oz. (133ml) SAE 90 Gl-5 or 6 / Trans. 14.5 oz. (411.8 gm) Lubriplate Mag 1
















