Groundsmaster 5910 Rotary Mower
Product Information
- Model #: 31599
- Serial #: 290000213 - 290000300
- Product Type: Riding Products
Loading...
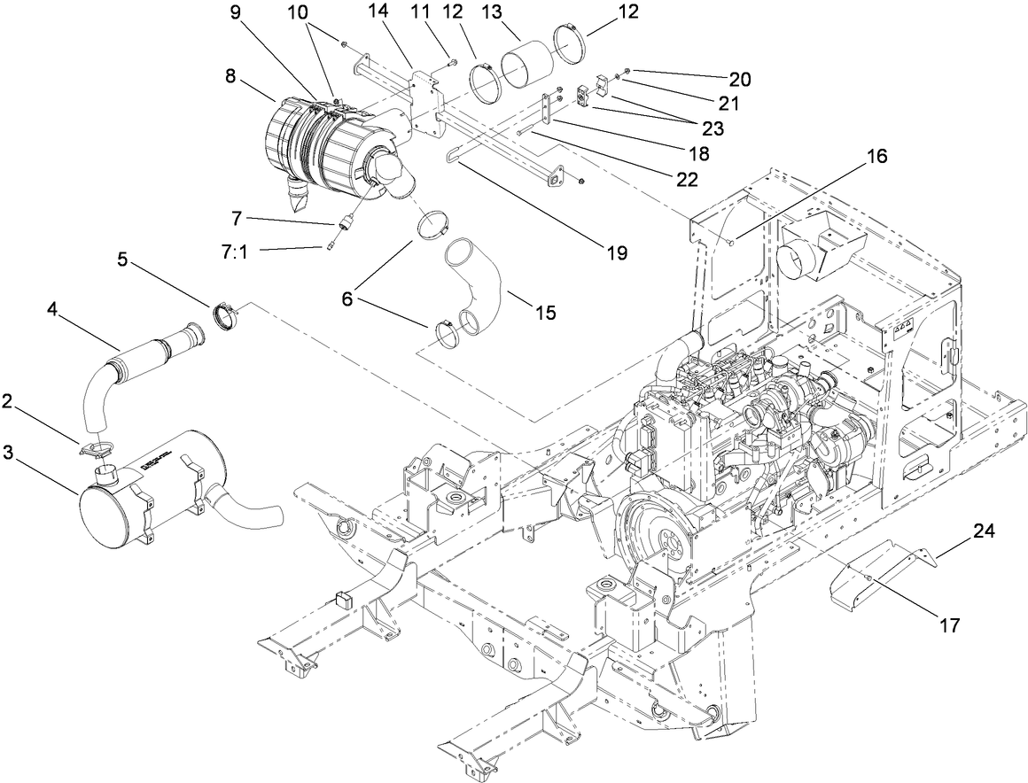
Assembly Drawings
Search for a part within assembly drawings:
-
Service Manual
-
Operator's Manual
-
Parts Catalog
-
EU Declaration of Conformity
-
Service Bulletin
CE Kit, Groundsmaster 5900/5910 (Part # 110-5907)
11 Blade Service Pack- 20.00 Inch Atomic® Mulching Blade (Part # 114-0897)
Contains 110-5948-03 @ 11
Work Light Kit (Cab) (Part # 114-5610)
Provide extra light for everyday operations.
11 Blade Service Pack- 20.00 Inch Combination Blade (Part # 115-8896)
Contains 110-5946-03 @ 11
Blade and Belt Kit (Part # 115-8898)
Contains 112-7376 @ 1, 112-7377 @ 6 110-5946-03 @ 11
Tall Grass Kit, Groundsmaster 5900/5910 Cutting Units (Part # 117-2795)
Right-Hand Replacement Transport Pad Kit, Groundsmaster 5900/5910 Trac (Part # 117-5477)
Left-Hand Replacement Transport Pad Kit, Groundsmaster 5900/5910 Tract (Part # 117-5478)
MVP KIT-GM5900/5911 (Part # 30041)
Contains 130-8860 @ 2, 75-1310 @ 1, 86-6110 @ 1, 115-5471 @ 1, 117-2792 @ 1
Air Ride Seat Suspension Kit, Groundsmaster 4000-D and 4100-D (Part # 30621)
Premium Seat Kit, Groundsmaster 4000-D and 4100-D (Part # 30622)
Leaf Mulching Kit, Groundsmaster 5900/5910 Mower (Part # 31581)
Center Replacement Deck (Part # 31591)
Right Replacement Deck (Part # 31592)
Left Replacement Deck (Part # 31593)
10 Inch Foam Filled Pneumatic Caster Wheel Assembly (Part # 93-5973)
10 Inch Foam Filled Pneumatic Caster Wheel Assembly. Pneumatic OEM replacement caster wheel features a smooth maneuvering pneumatic tire and metal wheel assembly with high-quality components. Pneumatic tires offer more shock absorption then solid ties which gives them a smoother ride. These tires are non-marking, foam filled and engineered for long service life.
-
Model #
31599 -
Serial #
290000213 - 290000300 -
Product Name
Groundsmaster 5910 Rotary Mower -
Product Brand
Toro -
Product Type
Riding Products -
Product Series
Attachments & Kits, Groundsmaster





















































































































