Pro Force Debris Blower
Product Information
- Model #: 44538
- Serial #: 310000001 - 310999999
- Product Type: Commercial Debris Blower
Loading...
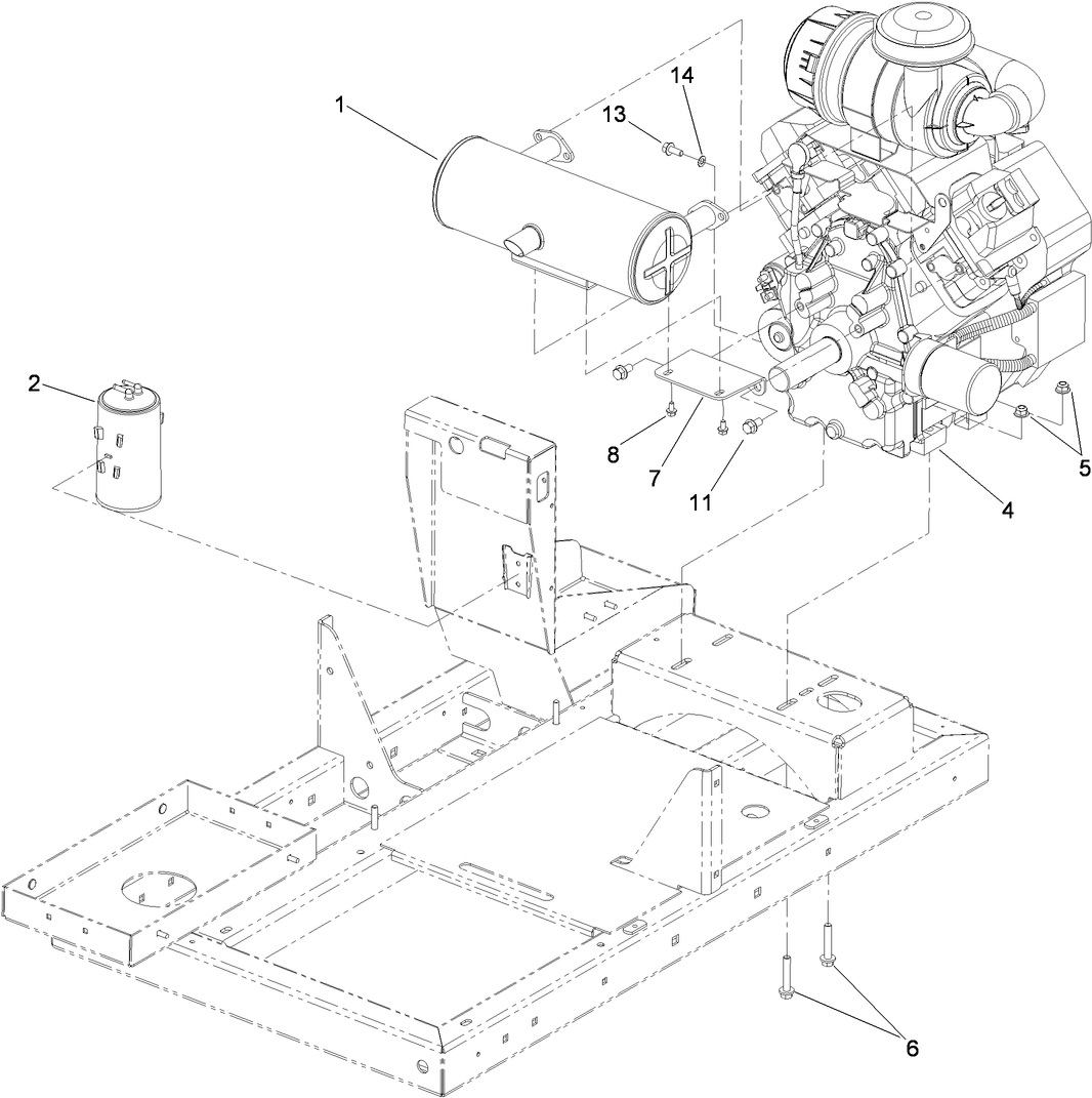
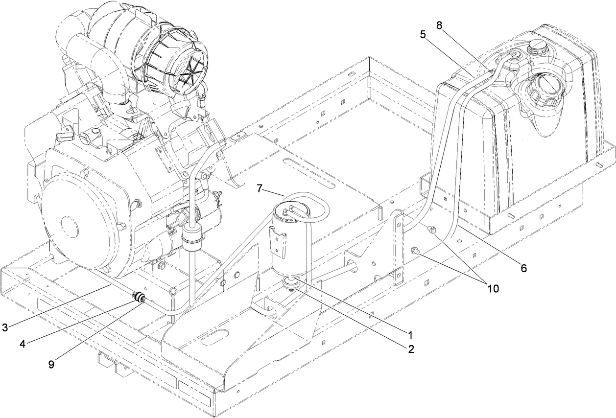
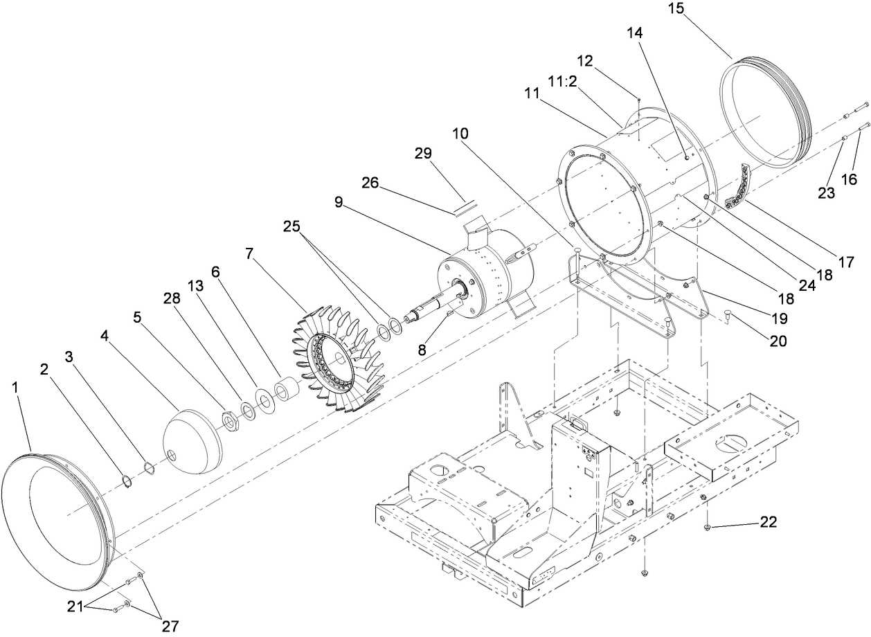
Assembly Drawings
Search for a part within assembly drawings:
-
Service Manual
-
Operator's Manual
-
Parts Catalog
-
EU Declaration of Conformity
-
Service Bulletin
-
Model #
44538 -
Serial #
310000001 - 310999999 -
Product Name
Pro Force Debris Blower -
Product Brand
Toro -
Product Type
Commercial Debris Blower -
Product Series
Turf Maintenance Equipment









