Commercial Walk-Behind Mower, Fixed Deck, T-Bar, Gear Drive with 36in TURBO FORCE Cutting Unit
Product Information
- Model #: 30674
- Serial #: 311000001 - 311999999
- Product Type: Walk Behind Mowers
Loading...
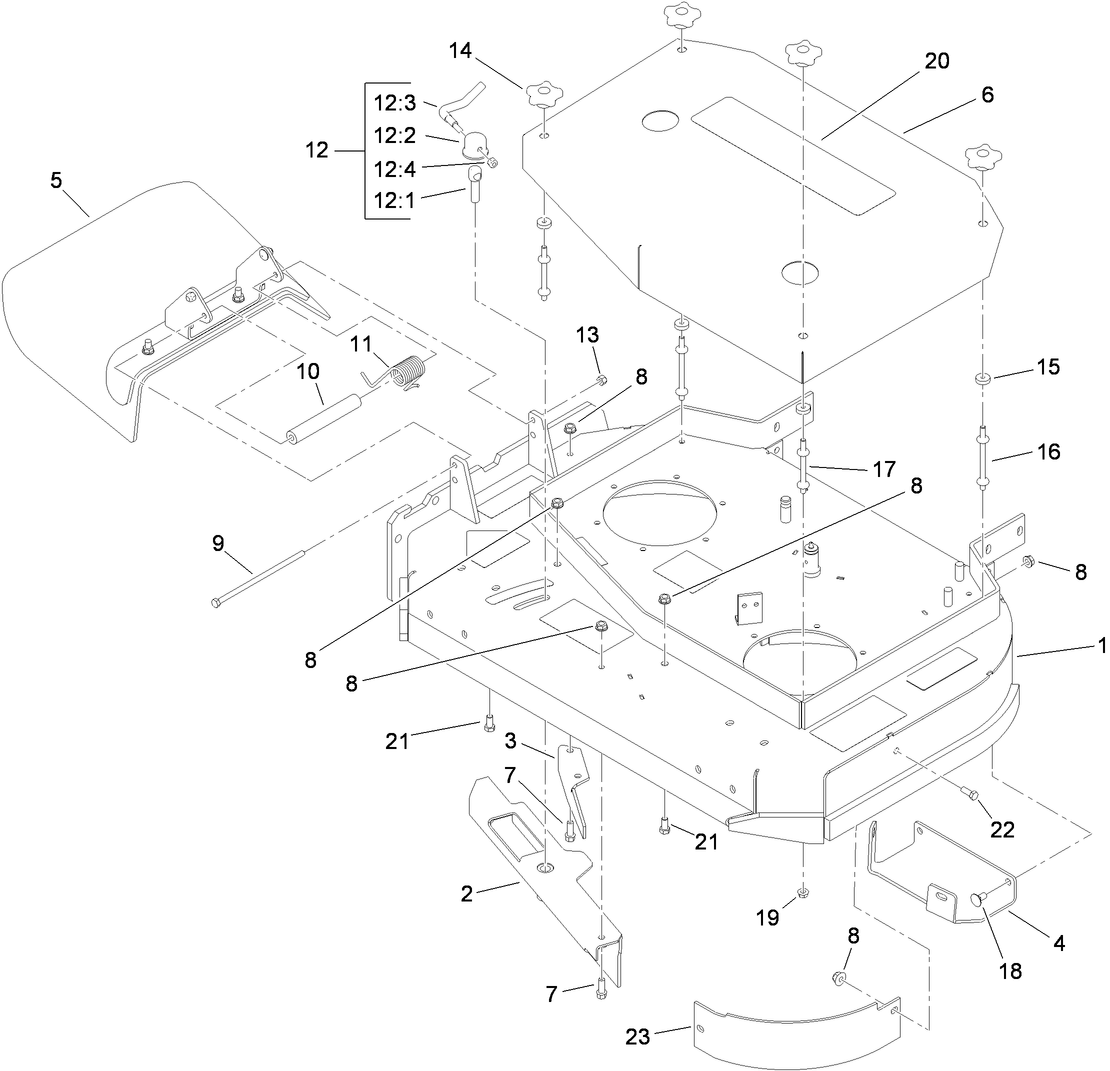
Assembly Drawings
Search for a part within assembly drawings:
-
Service Manual
-
Operator's Manual
-
Parts Catalog
-
Engine Evaporative Emission Warranty
-
Setup Instructions
18 Inch Recycler Blade (Part # 105-7779-03)
Toro OEM Recycler blade. Recycler straight edge, standard discharge blade. The blade is designed for a High quality cut and long-lasting durability. These blades are designed with “wings,” called “accelerators” that kind of act like a fan — forcing the tiny bits of grass back into the earth. This Toro blade has multiple applications. Be sure to verify model and serial number to ensure the correct part.
18 Inch Medium Flow Blade (Part # 105-7794-03)
Toro OEM Medium Flow blade. Medium Flow mower straight edge, standard discharge blade. These blades have slight upward angle on the edges. Great blades for use when horsepower is a concern. Produce medium Flow but requires less horsepower than Hi-Flow blades. This Toro blade has multiple applications. Be sure to verify model and serial number to ensure the correct part.
18 Inch Low Flow Blade (Part # 105-7795-03)
Toro OEM Low Flow blade. Low Flow mower blades have slightly curved ends that keep air Flow to a minimum. The lack of suction allows cut grass to exit the mower while keeping dust and debris levels down. Toro Low Flow mower blades cause less engine strain than Hi-Flow blades. This Toro blade has multiple applications. Be sure to verify model and serial number to ensure the correct part.
18 Inch Atomic Blade (Part # 105-7796-03)
Toro OEM Atomic blade. The Toro Atomic blade is commonly referenced as a “Gator Style” or “Gator Blade”. Provides the best quality of cut while mulching. This Toro blade has multiple applications. Be sure to verify model and serial number to ensure the correct part.
18 Inch High Flow Blade (6 Pack) (Part # 108-1117)
This sharp replacement Hi-Flow lawn mower blade provides a crisp, clean cut time after time. You can count on the quality and reliability of this Toro replacement Hi-Flow lawn mower blade. This Toro blade has multiple applications. Be sure to verify model and serial number to ensure the correct part.
Atomic Blade Pack (6) (Part # 108-1118)
Toro OEM Atomic blade pack. (6) 18 Inch Atomic blades. Atomic blade is commonly referenced as a “Gator Style” or “Gator Blade”. Provides the best quality of cut while mulching. This Toro blade has multiple applications. Be sure to verify model and serial number to ensure the correct part.
Low Flow 18 Inch Blade Pack (6) (Part # 110-0406)
Toro 18 Inch OEM Low Flow blade pack. (6) Low Flow blades. Low Flow mower blades have slightly curved ends that keep air Flow to a minimum. The lack of suction allows cut grass to exit the mower while keeping dust and debris levels down. Toro Low Flow mower blades cause less engine strain than Hi-Flow blades. This Toro blade has multiple applications. Be sure to verify model and serial number to ensure the correct part.
Recycler 18 Inch Blade Pack (6) (Part # 110-0408)
Toro 18 Inch OEM Recycler blade pack. (6) Recycler blades. Recycler straight edge, standard discharge blade. The blade is designed for a High quality cut and long-lasting durability. These blades are designed with “wings,” called “accelerators” that kind of act like a fan — forcing the tiny bits of grass back into the earth. This Toro blade has multiple applications. Be sure to verify model and serial number to ensure the correct part.
Mid Flow 18 Inch Blade Pack (6) (Part # 110-0409)
Toro 18 Inch OEM Medium Flow blade pack. (6) Medium Flow blades. Medium Flow mower straight edge, standard discharge blade. These blades have slight upward angle on the edges. Great blades for use when horsepower is a concern. Produce medium Flow but requires less horsepower than Hi-Flow blades. This Toro blade has multiple applications. Be sure to verify model and serial number to ensure the correct part.
36 inch Bagger Enhancement Kit (Part # 110-2026)
Genuine OEM Part
36 Inch GrandStand Recycler Kit (Part # 110-2080)
By adding the Toro Recycler system to your Toro GrandStand riding mower, you create your own natural fertilizer. The 36 in. Recycler Kit, when installed on compatible 36 in. deck Toro zero turn riding mowers, gives it the capability to mulch grass by cutting it multiple times turning it into fine clipping pieces. These are returned under the mower back into the soil to serve as natural fertilizer.
Please contact your local dealer
Fixed Weight Kit (Part # 110-2085)
Genuine OEM Parts
Midsize Chute Gate Kit (Part # 115-4190)
Genuine OEM Part
3 Bushell Soft Collection Bag for GrandStand Mowers (Part # 30104)
3 Bushell Soft Collection Bag for GrandStand Mowers. To best protect your investment and maintain optimal performance of your equipment, count on Toro genuine parts and accessories.
Tru-Trak Sulky - Mid Size Fixed Deck Models (Part # 30109)
Genuine OEM Part
-
Model #
30674 -
Serial #
311000001 - 311999999 -
Product Name
Commercial Walk-Behind Mower, Fixed Deck, T-Bar, Gear Drive with 36in TURBO FORCE Cutting Unit -
Product Brand
Toro -
Product Type
Walk Behind Mowers -
Product Series
Mid-Size ProLine Mower -
Chassis Type
Mid-size - Fixed Deck -
Swath
36 inch -
Discharge
Side -
Engine/Motor Manufacturer
Kawasaki -
Engine/Motor Size
16 hp -
Engine/Motor Type
4 Cycle -
Engine Starter
Recoil -
Transmission Type
Gear -
Traction Type
2wd
-
Engine: Engine Speed
3600±100 RPM -
Engine: Spark Plug
NGK BPR4ES -
Engine: Spark Plug Gap
.030"/ .76mm -
Drive System: Gearbox Lubricant
Peerless Bentonite Grease -
Chassis: Height of Cut Range
1" - 4.25" (25-108mm) -
Engine: Ignition Coil Air Gap
.008-.016" / .2-.4mm -
Chassis: Tire Pressure
12-14 psi rear -
Drive System: Ground Speed
Fwd. 2.0 / 2.6 / 3.4 / 4.1 / 6.1 Rev. 3.1 mph -
Engine: Engine Oil Type
67 oz. (2.1 Liter) SAE 10W-30 or 10W-40











