GT2200 Garden Tractor
Product Information
- Model #: 14AQ94RP848
- Serial #: 1 - 1
- Product Type: Riding Products
Loading...
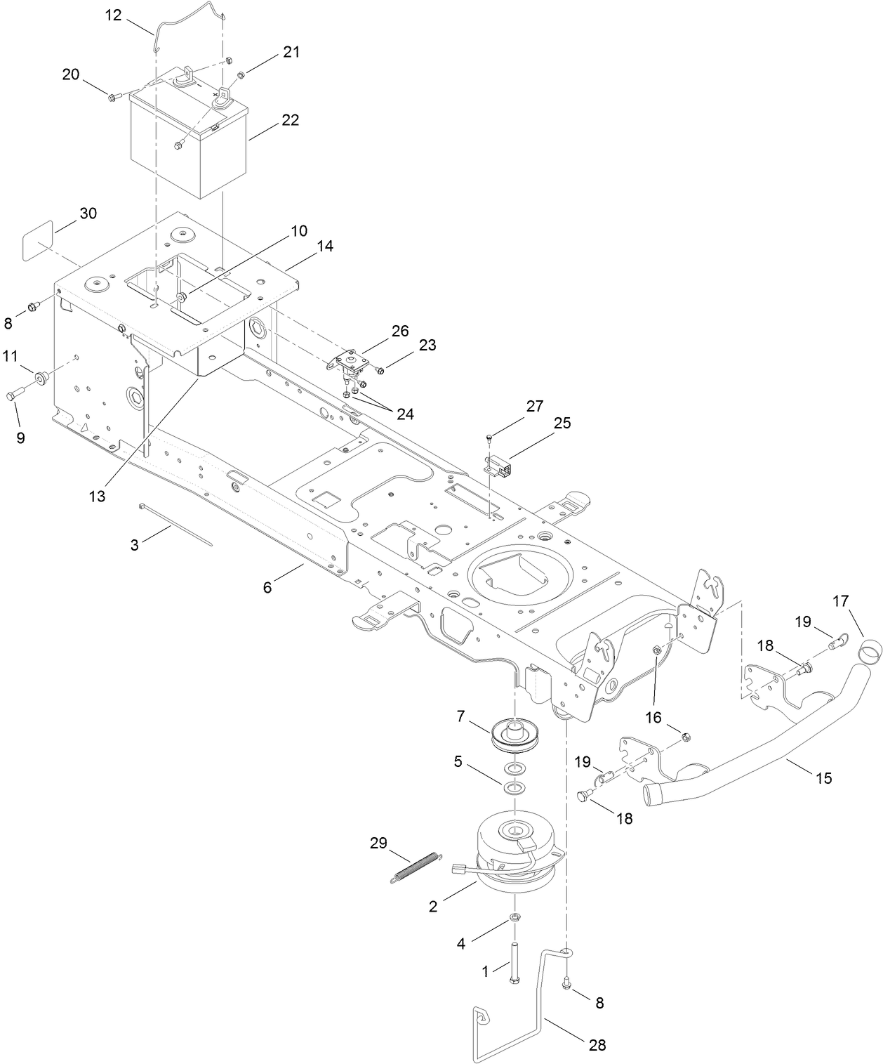
Assembly Drawings
Search for a part within assembly drawings:
-
Operator's Manual
-
Parts Catalog
42in Two-Stage Snowthrower (Part # 190-032-101)
46in Front Blade (Part # 190-833-000)
50in Triple Bagger (Part # 19A40002000)
10 cu. ft. Poly Dump Cart (Part # 79991)
17 cu. ft. Poly Dump Cart (Part # 79992)
125 lb. Tow Spreader (Part # 79993)
42 inch Sweeper (Part # 79994)
48in. Dethatcher (Part # 79995)
40in. Spike Aerator (Part # 79996)
Stake Side Kit (Part # 79997)
-
Model #
14AQ94RP848 -
Serial #
1 - 1 -
Product Name
GT2200 Garden Tractor -
Product Brand
Toro -
Product Type
Riding Products -
Product Series
Garden Tractor, GT Series -
Swath
50 inch -
Discharge
Side Discharge -
Engine/Motor Manufacturer
KOHLER -
Engine/Motor Size
25 hp -
Engine Starter
Electric -
Transmission Type
Hydrostatic








