Greensmaster 3150 2-Wheel Drive Traction Unit
Product Information
- Model #: 04357
- Serial #: 311001001 - 311001473
- Product Type: Riding Products
Loading...
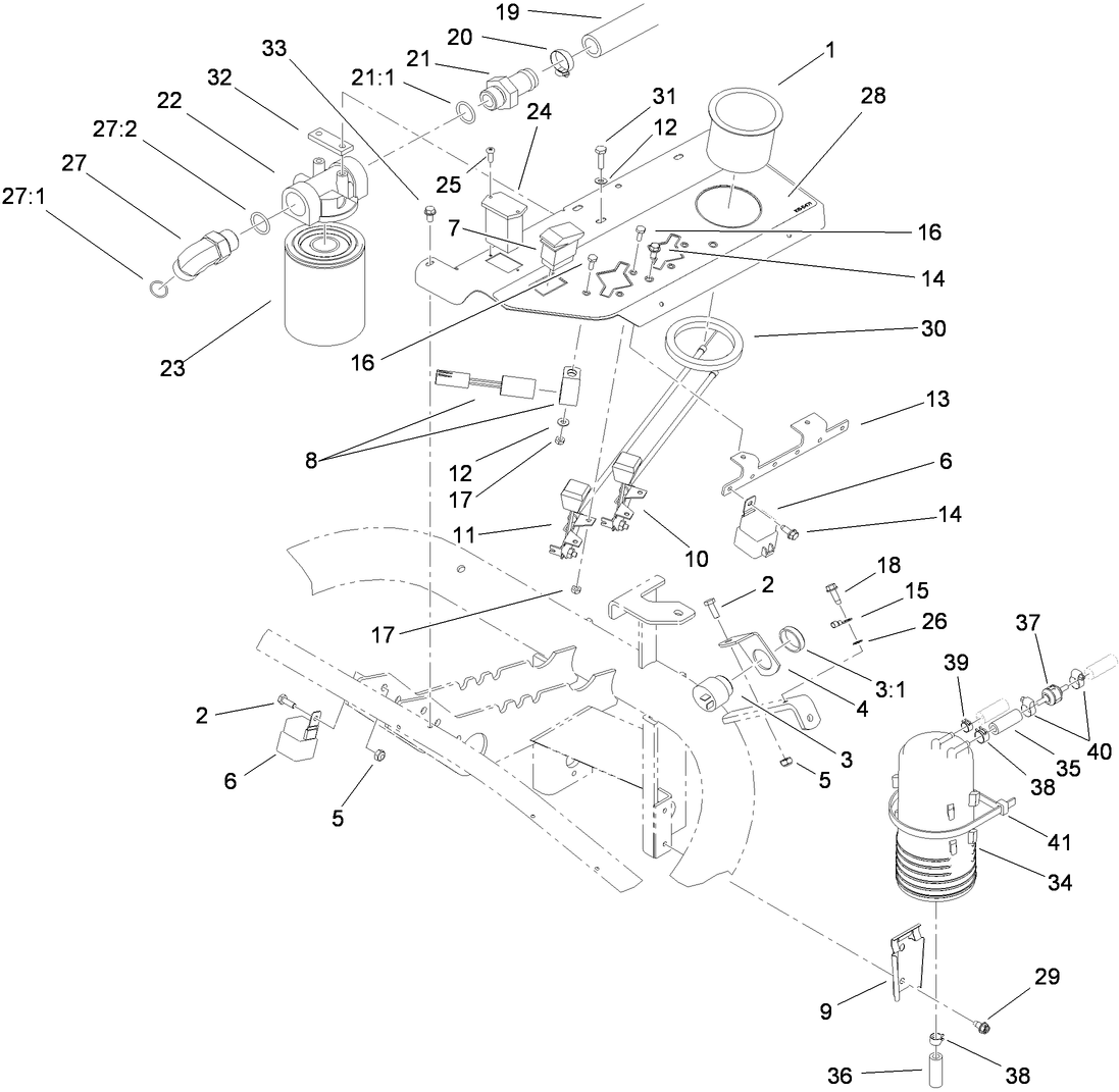
Assembly Drawings
Search for a part within assembly drawings:
-
Service Manual
-
Operator's Manual
-
Parts Catalog
-
EU Declaration of Conformity
-
Engine Evaporative Emission Warranty
-
Service Bulletin
Turf Evaluator (Part # 04399)
Mirror device used to assess turf conditions
Three-Wheel Drive Kit, Greensmaster 3150 (Part # 04474)
GR3XXX SPIKER KIT (Part # 04494)
GR3XXX TRI-ROLLER KIT (Part # 04495)
Dethatching Reel, Greensmaster 3000 Series (Part # 04496)
8-Blade DPA Reel Mower, Greensmaster 3000 Series (Part # 04610)
11-Blade DPA Reel Mower, Greensmaster 3000 Series (Part # 04611)
14 BLADE CUTTING UNIT DPA (Part # 04616)
Spark Arrestor (Part # 104-6540)
Roll-Over Protection System Kit, Greensmaster 3150 (Part # 105-8258)
Light Kit, Greensmaster 3150 (Part # 105-8336)
Oil Cooler Kit, Greensmaster 3150 (Part # 105-8339)
Toro 55 Gallon Premium All-Season Hydraulic Fluid (Part # 108-1177)
Toro 55 Gallon Premium All-Season Hydraulic Fluid. Designed for use in Toro equipment created by Toro engineers. If you are unsure of your equipment needs, do a model extreme serial number search to verify that this is the correct oil type for your equipment.
Toro 5 Gallon Premium All Season Hydraulic Fluid (Part # 108-1178)
Toro 5 Gallon Premium All Season Hydraulic Fluid. Designed for use in Toro equipment created by Toro engineers. If you are unsure of your equipment needs, do a model extreme serial number search to verify that this is the correct oil type for your equipment.
Toro 55 Gallon Premium Engine Oil SAE 30 (Part # 108-1196)
Toro 55 Gallon Premium Engine Oil SAE 30. Designed for use in Toro equipment created by Toro engineers. If you are unsure of your equipment needs, do a model extreme serial number search to verify that this is the correct oil type for your equipment.
Toro 5 Gallon Premium Engine Oil SAE 30 (Part # 108-1197)
Toro 5 Gallon Premium Engine Oil SAE 30. Designed for use in Toro equipment created by Toro engineers. If you are unsure of your equipment needs, do a model extreme serial number search to verify that this is the correct oil type for your equipment.
Speed Control Kit, Greensmaster 3150 (Part # 108-6472)
LAMP-LOW DRAW LED (Part # 112-9177)
MVP Hydraulic Hose Kit (Part # 117-2725)
MVP Hydraulic Hose Kit
Toro 5 Gallon Premium Synthetic Biodegradable Hydraulic Fluid (Part # 119-2157)
Toro 5 Gallon Premium Synthetic Biodegradable Hydraulic Fluid. Designed for use in Toro equipment created by Toro engineers. If you are unsure of your equipment needs, do a model extreme serial Number search to verify that this is the correct oil type for your equipment.
Premium Synthetic Hydraulic Fluid (Part # 119-2158)
18 x 8.5 - 8 4-Ply Turf Traction Tire (Part # 119-3516)
Toro 18 x 8.5 - 8 4-Ply OEM Turf Traction Tire. Toro OEM replacement wheel and pneumatic tire. This tire delivers superior traction on turf, grass & pavement. Ideal replacement tire for your riding lawn equipment.
Arm Rest Kit (Part # 30707)
Built for comfort.
-
Model #
04357 -
Serial #
311001001 - 311001473 -
Product Name
Greensmaster 3150 2-Wheel Drive Traction Unit -
Product Brand
Toro -
Product Type
Riding Products -
Product Series
GR 3000 Series



































