30in Stand-On Aerator
Product Information
- Model #: 33518
- Serial #: 312000001 - 312999999
- Product Type: Aerators
Loading...
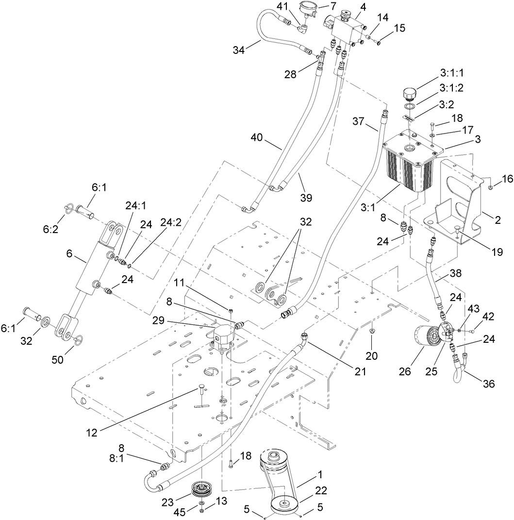
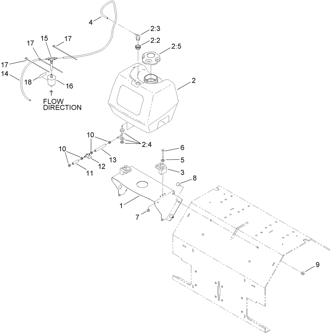
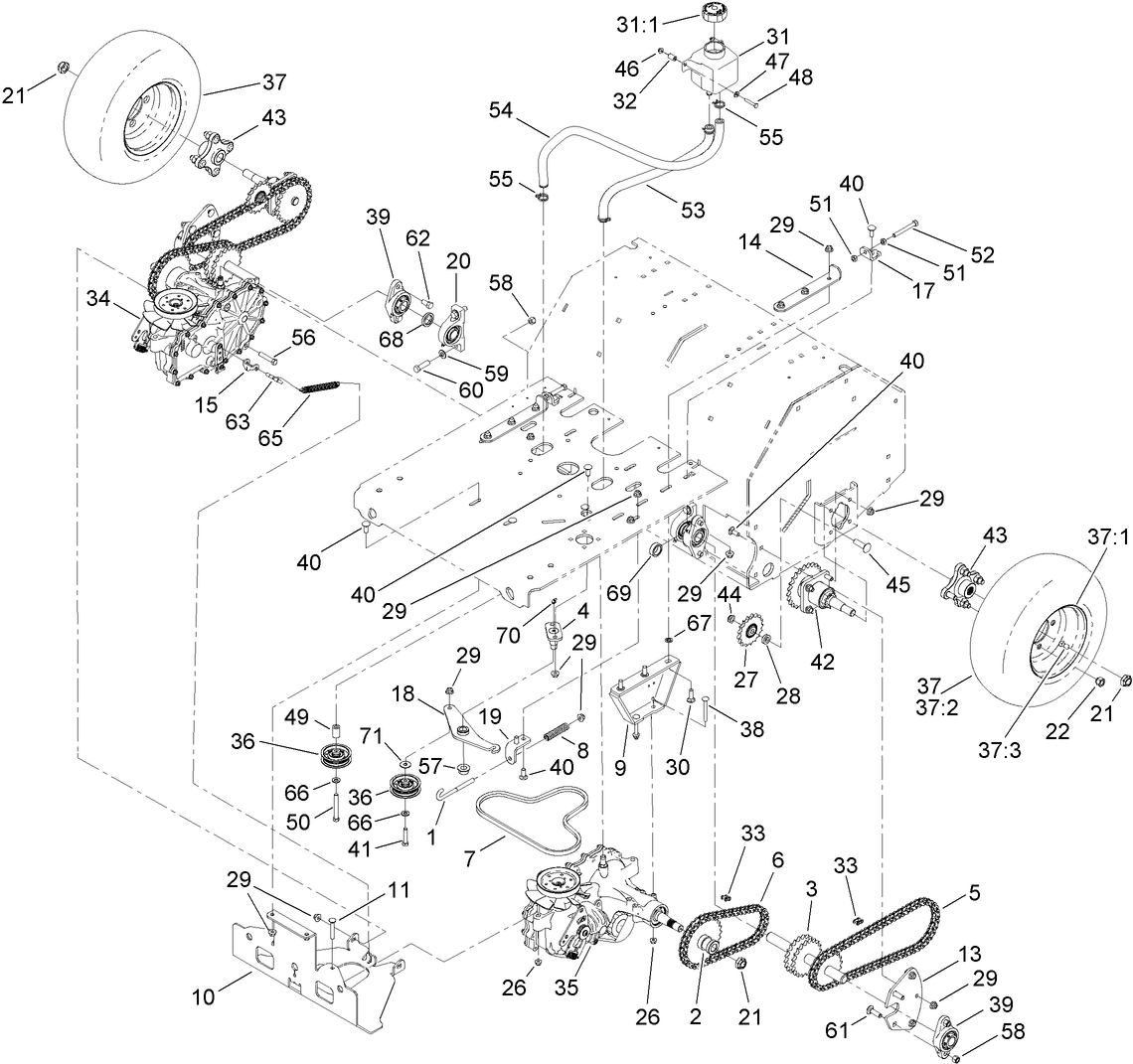
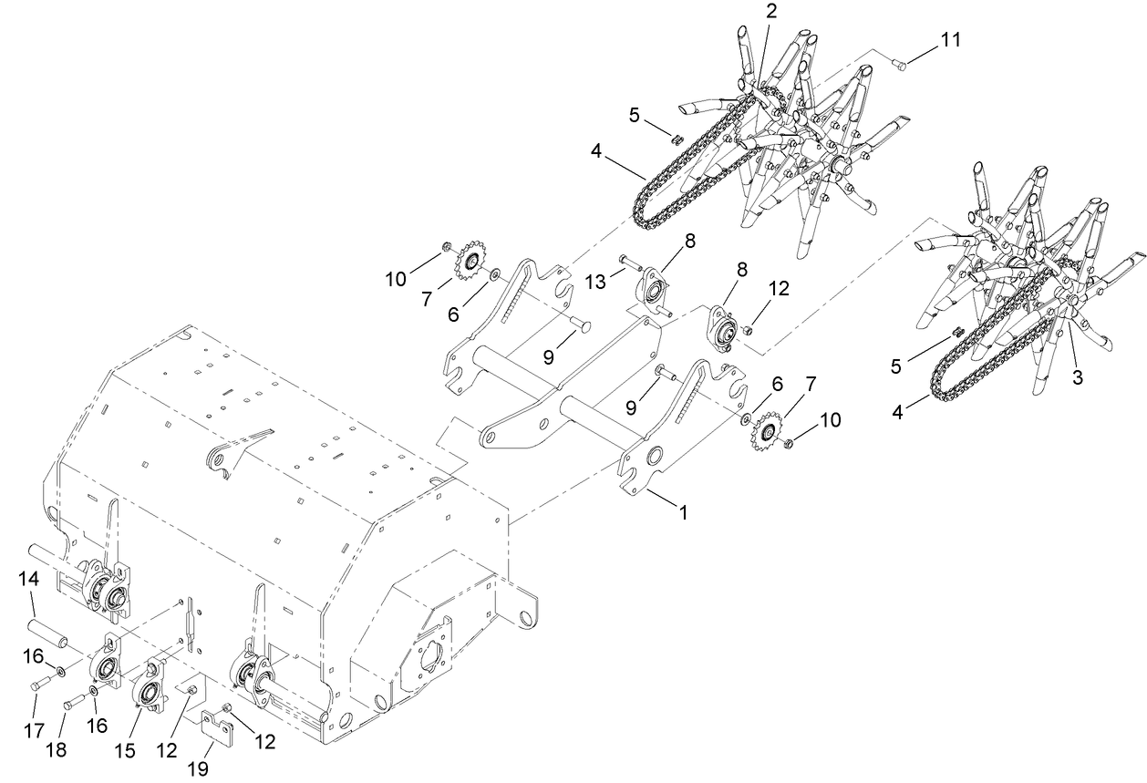
Assembly Drawings
Search for a part within assembly drawings:
-
Service Manual
-
Operator's Manual
-
Parts Catalog
-
Engine Evaporative Emission Warranty
-
Model #
33518 -
Serial #
312000001 - 312999999 -
Product Name
30in Stand-On Aerator -
Product Brand
Toro -
Product Type
Aerators -
Product Series
Turf Maintenance Equipment -
Chassis Type
Stand-On -
Swath
30 inch -
Engine/Motor Manufacturer
Kawasaki -
Engine/Motor Type
4 Cycle -
Engine Starter
Electric -
Transmission Type
Hydrostatic -
Traction Type
Rear WD
-
Engine: Battery
12V 300CCA -
Engine: Spark Plug
NGK BPR4ES -
Engine: Spark Plug Gap
.030"/ .76mm -
Engine: Engine Oil Type
1.8 qt (1.7L) 10w-30 engine oil API SF or higher -
Chassis: Tire Pressure
12-14 psi rear -
Drive System: Gearbox Lubricant
HYPR-OIL 500 / 15w-50 Synthetic Motor Oil -
Engine: Engine Speed
3600 RPM -
Drive System: Ground Speed
Fwd. 7.5 Rev. 2.2 mph















