18 in. (45.7 cm) Mechanical Power Rake
Product Information
- Model #: 33513
- Serial #: 312000001 - 312999999
- Product Type: Dethatchers
Loading...
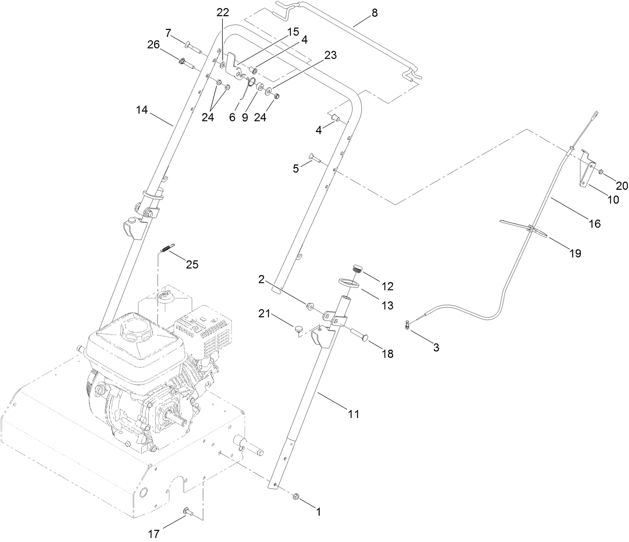
Assembly Drawings
Search for a part within assembly drawings:
-
Operator's Manual
-
Parts Catalog
-
Model #
33513 -
Serial #
312000001 - 312999999 -
Product Name
18 in. (45.7 cm) Mechanical Power Rake -
Product Brand
Toro -
Product Type
Dethatchers -
Product Series
Turf Maintenance Equipment -
Swath
18 inch -
Engine/Motor Manufacturer
Honda -
Engine/Motor Type
4 Cycle -
Engine Starter
Recoil
-
Engine: Spark Plug
NGK BPR6ES -
Engine: Spark Plug Gap
.030"/ .76mm -
Engine: Engine Speed
3600 RPM




