Z Master Commercial 2000 Series Riding Mower, with 48in TURBO FORCE Side Discharge Mower
Product Information
- Model #: 74141
- Serial #: 314000001 - 314999999
- Product Type: Riding Products
Loading...
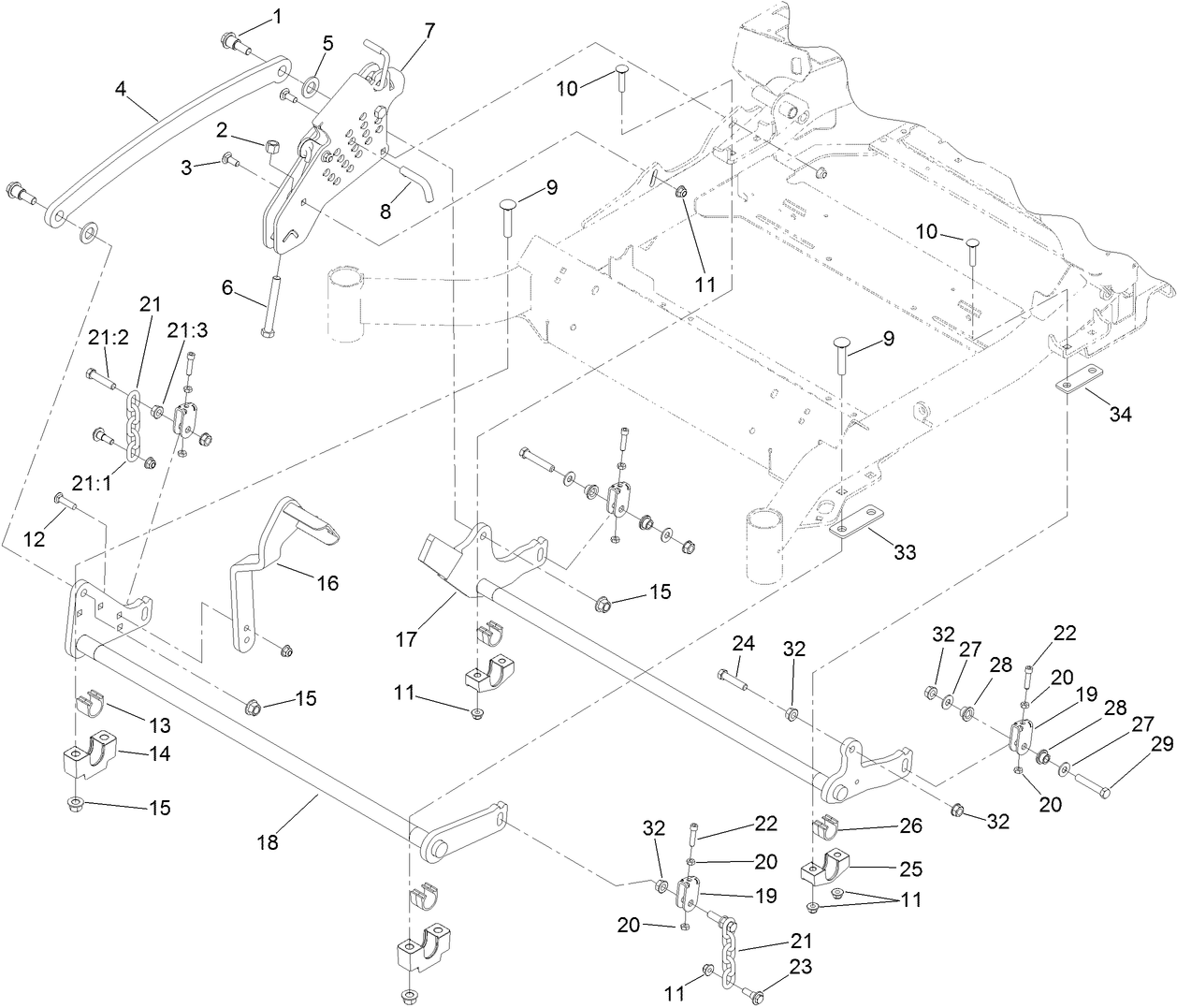
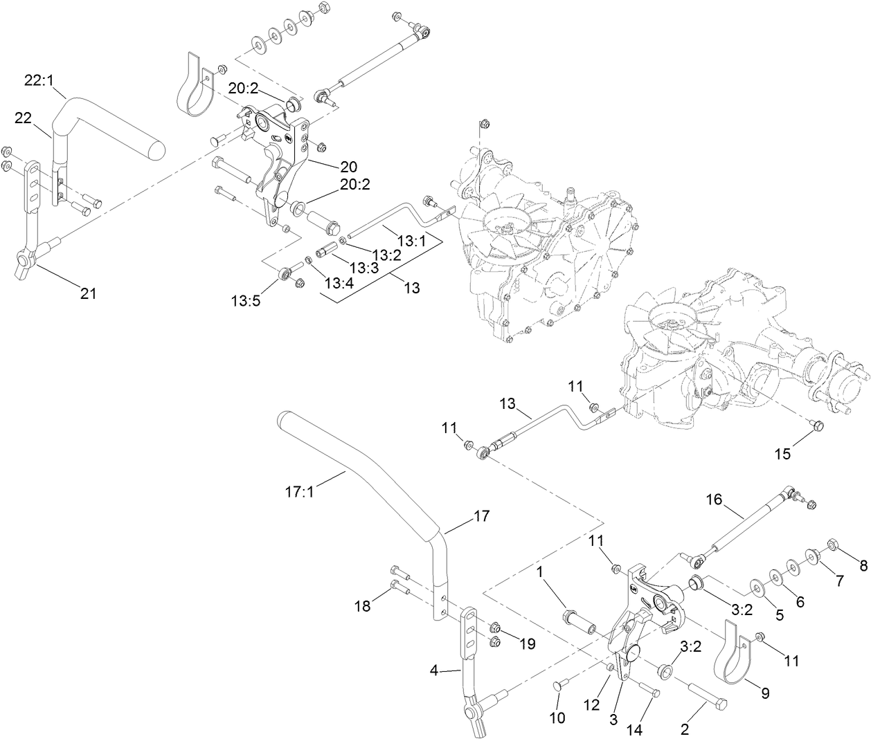
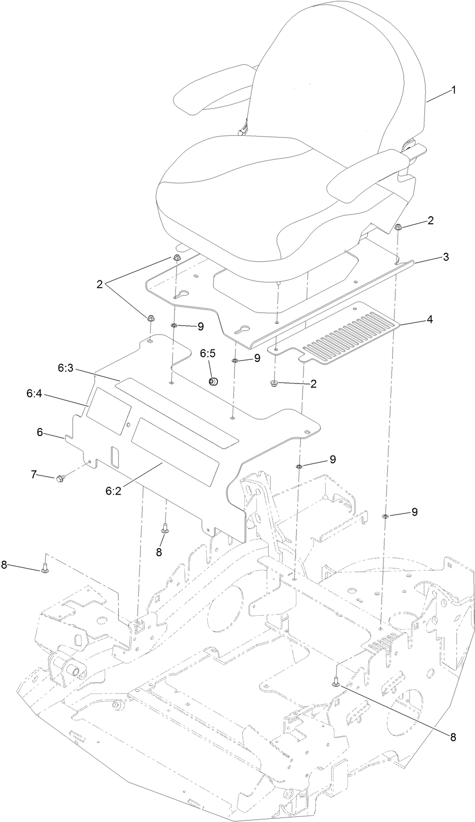
Assembly Drawings
Search for a part within assembly drawings:
-
Operator's Manual
-
Parts Catalog
-
Engine Evaporative Emission Warranty
-
Setup Instructions
Hypr-Oil™ 500 (quart) (Part # 114-4713)
High Performance Hydro Oil
Hypr-Oil™ 500 (gallon) (Part # 114-4714)
High Performance Hydro Oil
Hypr-Oil™ 500 Hydraulic Oil (5 gallon) (Part # 114-4715)
Maximize commercial mower performance with Hypr-Oil™ 500. Tested and approved by Toro Engineering.
Please contact your local dealer
Bimini Folding Sunshade Assembly (Part # 115-4510)
Toro genuine Optional fabric sun shade provides protection and comfort by shielding the operator from the elements.
Operator-Controlled Discharge Chute Kit (Part # 117-3600)
Toro operator controlled discharge kit. When it comes to reliability, Toro delivers replacement parts designed to the exact engineering specifications of our equipment. For peace of mind, insist on Toro genuine parts.
16.5 Inch Hi-Flow Blade (Part # 117-7277-03)
Toro 16.5 Inch OEM Hi-Flow blade. This sharp replacement Hi-Flow lawn mower blade provides a crisp, clean cut time after time. You can count on the quality and reliability of this Toro replacement Hi-Flow lawn mower blade. This Toro blade has multiple applications. Be sure to verify model and serial number to ensure the correct part.
Please contact your local dealer
16.5 Inch Mulch Blade (Part # 117-7278-03)
Toro 17.5 Inch OEM mulching blade. Toro mulching blades feature more curves and an increased cutting edge. The curved surface and increased cutting edge allows the blade to cut the grass and bring it into the deck where it is cut several more times before falling back onto the lawn in much smaller pieces. . This Toro blade has multiple applications. Be sure to verify model and serial number to ensure the correct part.
Please contact your local dealer
Hitch Kit (Part # 120-3290)
Genuine OEM Part
Titan Hydraulic Filter and Service Kit (Part # 121-3783)
Hydraulic filters protect your Toro hydraulic system components from damage due to contamination, leakages, rust and damaged seals. Replacing these filters with a genuine Toro hydraulic filter prevents problems, protects the hydraulic system and keeps your Toro equipment at peak performance. When it comes to reliability, Toro delivers replacement parts designed to the exact engineering specifications of our equipment. For peace of mind, insist on Toro genuine parts.
Z Stand Kit for Z Master Riding Mower with 48", 52" or 60" Deck (Part # 121-4811)
Toro OEM deck stand kit. Allows for easy under deck access at the shop or in the field. When it comes to reliability, Toro delivers replacement parts designed to the exact engineering specifications of our equipment. For peace of mind, insist on Toro genuine parts.
Suspension Seat Kit (Part # 132-5972)
Genuine OEM Part
Toro Titan Deluxe Cover (Part # 490-7319)
Toro OEM deluxe rider cover keeps your Titan riding lawn mower protected from the elements when not in use. Cover is made to withstand wear and tear and features elastic cord to keep cover in place. Perfect for equipment stored outside or for seasonal use. When it comes to reliability, Toro delivers replacement parts designed to the exact engineering specifications of our equipment. For peace of mind, insist on Toro genuine parts.
Z-Master Spark Arrestor (Part # 75-6880)
Toro OEM spark arrestor prevents carbon build ups from being ejected from the engine and igniting a fire.
48in, 52in and 60in Twin Soft Bagger, E-Z VAC 2000 Series Mower (Part # 78569)
Blower and Drive Kit, 48in E-Z Vac for Z Master 2000 Series Mower (Part # 78571)
Toro Filter Gauge for Kohler Engines (Part # 99-4664)
Toro genuine filter gauge. This Toro filter gauge shows when filters are nearing restriction limits, graduated indicators help you maximize filter life and effectively schedule service intervals. Toro would like to remind you that fitment can vary by sub model, serial number, and/or production date of your equipment. Please refer to the original owners manual in order to verify this is correct part for your machine.
-
Model #
74141 -
Serial #
314000001 - 314999999 -
Product Name
Z Master Commercial 2000 Series Riding Mower, with 48in TURBO FORCE Side Discharge Mower -
Product Brand
Toro -
Product Type
Riding Products -
Product Series
Zero Radius Turn, Commercial 2000 Series -
Chassis Type
ZRT - LCE -
Swath
48 inch / 122 cm -
Discharge
Side Discharge -
Engine/Motor Manufacturer
Kawasaki -
Engine/Motor Size
20.5 hp -
Engine/Motor Type
4 Cycle -
Engine Starter
Electric -
Transmission Type
Hydrostatic -
Traction Type
Rear WD
-
Engine: Battery
12V 300CCA -
Engine: Engine Speed
3600±100 RPM -
Engine: Spark Plug
NGK BPR4ES -
Engine: Spark Plug Gap
.030"/ .76mm -
Chassis: Height of Cut Range
1.5" - 5" (38-127mm) -
Chassis: Tire Pressure
13 psi / 90 kPa -
Engine: Ignition Coil Air Gap
.008-.016" / .2-.4mm -
Drive System: Ground Speed
Fwd. 0 - 8 Rev. 0 - 3 mph -
Engine: Engine Oil Type
filter change 2.2 qts. (2.1 L); no filter 1.9 qts. (1.8 L) SAE 30 -
Drive System: Gearbox Lubricant
HYPR-OIL 500 / 20w-50 Synthetic Motor Oil


















