32 in. (81 cm) Fixed Deck Gear Drive T-Bar
Product Information
- Model #: 30672
- Serial #: 316000001 - 316999999
- Product Type: Walk Behind Mowers
Loading...
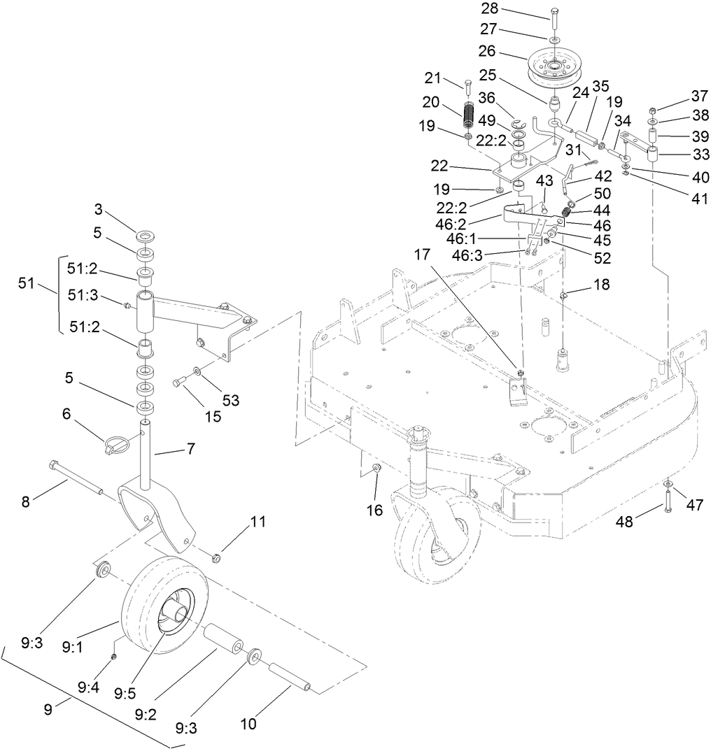
Assembly Drawings
Search for a part within assembly drawings:
-
Operator's Manual
-
Parts Catalog
-
Setup Instructions
16.25 Inch Notched Blade (Part # 103-2527)
Genuine OEM Part
16.25 Inch Atomic Blade (Part # 104-8595)
Toro OEM Atomic blade. The Toro Atomic blade is commonly referenced as a “Gator Style” or “Gator Blade”. Provides the best quality of cut while mulching. This Toro blade has multiple applications. Be sure to verify model and serial number to ensure the correct part.
Atomic 16.25 Inch Blade Pack (6) (Part # 110-0407)
Toro OEM Atomic blade pack. (6) 16.25 Inch Atomic blades. Atomic blade is commonly referenced as a “Gator Style” or “Gator Blade”. Provides the best quality of cut while mulching. This Toro blade has multiple applications. Be sure to verify model and serial number to ensure the correct part.
Extension Spring (Part # 110-1119)
Genuine OEM Part
32 Inch Recycler Kit (Part # 110-4915)
Genuine OEM Part
*OBS* Toro full synthetic 10W-30 engine oil (Part # 117-0066)
Toro full synthetic 10W-30 engine oil. The easy engine oil choice for any outdoor power equipment
to increase performance and reliability.
Oil Filter (Part # 119-5852)
Your Toro engine’s oil filter removes waste, captures harmful debris, dirt, and metal fragments in your motor oil to keep the engine running smoothly. Without the oil filter, harmful particles can get into your motor oil and damage the engine. Installing genuine Toro engine oil filters on a regular service intervals keeps your Toro equipment running at its best!
Fuel Filter (Part # 120-2235)
The fuel filter prevents dust particles and fuel contaminants from entering the engine which could damage the cylinders, pistons and other components that will result in the need of costly repairs. Replacing these filters with a genuine Toro fuel filter prevents problems and ensures longer engine life.
Air Filter Element - Primary (Part # 120-7447)
Having a properly functioning air filter is an engine’s first line of defense against the dirt and debris that is kicked up during the operation. When the air filter is in good condition and working properly, it prevents dirt from entering the engine through the carburetor. Count on Toro genuine OEM air cleaners and air cleaner assemblies to keep your gasoline powered equipment running at peak performance.
Soft Bag Kit for Mid-Size Mowers (Part # 30198)
Genuine OEM Part
Please contact your local dealer
SAE 30 4-Cycle Lawn Mower Engine Oil 32 oz (Part # 38903)
Toro SAE 30 4-cycle engine oil passed the strictest requirements in thousands of hours of testing in hundreds of engines before you filled your lawn mower. This oil meets or exceeds performance requirements of all OEM engines (Toro, Briggs & Stratton, KOLHER, Honda, and Tecumseh). The use of Toro SAE 30 4-cycle lawn mower oil minimizes molecular shearing for extended life in hot-air-cooled applications vs multi-grades (i.e., 10W-30).
Spark Plug (Part # 92-2153)
Replacement part.
-
Model #
30672 -
Serial #
316000001 - 316999999 -
Product Name
32 in. (81 cm) Fixed Deck Gear Drive T-Bar -
Product Brand
Toro -
Product Type
Walk Behind Mowers -
Product Series
Mid-Size ProLine Mower -
Swath
32 inch -
Engine/Motor Manufacturer
KAWASAKI -
Engine/Motor Type
4 Cycle -
Engine Starter
Recoil -
Transmission Type
Gear -
Traction Type
2wd












