Power Clear 721 R-C Commercial Snowthrower
Product Information
- Model #: 38751
- Serial #: 402082000 - 404309999
- Product Type: Snowthrowers
Loading...
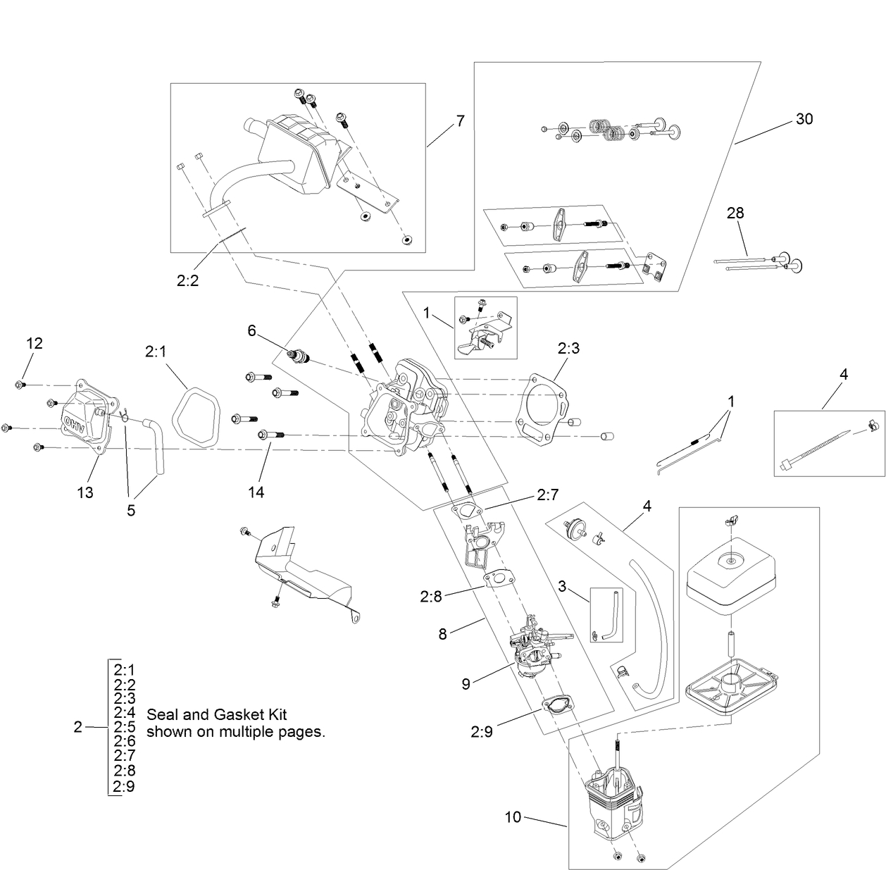
Assembly Drawings
Search for a part within assembly drawings:
-
Operator's Manual
-
Parts Catalog
-
Product Warranty
-
Engine Evaporative Emission Warranty
-
Quick Start Guide
Snow Blower High Altitude Kit (Part # 127-9037)
Toro genuine high altitude kit. Small engines may require a high altitude carburetor kit to ensure correct engine operation at altitudes above 1219 meters. Genuine Toro parts are designed specifically for your machine to offer quality, performance and value.
Engine Maintenance Kit for Snow Blower (Part # 138-0699)
Keep your snow blower running smoothly season after season with the Toro 138-0699 Snow Blower Engine Maintenance Kit for Power Clear. The snow blower engine maintenance kit is for Toro 21 in. Power Clear, Power Max and SnowMaster snow blowers with Toro 212cc and 252cc engines. The easy-to-use engine maintenance kit includes a Toro replacement spark plug, a 12 oz. bottle of Toro premium engine oil and a 12 oz. bottle of premium fuel treatment.
Extended Wear Paddle Kit for 21 in. Toro Single Stage Snow Blowers (Part # 38205)
This Extended Life Paddle and Hardware kit helps increase paddle life on your Toro Power Clear or CCR Snow blower. Over time, as your snow blower paddles contact asphalt or concrete they will wear down and need replacing. This kit helps reduce the number of paddle changes needed during the life of your snow blower. This kit contains paddles and all necessary hardware to complete the task.
Please contact your local dealer
Replacement Paddles for Toro Snow Blowers (Part # 38261)
This Paddle set allows ideal execution with your Toro CCR or Power Clear snowblower. After some time, as your snowblower paddles contact black-top or solid surfaces, they will wear out and need supplanting. This item supplies precisely what you need to keep your snowblower working effectively every season.
Please contact your local dealer
Winter 5W-30 Synthetic Winter Engine Oil (Part # 38908)
Toro 5W-30 Synthetic Winter Engine Oil is engineered to provide superior performance and easy
starting in extreme cold temperatures. The easiest starting winter oil in extreme cold.
Winter 0W-30 Synthetic Winter Engine Oil (Part # 38913)
Toro 0W-30 Synthetic Winter Engine Oil is engineered to provide superior performance and easy
starting in extreme cold temperatures. The easiest starting winter oil in extreme cold.
Single Stage Snow Blower Cover (Part # 490-7464)
Designed to protect your investment, the Toro Single Stage Snow Blower Cover provides year-round season protection for your snow blower. Toro covers are constructed of tough, waterproof, tear and abrasion-resistant 600-denier polyester and will provide years of carefree protection against snow, sun damage, rain and dust. They feature vents to minimize condensation and heat buildup and an elastic opening to ensure a snug, secure fit.
Single Stage Snow Blower Cover (Part # 490-7465)
Designed to protect your investment, the Toro Single Stage Snow Blower Cover provides year-round season protection for your snow blower. Toro covers are constructed of tough, waterproof, tear and abrasion-resistant 600-denier polyester and will provide years of carefree protection against snow, sun damage, rain and dust. They feature vents to minimize condensation and heat buildup and an elastic opening to ensure a snug, secure fit. Designed for 2-stage snow blowers (and Snow Commanders) with a 28 in. or wider cutting width.
-
Model #
38751 -
Serial #
402082000 - 404309999 -
Product Name
Power Clear 721 R-C Commercial Snowthrower -
Product Brand
Toro -
Product Type
Snowthrowers -
Product Series
Snowthrower, PowerClear -
Chassis Type
Single Stage -
Swath
21 inch -
Discharge
Single Stage -
Engine/Motor Manufacturer
Toro -
Engine/Motor Size
212cc -
Engine/Motor Type
4 Cycle EPA3 -
Engine Starter
Recoil
-
Engine: Spark Plug Gap
.030"/ .76mm -
Engine: Engine Speed
3700 ±100 RPM -
Engine: Spark Plug
Champion RN9YC / NGK BPR6ES / NHPS F7RTC (OEM China) -
Engine: Engine Oil Type
20 oz. (.6 L) 5w-30 synthetic or 5w-30 below 40F (4c) or 10w-30 above 0F (-20c) -
Engine: Fuel Tank Capacity
1.1 Qt (1.04 L)










