60in TITAN HD 1500 Series Riding Mower
Product Information
- Model #: 74452
- Serial #: 402100000 - 403350940
- Product Type: Riding Products
Loading...
Assembly Drawings
Search for a part within assembly drawings:
-
Operator's Manual
-
Parts Catalog
-
Product Warranty
-
Setup Instructions
Hypr-Oil™ 500 (quart) (Part # 114-4713)
High Performance Hydro Oil
Hypr-Oil™ 500 (gallon) (Part # 114-4714)
High Performance Hydro Oil
Hypr-Oil™ 500 Hydraulic Oil (5 gallon) (Part # 114-4715)
Maximize commercial mower performance with Hypr-Oil™ 500. Tested and approved by Toro Engineering.
Please contact your local dealer
Seat Cover for Arm Rest Models (Part # 117-0097)
Protect your investment with a customized seat cover. Toro's seat cover for use on TimeCutter 18 in. seats with armrests will make old seats look new and protects new seats from future wear and tear. The fabric is coated for maximum water resistance and repellency and is cushioned for extra comfort.
Titan Hydraulic Filter and Service Kit (Part # 121-3783)
Hydraulic filters protect your Toro hydraulic system components from damage due to contamination, leakages, rust and damaged seals. Replacing these filters with a genuine Toro hydraulic filter prevents problems, protects the hydraulic system and keeps your Toro equipment at peak performance. When it comes to reliability, Toro delivers replacement parts designed to the exact engineering specifications of our equipment. For peace of mind, insist on Toro genuine parts.
Trash Container Kit (Part # 126-8379)
Toro genuine rider trash container kit. When it comes to reliability, Toro delivers replacement parts designed to the exact engineering specifications of our equipment. For peace of mind, insist on Toro genuine parts.
Riding Mower Jack Kit (Part # 127-6666)
Genuine Toro jack mount kit. Mounts to the front of the mower and allows the owner to raise the mower to gain access to the underside of the deck to check blades or wash the deck. To best protect your investment and maintain optimal performance of your turf equipment, count on Toro genuine parts. When it comes to reliability, Toro delivers replacement parts designed to the exact engineering specifications of our equipment. For peace of mind, insist on Toro genuine parts.
Please contact your local dealer
20.5 Inch Hi-Flow Blade (Part # 133-2127)
Toro 20.5 Inch OEM Hi-Flow blade. This sharp replacement Hi-Flow lawn mower blade provides a crisp, clean cut time after time. You can count on the quality and reliability of this Toro replacement Hi-Flow lawn mower blade. This Toro blade has multiple applications. Be sure to verify model and serial number to ensure the correct part.
20.5 Inch Atomic Blade (Part # 133-2157)
Toro 20.5 Inch OEM Atomic blade. The Toro Atomic blade is commonly referenced as a “Gator Style” or “Gator Blade”. Provides the best quality of cut while mulching. This Toro blade has multiple applications. Be sure to verify model and serial number to ensure the correct part.
20.5 Inch Recycler Blade (Part # 133-2161)
Toro 20.5 Inch OEM Recycler blade. Recycler straight edge, standard discharge blade. The blade is designed for a High quality cut and long-lasting durability. These blades are designed with “wings,” called “accelerators” that kind of act like a fan — forcing the tiny bits of grass back into the earth. This Toro blade has multiple applications. Be sure to verify model and serial number to ensure the correct part.
20.5 Inch Hi-Flow Blade Pack - 6 Blades (Part # 133-2174)
Toro 20.5 Inch OEM Hi-Flow blade pack. (6) Hi-Flow blades. This sharp replacement Hi-Flow lawn mower blade provides a crisp, clean cut time after time. You can count on the quality and reliability of this Toro replacement Hi-Flow lawn mower blade. This Toro blade has multiple applications. Be sure to verify model and serial number to ensure the correct part.
20.5 Inch Recycle Blade Pack - 6 Blades (Part # 133-2177)
Toro 60 Inch OEM Recycler blade pack. (6) Recycler blades. Recycler straight edge, standard discharge blade. The blade is designed for a High quality cut and long-lasting durability. These blades are designed with “wings,” called “accelerators” that kind of act like a fan — forcing the tiny bits of grass back into the earth. This Toro blade has multiple applications. Be sure to verify model and serial number to ensure the correct part.
20.5 Inch Atomic Blade Pack - 6 Blades (Part # 133-2180)
Toro 20.5 Inch OEM Atomic blade. (6) blade pack. Atomic blade is commonly referenced as a “Gator Style” or “Gator Blade”. Provides the best quality of cut while mulching. This Toro blade has multiple applications. Be sure to verify model and serial number to ensure the correct part.
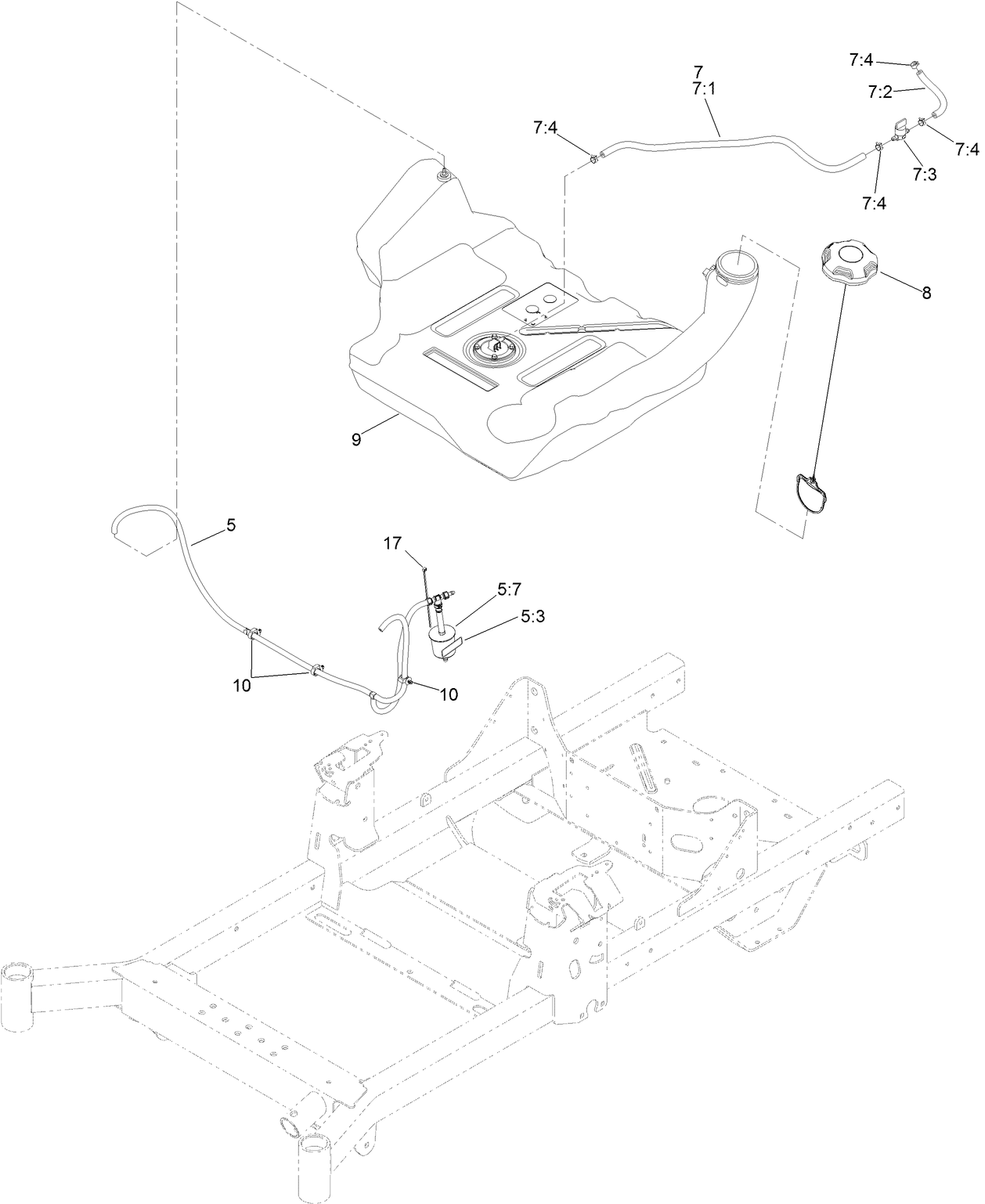
Toro Genuine 5-Gallon bucket. (Part # 133-2533)
Toro genuine 5 Gallon Bucket. When it comes to reliability, Toro delivers replacement parts designed to the exact engineering specifications of our equipment. For peace of mind, insist on Toro genuine parts.
High Altitude Kit (Part # 133-9833)
Toro genuine high altitude kit. If the engine is ever to be operated above the altitude specified for the carburetor there needs to be less fuel to get the right air/fuel ratio. Toro high altitude kits keep your engine performing at its peak.
Trimmer Mount Kit (Part # 136-1682)
Toro OEM trimmer mount kit. Keep your trimmer securely mounted on your riding mower. When it comes to reliability, Toro delivers replacement parts designed to the exact engineering specifications of our equipment. For peace of mind, insist on Toro genuine parts.
Roll Over Protection System (ROPS) Pin Kit (Part # 136-1683)
Genuine OEM Part
Titan HD Series Bucket Mount Kit (Part # 136-9045)
Toro OEM bucket mount kit. Saves you time, money, and hassle when you’re in the seat trying to get the day's cutting done. Carry a five gallon bucket for trash collection right on the mower so you always have a place to put the trash that's found on the ground.
Universal Mount Kit (Part # 136-9046)
Toro OEM universal mount kit. Keep your tools securely mounted on your riding mower. When it comes to reliability, Toro delivers replacement parts designed to the exact engineering specifications of our equipment. For peace of mind, insist on Toro genuine parts.
Please contact your local dealer
Titan HD Triple Threat Attachment Kit (Part # 136-9047)
Genuine Toro Triple Threat Utility Kit for use on the TITAN HD Includes Trimmer mount, bucket mount and universal mount. When it comes to reliability, Toro delivers replacement parts designed to the exact engineering specifications of our equipment. For peace of mind, insist on Toro genuine parts.
Toro Titan Deluxe Cover (Part # 490-7319)
Toro OEM deluxe rider cover keeps your Titan riding lawn mower protected from the elements when not in use. Cover is made to withstand wear and tear and features elastic cord to keep cover in place. Perfect for equipment stored outside or for seasonal use. When it comes to reliability, Toro delivers replacement parts designed to the exact engineering specifications of our equipment. For peace of mind, insist on Toro genuine parts.
HD BAGGER KIT (Part # 78431)
EZ VAC BAGGER - STANDARD (Part # 78481)
Please contact your local dealer
-
Model #
74452 -
Serial #
402100000 - 403350940 -
Product Name
60in TITAN HD 1500 Series Riding Mower -
Product Brand
Toro -
Product Type
Riding Products -
Product Series
Zero Radius Turn, TITAN HD -
Chassis Type
ZRT - LCE -
Swath
60 inch -
Discharge
Side Discharge -
Engine/Motor Manufacturer
Toro -
Engine/Motor Size
726cc -
Engine/Motor Type
4 Cycle -
Engine Starter
Electric -
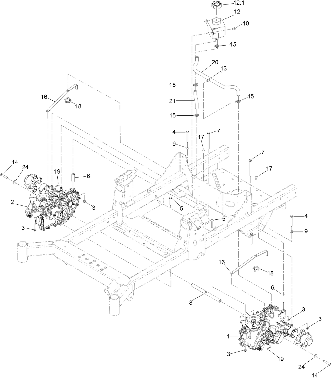
Transmission Type
Hydrostatic -
Traction Type
Rear WD
-
Engine: Battery
12V 300CCA -
Engine: Engine Speed
3600±100 RPM -
Engine: Spark Plug Gap
.030"/ .76mm -
Chassis: Height of Cut Range
1.5" - 5" (38-127mm) -
Chassis: Tire Pressure
Front 13 PSI, Rear 13 PSI -
Engine: Ignition Coil Air Gap
0.011in (0.3mm) -
Engine: Spark Plug
NGK BPR6ES/ Champion RN9YC -
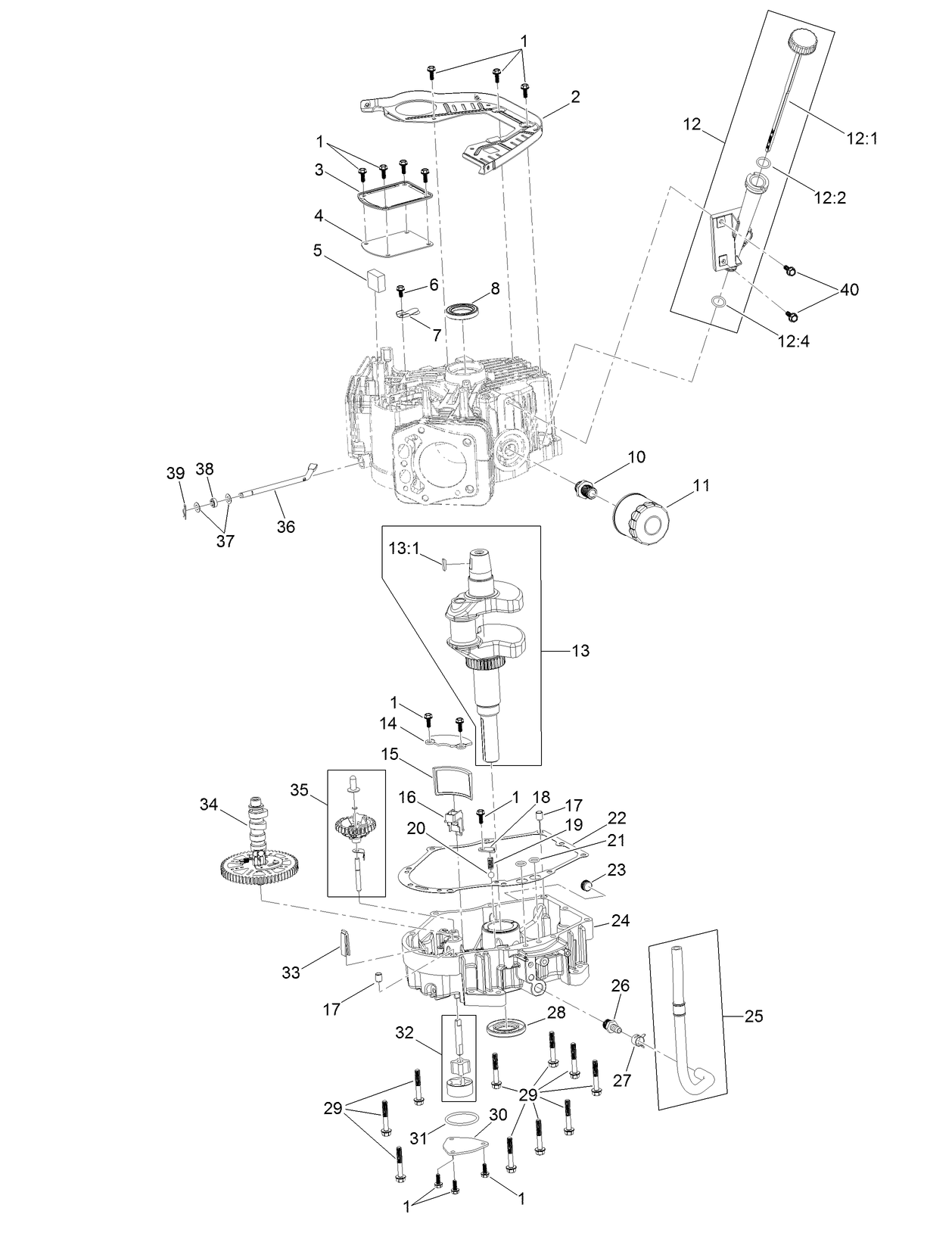
Engine: Engine Oil Type
2.5 qts (80 oz. or 2.4L) 10W-30 with filter change -
Drive System: Gearbox Lubricant
4.45 L (150 oz.) Toro HYPR-OIL 500 hydraulic fluid or Mobil 1 15w-50 oil -
Drive System: Ground Speed
Up to 8 mph


































