7500-D Series 60" (152 cm) 37 HP 1642cc Diesel
Product Information
- Model #: 74060
- Serial #: 400000000 - 402252574
- Product Type: Riding Products
Loading...
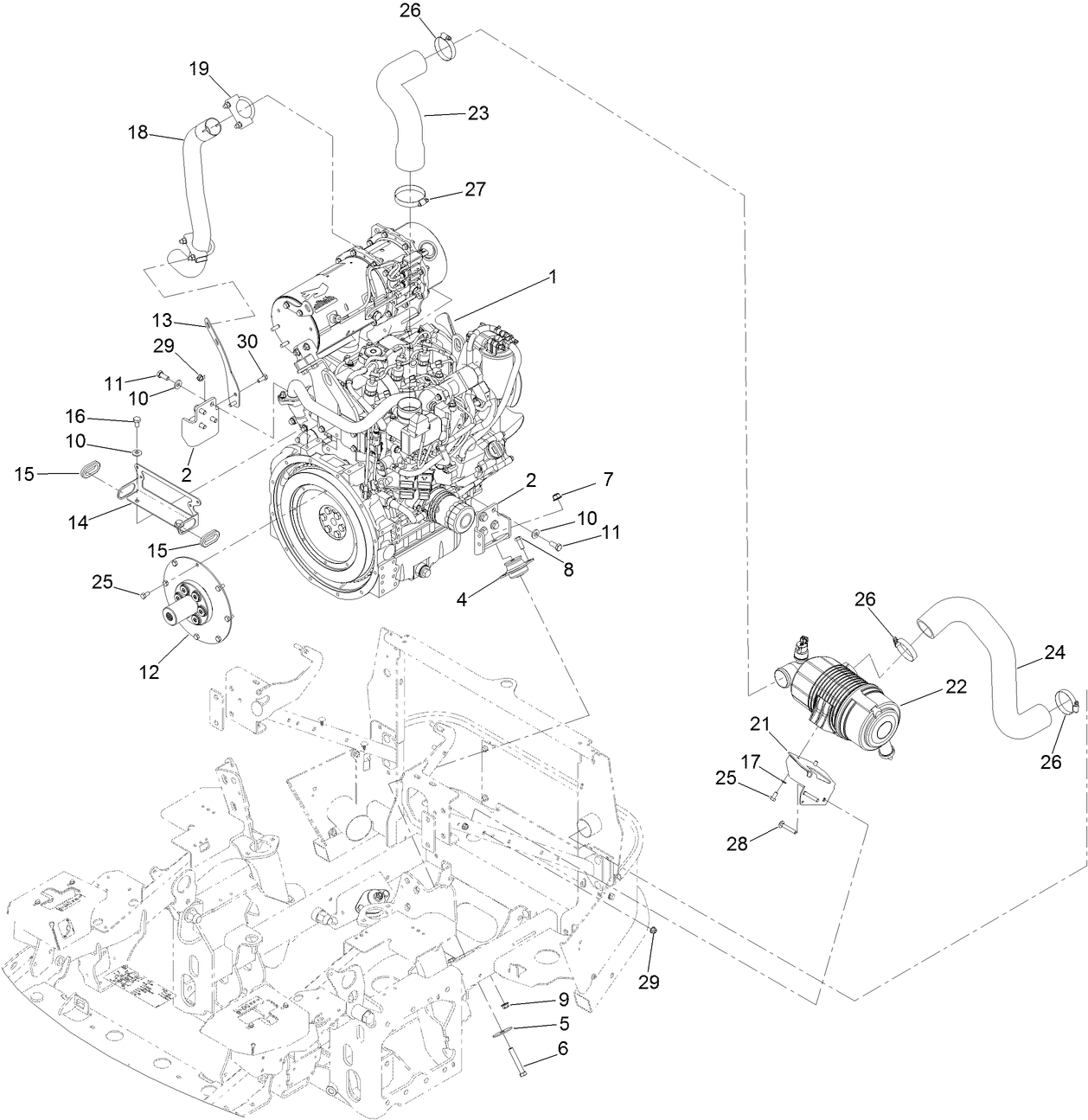
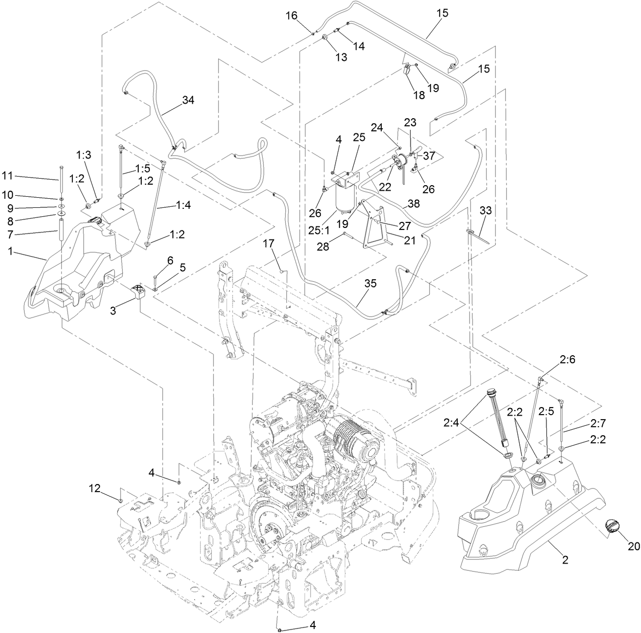
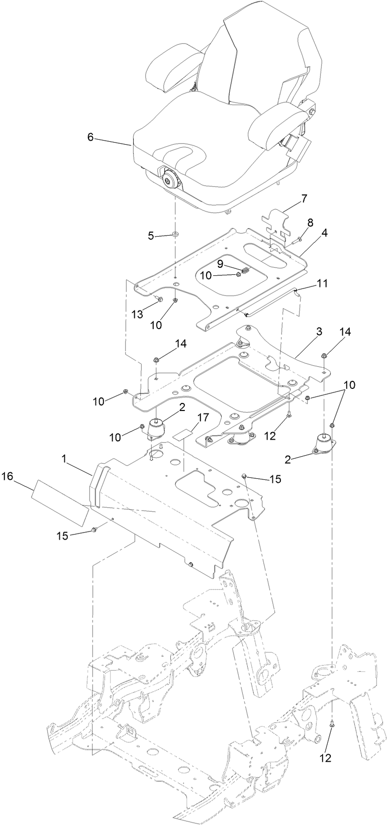
Assembly Drawings
Search for a part within assembly drawings:
-
Service Manual
-
Operator's Manual
-
Parts Catalog
-
Product Warranty
-
Setup Instructions
-
Software Guide
20.5 Inch Medium Flow Blade (Part # 105-7715-03)
Toro 20.5 Inch OEM Medium Flow blade. Medium Flow mower straight edge, standard discharge blade. These blades have slight upward angle on the edges. Great blades for use when horsepower is a concern. Produce medium Flow but requires less horsepower than Hi-Flow blades. This Toro blade has multiple applications. Be sure to verify model and serial number to ensure the correct part.
20.5 Inch Low Flow Blade (Part # 105-7716-03)
Toro 20.5 Inch OEM Low Flow blade. Low Flow mower blades have slightly curved ends that keep air Flow to a minimum. The lack of suction allows cut grass to exit the mower while keeping dust and debris levels down. Toro Low Flow mower blades cause less engine strain than Hi-Flow blades. This Toro blade has multiple applications. Be sure to verify model and serial number to ensure the correct part.
20.5 Inch Hi-Flow Blade (Part # 105-7718-03)
Toro OEM Hi-Flow blade. This sharp replacement Hi-Flow lawn mower blade provides a crisp, clean cut time after time. You can count on the quality and reliability of this Toro replacement Hi-Flow lawn mower blade. This Toro blade has multiple applications. Be sure to verify model and serial number to ensure the correct part.
20.5 Inch Recycler Blade (Part # 105-7777-03)
Toro 20.5 Inch OEM Recycler blade. Recycler straight edge, standard discharge blade. The blade is designed for a High quality cut and long-lasting durability. These blades are designed with “wings,” called “accelerators” that kind of act like a fan — forcing the tiny bits of grass back into the earth. This Toro blade has multiple applications. Be sure to verify model and serial number to ensure the correct part.
20.5 Inch Atomic Blade (Part # 105-8777-03)
Toro 20.5 Inch OEM Atomic blade. The Toro Atomic blade is commonly referenced as a “Gator Style” or “Gator Blade”. Provides the best quality of cut while mulching. This Toro blade has multiple applications. Be sure to verify model and serial number to ensure the correct part.
GrandStand Turbo Baffle Kit (Part # 107-1634)
GrandStand Turbo Baffle Kit. To best protect your investment and maintain optimal performance of your equipment, count on Toro genuine parts and accessories.
20.5 Inch Hi-Flow Blade (6 Pack) (Part # 108-1114)
Toro 20 Inch OEM Hi-Flow blade pack. (6) Hi-Flow blades. This sharp replacement Hi-Flow lawn mower blade provides a crisp, clean cut time after time. You can count on the quality and reliability of this Toro replacement Hi-Flow lawn mower blade. This Toro blade has multiple applications. Be sure to verify model and serial number to ensure the correct part.
Atomic 20.5 Inch Blade Pack (6) (Part # 108-1115)
Toro OEM Atomic blade pack. (6) 20.5 Inch Atomic blades. Atomic blade is commonly referenced as a “Gator Style” or “Gator Blade”. Provides the best quality of cut while mulching. This Toro blade has multiple applications. Be sure to verify model and serial number to ensure the correct part.
Mid Flow 20.5 Inch Blade Pack (6) (Part # 108-1123)
Toro 20.5 Inch OEM Medium Flow blade pack. (6) Medium Flow blades. Medium Flow mower straight edge, standard discharge blade. These blades have slight upward angle on the edges. Great blades for use when horsepower is a concern. Produce medium Flow but requires less horsepower than Hi-Flow blades. This Toro blade has multiple applications. Be sure to verify model and serial number to ensure the correct part.
Low Flow 20.5 Inch Blade Pack (6) (Part # 108-1128)
Toro 20.5 Inch OEM Low Flow blade pack. (6) Low Flow blades. Low Flow mower blades have slightly curved ends that keep air Flow to a minimum. The lack of suction allows cut grass to exit the mower while keeping dust and debris levels down. Toro Low Flow mower blades cause less engine strain than Hi-Flow blades. This Toro blade has multiple applications. Be sure to verify model and serial number to ensure the correct part.
Toro 55 Gallon Premium Transmission/Hydraulic Fluid (Part # 108-1183)
Toro 55 Gallon Premium Transmission/Hydraulic Fluid. Designed for use in Toro equipment created by Toro engineers. If you are unsure of your equipment needs, do a model extreme serial number search to verify that this is the correct oil type for your equipment.
Please contact your local dealer
Toro 5 Gallon Premium Transmission/Hydraulic Fluid (Part # 108-1184)
Toro 5 Gallon Premium Transmission/Hydraulic Fluid. Designed for use in Toro equipment created by Toro engineers. If you are unsure of your equipment needs, do a model extreme serial number search to verify that this is the correct oil type for your equipment.
Please contact your local dealer
Recycler 20.5 Inch Blade Pack (6) (Part # 110-0405)
Toro 20.5 Inch OEM Recycler blade pack. (6) Recycler blades. Recycler straight edge, standard discharge blade. The blade is designed for a High quality cut and long-lasting durability. These blades are designed with “wings,” called “accelerators” that kind of act like a fan — forcing the tiny bits of grass back into the earth. This Toro blade has multiple applications. Be sure to verify model and serial number to ensure the correct part.
60 inch Recycler Kit (GrandStand) (Part # 115-7468)
By adding the Toro Recycler system to your Toro 60-inch GrandStand mower, you create your own natural fertilizer. This patented system cuts grass clippings 6-8 times, turning them into a fine, nutrient-rich mulch to feed your lawn all season. The secret lies in the unique 'kickers' that direct clippings back into the blades to be re-cut before being released into your lawn to promote its health and vitality.
Please contact your local dealer
Riding Mower Jack Kit (Part # 127-6666)
Genuine Toro jack mount kit. Mounts to the front of the mower and allows the owner to raise the mower to gain access to the underside of the deck to check blades or wash the deck. To best protect your investment and maintain optimal performance of your turf equipment, count on Toro genuine parts. When it comes to reliability, Toro delivers replacement parts designed to the exact engineering specifications of our equipment. For peace of mind, insist on Toro genuine parts.
Toro Full Synthetic 10W-30 Engine Oil (32 oz.) (Part # 138-6053)
Toro full synthetic 10W-30 engine oil. The easy engine oil choice for any outdoor power equipment
to increase performance and reliability.
Toro Full Synthetic 10W-30 Engine Oil (Part # 138-6054)
Toro full synthetic 10W-30 engine oil. The easy engine oil choice for any outdoor power equipment
to increase performance and reliability.
-
Model #
74060 -
Serial #
400000000 - 402252574 -
Product Name
7500-D Series 60" (152 cm) 37 HP 1642cc Diesel -
Product Brand
Toro -
Product Type
Riding Products -
Product Series
Zero Radius Turn, Professional 7500-D Series -
Chassis Type
ZRT - LCE -
Swath
60 inch / 152 cm -
Discharge
Side Discharge -
Engine/Motor Manufacturer
YANMAR -
Engine/Motor Size
37 hp -
Engine/Motor Type
4 Cycle Diesel Tier 4 -
Engine Starter
Electric -
Transmission Type
Hydrostatic -
Traction Type
Rear WD
-
Chassis: Height of Cut Range
1" - 5.5" (25-140mm) -
Engine: Battery
12V 540 CCA -
Engine: Engine Speed
3000+/-50 RPM -
Drive System: Gearbox Lubricant
Mobil 1 75w-90 -
Engine: Engine Oil Type
7 U.S. Qt (6.6 L) CJ-4 or Higher 15W40 -
Drive System: Ground Speed
Up to 12.5 MPH -
Chassis: Tire Pressure
Rear 18 psi -
Deck: Deck Gearbox Lubricant
Mobil 1 75W-90


























































