4000 Series 60 in. (152 cm) 26.5 hp 747cc
Product Information
- Model #: 74035
- Serial #: 400000000 - 409432812
- Product Type: Riding Products
Loading...
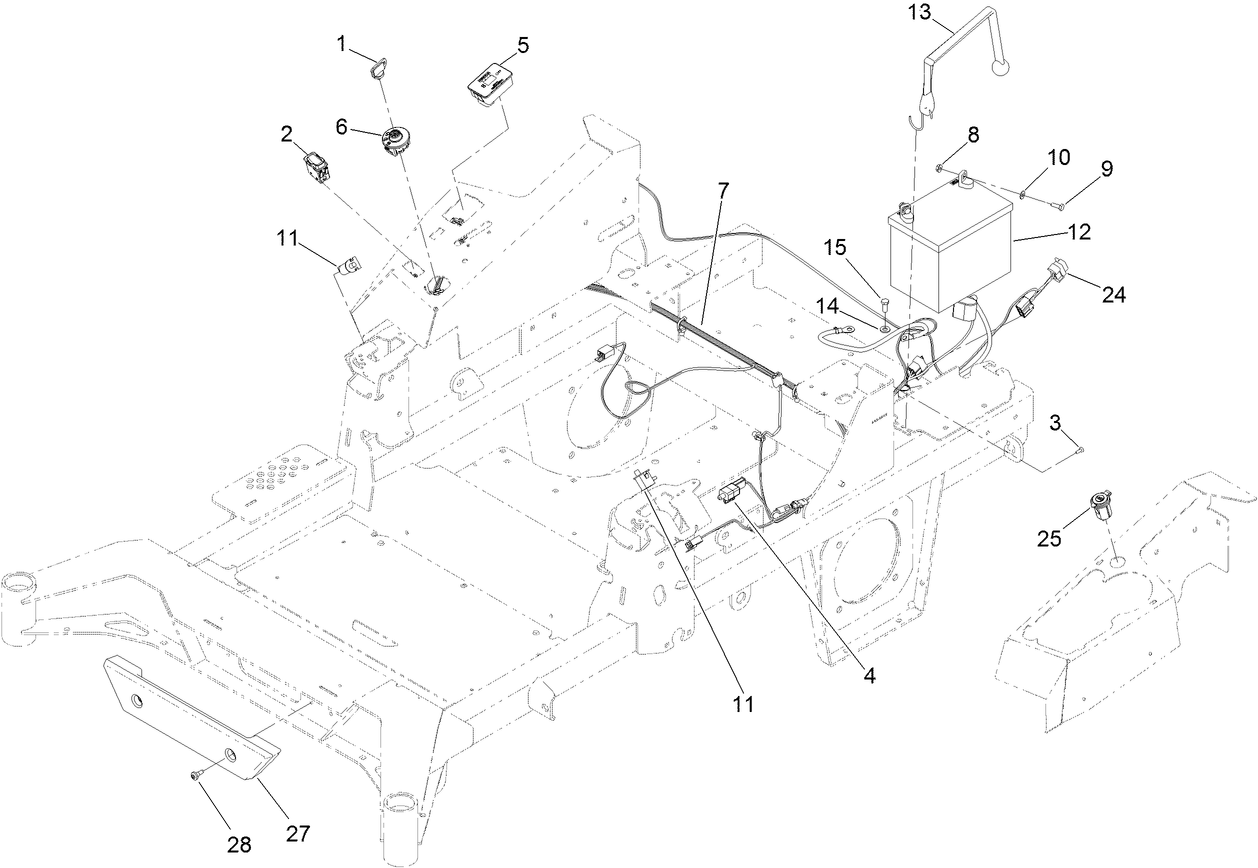
Assembly Drawings
Search for a part within assembly drawings:
-
Service Manual
-
Operator's Manual
-
Parts Catalog
-
Product Warranty
-
Setup Instructions
Hypr-Oil™ 500 (quart) (Part # 114-4713)
High Performance Hydro Oil
Hypr-Oil™ 500 (gallon) (Part # 114-4714)
High Performance Hydro Oil
Hypr-Oil™ 500 Hydraulic Oil (5 gallon) (Part # 114-4715)
Maximize commercial mower performance with Hypr-Oil™ 500. Tested and approved by Toro Engineering.
Riding Mower Jack Kit (Part # 127-6666)
Genuine Toro jack mount kit. Mounts to the front of the mower and allows the owner to raise the mower to gain access to the underside of the deck to check blades or wash the deck. To best protect your investment and maintain optimal performance of your turf equipment, count on Toro genuine parts. When it comes to reliability, Toro delivers replacement parts designed to the exact engineering specifications of our equipment. For peace of mind, insist on Toro genuine parts.
Please contact your local dealer
MICHELIN® X® TWEEL® Turf Airless Radial Tires (24") (Part # 139-3649)
A MICHELIN® X® TWEEL® airless radial tire is a single unit that replaces the current tire and wheel assembly. There is no need for complex mounting equipment and once they are bolted on, there is no air pressure to maintain The unique energy transfer within the poly-resin spokes helps reduce the “bounce” associated with pneumatic tires, while providing outstanding handling characteristics. They are designed to perform like pneumatic tires, without the inconvenience and downtime caused by flat tires. When it comes to reliability, Toro delivers replacement parts designed to the exact engineering specifications of our equipment. For peace of mind, insist on Toro genuine parts.
60 Inch Recycler Kit (Part # 139-6655)
The 60 in. Recycler Kit, when installed on compatible 42 in. deck Toro zero turn riding mowers, gives it the capability to mulch grass by cutting it multiple times turning it into fine clipping pieces. These are returned under the mower back into the soil to serve as natural fertilizer. When it comes to reliability, Toro delivers replacement parts designed to the exact engineering specifications of our equipment. For peace of mind, insist on Toro genuine parts.
20.5 Inch Hi-Flow Blade (Part # 140-1240)
Toro 20.5 Inch OEM Hi-Flow blade. This sharp replacement Hi-Flow lawn mower blade provides a crisp, clean cut time after time. You can count on the quality and reliability of this Toro replacement Hi-Flow lawn mower blade. This Toro blade has multiple applications. Be sure to verify model and serial number to ensure the correct part.
20.5 Inch Atomic Blade (Part # 140-1241)
Toro OEM Atomic blade 20.5 Inch Atomic blades. Atomic blade is commonly referenced as a “Gator Style” or “Gator Blade”. Provides the best quality of cut while mulching. This Toro blade has multiple applications. Be sure to verify make and serial number to ensure the correct part.
20.50 Inch Medium Flow Blade (Part # 140-4853)
Toro 20.5 Inch OEM Medium Flow blade. Medium Flow mower straight edge, standard discharge blade. These blades have slight upward angle on the edges. Great blades for use when horsepower is a concern. Produce medium Flow but requires less horsepower than Hi-Flow blades. This Toro blade has multiple applications. Be sure to verify model and serial number to ensure the correct part.
20.50 Inch Low Flow Blade (Part # 140-4854)
Toro 20.50 Inch OEM Low Flow blade. Low Flow mower blades have slightly curved ends that keep air Flow to a minimum. The lack of suction allows cut grass to exit the mower while keeping dust and debris levels down. Toro Low Flow mower blades cause less engine strain than Hi-Flow blades. This Toro blade has multiple applications. Be sure to verify model and serial number to ensure the correct part.
Please contact your local dealer
20.5 Inch Recycler Blade (Part # 140-4855)
Toro 20.5 Inch OEM Recycler blade. Recycler blades. Recycler straight edge, standard discharge blade. The blade is designed for a High quality cut and long-lasting durability. These blades are designed with “wings,” called “accelerators” that kind of act like a fan — forcing the tiny bits of grass back into the earth. This Toro blade has multiple applications. Be sure to verify make and serial number to ensure the correct part.
Hi-Flow20.5 Inch Blade Pack (6) (Part # 140-4877)
Toro 16.5 Inch OEM Hi-Flow blade pack. (6) Hi-Flow blades. This sharp replacement Hi-Flow lawn mower blade provides a crisp, clean cut time after time. You can count on the quality and reliability of this Toro replacement Hi-Flow lawn mower blade. This Toro blade has multiple applications. Be sure to verify model and serial number to ensure the correct part.
Mid Flow 20.5 Inch Blade Pack (6) (Part # 140-4878)
Toro 20.5 Inch OEM Medium Flow blade pack. (6) Medium Flow blades. Medium Flow mower straight edge, standard discharge blade. These blades have slight upward angle on the edges. Great blades for use when horsepower is a concern. Produce medium Flow but requires less horsepower than Hi-Flow blades. This Toro blade has multiple applications. Be sure to verify model and serial number to ensure the correct part.
Low Flow 20.5 Inch Blade Pack (6) (Part # 140-4879)
Toro 20.5 Inch OEM Low Flow blade pack. (6) Low Flow blades. Low Flow mower blades have slightly curved ends that keep air Flow to a minimum. The lack of suction allows cut grass to exit the mower while keeping dust and debris levels down. Toro Low Flow mower blades cause less engine strain than Hi-Flow blades. This Toro blade has multiple applications. Be sure to verify model and serial number to ensure the correct part.
Atomic 20.5 Inch Blade Pack (6) (Part # 140-4880)
Toro OEM Atomic blade pack. (6) 20.5 Inch Atomic blades. Atomic blade is commonly referenced as a “Gator Style” or “Gator Blade”. Provides the best quality of cut while mulching. This Toro blade has multiple applications. Be sure to verify model and serial number to ensure the correct part.
Recycler 20.5 Inch Blade Pack (6) (Part # 140-4881)
Toro 20.5 Inch OEM Recycler blade pack. (6) Recycler blades. Recycler straight edge, standard discharge blade. The blade is designed for a High quality cut and long-lasting durability. These blades are designed with “wings,” called “accelerators” that kind of act like a fan — forcing the tiny bits of grass back into the earth. This Toro blade has multiple applications. Be sure to verify model and serial number to ensure the correct part.
4000 Series Base Light Kit (Part # 144-0389)
Genuine OEM Parts
4000 Series Electric Deck Lift Kit (Part # 144-0390)
Genuine OEM Parts
Please contact your local dealer
Please contact your local dealer
4000 Series E-Z Vac Blower & Drive Kit for 60" Deck (Part # 78466)
4000 Series E-Z Vac Blower & Drive Kit for 60" Deck - use with 4000 Series Twin Soft Bagger 48 - 60" Deck (#78463)
Please contact your local dealer
-
Model #
74035 -
Serial #
400000000 - 409432812 -
Product Name
4000 Series 60 in. (152 cm) 26.5 hp 747cc -
Product Brand
Toro -
Product Type
Riding Products -
Product Series
Zero Radius Turn, Commercial 4000 Series -
Chassis Type
ZRT - LCE -
Swath
60 inch / 152 cm -
Discharge
Side Discharge -
Engine/Motor Manufacturer
Kohler -
Engine/Motor Size
26.5 hp -
Engine/Motor Type
4 Cycle -
Engine Starter
Electric -
Transmission Type
Hydrostatic -
Traction Type
Rear WD
-
Engine: Battery
12V 300CCA -
Engine: Spark Plug Gap
.030"/ .76mm -
Chassis: Tire Pressure
13 psi / 90 kPa -
Engine: Spark Plug
Champion XC12YC -
Drive System: Ground Speed
0-10 mph / 0-16kph -
Engine: Engine Speed
3800±75 RPM -
Chassis: Height of Cut Range
1.5" - 5.5" (38-140mm) -
Engine: Engine Oil Type
64 oz. (1.9L) 10w-30 with filter change -
Drive System: Gearbox Lubricant
HYPR-OIL 500

























