Workman® HDX 2WD
Informations produit
- Numéro de modèle : 07384
- Numéro de série : 420000000 - 999999999
- Type de produit : Vehicles
Chargement...
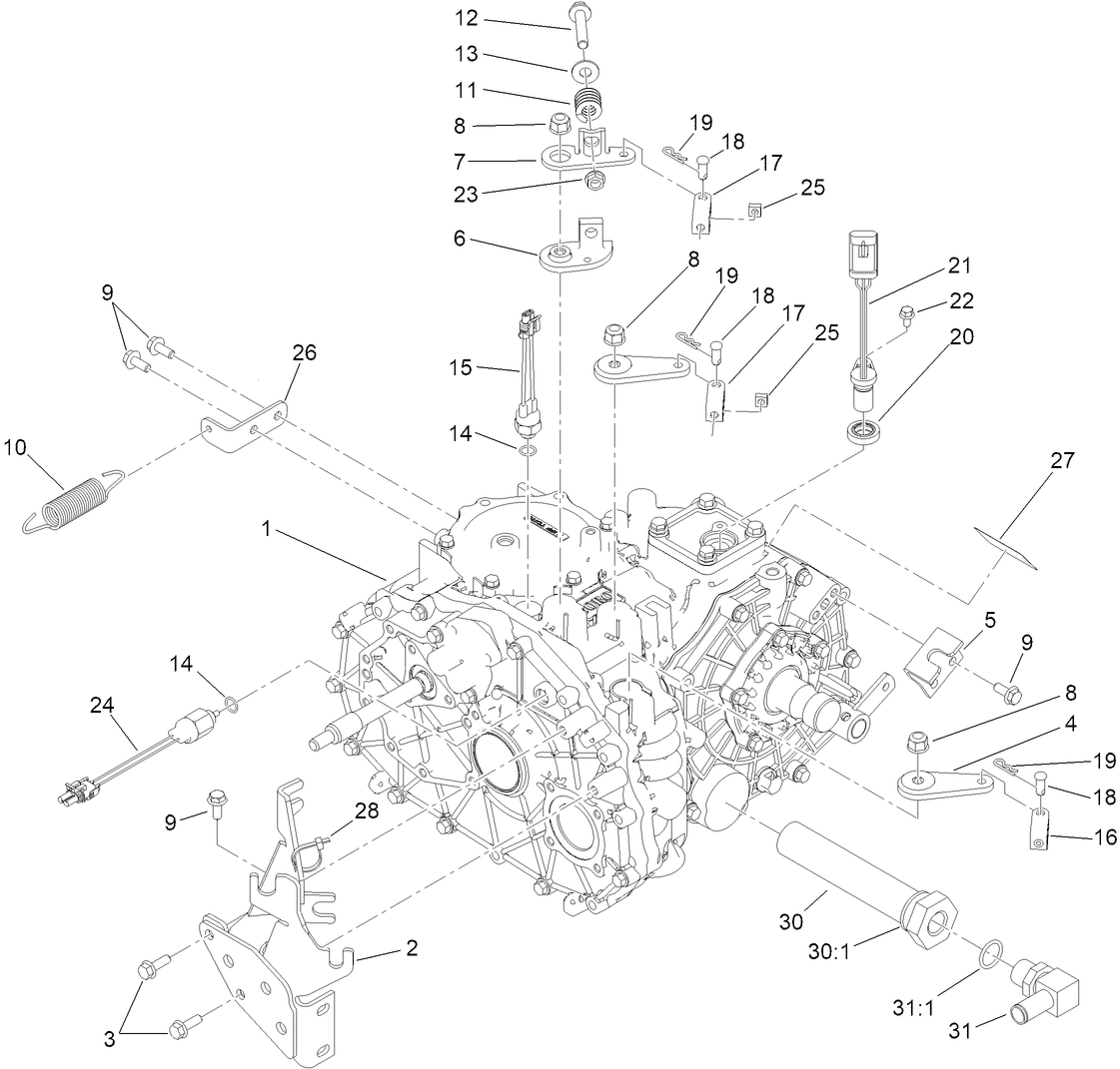
Schémas d'assemblage
Rechercher une pièce dans des schémas d'assemblage :
-
Manuel de l'utilisateur
-
Catalogue de pièces
-
Garantie produit
-
Schéma électrique
-
Schéma hydraulique
High-Flow Hydraulics Kit (Réf. 07316)
- Provides 8 GPM hydraulic flow in a separate circuit
- Used to power attachments and implements, such as Pro Sweep®, Vicon® Spreader, Topdressers, etc.
Plastic Bedliner (Réf. 07331)
- A rugged, weatherproof plastic construction liner that protects the cargo bed.
Cab Heater (Réf. 07349)
- Mounted inside on the passenger side near the floor
- Heater provides enhanced comfort when needed on cold weather days – ties into radiator
Canopy (Réf. 07372)
- Protects operators and passengers from the sun and rain.
- Made of durable, high density polyethylene material with drainage outlets for moisture runoff.
Folding Windshield (Réf. 07373)
- Clear, high impact modified acrylic material
- Quick and easy fold down design to allow air flow and enhance operator and passenger comfort.
4-Post ROPS (Réf. 07378)
- Consists of four vertical posts connected together by top members.
- Protects operator from injury in case of roll over.
Cab Kit (Réf. 07392)
- Features a vented front glass windshield for cross ventilation, glass windshield, and side panels for enhanced visibility, interior dome light, and a 2-speed windshield wiper.
- ROPS & CE certified
Cab Door Kit (Réf. 07393)
Hand Throttle Kubota® EFI (Réf. 07408)
- Electronically-controlled throttle and speed control
- Holds RPM constant during spraying and topdressing applications for consistent application rate.
Rear PTO Kit (Réf. 07419)
Synthetic Turf Conditioner, Tow-Behind Accessory (Réf. 08791)
PIN-HITCH (Réf. 100-4523)
STAND-JACK (Réf. 105-9482-03)
Backup Alarm Kit, 2004 and After Workman Heavy-Duty Utility Vehicles (Réf. 107-8037)
PREMIUM ATF DRUM (Réf. 108-1185)
PREMIUM ATF PAIL (Réf. 108-1186)
PREMIUM ALL PURPOSE GREASE (Réf. 108-1190)
Remote Hydraulics Manifold Kit, Heavy-Duty Workman Vehicles (Réf. 110-2626)
WHEEL-12X8.0 (Réf. 114-8260)
Hourmeter, Wireless Hourmeter System (Réf. 115-4754)
Horn Kit, Workman MD/MDX/HD/HDX/HDX-D Vehicle (Réf. 115-7825)
Side Mirror Kit, 2009 and After Heavy Duty Workman Vehicle (Réf. 115-7849)
External Antenna Kit, Wireless Hourmeter System (Réf. 115-9524)
Base Station Kit, Wireless Hourmeter System (Réf. 115-9542)
Repeater Kit, Wireless Hourmeter System (Réf. 115-9543)
Worklight Kit, 2009 and After Heavy Duty Workman Vehicle (Réf. 117-4827)
REMOTE HYD FLOAT KIT-HD WORKMAN (Réf. 117-4828)
Receiver Hitch Kit, Workman HD/HDX/HDX-D Series Utility Vehicle (Réf. 117-4831)
Canopy for Four-Post Roll-Over Protection System Kit, Workman HD/HDX/H (Réf. 119-9457)
High Air Intake Kit, Workman HD/HDX/HDX-D Utility Vehicle (Réf. 121-6285)
Trailer Brake Kit, Workman HD/HDX/HDX-D Series Utility Vehicle (Réf. 125-0123)
Tailpipe Extension Kit, Workman HD/HDX/HDX-D Series Utility Vehicle (Réf. 127-7397)
Backup Alarm Kit, Workman HDX-Auto Utility Vehicle (Réf. 127-8729)
1/3 AREA COVER KIT (Réf. 127-8739)
Exterior Mirror Kit, Workman MD/MDE/MDX/HDX Cab Kit (Réf. 130-5448)
Interior Mirror Kit, Workman MD/MDE/MDX/HDX Cab Kit (Réf. 130-5449)
Beacon Kit, Workman MD/MDE/MDX/HDX Cab Kit (Réf. 130-5484)
Work Light Kit, Workman MD/MDE/MDX/HDX Cab Kit (Réf. 130-5485)
Windshield Washer Fluid Kit, 2015 and after Workman MD/HD Series Utili (Réf. 130-5615)
HITCH ASM (Réf. 131-3462)
Small Seat Cover (Réf. 131-6690)
TIRE/WHEEL ASM (Réf. 131-8428)
TIRE/WHEEL ASM (Réf. 131-8430)
TIRE/WHEEL ASM (Réf. 131-8432)
TIRE-REAR (Réf. 131-8433)
Power Point Kit, Workman GTX or GTX Electric Utility Vehicle (Réf. 131-8550)
LED Worklight Kit, Workman MD or HD Series Utility Vehicle (Réf. 133-0554)
ROPS Beacon Kit, Workman MD or HD Series Utility Vehicle (Réf. 133-0609)
BRACKET-LIGHT, CANOPY (Réf. 133-0627)
Door Mount Mirror Kit, Workman GTX, HDX, and MD, Series Utility Vehicl (Réf. 136-1997)
WHEEL/TIRE ASM, A502 (Réf. 136-6308)
WHEEL/TIRE ASM, K502 (Réf. 136-6309)
WHEEL/TIRE ASM, A404 (Réf. 136-6334)
WHEEL/TIRE ASM, A404 (Réf. 136-6335)
Brake and Signal LED Light Kit, Serial number 410500000 and After Workman HD Utility Vehicle (Réf. 145-2296)
TRAILER SIGNAL KIT, LED (Réf. 147-2791)
LAMP KIT-HOMOLOGATION, LED (Réf. 147-2798)
MVP KIT 400HR WORKMAN HDX(07386)2013+ (Réf. 30248)
Pulvérisateur de gazon Multi Pro® WM de 757 litres (200 gallons) (Réf. 41240)
Le système de pulvérisation Multi Pro WM pour véhicules utilitaires Toro Workman® Série HD exploite la capacité de pulvérisation avancée de la gamme Multi Pro 5800 de Toro et allie fonctionnalité à des commandes intuitives et révolutionnaires. Il en résulte le pulvérisateur monté sur plateau le plus perfectionné, le plus efficace et précis le plus du marché pour un véhicule utilitaire. Agitation vigoureuse, temps de réaction plus courts, débits d'application précis et constants, réglage intuitif du débit, en font le pulvérisateur qui a tout pour plaire.
Topdresser 1800 de 0,5 m³ (18 po³) (Réf. 44225)
Le Topdresser 1800, d'une capacité de 0,5 m³ (18 pi³), se monte sur un Toro Workman ou autre véhicule utilitaire et produit des performances précises et d'excellents résultats avec une vitesse de terreautage maximale de 13 km/h (8 mi/h). Un levier de commande à distance permet une application contrôlée et précise sans quitter le confort de l'habitacle.
Topdresser 2500 de 0,7 m³ (25 po³) (Réf. 44507)
Si vous recherchez des performances et une puissance maximales, choisissez le Toro® Topdresser 2500, une machine autonome toutes roues motrices, tractée par un Toro® Workman® ou autre véhicule utilitaire. Avec une capacité de 0,7 mètre cube (25 pieds cube) et une vitesse de terreautage de 13 km/h (8 mi/h), elle saura se charger des travaux de terreautage les plus difficiles.
Souffleur de débris Pro Force™ avec télécommande (Réf. 44552)
Le souffleur de débris Pro Force™ assure un débit d'air plus important que n'importe quel souffleur de débris de type turbine à buse unique actuellement sur le marché. Une télécommande RF sans fil permet de démarrer et d'arrêter le moteur, de commander l'accélérateur pour varier le régime moteur et de tourner la buse de 360 degrés – le tout sans quitter le siège d'un Toro® Workman® ou autre véhicule utilitaire comparable. Ce souffleur offre une efficacité et un rendement supérieurs pour des opérations aussi variées que le nettoyage des allées de circulation et autres surfaces revêtues, le soufflage des débris d'herbe, des carottes d'aération ou du chaume, ou de tout autre débris organique.
Souffleur de débris Pro Force™ (conformité DOT) (Réf. 44553)
Le souffleur de débris Pro Force™ assure un débit d'air plus important que n'importe quel souffleur de débris de type turbine à buse unique actuellement sur le marché. Une télécommande RF sans fil permet de démarrer et d'arrêter le moteur, de commander l'accélérateur pour varier le régime moteur et de tourner la buse de 360 degrés – le tout sans quitter le siège d'un Toro® Workman® ou autre véhicule utilitaire comparable. Ce souffleur offre une efficacité et un rendement supérieurs pour des opérations aussi variées que le nettoyage des allées de circulation et autres surfaces revêtues, le soufflage des débris d'herbe, des carottes d'aération ou du chaume, ou de tout autre débris organique.
Souffleur de débris Pro Force™ avec commande fixe (Réf. 44554)
Topdresser ProPass™ série 200 de 0,6 m³ (21 pi³) (Réf. 44701)
Le topdresser centrifuge ProPass™ 200 de Toro permet de réaliser des épandages extrêmement précis allant d'un poudrage ultraléger au remplissage des trous d'aération, sans être obligé de procéder par tâtonnements. Une télécommande sans fil est le moyen le plus simple de régler et commander les fonctions d'épandage. Existe en version montée sur un véhicule utilitaire ou en version tractée.
Modèles de la série :
- ProPass 200 – Monté sur plateau ou tracté
- ProPass 200 – Monté sur plateau ou tracté avec commande sans fil
Topdresser ProPass™ série 200 de 0,6 m³ (21 pi³) (Réf. 44751)
Le topdresser centrifuge ProPass™ 200 de Toro permet de réaliser des épandages extrêmement précis allant d'un poudrage ultraléger au remplissage des trous d'aération, sans être obligé de procéder par tâtonnements. Une télécommande sans fil est le moyen le plus simple de régler et commander les fonctions d'épandage. Existe en version montée sur un véhicule utilitaire ou en version tractée.
Modèles de la série :
- ProPass 200 – Monté sur plateau ou tracté
- ProPass 200 – Monté sur plateau ou tracté avec commande sans fil
12" Rear Wheel Weights (Réf. 81115)
Fuse Block (Réf. 92-2641)
PTO Over Running Clutch Kit, Workman 3000 (Réf. 92-2655)
Lift Kit, Topdresser 1800 (Réf. 92-4452)
SCREEN - SPARK ARRESTOR (Réf. 94-8157)
TIRE - REAR, INDUSTRIAL (Réf. 99-1091)
-
Numéro de modèle
07384 -
Numéro de série
420000000 - 999999999 -
Nom du produit
Workman® HDX 2WD -
Marque du produit
Toro -
Type de produit
Vehicles









































































