Trojan
Product Information
- Model #: 30200
- Serial #: 70001 - 79999
- Product Type: Walk Behind Mowers
Loading...
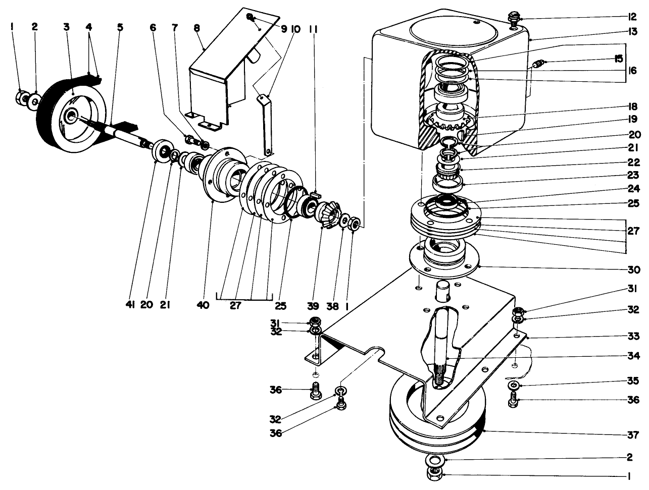
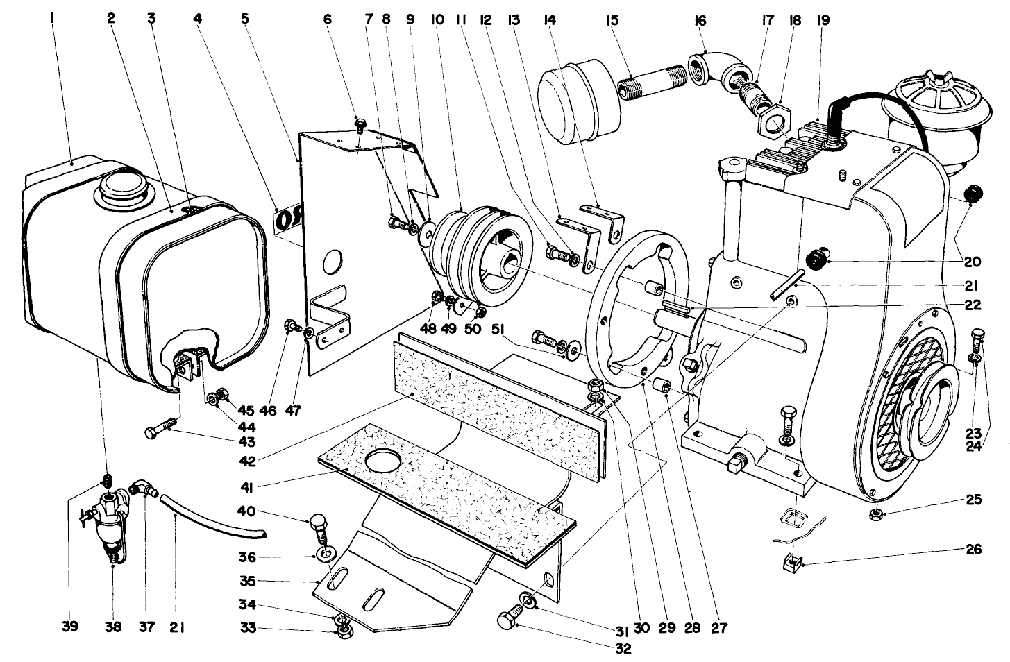
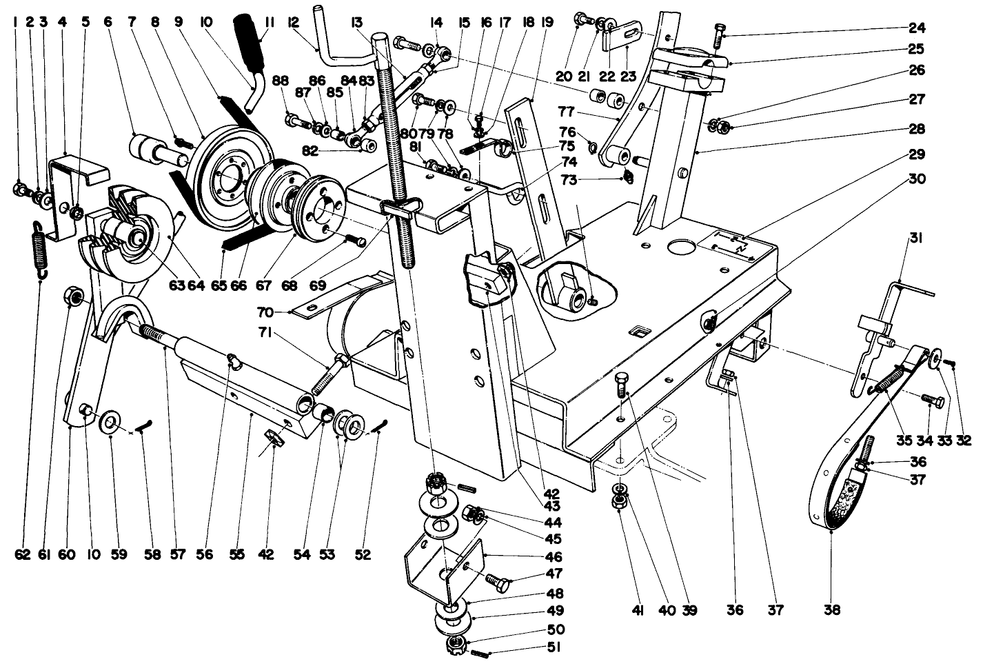
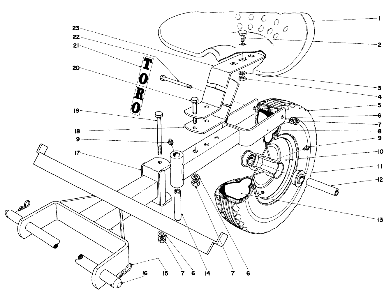
Assembly Drawings
Search for a part within assembly drawings:
-
Service Bulletin
-
Model #
30200 -
Serial #
70001 - 79999 -
Product Name
Trojan -
Product Brand
Toro -
Product Type
Walk Behind Mowers -
Product Series
Trojan Series










