Groundsmaster 1000L
Product Information
- Model #: 30200
- Serial #: 90001 - 99999
- Product Type: Riding Products
Loading...
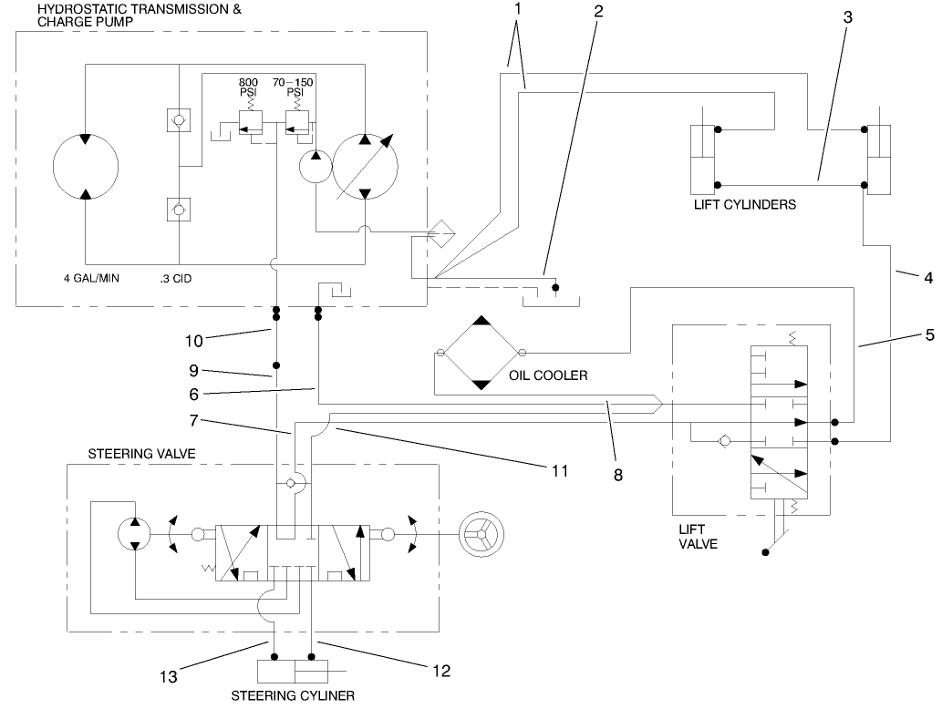
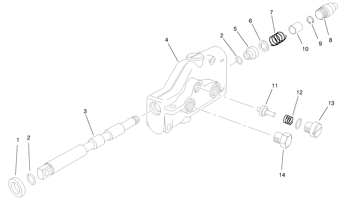
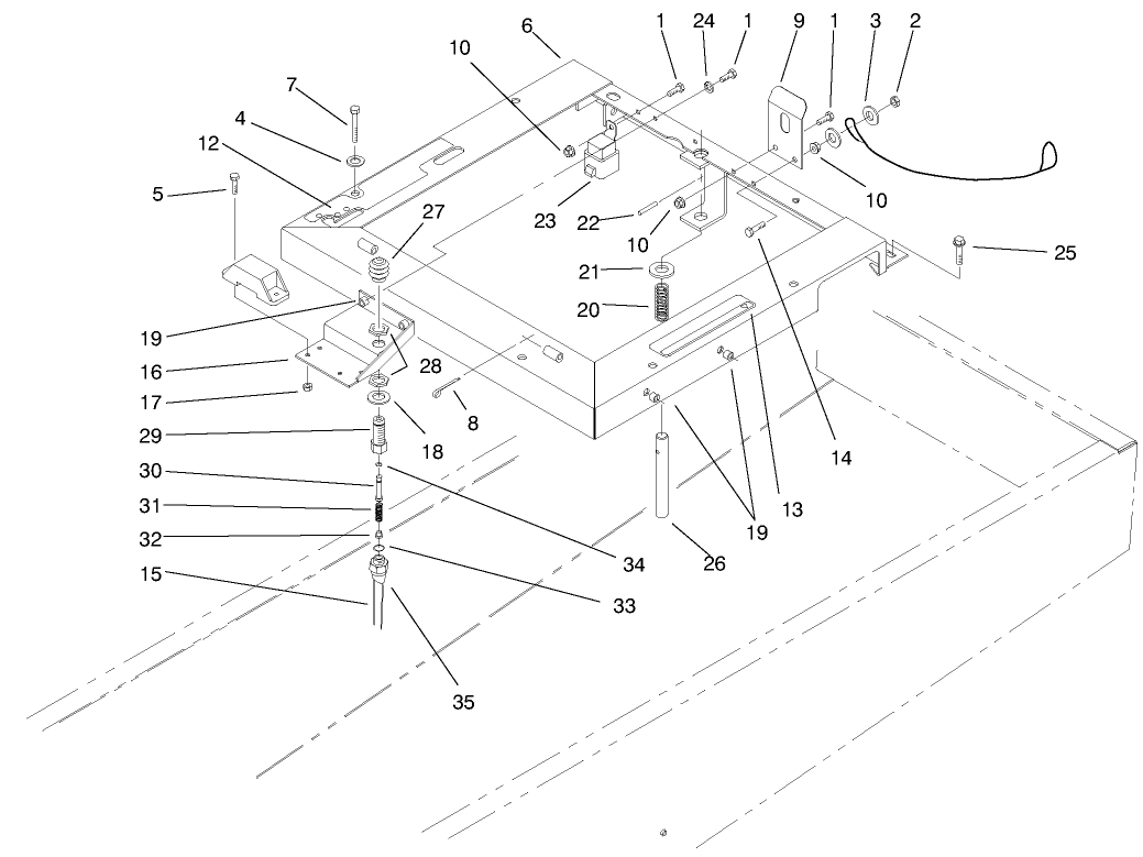
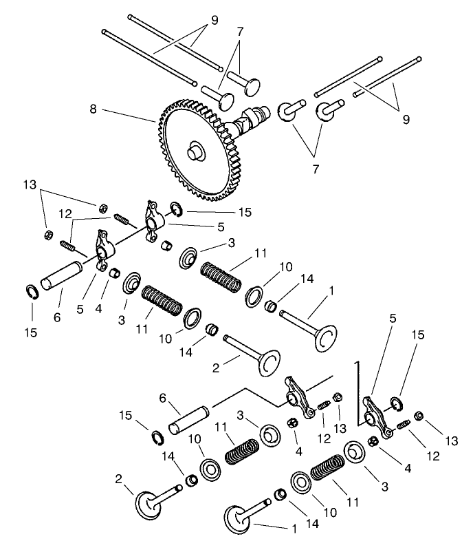
Assembly Drawings
Search for a part within assembly drawings:
-
Operator's Manual
-
Parts Catalog
-
Service Bulletin
-
Model #
30200 -
Serial #
90001 - 99999 -
Product Name
Groundsmaster 1000L -
Product Brand
Toro -
Product Type
Riding Products -
Product Series
Trojan Series


































