Groundsmaster 223-D 4 Wheel Drive
Product Information
- Model #: 30243
- Serial #: 50001 - 59999
- Product Type: Riding Products
Loading...
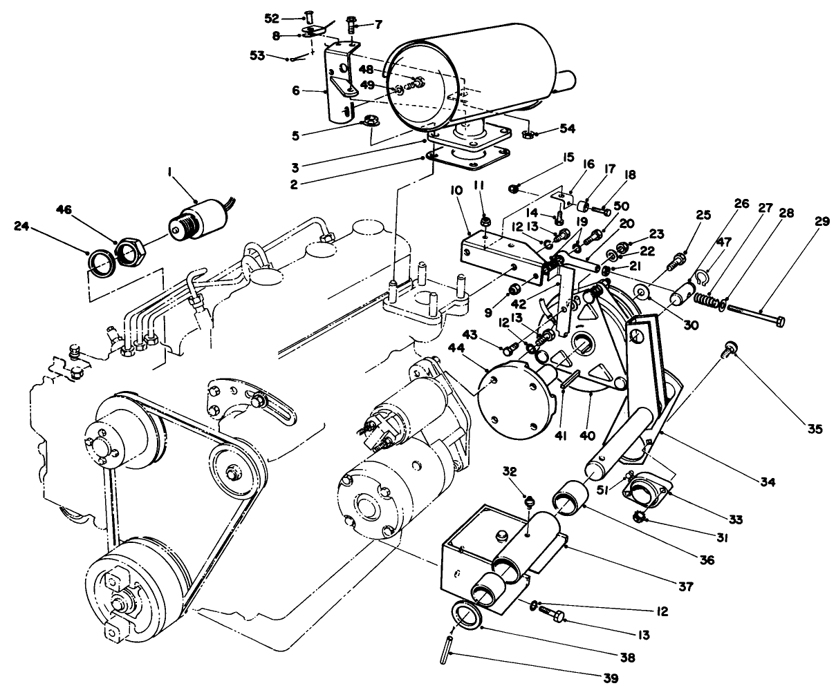
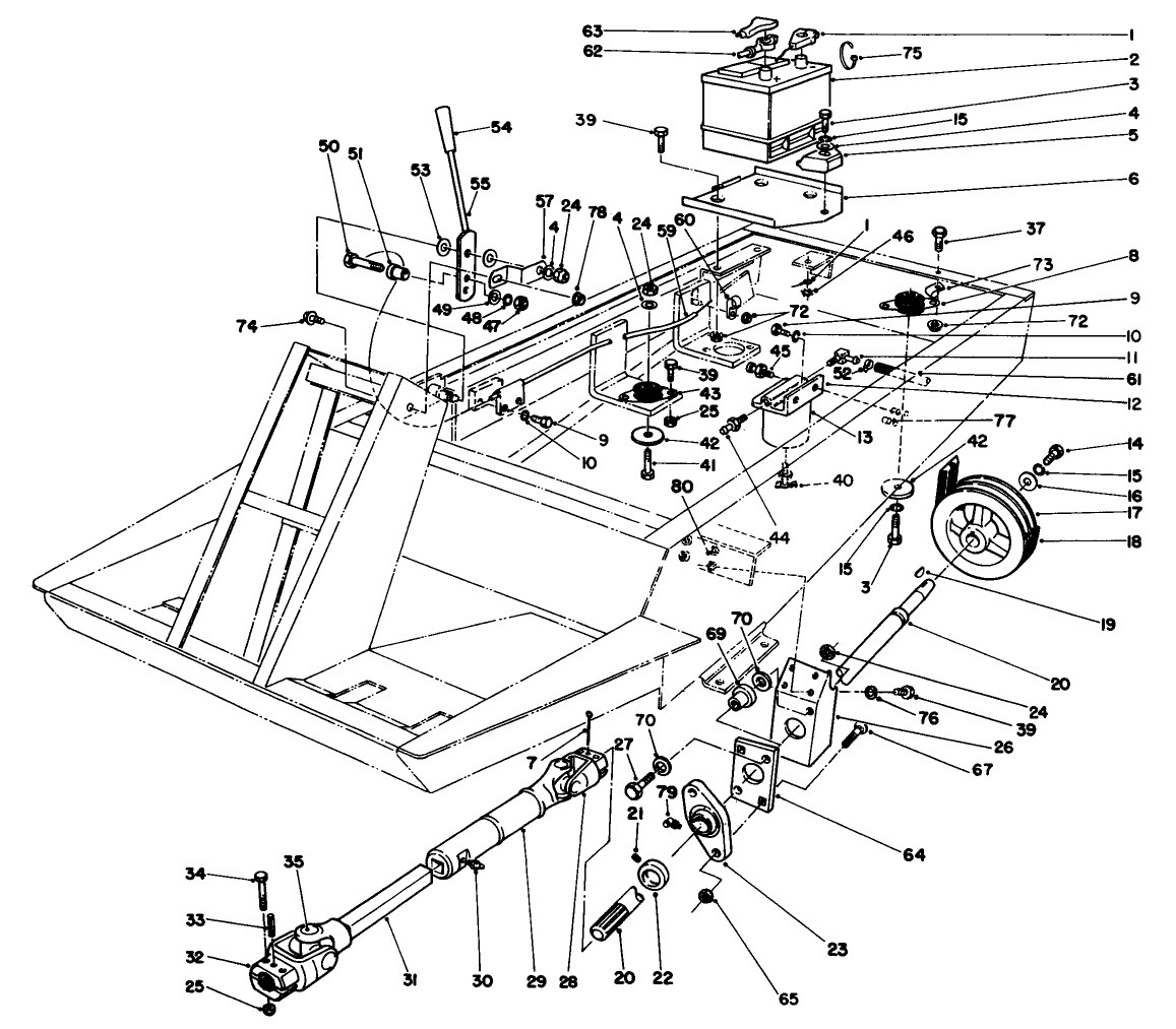
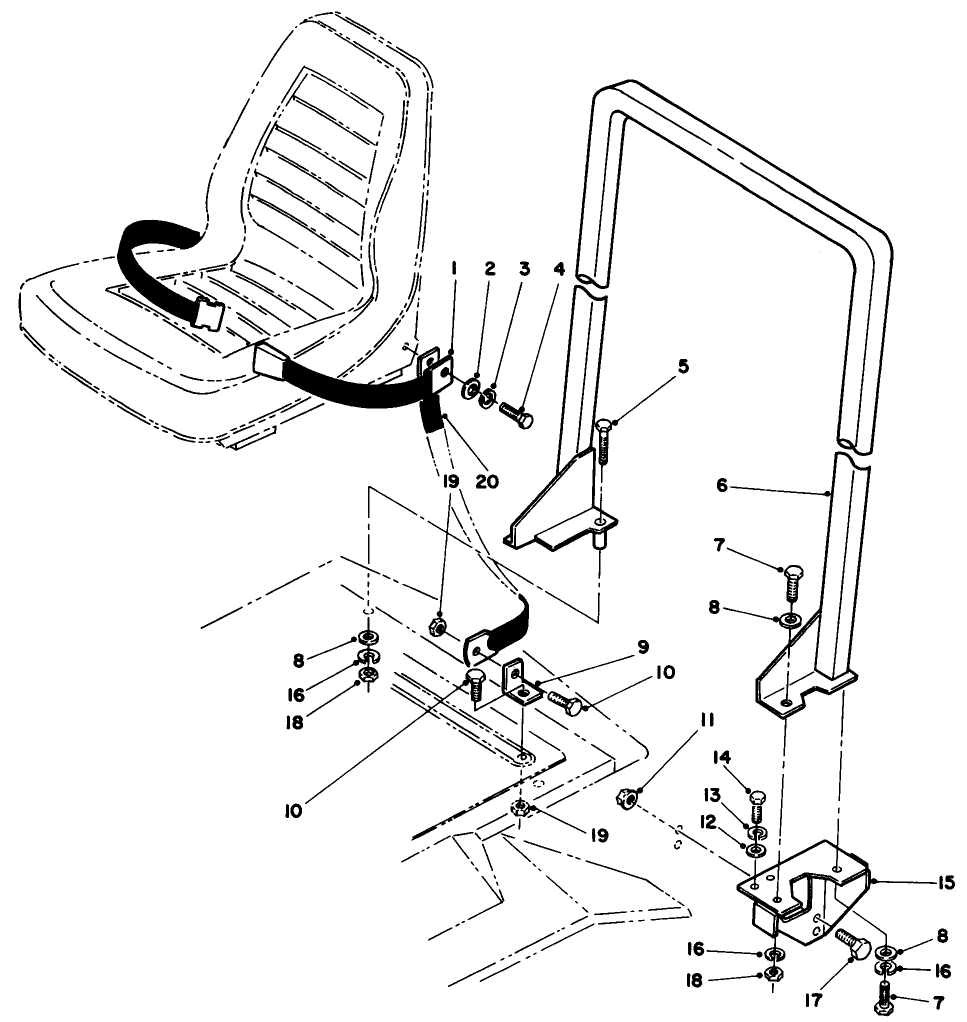
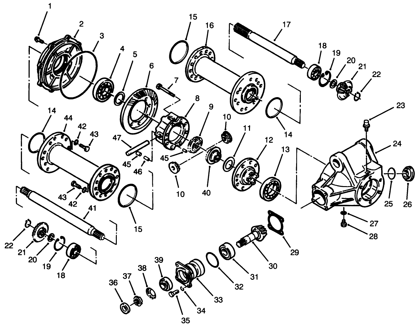
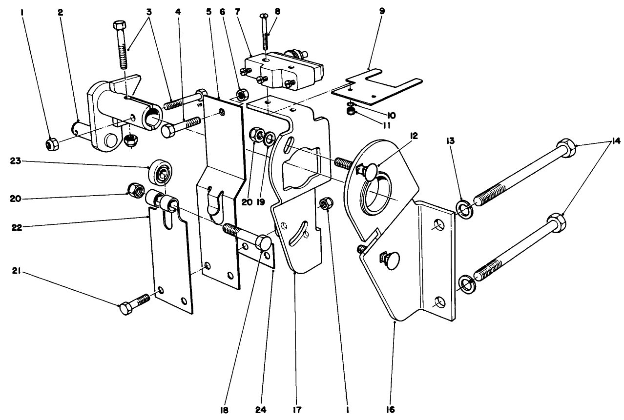
Assembly Drawings
Search for a part within assembly drawings:
-
Service Manual
-
Operator's Manual
-
Parts Catalog
-
Service Bulletin
-
Model #
30243 -
Serial #
50001 - 59999 -
Product Name
Groundsmaster 223-D 4 Wheel Drive -
Product Brand
Toro -
Product Type
Riding Products -
Product Series
Groundsmaster 62" / 200 Series







































