Reelmaster 216 3 Wheel Drive
Product Information
- Model #: 03430
- Serial #: 30001 - 39999
- Product Type: Riding Products
Loading...
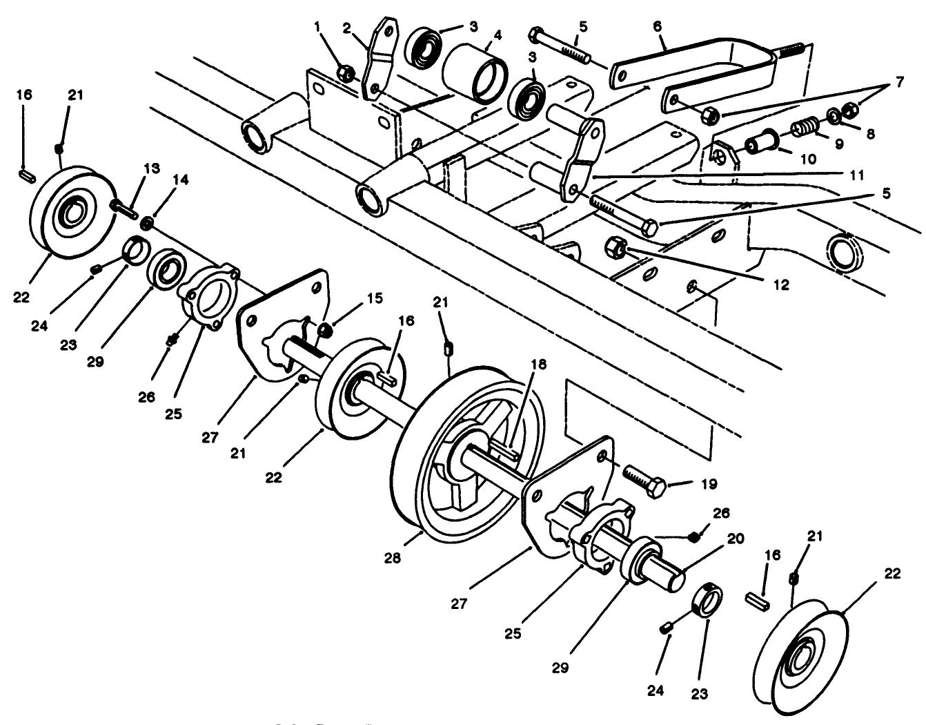
Assembly Drawings
Search for a part within assembly drawings:
-
Service Manual
-
Operator's Manual
-
Parts Catalog
-
Service Bulletin
-
Model #
03430 -
Serial #
30001 - 39999 -
Product Name
Reelmaster 216 3 Wheel Drive -
Product Brand
Toro -
Product Type
Riding Products -
Product Series
RM 200 Series

















































