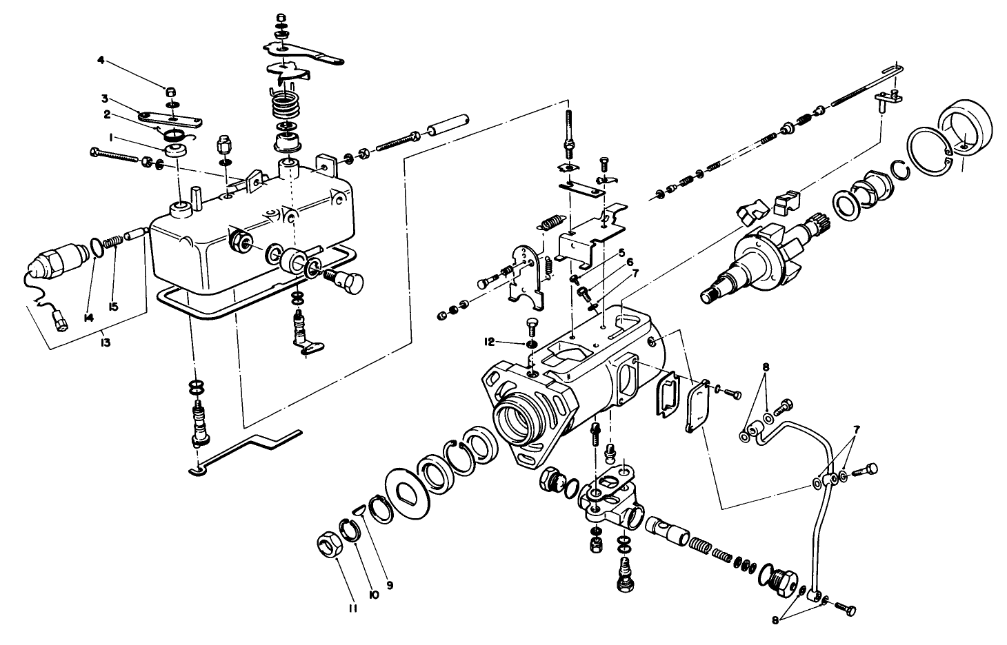
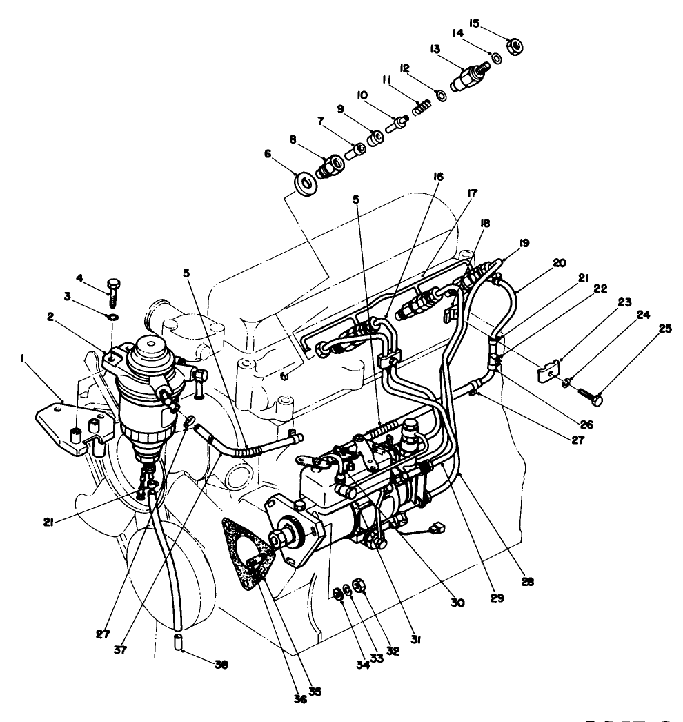
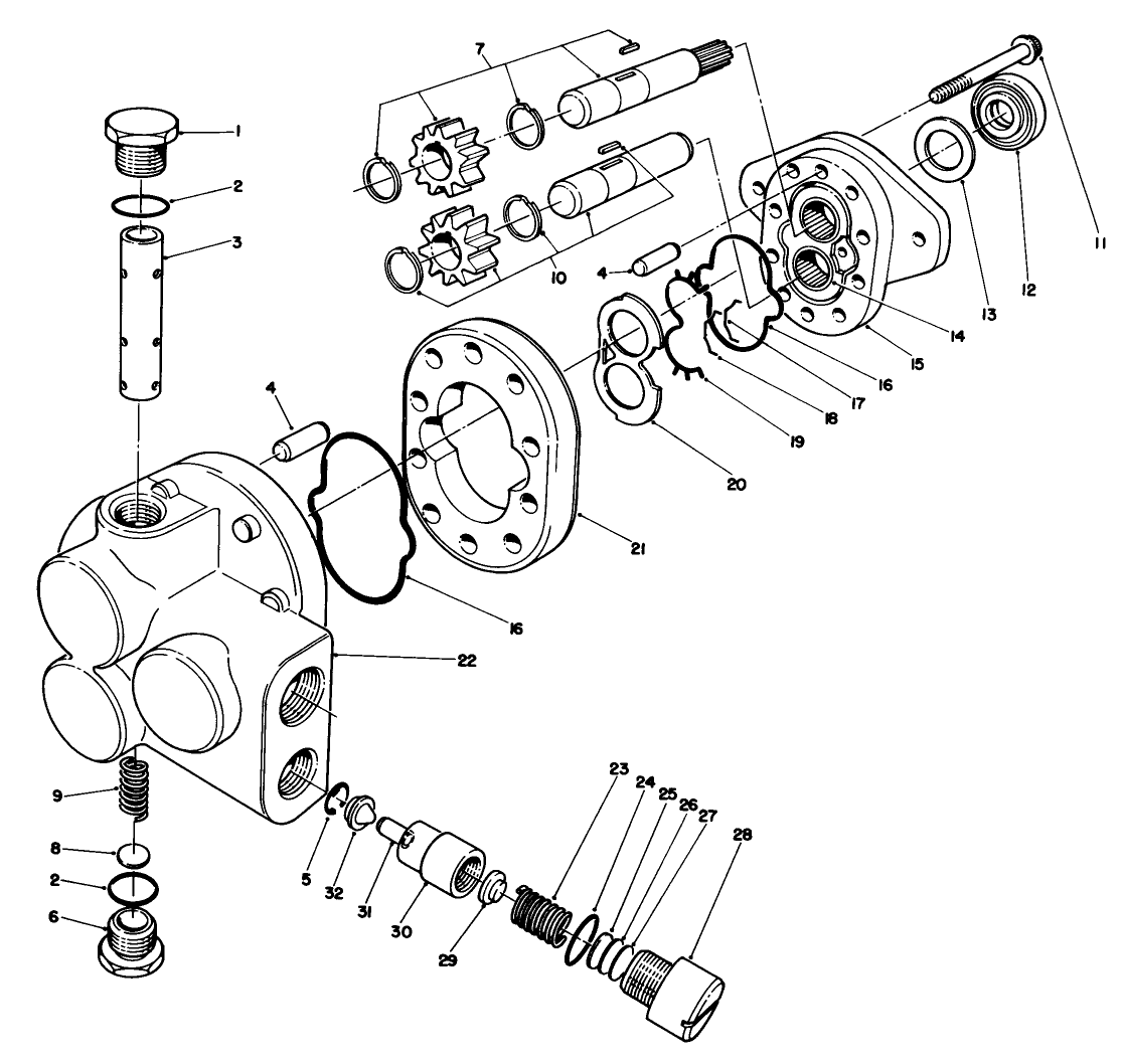
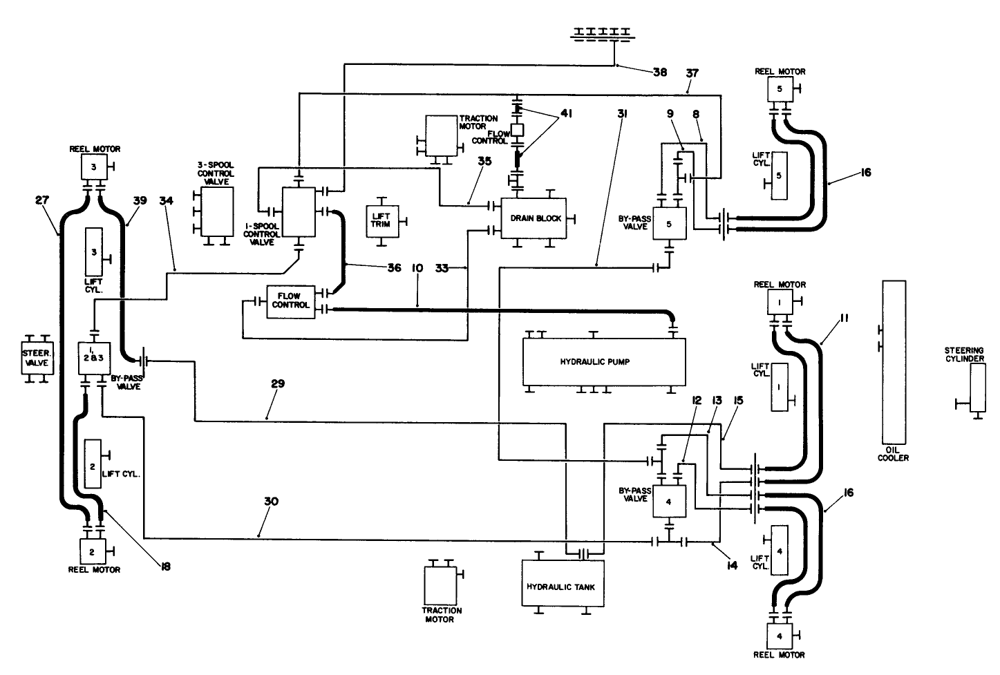
Reelmaster 450-D
Product Information
- Model #: 03701
- Serial #: 20001 - 29999
- Product Type: Riding Products
Loading...
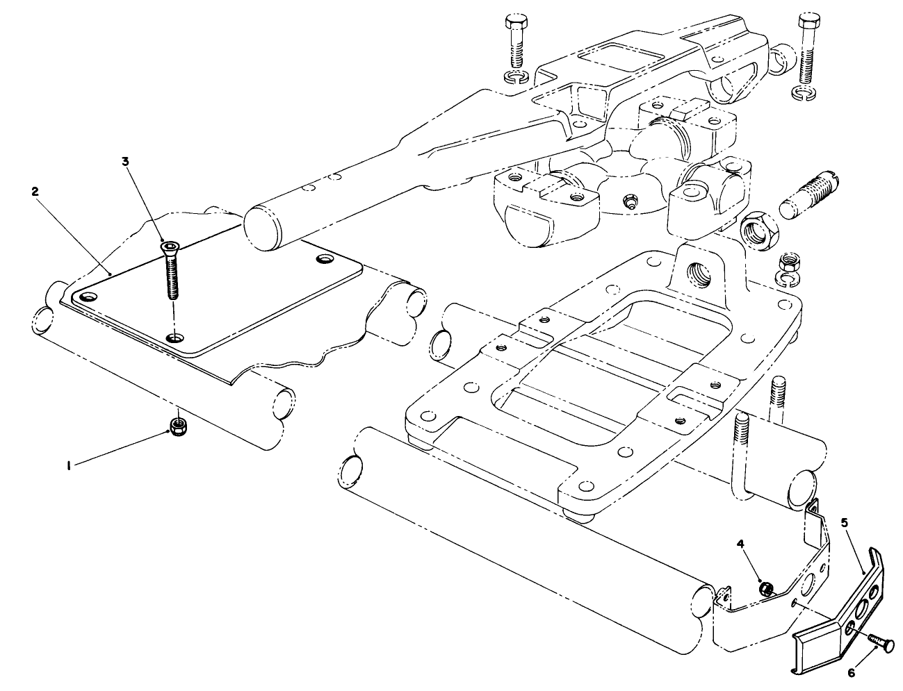
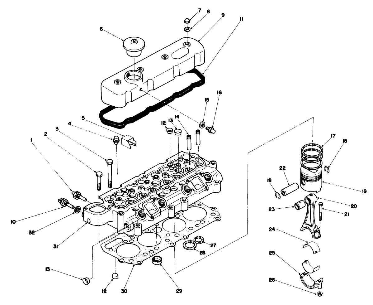
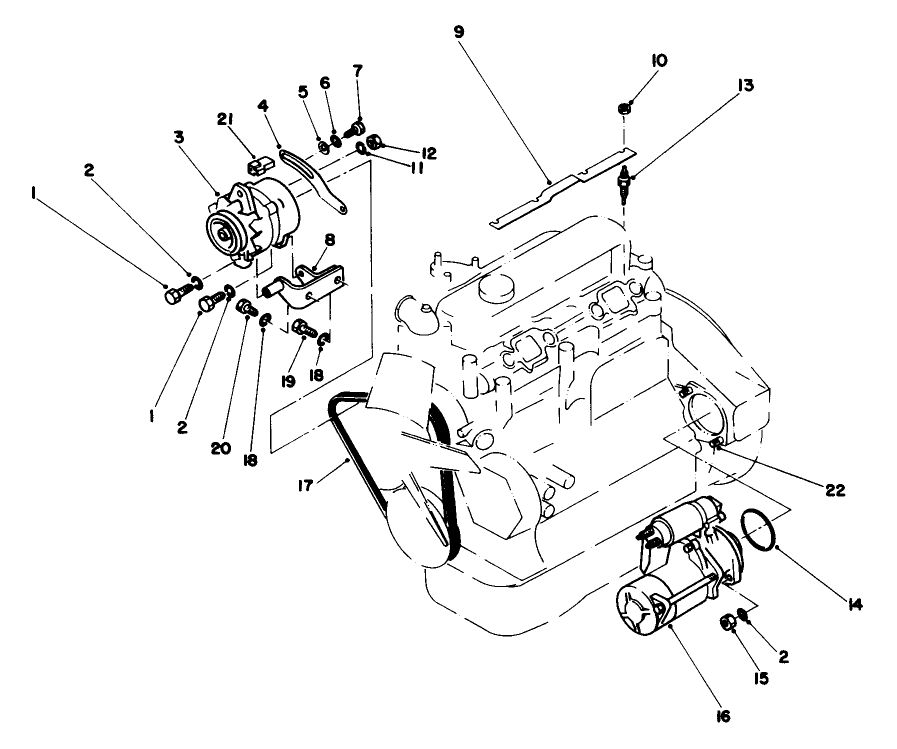
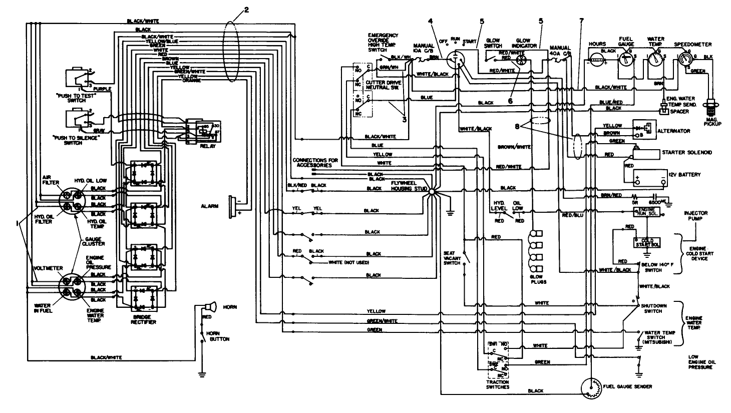
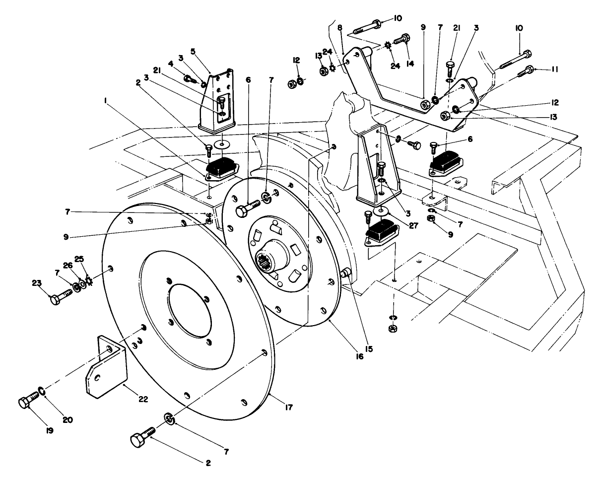
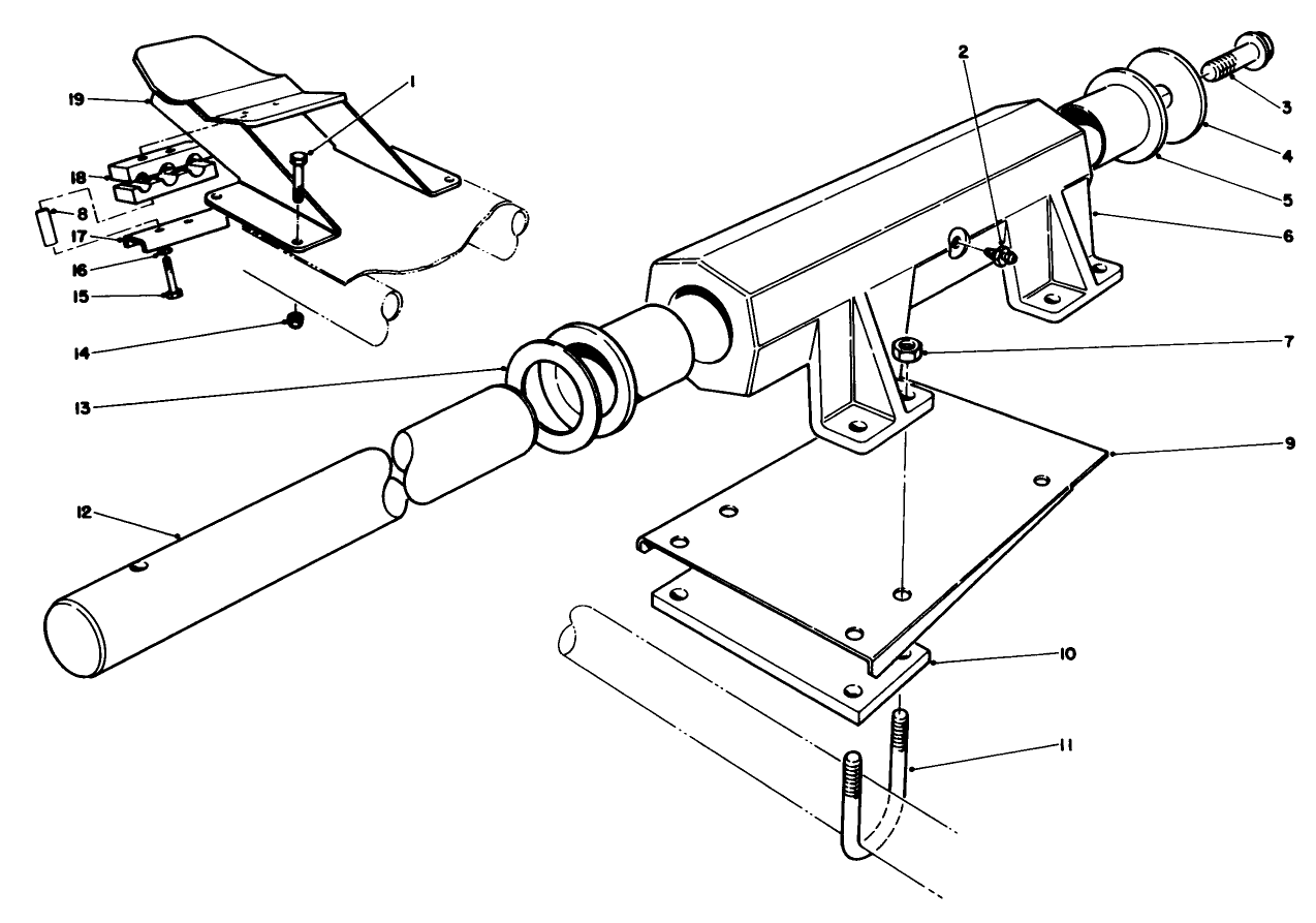
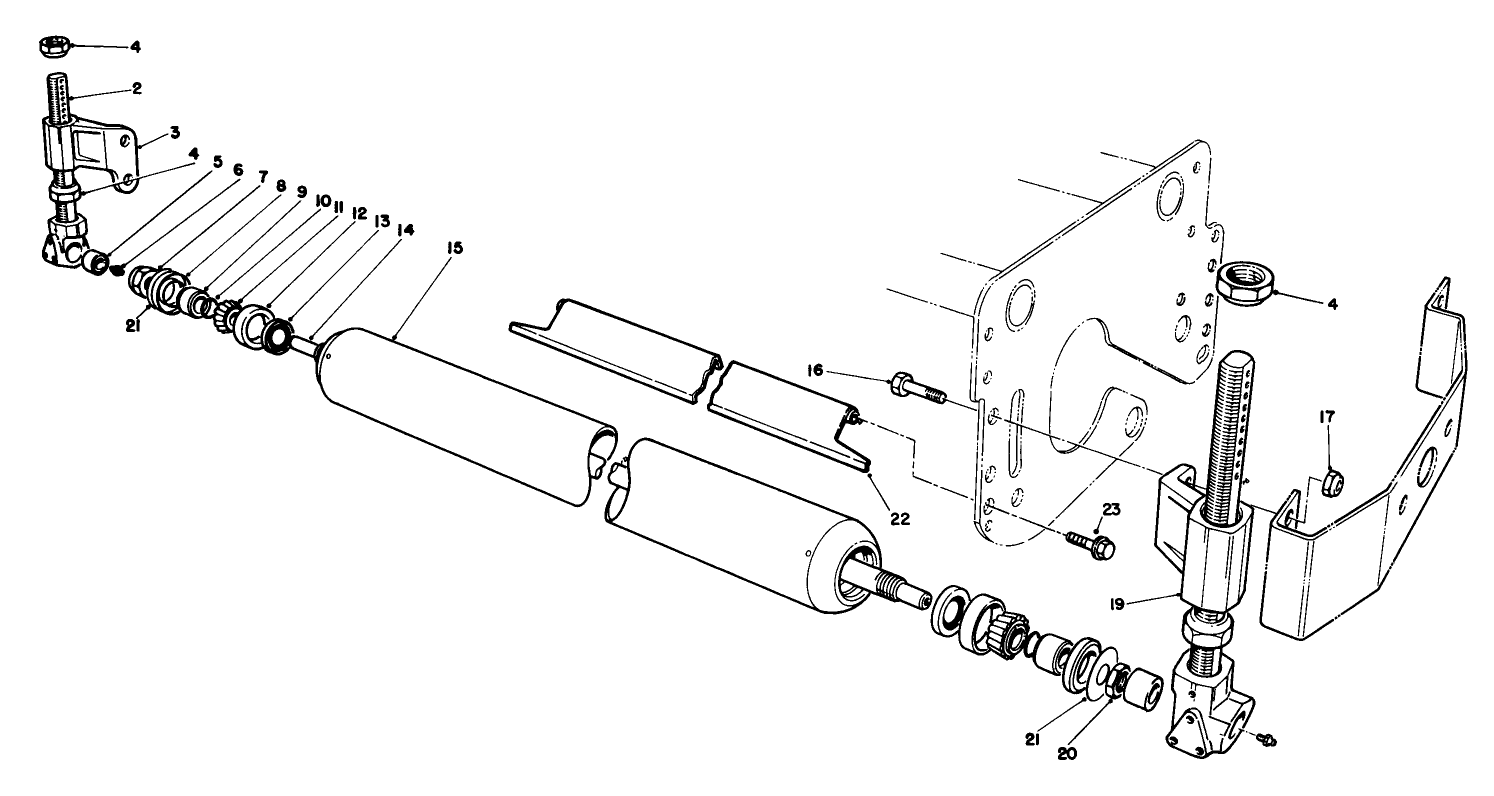
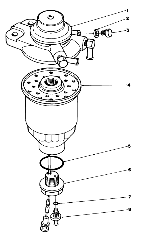
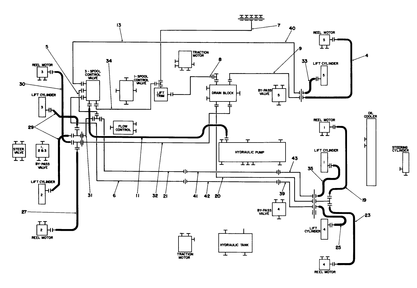
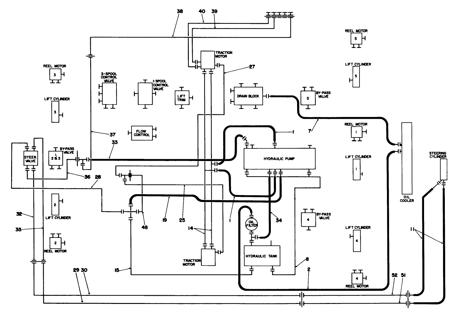
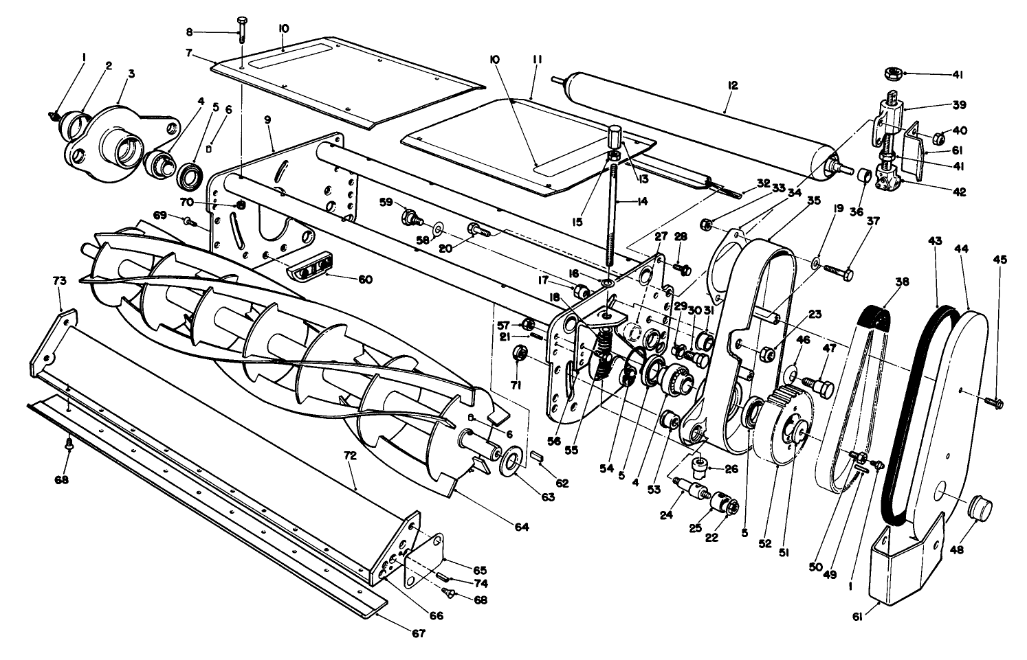
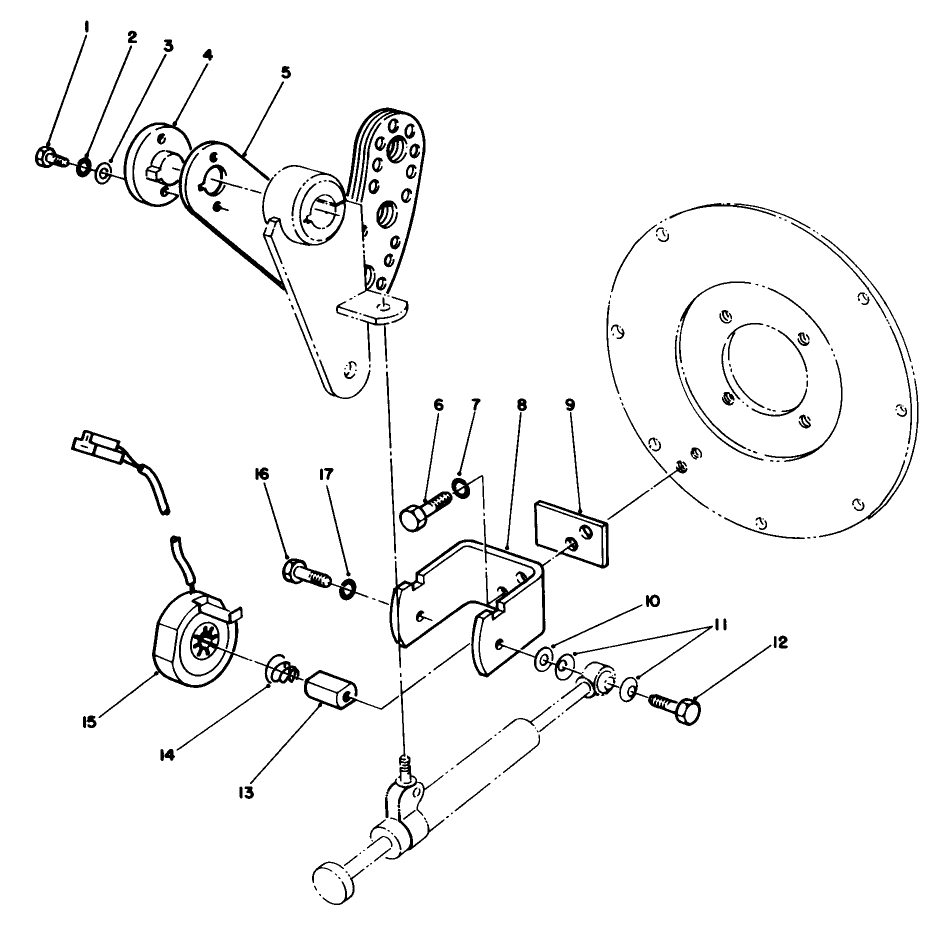
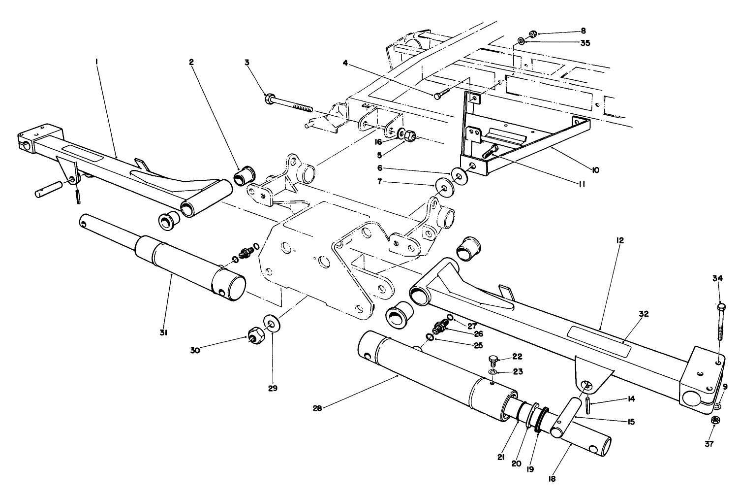
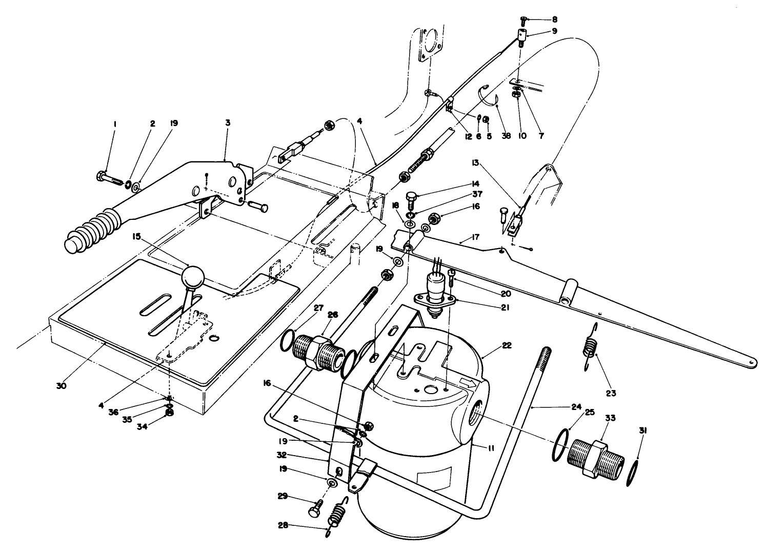
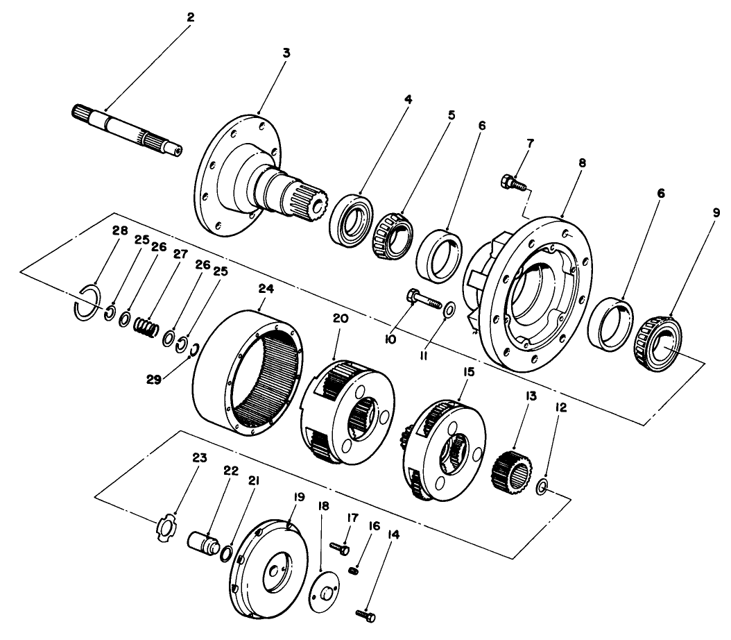
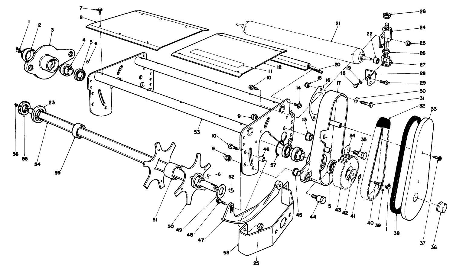
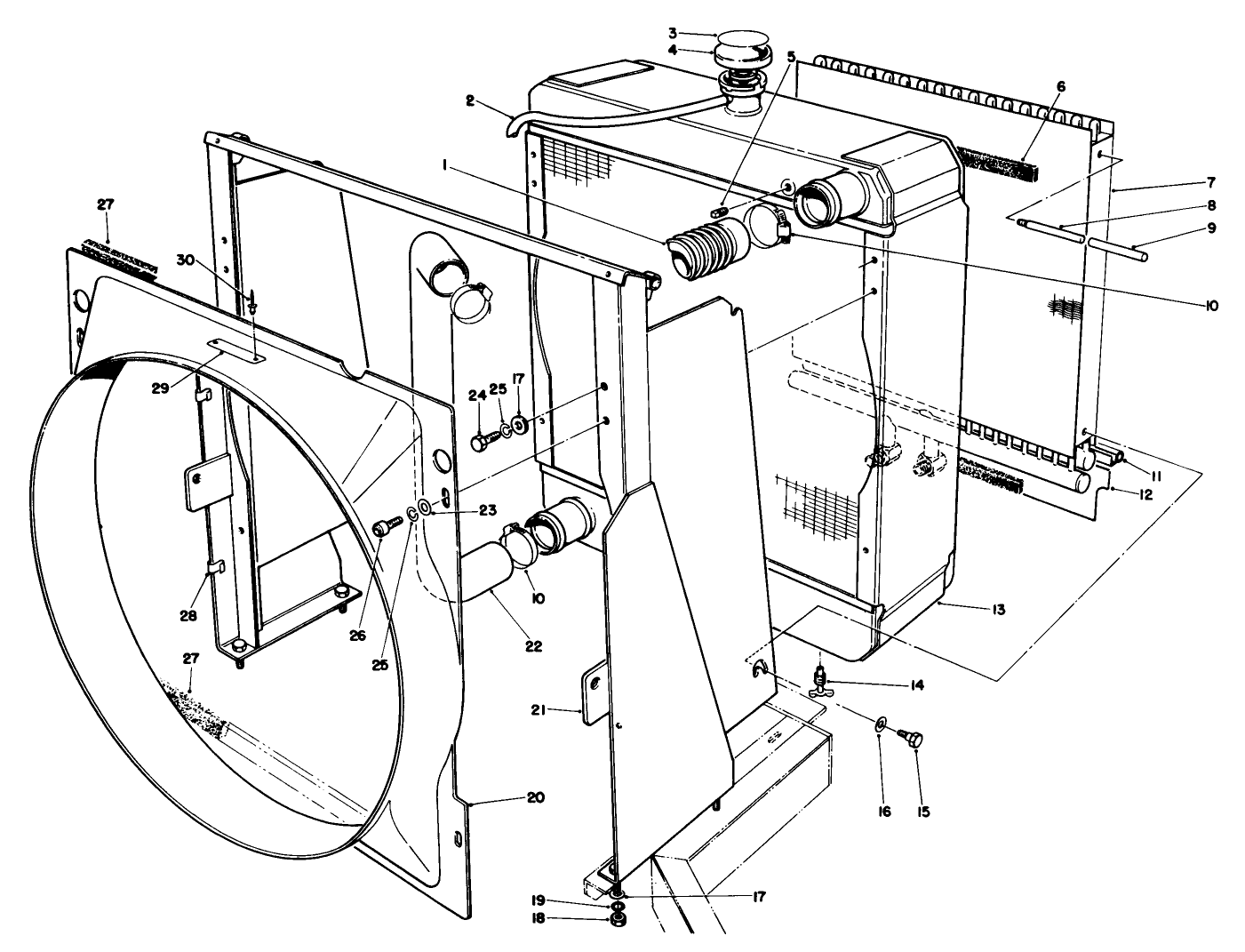
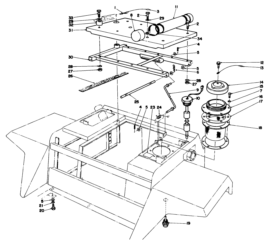
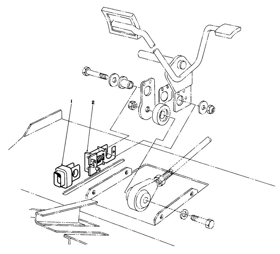
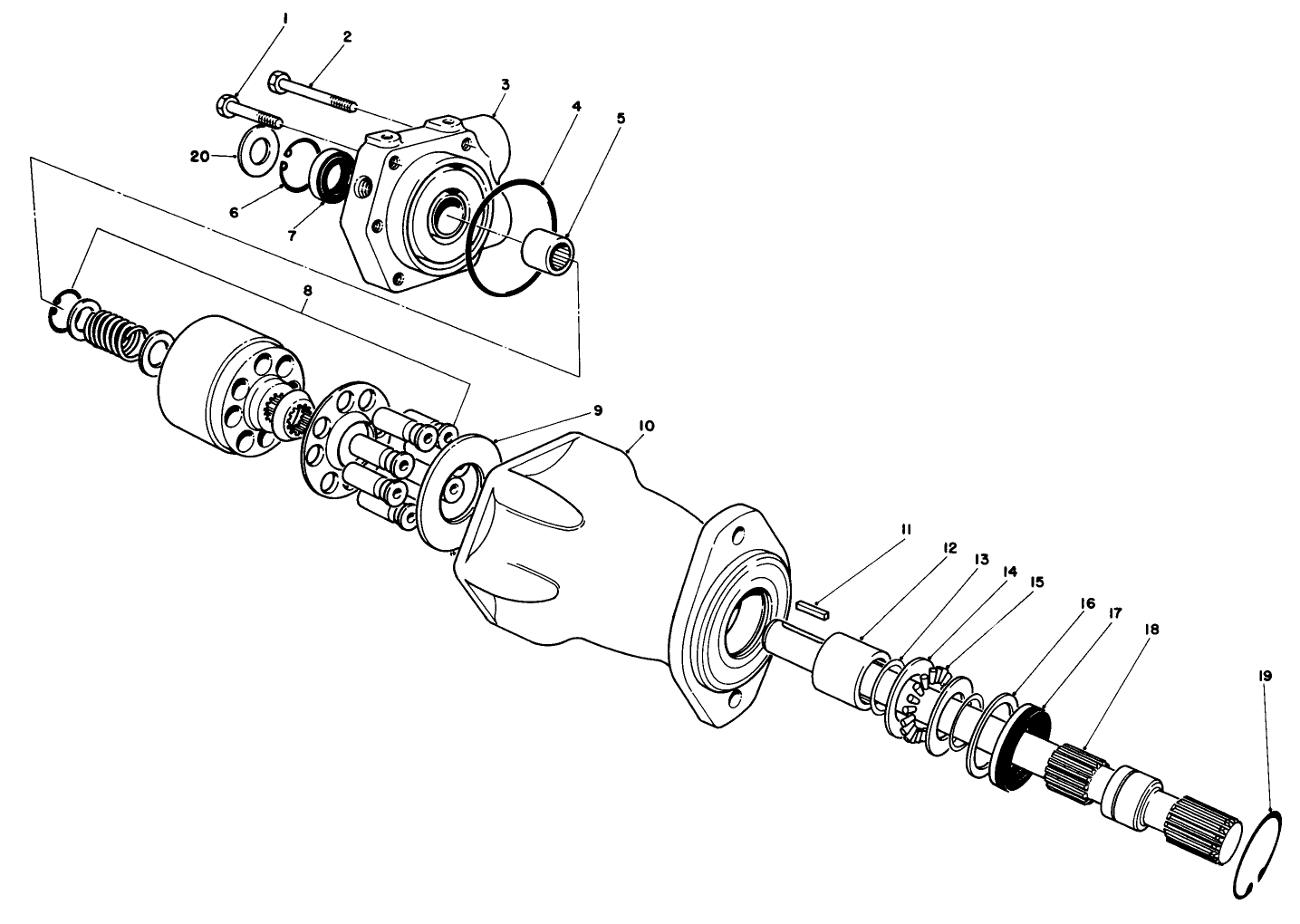
Assembly Drawings
Search for a part within assembly drawings:
-
Service Manual
-
Operator's Manual
-
Parts Catalog
-
Service Bulletin
-
Model #
03701 -
Serial #
20001 - 29999 -
Product Name
Reelmaster 450-D -
Product Brand
Toro -
Product Type
Riding Products -
Product Series
RM 400 Series

















































































