Groundsmaster 220
Product Information
- Model #: 30620
- Serial #: 690001 - 699999
- Product Type: Riding Products
Loading...
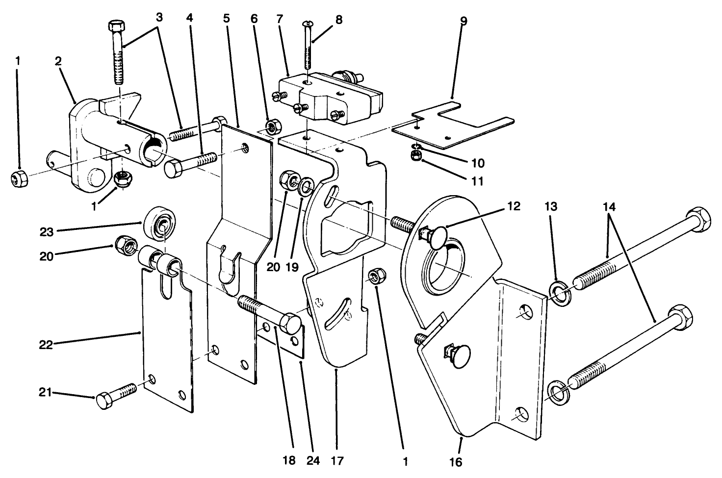
Assembly Drawings
Search for a part within assembly drawings:
-
Service Manual
-
Operator's Manual
-
Parts Catalog
-
Service Bulletin
WEIGHT-REAR (Part # 24-5790)
TIRE CHAINS (1 PAIR) (Part # 28-5470)
52 Inch Blower Kit (Part # 30502)
62" Blower Kit, Mower (Part # 30503)
9.0 cu. ft. Bagger Kit (Part # 30504)
52" Side Discharge Mower (Part # 30652)
62" Side Discharge Mower (Part # 30662)
Mulcher Kit, 52" Mower (Part # 30700)
Deluxe Seat Kit (Part # 30705)
Leaf Mulcher 62" (Part # 30792)
18.00 Inch High Sail/Flow Blade (Part # 44-5480)
Toro 18.00 Inch OEM High Sail/Flow blade. This Sharp replacement blade provides a crisp, clean cut time after time. You can count on the reliability of this Toro replacement High Sail/Flow rotary mower blade. This Toro blade has multiple applications. Be sure to verify model and serial number to ensure the correct part.
Debris Blower 2670 (Part # 44524)
Debris Blower Adapter Kit (Part # 44529)
XRef: 56-2390-03 (Part # 56-2390)
LOW COST MULCHER (Part # 57-0700)
52"DECK RECYCLER KIT (Part # 59225)
*OBS* 52" FRONT BAFFLE KIT (Part # 68-7210)
High Sail Blade (Part # 77-6710)
62" FRONT BAFFLE KIT (Part # 82-8800)
-
Model #
30620 -
Serial #
690001 - 699999 -
Product Name
Groundsmaster 220 -
Product Brand
Toro -
Product Type
Riding Products -
Product Series
Groundsmaster 62" / 200 Series -
Swath
Deck Optional -
Discharge
Deck Optional -
Engine/Motor Manufacturer
Onan -
Engine/Motor Size
20 hp -
Engine/Motor Type
4 Cycle CARB1 -
Engine Starter
Electric -
Transmission Type
Hydrostatic
-
Engine: Spark Plug
Champion RS14YC -
Engine: Spark Plug Gap
.025"/ .64mm -
Engine: Engine Speed
3200±100 RPM -
Chassis: Tire Pressure
10-15 psi -
Engine: Engine Oil Type
1.8 qt (1.7L) 10w-30 engine oil API SF or higher -
Drive System: Gearbox Lubricant
5 qts. 10w-30 engine oil API SF or higher































