Proline 220
Product Information
- Model #: 30620
- Serial #: 590001 - 599999
- Product Type: Riding Products
Loading...
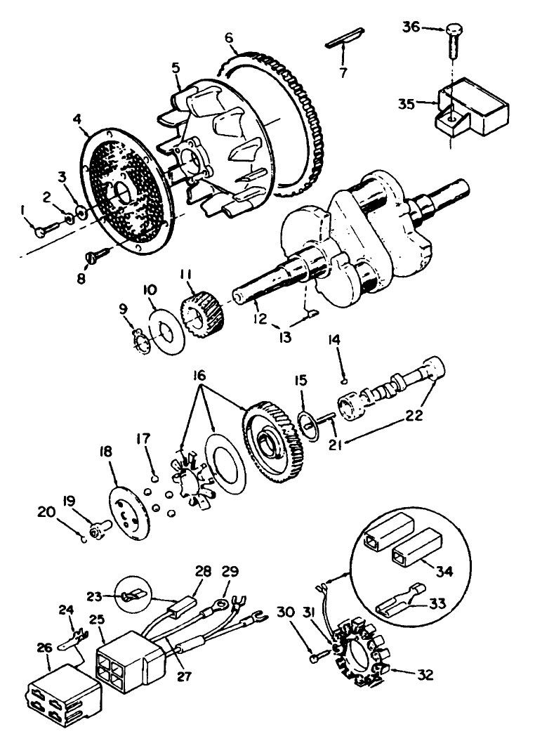
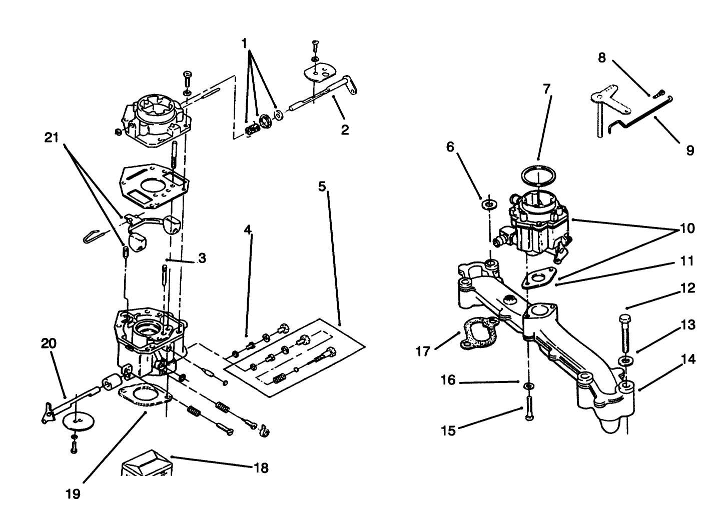
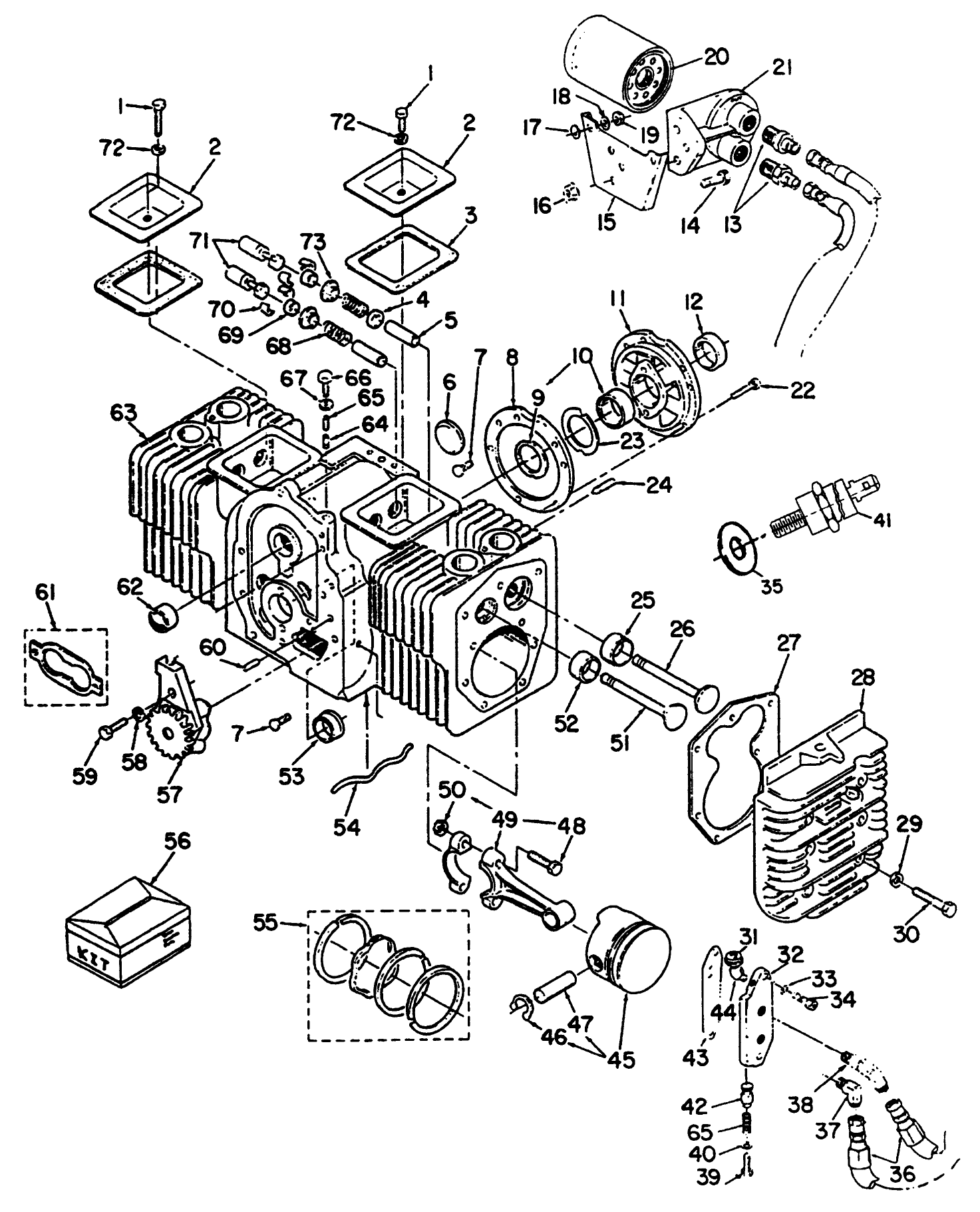
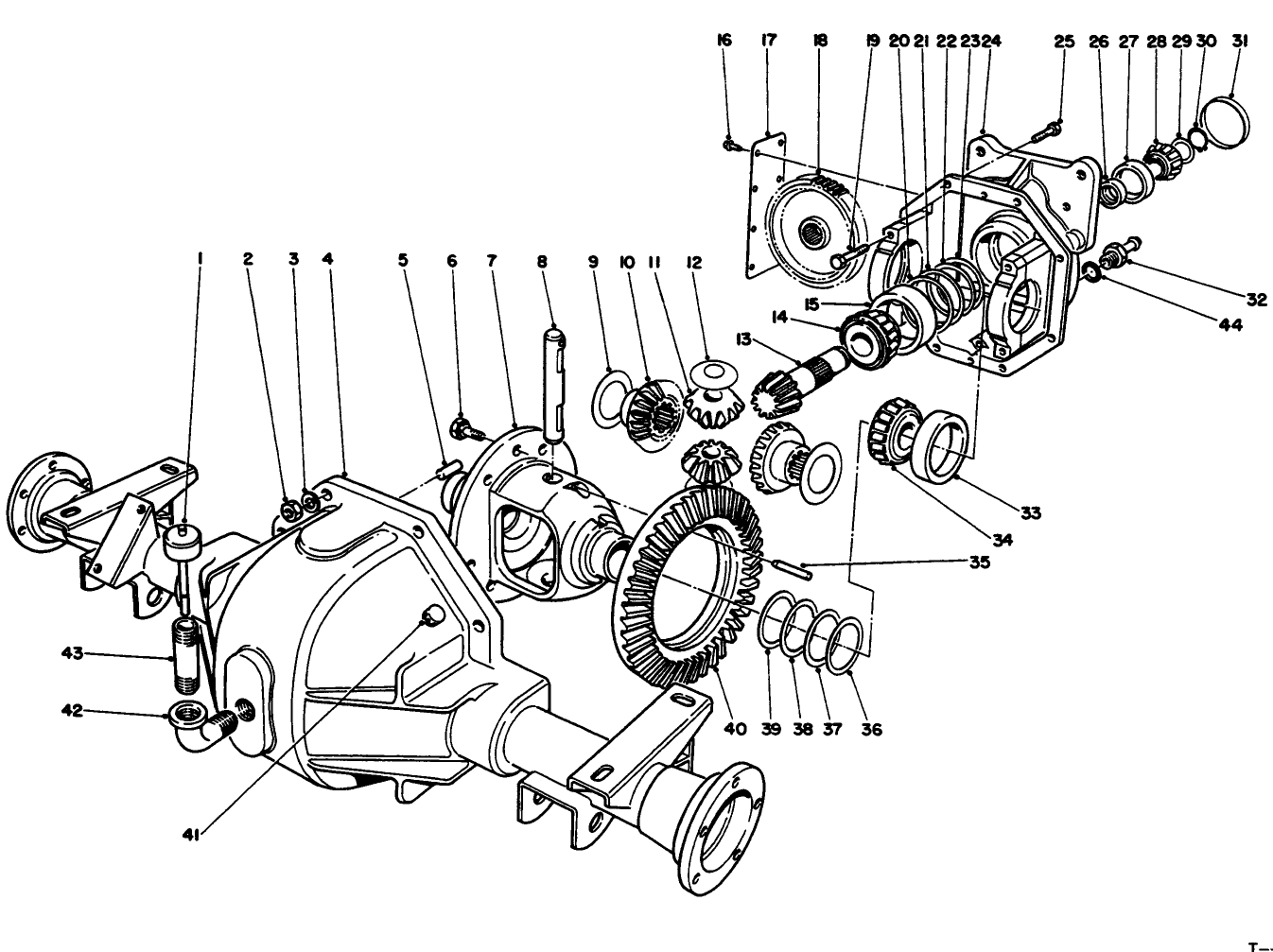
Assembly Drawings
Search for a part within assembly drawings:
-
Service Manual
-
Operator's Manual
-
Parts Catalog
-
Service Bulletin
Please contact your local dealer
52 Inch Blower Kit (Part # 30502)
62" Blower Kit, Mower (Part # 30503)
9.0 cu. ft. Bagger Kit (Part # 30504)
52" Side Discharge Mower (Part # 30652)
62" Side Discharge Mower (Part # 30662)
Mulcher Kit, 52" Mower (Part # 30700)
Deluxe Seat Kit (Part # 30705)
Leaf Mulcher 62" (Part # 30792)
18.00 Inch High Sail/Flow Blade (Part # 44-5480)
Toro 18.00 Inch OEM High Sail/Flow blade. This Sharp replacement blade provides a crisp, clean cut time after time. You can count on the reliability of this Toro replacement High Sail/Flow rotary mower blade. This Toro blade has multiple applications. Be sure to verify model and serial number to ensure the correct part.
Debris Blower 2670 (Part # 44524)
Debris Blower Adapter Kit (Part # 44529)
-
Model #
30620 -
Serial #
590001 - 599999 -
Product Name
Proline 220 -
Product Brand
Toro -
Product Type
Riding Products -
Product Series
Groundsmaster 62" / 200 Series -
Swath
Deck Optional -
Discharge
Deck Optional -
Engine/Motor Manufacturer
Onan -
Engine/Motor Size
20 hp -
Engine/Motor Type
4 Cycle -
Engine Starter
Electric -
Transmission Type
Hydrostatic
-
Engine: Spark Plug
Champion RS14YC -
Engine: Spark Plug Gap
.025"/ .64mm -
Engine: Engine Speed
3200±100 RPM -
Chassis: Tire Pressure
10-15 psi -
Engine: Engine Oil Type
1.8 qt (1.7L) 10w-30 engine oil API SF or higher -
Drive System: Gearbox Lubricant
5 qts. 10w-30 engine oil API SF or higher






























